Fórum témák
» Több friss téma |
Esetleg van vki Dunaharaszti környékén aki rá tudna nézni erre a ...va áramkörre?
Voltam 3 tv szerelönél,néztek mint a bálám szamara.
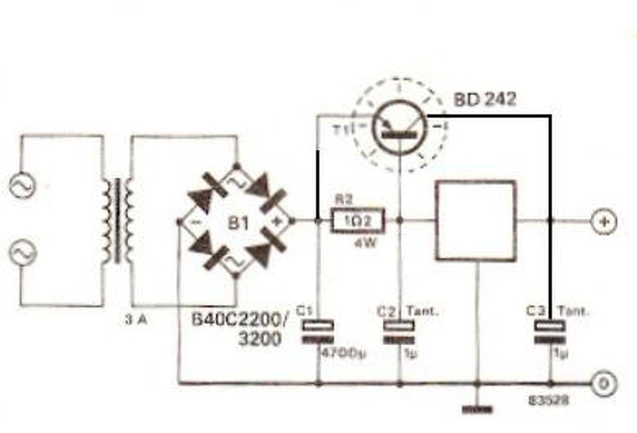
Idézet: „az ellenállás az emitter és a bázis között van.Bázistól megy a piros a nagy kondihoz” Éppen ez a baj. A nagy pufferkondinak direktben az emitterre kell mennie, mert majdan arra fog folyni a nagyobb - "kerülő, rásegítő" - áram. A kis értékű ellenállásod nagyon kicsi... Ennek a szerepe, hogy a rajta - a kimenő áram által - eső feszültség nyitja majd a kerülő tranzisztort. Mikor is nyit egy Si tranyó? 700mV azaz 0,7V környékén, tehát az ellenállással kell/lehet beállítani azt az áramot, amit még a stab IC fog szolgáltatni. Mivel ő 1 ampert tud, tettél rá kis bordát is, így engedjünk meg 150mA-t. Ohm Gyuri bácsi törvényét segítségül hívva meglesz az érték: R=U/I, azaz 0,7/0,15, ami -szabványos értékre kerekítve 4,7 ohm. Mekkora teljesítményű? P=UxI biztonsággal fél wattos megfelel. Mielőtt megkérdezed: a rajzon miért 1,2 ohm van? Azért, mert ott 500mA-t engednek az ICn átfolyni, de ehhez a Te bordád kicsi. A képeden lévő 0,22 ohm 3,1A-t engedne meg az IC-nek, ami attól a hővédelemmel padlót fogna... Ha valami nem megy elsőre: türelem, hibakeresés. Másodikra ugyanez. Sajnos a saját elkötéseinken sokszor ugyanúgy siklunk át, míg egy külső szemlélő elsőre látja a hibát. (Már ha ért hozzá. A 3 TV-s meg adja vissza a bizonyítványát, ez egy alapkapcsolás.
Akkor mutatom én is másképpen linkelve, hátha így rákattintasz és észreveszed a különbséget: Bővebben: Link.
Hiába, egy kép(-let) többet ér száz szónál!
Köszi!
Működik.Legalábbis 21W terhelésnél 11.80V-ot mértem.
Pompás. Az ellenállást mindenképp cseréld. Addig csökkentheted, amíg nem túl tüzes az IC-d.
És mindent pontosan kövess le, mert többféle rossz bekötéssel is lehet jó kimeneted, de a nagyobb terhelésnél már előjön a hiba. A hozzászólás módosítva: Feb 5, 2016
Kicsit túlbiztosítottam a rendszert,elvileg 2A kell,egy médiapleyert akarok hajtani.
Nem mondod, hogy megértetted-e a működés lényegét...
Nem túlbiztosítás, hiszen maga a stab IC csak 1A-t tud. Néhány mérést is végezhetnél: - trafó AC - pufferfesz terhelés nélkül - pufferfesz többféle terhelésnél - különösen a kívánt 2A környékén A hozzászólás módosítva: Feb 5, 2016
Trafó 12V stabilan
Puffer t.nélkül 16,97 terheléssel 15V És tényleg nem mondtam,még rágom. A hozzászólás módosítva: Feb 5, 2016
Arra sem árt odafigyelni, hogy míg Sebi rajzában a BD242 sima tranzisztor, a BD648 darlington, aminek a nyitó feszültsége kétszerese és van bennük beépített bázis-emitter ellenállás. BD648 Így a rajzon szereplő B-E ellenállás tovább növelhető, viszont a bemenő és kimenő feszültség között nagyobb lesz az eltérés. Ha kis feszültségesést akarsz, egyszerű tranzisztort tegyél be! A stab IC bőven szolgáltat neki bázis nyitó áramot.
A helyzet az hogy anno kértem egy használható rajzot,de nem igazán kaptam akkor segítséget.
Innen -onnan próbáltam rajzot szerezni,ezt a bss-elektronika honlapjáról szedtem. Bővebben: Link Csak kopíroztam.Majdnem.Megnéztem hogy éppen mi kapható a konthánál,és azokkal csináltam rajzot,majd feltettem ide elbírálásra.Ez lett belöle. Nem tudom hol van a fiam billentyüzetén a hosszú magánhangzók zöme. Sorry.Nektek örök hála. A hozzászólás módosítva: Feb 5, 2016
Te is úgy jártál, mint sokan mások. Többször is szóvá tették itt, a BSS rajzait kritikával kell szemlélni (és eldobni
).Ott egyébként max. 30 V bemenő szerepel, nem pedig éppen egy hajszállal magasabb, mint az elvárt stabil kimenő. Normál tranzisztorral. Az egyszerűbb stabkockáknak elég magas a maradékfeszültsége (~2V), így megfejelve még több (+0,7V), darlington tranzisztornál legalább 0,7 V-ot hozzá kell adni. A terheletlen pufferfeszültség már minimális terhelésre is jelentősen esik. Előbbi levezetés alapján a terhelt állapotban 15 V-ból ~3,4 V-ot le kell vonni. Mire eléred a várt 2 A-t, a 21 W terheléssel mért 11,8 V-ról (24 W) tovább csökken.
Nem akarom nagyon feszíteni a húrt,de te mit mire cserélnél ebben az áramkörben?
BD 648 helyett: Bővebben: Link R1 10 ohmos helyett 4,7 ohm? R2 ellenállás helyett? Ja és jelenleg 21W-nál a legmelegebb a diódahíd.Arra is hűtőborda,vagy megint el....tam vmit?
Ja, látom már, hogy a nyitó ellenállásod 10 ohmos, ezzel - mivel a tranyó darlington - pont ugyanott nyit, mint a sima tranzisztor a 4,7 ohmmal - amit számoltam.
Úgy néz ki, minden rendben, a graetzet pedig hűteni kell. Ez a BSS rajz kivételesen nem hibás, egyszerűen odébb lett kötve egy szál vezeték... A hozzászólás módosítva: Feb 5, 2016
Jogos!Amúgy a nyákterv megér még ott egy misét.
Még egyszer köszi.
R1 jobb lenne 22 Ohm. Több áram marad a stabilizátoron átfolyóból a bázis felé. A BD246, ami a BSS rajzon szerepel, megfelelő, de ezeknek a nagyáramú tranzisztoroknak kicsi az áramerősítésük, nem árt, ha van bőven bázisáram. R2 jó, ahogy van. Az emitter elé mindenképpen kell pufferkondi. Oda kell a 10000 uF. A 7812-es 1-es lábára elég 100 uF.
A 10 Ohm-os (22 Ohm-os ) ellenálláson nagyobb áramoknál a puffer felé ingázó váltakozó áram veszteséget okoz, melegít, ráadásul 100 Hz-cel zárogatja a tranzisztort. ![]() A kimeneten lévő 10 µF-os kondin érdekes jelet lehetne mérni. Az egyenirányító melegedése ezen az áramon még nem jelentős. Többet is el kell viselnie hűtés nélkül, de ha van rá lehetőséged, tehetsz arra is egy fület.
Sziasztok!
Van nekem ez a MW79 AC/DC változtatható feszültségű trafóm amiben egy ellenállás kipurcant. Annyira, hogy csíkok is már felismerhetetlenek rajta, lásd a mellékelt fotókat: http://tinyurl.com/z4gqqqp Ja magáról a komplett trafóról elfelejtettem fotót készíteni, de így néz ki: http://www.powershop.com.ar/prod_images/mw-79.jpg Szóval valaki megtudná mondani a fotók alapján, hogy milyen értékű ellenállást tegyek be a kipurcant helyére? Próbáltam kapcsolási rajzot keresni erre az amúgy népszerű trafónak de nem jártam sikerrel,
Működik egyébként ebben az állapotában?
Mert két eset lehetséges: vagy sorosan van a graetz-el (ki- vagy bemeneten), vagy párhuzamosan a pufferkondival. Utóbbi esetben rendesen működik a cucc, csak üresben (terhelés nélkül) a max kapcsolóállásnál néha felrobbantja a kondit, ha csak 16V-ost raktak bele. Ha sorosan van, akkor a diódák, ill. a trafó védelmét szolgálja és rövidzárnál elfüstöl. A táp megadott kimeneti árama alapján lehet kiszámolni. Például: látod az ellenállás méretét, ami (szemre) nem nagyobb 1W-nál. Ha 1A-es a tápod, akkor max. 1ohmos lehetett, amin - teljes terhelésnél - 1V esik.
A trafó így nem működik, mértem feszültséget a feszültségválaszó mindegyik pozíciójában, a 1,5V-os pozíciónál 0,5V-t, 12V-nál kb.1,2V-t ad le. A kimenet 1A-es, tehát 12V-nál max 12W-ot ad le.
A kondik 1000µF/25V-osak. A nyák rajzolata alapján a kipurcant ellenállás egyik lába két diódához és az egyik kondihoz van kötve a másik lába a másik kondihoz és egy ellenálláshoz, tehát elmondásod alapján úgytűnik, hogy valóban sorosan van bekötve és védelmi célt szolgál. Tehát ha csak védelmi célt szolgál akkor le is tesztelhetném a trafót úgy, hogy rövidrezárom a kérdéses ellenállást és a trafónak kellene, hogy működjön igaz? (csak a teszt idejére zárnám rövidre)
Mutass egy-két fényképet róla és megmondjuk.
De hát az eredeti kérdésemben (3 üzenettel feljebb) posztoltam jó néhány fénykép linkjét.
Sebi válasza logikusan hangzik csak arra várok hogy ő vagy esetleg valaki más esetleg módosít az ellenállás értékén a közölt áramerősség és kondik adatai alapján. Ja, meg, hogy jól gondolom, hogy rövidrezárva a kiégett ellenállást ellenőrizhetem, hogy a trafó még működik?
Hello.
Nekem van egy hasonló tápom melóban, előkotrom és megnézem neked ma estére. Ha szerencséd van, ugyanilyen lesz. Szerintem amúgy max. 1 Ohm lesz, vagy attól kisebb és 2W -os. Nem csak védelmi, hanem szűrési céllal van ott a két kondi között. A hozzászólás módosítva: Márc 1, 2016
Üdv!
Más is szenvedett ezzel a táppal, ezzel az ellenállással. Itt 1 Ohm 2W az ajánlott érték, de kisebbet, 0,67 Ohmot is tehetsz oda, 2W min, Ahány Ohm annyi V fog esni rajta 1A nél. Sorba van kötve a greatz után tehát minden áram átfolyik rajta. Esetleg 2db 1wos párhuzamosan, kiemelve, hosszú lábbal szerencsésebb, mivel a secundertekercs is fűti és a kotlában se mozog a levegő. Remélem segítettem.
Rövidrezárhatod.
De a trafó lábain enélkül is mérni kellene feszültségeket, világítania kell egy izzónak (ha jó).
Rövidre zárva az ellenállást a trafó működik, terheletlenül ezeket a feszültségeket mértem:
4,95 V 6,86 V 8,75 V 10,87 V 12,95 V 15,05 V 18,76 V Szóval mi a jelentősége annak, hogy 1 vagy 2 Wattos ellenállást teszek be? Az 1 wattos hamarább kipurcan legközelebb rövidzárlat esetén? Vagy 1 ohm helyett 0,67? .
Én nem tennék oda semmit, nem szoktam rövidzárba tenni tartósan, a pillanatnyit meg elviselí egy ilyen kis trafóval pár másodpecig. Ha aggódol, akkor 1W-ost tégy oda az könnyebben leég majd - ez a feladata. 0,67 ohmnál kevesebb meleget termel és kissé több ideig bírja a rövidzárat.
Szerk: Van olyan, hogy multifuse, ez "megjavul", ha elmúlt a zárlat. A hozzászólás módosítva: Márc 1, 2016
Azt hiszem, hogy akkor egy 1 Ohm, 1 Watt sima ellenállást fogok beletenni.
Egyébként magam is "érzékeny" vagyok a jó hűtésre, már sok elektromos berendezést fúrtam szitává (képletesen mondva) a jobb hűtés miatt, - belekalkulálva a felfelé áramló meleglevegő szívóhatását - ennek a trafónak is mindkét (alsó, felső) oldalát szitává fogom fúrni. Hey srácok, nagyon köszönöm minden hozzászólónak a segítséget!!
Amikor utoljára használtam az adaptert a pedálhoz akkor nem volt gond. Aztán a kocsma utóhatásai miatt már nem tudtam használni mert a kimeneti oldalon nincs mérhető feszültség egyik lábazat közt se. Jobb megoldás nem lévén egy telefontöltő vezetékét átalakítottam de a kimenetére ráraktam egy nagyobb hangszórót ami zajt jelez a rendszerbe ami a pedál hangjába nagyon csúnyán bezavar. Egy kimeneti kondi csere megoldja a gondot vagy más megoldás kell?
Model: MS-T031BL-D. Elnézést a rossz képminőségért.
Sziasztok
tudna segíteni valaki mi lehet a probléma meg építettem ezt a kapcsolást műveleterősítőnek a problémám hogy mikor terheletlen akkor hibátlanul működik GND hez képest +15 és -15V is megvan ahogy bekötöm elcsúszik a pozítív ág 21V a negatív -8V ra ugrik ha az ic nincs benne akkor is ugyan ezt produkálja valakinek valami ötlete? A hozzászólás módosítva: Márc 5, 2016
|
Bejelentkezés
Hirdetés |





).


