Fórum témák
» Több friss téma |
Fórum » Alkonykapcsolós világítás fototranzisztorral
Témaindító: Carp Boy, idő: Márc 15, 2009
Témakörök:
Sziasztok keresek olyan rajzot/ ha tudtok/ alkony kapcsolót mely indít egy 1-2 perces időz
ja és fényre kapcsol előre is köszi
Na, még egyszer parasztosan.. Mit tegyen? Mert "jön a fény", elkezdődik az időzítés. De mi van ha elmegy, vagy ha úgy marad a fény.
A fényt egy telefon hívás fogja szolgáltatni, távírányítás
Ez alapvetően egy 555 monostabil kapcsolásával megoldható. Mert ezek szerint a fény csak egy ideig van jelen. Azt követően kell 1..2percig működnie az "izének". Pld. mint itt.
Csak az fényerő szerint kel megválasztani, az S1 helyére megy a fotoérzékelő. Az R2-höz kb. 220kohm-ot, és a C2-höz 470µF-ot kell választani. De a 2perc, már cseppet necces az 555-nek. Ha ez gond, akkor más "számláló alapú" időzítőt kell választani. A Fet attól függően kell/nem kell, hogy mit szertnél kapcsolni az időzítővel.
A helyzet az hogy Pestről tudjak locsolót működtetni vidéken jó nekem
Valamit "elkattintottam". De majd remélem itt látni fogod.
Sziasztok.
Segítséget szeretnék kérni,egy alokonykapcsolóval kapcsolatban. A lényeg, hogy van rajta egy relé, ami akkor húz be, ha eléri a potméteren beállított fényt(sötétedésre kapcsol). Nekem viszont a fordítottja kellene. Erősödő fénynél kapcsoljon be. meg lehetne oldani, úgy hogy a relé NC-jét használom, viszont nem szeretném, hogy a relé mindig behúzva legyen, mert nincs elég fény. Hogyan lehetne ezt megoldani, van valakinek ötlete?
Hello! Invertálni kell a relé működését. (Pld. egy tranyóval) De, hogy hogyan célszerű, azt akkor lehet megmondani ha ismert a kapcsolása a jelenlegi készülékednek.
Ennyit találtam róla, ha ez segítene valamit.
Hogyan kell invertálni tranzisztorral?
Hello! Sajnos így felületszereltből kibányászni bármit, az kockázatos. Kiegészíteni még körülményesebb. Mert a tranyót kellene kibányászni, és helyébe két tranyós áramkört tenni. Vagy a CDS-t kellene felcserélni a potival, de ott meg nem tudni ki kivel van..
A két tranzisztoros megoldást le tudnád írni, vagy rajzolni, hogy néz ki?
- Meg kellene szakítani a tranyó kollektoráról a relére menő vezetéket.
- De sajnos a védődióda a tranyó felett van. Azt ki kellene venni, és áthelyezni a relé tekercsére. - A dióda helyére kellene rakni a 10kohm-ot. - Aztán a Q2 relémeghajtó új tranyó emitterét a negatív tápra, a bázisát a Q1 kollektorába, kollektorát pedig a relére kellene kötni. Remélhetőleg így érthető..
Köszönöm a segítséget, a plusz tranzisztorral tökéletes lett.
Sziasztok,
Nem vagyok túl jártas ebben a témában, de összeraktam én is egy alkonyatkapcsolós led világítást (mint sokan mások, én is dőlőbójához). 1db 3.6V lítium elemmel működik. Megfelelő "sötétben" kapcsol fel és a fogyasztás sötétben nagyjából 18mA. Ez mind jó, de a bajom az, hogyha közvetlen erős napsugár éri, akkor a fogyasztása 20mA fölé is megy, tehát többet fogyaszt, mintha világítana a led... Tudtok abban segíteni, hogy ezt miként csökkenteni? Köszönöm!
Hello! Ez természetes, mert a fototanyó árama befolyik a tranzisztor bázis-emitter körébe. Mivel az tulajdonképpen egy dióda, az áramot nem korlátozza semmi. Tegyél 100k ellenállást sorba a fototranyóval.
Üdv!
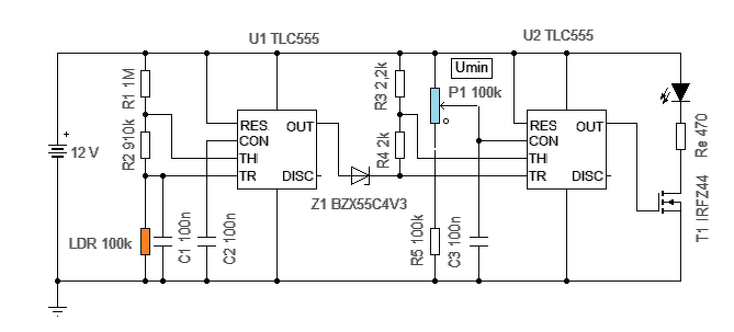
Létezik a fórumon olyan kapcsolás, ami egy 12v-os alkonykapcsoló, ( akkuról menne és 12v-ot kapcsolna ) maximum kb 1-1,5A terhelhetőséggel és akku mélykisütés védővel van ellátva? Keresgéltem,de nem igazán találtam. Esetleg alkonykapcsolót és külön mélykisütés védőt lehetne össze gyúrni, de hátha megoldható kevesebb alkatrésszel,más kapcsolástechnikával. Előre is köszönöm.
Hello! Pld. így lehetne megoldani. De CMOS 555 van benne a fogyasztás csökkentése érdekében. A P1 trimmerrel lehet beállítani a lekapcsolási feszültséget. (Persze a tápra egy elkót illik tenni.)
Ha alkonyodik, az U1 kimenete alacsony szintre vált. Ekkor ha a táp a megengedett felett van, U2 bekapcsolja a Fet-et. (Egy Led-et meg előtét ellenállását rajzoltam jelenleg terhelésnek.) A hozzászólás módosítva: Szept 20, 2019
Szia!
Nagyon köszönöm a rajzot. Csak a fotoellenállás zavaros kicsit nekem, a 100K a maximum ellenállását jelenti?
A fotoellenállás névleges értéke 10 Lux fény mellett van megadva. De szinte mindegyik értéke sötétben 1Mohm felett van. Szóval adatlapszerinti kisebb értékű is megfelel, legfeljebb az R1-R2 értékét kell megváltoztatni. (De úgy, hogy R2 értéke 10%-al kisebb legyen mint R1.)
Értem,köszönöm. Csinálok egy panel tervet hozzá és össze rakom. CMOS 555-öm nincs itthon, csak sima NE , de majd jövő héten beszerzek párat. Még egyszer köszi.
Kicsit változtattam rajta, hogy a feszültség figyelés korrektebb legyen. Valamint tettem bele időzítést, hogy pld. egy felvillanó fény (gépkocsi vagy villám) ne kapcsolja le a lámpát.
Köszönöm. De lenne két kérdésem: mivel ebből elmaradt a feszültség szint beállító potméter, így hány voltnál kapcsolja le az akkuról az áramkört?
Valamint ha én szeretném beállítani azt az értéket hogy milyen fényviszonynál kapcsoljon be, akkor hová kell beépítenem egy neki megfelelő potit?
Hello! Kb. 10,5V-nál kapcsol ki, és 11,5V-nál be. (Túl jó tartományt nem lehet kijelölni, mert mihelyt a terhelés megszűnik, az aksi "visszatöltődik".)
Potit it nem igazán lehet alkalmazni, mert az 555-nél a hiszterézis "adott". Tehát mind két ellenállást egyszerre kellene állítani. Azért meg lehet oldani, de egy tranyót be kell építeni, na meg a potit.. De szerintem először próbáld ki. Sima 555-el is működni fog, csak többet fogyaszt. Próbánál viszont nem számít. |
Bejelentkezés
Hirdetés |











