Fórum témák
» Több friss téma |
Fórum » PC táp átalakítás
A túlfesz védelem kiiktatása miatt nem repül el a táp?És a többi ág?Azok kellenének,legalább is az általam említett kettő.Azért kérdeztem.....
Akkor ha kell, akkor miért is akarod átalakítani?
Így nem tudok segíteni. Amúgy nem leszt tőle semmi baja.
Írtam az elején,hogy nem vagyok profi!Bocsánat csak hangosan gondolkodtam előző hozzászólásomnál.Azért lett volna jó,ha megmarad a másik kettő is,mivel a 3,3-ra egy visszajelző ledet akartam kötni, az 5 voltra meg egy usb-t és úgy gondoltam,hogy ez menni fog együtt.A leírásban,amit néztem,abban nem volt ennyi plusz dolog.Szeretném ha segítenél,de láma módban,mivel te profi vagy a témában,ahogy levettem.A 4-es lábon dióda helyett egy ellenállást találtam,a további áramkörök kiiktatására említett egyenirányítókban meg nem vagyok biztos,hogy melyik.Mellékelek képeket,igaz nem valami jók de ez van.Az első két képen az ic környékét,míg a harmadikon a lehetséges egyenirányítókat örökítettem meg.ezek után mit és hogyan?
A három kimenet egymással kapcsolatban van. Ha emeled az egyiket, a másikak is emelkedni fognak. Rakj be fesz. stabilizátort, és akkor lesz stabil 3.3V-od, 5V-od. A 12V-od meg ha növeled, mondjuk 16V-ra, akkor ott lesz stabil.
Ha egy jó képet csinálsz az aljáról (szkennereel lehet igazán jót), akkor meg tudom mondani, mit vegyél ki. Így nem.
Vissza kell vezetni a kimeneti vezetékek színe alapján. Pl elindulsz a pirosnál, ami az 5V. Haladsz a puffereken és a tekercsen keresztül és eljutsz az ahhoz tartozó diódához.
Köszi a segítséget.A feszültség stabilizátornak utána kell nézzek,mivel nem tudom pontosan miaz.Viszont azt igen,hogy a három ág kapcsolatban van egymással.A gond ott van,hogy akkor sincs meg a 3,3 és az 5 volt,ha a 12-tőt felviszem 14,5-ig.Gondolom nem is lesz meg az ic varia miatt, ezért írhatta gerleimarci,hogy szüntessem meg a másik két ágat.De hát valamit-valamiért...
Neked is köszi a segítséget, viszont jobb képet egyenlőre nem tudok csinálni, így hát életbe lép a közmondás: "Magad uram,ha szolgád nincsen"
![]() ![]() Probálkozok a visszakövetéssel,ahogyan írtad,de előtte kiiktatom azt a zennert a 4-es lábnál és meglátom, hogy mi lesz belőle.Annyit már tudok, hogy nem közvetlen az ic mellet lesz,mivel a panelon a 4. és 13. láb össze van kötve a és onnan megy tovább egy 2,2 uf-os kondin keresztül egy kis zennerbe.Valószínűleg ez lesz az,amit írtál. Ha valamin elakadok,akkor úgy is kérdezek. Végére még egy közmondás: "Jó pap holtig tanul"
Szűntesd meg a 3,3; 5; -12V ágakat. A tekercseket ne vedd ki, az kell a 12V-hoz(ami állítható lesz).
Itt egy kis segítségBővebben: Link A jobb oldali képet ne nézd, hagyd meg a sima dupladiódás egyenirányítást. A hozzászólás módosítva: Aug 7, 2016
Okés,köszi!A -5 voltot ne szüntessem meg?
Ha van rajta, akkor igen.
Na levettem a diódát a 4-es lábról...
Műxik,de gondolom,hogy a kondik miatt csak 16 voltig használható. Viszont lett némi mellékhatása is a dolognak. A kapcsoló,ami a zöldet viszi testre,az fordított irányban működik és a kimeneti zenert is le kellett vennem. Mert-hogy: "A kimeneti csatlakozók közé tehetünk néhány Wattos 20V-os Zener diódát, fordított polaritással." A leírásban ez szerepel,de így nem jó,továbbá a 10Ohm10Wattos ellenállásra sem lesz szükség.
A többi ág megszüntetésének nincs más módja?Ugyanis megnéztem de a tekercsek rá vannak ültetve a diódákra,hozzá sem tudok férni.Elég gány megoldás.Úgy össze van zsúfolva,hogy a hajam az égnek áll.
A hozzászólás módosítva: Aug 8, 2016
Milyen kimeneti zener? Azt a "leírást" felejtsd el, mert semmit sem ér. Ónszippantód nincsen? Kiforrasztod a az összes egyenirányító diódát hűtőbordástól, lecsavarozod róla azokat, ami nem kell és utána visszaülteted a 12V-ét a bordával együtt. A -12V diódája külön szokott lenni, azt keresd meg és távolítsd el.
Azzal a 10Ohmos ellenállással mit terheltél?
Akkor elfelejtem azt a leírást.
Az van írva benne egyébként,amit leírtam idéző jelbe.Többet nem tudok róla. Van ónszippantóm. Te egyenirányító diódán azokat érted,amik a hűtőbordán vannak....váááá.....én meg a képen láthatót kerestem. ![]() Az ellenállást az 5 voltra volt javasolva,hogy legyen rajta terhelés. Ha kicserélem a kondikat 25 voltosra,akkor ki lehet csikarni annyit belőle? A hozzászólás módosítva: Aug 8, 2016
Ha a 12V-os ágon lévő kondikat kicseréled nagyobb feszültségű és szigorúan low esr kondira, akkor mehet annyira a feszültség.
Terhelésnek valami kisebb 24V-os izzót keress, az elég a kimenetet leterhelni.
Ok!Köszönöm!Az izzóra nem hiszem,hogy szükség lesz,mivel a többi ágtól "független" lesz a szabályzott kimenet.Ha tudja,amit szeretnék,akkor megy rá a valós terhelés.Keresek rajzot a tápról,ha lesz kirakom,hogy legalább te tisztában legyél a dolgokkal.
Mindig kell rá egy minimális terhelés, mert hogy ne szaladjon túl a feszültség, ki-be fog kapcsolgatni(burst mode), és ez hallható cicergéssel jár és elég nagy zavarokat csinál a kimenetre.
Mi lesz az a valós terhelés?
Egyenlőre úgy szeretném,hogy multifunkciós legyen.Lehessen 12voltos ventit hajtani róla,18voltos akkus fúrót és ha bármi kisfeszültségű motyót próbálni kell,akkor meg lehessen oldani.Meg persze kísérletezgetni........
![]() Nézegettem rajzokat de pont olyat nem találtam.Próbáltam visszakövetni,de a szemem kiguvadt,úgy-hogy szünet. A hozzászólás módosítva: Aug 8, 2016
Nézegettem a dolgokat és találtam egy
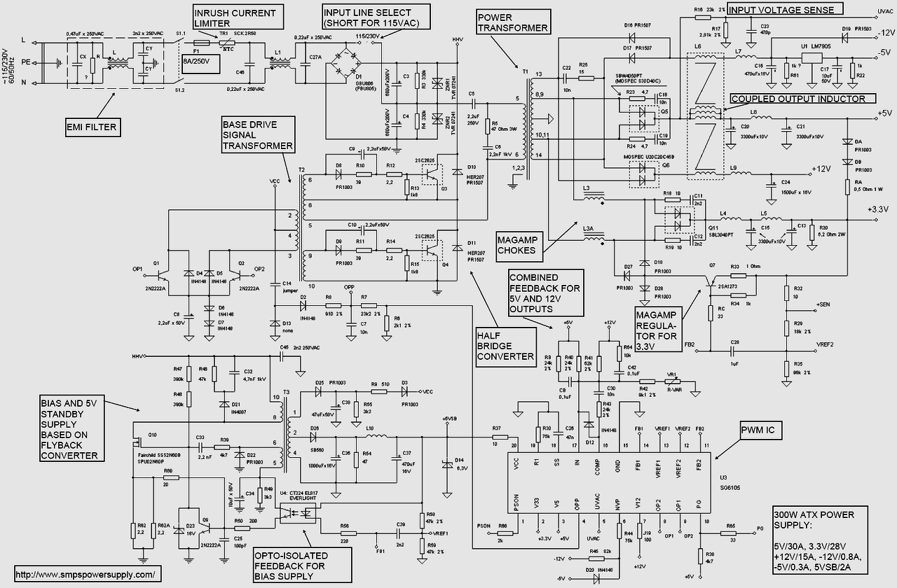
Idézet: rajzot is.Kivert érte a víz.„hasonló” ![]() ![]() Az enyémen is így van, amennyire látom,hogy a középső dióda viszi a +12 voltot, a panel belseje felé lévő a 3,3 voltot és a panel széle felé lévő a többit. A középső egy MUR2020CT, a két szélső egy-egy SBL3040PT.Ennyit tudtam egyenlőre csinálni. Ha lennél szíves ránézni és véleményezni,azt megköszönném. A hozzászólás módosítva: Aug 9, 2016
A tiédben is sg6105 van?(A rajzon az van.) Ha igen, akkor nem todok segíteni, keress másik tápot, amibe 494 van.
Nem, az enyémben sdc7500b van.Azért írtam,hogy "hasonló",mert pont ilyet nem találtam.Viszont ennek a kisfesz kimenete olyan.Néztem,van az alkatrészek és azoknak értékei között is különbség.Az enyémben pl. nincsen 3300uf-es kondi, sem 2200-as, sem 470-es.A többi rajzon ilyenek láttam.De ez csak egy példa.Sok rajzon csak két egyenirányítót találtam....stb....
A 7500b az a 494 szinonimája,ha jól tudom..... A hozzászólás módosítva: Aug 9, 2016
Épp ez az, hogy neked 7500b van, a rajzon meg egy teljesen más táp van.
Nem találtam olyan rajzot, ami jó lenne.Viszont arra jó lenne rájönni,hogy miért indul el úgy a táp, hogy a zöld nincs összedugva feketével.Ez azóta van, amióta kivettem a diódát a 4-es lábról.
Az ellenállás, ami a zöldet 5V-ra húzza az a helyén van? Attól elkezdheted kitermelni a diódákat.
Azért van, mert a "zöld nincs összedugva feketével" a dióda előtt van + tápfeszültség értékek jók is.
Miután kivetted, az ic. nem látja, mintha ott sem lenne.
Mást nem vettem ki,úgy hogy gondolom ott van.Kitermelem azt a kettőt,amit kell.
A diódán keresztül kapcsol ki, de van amikor ez a túlfeszültség védelem is, ami lekapcsolja a tápot.
Magyarul ? :"zöld nincs összedugva feketével" = tápfeszültség bekapcsolás.
A TL494 (=7500) rajzon, mint legtöbb tápon (pl.: +5, -5, +3.3. -12....) jó értéke is figyelve van. Gondolom, ezzel nem mondtam Neked újat. Viszont,- mint mondod-,amikor kitermelted a 4-es láb diódáját, az ic. ezekről nem tud tudomást szerezni. Tehát, minden jó, múködj. |
Bejelentkezés
Hirdetés |





Így nem tudok segíteni. Amúgy nem leszt tőle semmi baja. 















