Fórum témák
» Több friss téma |
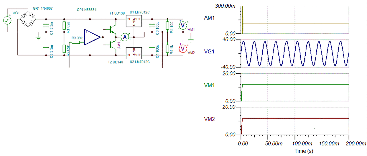
Így kellene?MOst látom a zener kimaradt
A műveleti erősírtő kevesebb mint ±18V-ot kap, amúgy tip-top.
Az R4, R5 jelképezi az aszimmetrikus terhelést, természetesen nem része a tápegységnek.
Hello! Ha már van benne felező, akkor nem szükséges mind két oldalt stabilizálni. Ha 24V-ot stabilizálunk, és aztán felezünk, az eredmény szinte ugyan az..
megfontolandó a dolog mert akkor egy stabilizátort megúsznék.
Üdv!
Szeretnék építeni egy +/-12V-os tápegységet, de gondokba ütköztem. Egyik az volt, hogy nem volt szimmetrikus transzformátorom, így két db 12V-os sorbakötésével állítottam elő a szimmetrikus tápfeszt. Ezek ugye egyenirányítva +/-16V-ot adnak. A pozitív ág nem gond, volt itthon 7812-es stabilizátor, de a negatív ághoz nincs stabilizátorom. Próbáltam diódák sorbakötésével csökkenteni a feszültséget, kevés sikerrel. Az a kérdésem, hogyha az egyik 12V-os trafó helyett egy 9V-ost kötök be, az működhet, nem lesz belőle baj? Mert ugye ez egyenirányítva 12V-ot adna...
A negatív oldalra 7912 -t használj.
Az a baj, hogy nins itthon olyan, pedig nagyon szívesen használnám.
LM723, uA723 -mal is lehet építeni -12V -ra stabilizátort. Ld. adatlap.
Most mondjam azt, hogy olyan sincs itthon?
Nem feltétlen kell stabilizáltnak lennie, de csak 12V körül legyen... Az általam említett megoldás semmiképp sem jó?
De jó, csak közel sem lesz szimmetrikus. A szimmetrikus táp kb. a tükör szimmetrikusat jelenti, mind elrendezésben, mind tulajdonságaiban.
Rendben, gondoltam, hogy nem a legjobb megoldás. Szerzek 7912-t és visszaépítem rendesre.
Ha két trafód van, akkor külön egyenirányítsd és stabilizáld őket 7812-vel, majd ezt a két, egymástól független 12V-ot úgy kötözgeted, ahogy akarod. Konkrétan az egyik GND-je megy a másik 12V kimenetére, ez a közös pont, és ehhez képest értelmezve van +-12V-od. Két db 7812-d meg talán van.
Ez meg sem fordult a fejemben, de megpróbálom, köszönöm a javaslatot.
Szia! Mindkét tápoldalt 7812-vel szoktam stabilizálni és s stabil kimenetek összekötésével hozom létre a szimmetrikus tápot. Próbáld ki!
Lemaradtam A hozzászólás módosítva: Máj 1, 2016
Adott esetben egy ilyen, vagy hasonló "kondi park" megfelel 50hz brumm szűrésre is?
Szia! Mi lenne ez az eset? Így sommásan csak annyit válaszolhatok: lehet, de nem valószínű.
Most éppen a canamp-al játszadozom. Nagyon jól szól, de a "saját" tápja engem még mindig nem győzött meg. Simán hallom az alapzajban a táp 50hz-ét. Így jönnek bennem a kérdések...
Nagyobb kondi? Kondipark? Soros pár mikrohenry? Mitudomén??? ![]() ???? mert valahogyan lesz ez a canamp zajtalan, ha beledöglök is...
Sajnos sokkal kevesebb időm van a HE-t látogatni mint szeretném, ezért például elmaradt ennek a NYÁK-nak a véleményezése. Van benne pár apróság: földhurkos, nem jó a csillagpontja, és meg tudja kerülni a puffert a hullámos egyenfeszültség. El is hiszem, hogy benne van a mackó
![]() Oly sokszor leírtuk/leírtam már az ide vágó szabályokat, remélem kevés böngészéssel rábukkansz. Ha a NYÁK rendben, már csak a jelkábel árnyékolása/zavarmentesítése és a trafó szórás minimalizálása marad és teljesen zajtalan lesz az áramkör. A puffer növelés valamennyit javít rajta, de nem az a megoldás.
ööööö.... akkor van itt baj bőven!
Hát keresem én, de ha eddig nem "láttam" akkor nem is fogom látni, hogy hol hibádzik nagyon. Egy másik rétegen nem rajzolnád be a hibát?! ![]() Amúgy kábelek árnyékoltak, trafó vaslemezzel árnyékolva- árnyék a földelésre lekötve...
Csak csendben jegyzem meg, hogy a kétutas egyenirányítás (bízom benne, hogy az van) hullámossága 100Hz, és nem 50Hz. Ha 50Hz van, az ne a szűretlenségből származik, vagy nem 50Hz, az 50Hz..
Meghallgattam; igazad van... 50-nél több
![]() Kétutas természetesen! De még mindig nem "látom" a panel hibáit.
Szia! Belerajzolnál, hogy mi a hiba?
Köszönettel előre is... Türelemmel jól állok! 4 évig egymagam neveltem a fiam... 4-től 8 éves koráig. Megtanított a türelem gyakorlására! Ha időd engedi, akkor lesz nekem megfelelő!
Sziasztok!
Segitségeteket szeretném kérni. Van egy többkivezetéses trafom és ezt szeretném szimmetrikusá tenni. Már olvasgatam erre róla, de azt sehol sem találom hogy milyen diodát használjak az egyenirányitáshoz és mekkora kondit. Mért kivezetések: 1: 6,8 V 2: 10,6 V 3: 20,4 V 4: 42,8 V És nekem pedig kellene +- 30......35V Köszönöm.
Szia! Ha van rá lehetőséged, szedd szét, és tekerd újra a sec. oldalt. Nehezen láttam be én is.
KBU606 dióda híd?!?! Sok ampert sok volt-tal elbír
szeintem ezen ez nem fog összejönni.
|
Bejelentkezés
Hirdetés |














