Fórum témák

» Több friss téma
Fórum » Autó-generátor nem tölt rendesen
Lapozás: OK   8 / 160
(#) Atis57 válasza Szuszu hozzászólására (») Márc 16, 2008 /
 
Szia!
a skoda --liaz gépek nem kerültek a látóterembe.....ismerősöm sincs Aki súgna....
(#) Atis57 válasza DRAWS hozzászólására (») Márc 16, 2008 /
 
Szia%
azért ez nem véletlen lottó 5 -e sincs ,indenkinek....illetve a feltalálókat miért ismerjük név szerint?pedig akkoriban is 2----3 milliárd ember élt a földön......
de csak ennyinek volt jó ötlete?
(#) lalipityu hozzászólása Márc 18, 2008 /
 
hát ez az ingyen energia ugy látszik nem fog menni, én viszont kérdeznék amire lehet van válasza valakinek akksiról megy egy 1000w max1200w inverter ha beindul a motor és tölt a generátor akkor az inverter lekapcsol valószínőleg a magas tőltőfesztől,kérdésem mivel lehet visszavenni a feszt hogy ne lépje túl mondjuk a 13v-ot ha tud valaki bevált dologról ilyen esetben akkor kérem a hasznos hozzászólását
(#) kobold válasza lalipityu hozzászólására (») Márc 18, 2008 /
 
Én azt nem értem, miért akarod visszavenni. Teljesen normális dolog, hogy járó motornál a töltőfeszültség 13 V fölött van (egészen 14.4 V-ig). Ha ezt lecsökkented, a generátor nem fogja pótolni az akkuból kivett energiát, főleg, ha még egy 1 kW-os inverterrel is beterheled.
A feszültségcsökkentés egyébként a szabályzó állításával, vagy cseréjével érhető el, előbbire a mai autóknál már nincs lehetőség, utóbbi esetben pedig építeni kell egyet.
Bár sok értelmét nem látom...
(#) AMD válasza Pongó Sándor hozzászólására (») Márc 18, 2008 /
 
Az biztos hogy nem működőképes. Vedd le az akumlátorról az egyik sarut majd kétoldalam ampermérővel kösd rá az akumlátorra. Beindítod és kiderül hogy melyik oldalra lendül ki. Az 100% hogy fogyasztást fog mutatni. Attól hogy az aksi az inverteren keresztül ellátja árammal a motort az még nem azt jelenti hogy a generátor annyit tölt vissza az aksiba amennyit a motor megeszik. Csak addíg fog üzemelni amég az aksi le nem merül. Elég ha működés közben leveszed az egyik sarut és meglátod hogy le fog álni. Az csak egy elképzelés hogy egy motorral megforgatok egy generátort amiről a motor üzemel. Ez gyakorlatban nem így működik. Aki nem hiszi próbálja ki. Egyébként hogy működik ha a generátor nem is tölt?
(#) Szamy hozzászólása Márc 19, 2008 /
 
mi meg gyerekkorunkban beültünk a hintába, és megemeltük saját magunkat biztos van olyan aki úgy emlékszik, neki sikerült
(#) AMD válasza Szamy hozzászólására (») Márc 19, 2008 /
 
A fizikát nem lehet megbszni. Csak van aki nem hiszi el.
(#) AMD hozzászólása Márc 20, 2008 /
 
Így be lehet üzemelni a generátort? Az izzó adja az előgerjesztést. A D1 adja az egyenáramot a gerjesztésnek, utána kéne szerintem valami áramkorlátozó. A D2 töltemé az aksit, a D3 szerintem elhagyható. Elnézést a mórickarajzért.
(#) sumilaci válasza potyo hozzászólására (») Márc 20, 2008 /
 
Most fértem a géphez , mert teljes felújitás folyik rajta, szóval a következőkre jutotttam:

test felé ohm mérővel egyik pont felé sincs kapcsolat

a B+ és Mo között 125Kohm ot mértem
és feszültségben 5Vot

az 54es és D között közel rövidzár van


A generátoron a D az lehet hogy DF (ez a felirat a szabályzón is szerepel), de elég ütött kopott tehát nem biztos

bekötve próbéltam úgy hogy

B+ ra 15ös pont

generátor 54ese a feszszab 54esével összekötve

54es visszajelző lámpa 1ikfele, a másik felét pedig végig próbáltam mindegyik kivezetésen

de töltést nem birtam kicsikarni

Ha esetleg van ötlet vagy tipp azt előre is köszönöm!

Esetleg ha van rajz egy generátor elméleti bekötéséről ill működéséről azt is szivesen fogadom, mert ezt sajna sose tanultam de szükségem lenne rá

Köszi

(#) potyo válasza sumilaci hozzászólására (») Márc 20, 2008 /
 
Ide feltettem egy rajzot: Link

Majd később visszaolvasom, hogy mi a helyzet eddig, most csak épp benéztem.
(#) sumilaci válasza potyo hozzászólására (») Márc 20, 2008 /
 
Köszi
(#) kobold válasza sumilaci hozzászólására (») Márc 20, 2008 /
 
Hajdani villanytan-füzetemből két ábra, és magyarázat; a kisebbik csak a generátorról szól, a nagyobb már a szabályzót is tartalmazza.
Hátha segítenek valamit.
(#) sumilaci válasza kobold hozzászólására (») Márc 20, 2008 /
 
Köszönöm MESTEREK!


(#) sumilaci válasza sumilaci hozzászólására (») Márc 20, 2008 /
 
Ha jól értelmezem, akkor valószinű hogy a forgórésznek vlmelyik szénkefélye nem jó , ezért nem találtam testhez képest semmit?

A forgórész testje hogy van testre kötve?

A diódák közös pontja az 54es pont?
(#) potyo válasza sumilaci hozzászólására (») Márc 20, 2008 /
 
Valahol a kefeháznál van az egyik kefe kivezetése hozzákötve a házhoz.
(#) sumilaci válasza potyo hozzászólására (») Márc 20, 2008 /
 
és a diódák közös pontj lenne az 54 es szám?
(#) potyo válasza sumilaci hozzászólására (») Márc 20, 2008 /
 
Melyik diódák és melyik közös pontja?

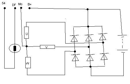
Az 54, 15 és D+ jelzések úgy néz ki, ugyanazt a pontot jelentik, mégpedig a gerjesztés számára a segéddiódahídról a kimenetet. A DF, M, 67 jelzések pedig a gerjesztőáram vezetésére szolgáló csatlakozásokat. D-, B- pontok mind az akku testet jelentik. A B+ természetesen az akku pozitív pontja.

Namost a generátor. Előszöris leveszed róla az összes vezetéket. Ezután a műszert nyitófeszültség mérésre állítod (dióda jel). A műszer plusz kivezetését hozzányomod a generátor házához, a műszer minusz kivezetését pedig az M6-os csavarhoz (ez biztosan a B+). Ekkor a műszer kb. 1200-at kell, hogy mutasson. Ha nem annyi, akkor hibás a fődiódahíd. Ezután a plusz kivezetést továbbra is a testre nyomod, a minusz kivezetéssel végigmész a generátor többi érintkezőjén. Ahol szintén kb. 1200-at mérsz, az a segéddiódahíd kimenete (elvileg az M5-ös csavar ez, meg esetleg még valamelyik érintkező, de nem muszáj, hogy bármelyik az legyen). Ha megvan, ez a pont a D+.

Ezután átkapcsolod a műszert ellenállás mérésére, és a fennmaradó érintkezők között ellenállást mérsz. Ha nem találsz két olyan érintkezőt, vagy egyik és a test között, ahol kb. 5-10ohm az ellenállás, akkor valamelyik kefe vagy elkopott vagy beszorult, vagy akár a gerjesztőtekercs is leéghetett. Ekkor nincs mit tenni, szét kell szedni a generátort, hogy lássuk, mi a helyzet.

Egyelőre ezeket mérd ki.

------------------------------

Azért ezek a gyártók is nagy barmok. Mindenféle idióta jelzéseket találnak ki, amikor a Bosch féle B+, D+, DF, D- és B- teljesen egyértelműek.
(#) potyo válasza kobold hozzászólására (») Márc 20, 2008 /
 
Az elsőn rossz helyre van kötve a D+.
(#) sumilaci válasza potyo hozzászólására (») Márc 21, 2008 /
 
A fődiódhidra 1000-et mértem

Az Mo-ás kivezetésnél pedig 517-et

Továbbiakban az 54-es és DF között 10 ohm körül.

De idegesitett már hogy testhez képest nincs semmi ohmikus kapcsolat, úgyhogy szét is szedtem,

a forgórész mind a két szénkeféje ki van vezetve , egyik a DF másik az 54es pont

diódát csak 6ot találtam benne, 3nak a háza tesben, 3nak a háza pozitivban, egy ilyen-egy olyan dióda másik pontja összekötve és az állórészből egy vezeték még rákötve

az állórészből egy negyedik vezeték pedig az Mo



(Tegnapi közös diódás ,54es kérdésem hülyeség volt, rájöttem )
(#) sumilaci hozzászólása Márc 21, 2008 /
 
Tudom nem szép de lerajzoltam, hogy lehet szerintem a gen belső világa, méréseim szerint

tölt.JPG
    
(#) sumilaci válasza sumilaci hozzászólására (») Márc 22, 2008 /
 
Bekötésre van vlkinek ötlete?
(#) kobold válasza sumilaci hozzászólására (») Márc 22, 2008 /
 
Visszaolvasva, és a képeket is megnézve, én az alábbi bekötést próbálnám ki, az utolsó rajzodat kiegészítve.
Az egyetlen talán, ami zavar az az, hogy egy korábbi állításod szerint a szabályzó Z jelű kapcsa nem volt bekötve. Pozitív táp nélkül nem szoktak menni a szabályzók; ha pedig ez egy német csoda, akkor a Z akár a Zündung, azaz gyújtás (15-ös pont) jele is lehetne, így már korrekten hangzana.
Ettől, meg a 24 V-os jellegtől eltekintve kísértetiesen hasonlít a régi Lada kapcsolásához (ott a DF volt testelve, 54 helyett 67 volt a szabályzóra menő ág jele, és persze 6V-os relé ment a csillagpontra).
(#) sumilaci válasza kobold hozzászólására (») Márc 22, 2008 /
 
Nem volt a Z bekötve, mert le volt törve a saru a szabályzón, ez biztos, és nem is töltött a gép


Valahogy viszont volt benne egy relé, de hogy melyik ponton azt nem tudom, mert nem voltak a helyükön a vezetékek

De ez nagyon szimpatikus ahogy kiegészitetted a rajzot remélem működik is majd!

A relé 12Vos legyen?
A gép tuti 24V-os
(#) kobold válasza sumilaci hozzászólására (») Márc 22, 2008 /
 
Az ilyen töltésjelzéseknél, amik a csillagpontról működnek, a relé névleges feszültsége mindig a fele a generátor névleges feszültségének. Azaz 12 V-os generátorhoz 6 V-os, 24 V-os generátorhoz 12 V-os relé jár. A csillagponti feszültség ugyanis a névleges fele körül van, ha rendben van a töltés (bár a túl magas töltőfeszültséget, pl. rossz szabályzónál, nem jelzi).
Ha nem is töltött, meg le is volt törve a Z kapocs, akkor biztos, hogy oda volt kötve a gyújtás. Esetleg ellenőrizheted: köss be mindent a rajz szerint, kivéve a Z-t; azt a legvégén egy árammérőn át kapcsold a szabályzóra. Néhány A áramerősséget kell mérned álló generátor mellett (akár 6-10 A is lehet, a gerjesztőtekercs ellenállásától függően).
(#) sumilaci válasza kobold hozzászólására (») Márc 22, 2008 /
 

köszi


Kedd este kipróbálom!
(#) Golyó hozzászólása Márc 25, 2008 /
 
Szevasztok! Egy Isuzu Diesel F Astra generátorjáról van szó, nincs töltés, a töltésjelző lámpa a motor elindulása után kialszik. Hogyan lehet kötve a töltésjelző lámpa??? Mert szerintem ez egy külső gerjesztésű generátor, szóval szerintem a genarátorban indukálódik feszültség, csak a diódák mehettek tönkre!? A generátor B+ ra csatlakozik egy kábel, na ez teljesen el volt égve, oxidálódva, összetoldoztam. megy még a generátorra 4 kábel azok mik lehetnek??? 3 vékony, egy vastag! A vékonyak gondolom az előgerjesztés, fordulatszámmérő, A vastagra nem jöttem rá, akkufeszültséget tudtam rajta mérni, ez is szét volt rohadva. Össszefoltozgatások után sem töltött a generátor. Gondolom a rossz csatlakozás miatt megfingottak a diódák. NINCS VALAKINEK KAPCSOLÁSI RAJZA??? A GENERÁTOR DELCO-REMY GYÁRTMÁNYÚ.
(#) potyo válasza Golyó hozzászólására (») Márc 26, 2008 /
 
Nézd meg a generátor tipusjelzését is, önmagában a gyártó nem mond sokat.

A B+ pontra menő kábel az közvetlenül az akkura van kötve. Ha elégett, akkor ott jelentős áram folyt, szinte biztos, hogy a generátorban zárlat keletkezett, és az akku elégette a vezetéket. Ha a vezeték vége biztosan nem ért testhez, akkor ott a diódák átmentek zárlatba, mert más úton akkora áram nem tudott folyni. Esetleg még a generátor állórésze is leéghetett, akkor már olcsóbb lesz újat venni.

A három vékonyabb vezeték simán lehetnek a gerjesztés vezetékei, de jobb lenne, ha megnéznéd, hogy milyen jelzésű pontokra csatlakoznak. Ha a generátor külső gerjesztésű, akkor ott lennie kell szabályzónak valahol, és oda megy több vezeték a generátortól.

F Astra-ban már nem elektronikus adagoló van? Mert akkor szerintem nem a generátortól veszi a fordulatszámjelet a műszerhez, hanem a motorvezérléstől.


Idézet:
„NINCS VALAKINEK KAPCSOLÁSI RAJZA???”

NÉHÁNY RAJZ MÁR FELKERÜLT IDE, SZINTE MINDEN GENERÁTOR AZONOS FELÉPÍTÉSŰ, CSAK A JELZÉSEK TÉRNEK EL NÉHA!!!
(#) Golyó válasza potyo hozzászólására (») Márc 26, 2008 /
 
Köszi szépen! Ma szétszedem a generátort, aztán okosabb leszek Ennek a Diesel Astrának az adagolója még hagyományos forgóelosztós , nem elektronikusan vezérelt, tehát a fordulatszám jelet generátorról veszi.
(#) sumilaci válasza sumilaci hozzászólására (») Márc 26, 2008 /
 
Kipróbáltam,de nem sikerült kicsikarnom belőle töltést,

igyhát fogtam kiszedtem és elvittem, egy generátor javitóhoz, a próba padon fél percig tökéletesen működött, aztán füstjelek kiséretében megadta magát.

Amit megtudtam:

54 és DF a forgórész kivezetései

Mo az Mp és a csillagpont kivezetése

Tehát jól gondoltuk !

Egy kérdésem lenne még:
Mekkora gerjesztő feszültségnek kéne lennie?
24V nak?

Mert akkor a fesz szabályzónak is annyi, mert most csak 9Volt jön ki belőle.
(#) potyo válasza sumilaci hozzászólására (») Márc 26, 2008 /
 
Azért szabályzó a szabályzó, hogy a gerjesztőáram szabályzásával állandó szinten tartja a feszültséget az akkun. Tekintve hogy ez egy munkagép, a minimális és maximális fordulatszám aránya 3-3,5 lehet, így alacsony fordulatszámnál lehet mondjuk 20V a gerjesztőtekercsen a feszültség, míg maximális fordulatszámnál lemehet akár 6V-ra is.
Következő: »»   8 / 160
Bejelentkezés

Belépés

Hirdetés
XDT.hu
Az oldalon sütiket használunk a helyes működéshez. Bővebb információt az adatvédelmi szabályzatban olvashatsz. Megértettem