Fórum témák
» Több friss téma |
Fórum » Autóelektronika
Témaindító: sufni-tunning, idő: Ápr 19, 2008
Témakörök:
Szép jó estét! Hálás köszönetem! Vasárnap meg is építem.
Jó estét! Megépítettem de valahol hibázhattam mert nem működik. Egy próba panera forrasztottam.
Így elég nehezen látom, mi is van összekötve kivel. De talán mérni kellene, abból talán látható mi a helyzet. A próbánál 13,5V-nál magasabb tápot kell adni, és a TOMP pontot a GND-re kötni.
A tranyók remélhetőleg PNP típusok.. Ha a Q2 kollektor-emitterét (két szélső lába) összekötöd ideiglenesen, akkor feszültség növekedésre meg kell húzni a relének, csökkenésre pedig elejteni.
TOMP helyett a helyzetjelzőre kéne kötni, mert fényszóróra váltásnál újból bekapcsolja a DRL-t.
Ennyi fér az agyába.
A tranzisztorok bekötését előtte ellenőrizted méréssel? Gyártótól függően akár más lábkiosztása is lehet ugyan annak a típusnak, és ha nem a jó adatlapból nézted ki, akkor ez is egy hibalehetőség.
Igazságod van! Akkor ezért volt az eredeti rajzon a helyzetjelző megnevezés.
De ha igaz, valahol jeleztem, hogy különösebben nem gondoltam át a dolgot, csak az áramkör módosításban próbálok segíteni.. (Én csak "kifelé" építek dolgokat az autómból, "befelé" sosem.. )
Üdv. Megmértem! De még nem ültettem be. Ez így rendben van ügye?
OK. A figyelmeztetés elsősorban a felhasználóknak szólt.
A tranzisztor lehet jó, csak ha azt a típust méred ami az adatlapon van, akkor a műszeredbe fordítva dugtad be a két mérőzsinórt. (Ez a tranzisztor diódás helyettesítő képe: Bővebben: Link. Bal oldali NPN, jobb oldali PNP. Dióda és ellenállásmérő állásban a műszer "COM" pontja a negatív sarok.) Van a műszereden tranzisztor vizsgáló is, azzal is meg kellene nézned. Kitakarja a kezed, de valószínűleg Hfe feliratú állása is van a forgókapcsolónak. Oda állva, a PNP foglalatba rakva a tranzisztort jó nagy számot kapsz a kijelzőn, ha minden lábat a megfelelő helyre raktál. Ebből tudni fogod, melyik lába melyik kivezetése a tranzisztornak.
A hozzászólás módosítva: Jan 7, 2017
Üdvözlöm! Végeztem méréseket! 14v adtam neki és a Q2 tranyó két szélső lábát összekötöttem és a relé kattant. A probléma ,hogy 14v adok a 12v ami az aksira megy és a TOMP mértem 13,72v a DRL szálon 0v . A TOMP a GND-re kötöm a relé kattan.
Köszönöm szépen a segétséget! Sikerült tesztelnem
"A probléma" Nem tudom mi a probléma,szerintem jól működik.
- Ha a TOMP a GND-n van, akkor a tápfeszt változtatva, 13,5V felett meg kell hogy húzzon a relé. Ha csökken a tápfesz 13V alá, el kell ejtsen a relé. - Ha a TOMP bement a tápfeszültségen van, akkor hiába van a tápfesz 12..14,5V között, nem húzhat meg a relé. - Hogy szakadt TOMP bemenet mellet mit mérsz, az lényegtelen. De működés szempontjából ugyan az a helyzet, mint amikor tápon van.
Igen ha csökkentem a feszültséget akkor ejt a relé. Elnézést ,hogy értetlenkedem de a DRL ágon 0 V van. Ott elméletileg ha 13.5v felett kap (beindítom az autót) akkor a DRL szálban kéne lenni 12v nak ami működteti a nappali menetfényt és ha felkapcsolom a helyzetjelzőt akkor a DRL 0 V lekapcsolja a nappali menetfényt. Kérem nézze el tudatlanságom
A TOMP bemenet a kocsiban vagy az izzónak arra a sarkára megy ami a pozitív feszültséget kapja, vagy az izzót kapcsoló relé tekercsének arra a kivezetésére, ami szintén a pozitív feszültséget kapja. Mind a két esetben felteszem, hogy a pozitív sarok van kapcsolva és a negatív sarok pedig le van kötve a testre. Ekkor, ha a világítás be van kapcsolva, akkor a kapcsolón, vagy a relén keresztül a TOMP bemenet a tápra kerül (pozitív feszültség), ha le van kapcsolva az izzón, vagy a relé tekercsén a testre (0V). Köztes állapot, szakadás nincs. Ezt figyelembe vetted a teszteléskor? Ha még bizonytalan vagy a működését illetően, akkor javaslom egy táblázat elkészítését, amiben vannak a bemenet oszlopai (táp feszültségei, TOMP állapotai és a kimenet DRL feszültségei) ebből jobban átlátható melyik variáció mit csinál. Nem véletlenül tegeződünk, és tegezünk le téged is. Több tízezer felhasználó van itt, és senki sem akar emiatt külön nyilvántartást vezetni. Reméljük csatlakozol a klubhoz!
Ha meghúz a relé (a tekercs végein 12..13V van), akkor a DRL ponton is meg kell jelennie az aksi feszültségének. Ha nem így van, akkor valami gond van a relével. A többi úgy van ahogy írod.
A TOMP bemenet a helyzetjelző lámpán keresztül kap GND-t, ha az nincs felkapcsolva. HA pedig fel van kapcsolva, akkor aksi feszültséget kap ez a pont.
Megint neki ugrottam! 12 v ágra pozitív a GDN re a negatív és a TOMP száli is a negatívra kötöttem a relé 12,8v kattan de a DRL szál az 0v. Viszont a relén a másik két lábát összekötöm akkor ott ugyan akkora a feszültség mint a bemenetnél. Lehet ,hogy egy lábbal feljebb kell forrasztani a DRLt? Hogy fogja lekapcsolni a DRLt ha a TOMP az negatív sarkon van? Mellékelek képet is
A sárga vezetéket, amin a nyíl szára rajta van kösd arra kettőre, amelyikre nyíl mutat. A másik fényképen látszik a relé bekötése, és amelyik két(-két) érintkezőt összekapcsoltad, úgy sohasem fog zárni.
Átforrasztottam! A TOMP szálat a GND re kötöttem és a másik végére forrasztottam egy szálat ami a helyzetjelőre fogy menni! Kipróbálta és így működik, növelem a feszültséget a relé behúz és a DRL világít. A helyzetjelző szál kap 12v és a relé kattan a DRK kikapcsol
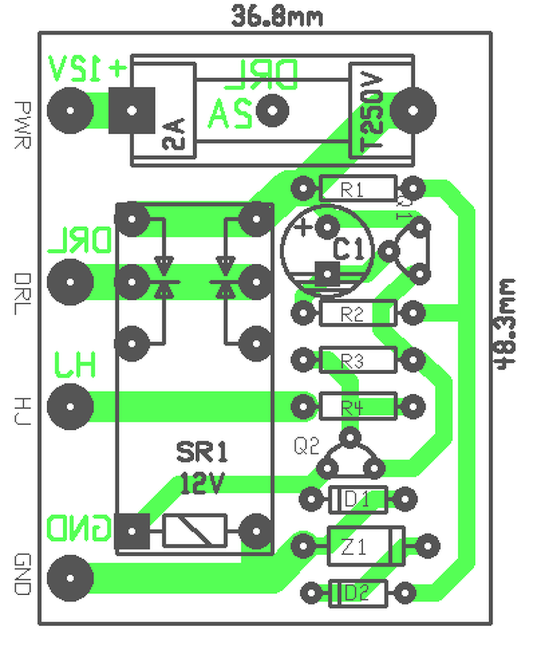
Proli007 által rajzolt kapcsolási rajzon kellene bejelölnöd, hogy hova mit kötöttél/kötnél, mert a próbanyákból nehéz kibogozni a kapcsolási rajzot. Élesben a TOMP szál megy a helyzetjelzőre, mert ez az áramkör onnan tudja, hogy a helyzetjelző be van-e kapcsolva, vagy sem. (Ugye a helyzetjelző alatt a tompítottat érted te is? Csak hogy ugyan arról beszéljünk.) Tesztelésnél kellett csak a TOMP-ot GND-re, vagy az akku/tápegység pozitív sarkára kötni, hogy utánozzuk helyzetjelző ki- vagy bekapcsolt állapotát (még a műhelyasztalon). A képen megjelölt 10K-s ellenállás mind a két végére biztos nem kell odavezetni kívülről vezetékeket. Ne siesd el a bekötést, mert ha rossz helyre kötöd a GND-t, vagy a helyzetjelzőt, akkor a tranzisztorok elszállnak. Esetleg a kocsinak csinálsz zárlatot.
A hozzászólás módosítva: Jan 9, 2017
Mellékelem a rajzot. Tesztelésnél miután átkötöttem a DRL szálat a TOMP (helyzetjelző) szálat a GNDre csak akkor volt a DRL szálban feszültség ha nem kötöttem sehova akkor a relé nem húzott be. Nem szándékoztam bekötni csak ha már teljesen letisztáztuk
Hello! Az általad bejelölt ""ez lett a helyzetjelző" pontot nem szabad oda kötni (sem a GND-re), mert ha elég bázisárama lett volna a Q1-nek, már mind két tranyó tönkrement volna. Tehát a helyzetjelzőnek mindenképpen a TOMP pontra kel menni, Mert az Q2 bázisáramát, az R4 korlátozza.
Ha a próba alatt a TOMP pontot a GND-re kötöd és úgy húz a relé, valamint ha a TOMP a levegőben lóg és akkor elejt, akkor a kapcsolás jól működik. A relé bekötését én rontottam el a nyákon, mert nem vettem figyelembe, hogy a Te reléd kontaktus bekötése más, mint az OMRON-é..
Visszatettem mindent az eredetibe kivéve a relét! Bekötöttem a kocsiba és működik! Köszönöm szépen a türelmeteket és hálás köszönetem a segítségekért!
Helló! Megépített és működik is. Nem lehetne valamit állítani rajta hogy ne 12,8 v kapcsoljon be hanem 13 v felett? Ugyanis ha megyek az autóval a DRL működik. Leállítom a motort és a tovább világít a DRL viszonylag sokáig. Bekapcsolom a riaszót elalszik de utána ismét világít majd később elalszik csak kb 1perc vagy több.
Meg pislogva kapcsol ki lehet hogy egy kondenzátort kéne bele tenni?
Ezért írtam, hogy ez a neuralgikus része. De lehet változtatni, ha pld. a zénerrel sorba kötsz még egy sima (pld. 1N4148) diódát. Mivel a zéner záróirányban, a dióda viszont nyitóirányban működik, így "szembe" kell kapcsolni Őket. Vagy is a két katód (csík) legyen az összekötött közös pont.. Ekkor kb. 600..700mV-al lesz magasabb a kapcsolási szint.
Igen, ennek az egyszerű kapcsolásnak, nincs hiszterézise. Így zajra is érzékeny lehet. A Q1 bázis-emittere közé tegyél egy 47µF-os kondit. Emitter felé a plusz kivezetéssel. A hozzászólás módosítva: Jan 10, 2017
Nem akarok szemtelen lenni de lenne szíves átrajzolni nekem? Persze csak ha nem gond, mert már így is nagyon sokat köszönhetek Önnek!
Semmi gond, lerajzoltam.. (Relét nem javítottam ki.)
A hozzászólás módosítva: Jan 10, 2017
|
Bejelentkezés
Hirdetés |






) 















