Fórum témák
» Több friss téma |
Sziasztok!
+-12V -> 0-5V szintillesztést szeretnék megvalósítani. Van valakinek ötlete, kész megoldása? Köszönöm.
Két ellenállással felépített feszültségosztó. Már ha a kimenet konstans árammal van terhelve (pl. egy mérőműszer bemenetét kötöd rá). Természetesen a két ellenállás helyettesíthető egy (több fordulatú) potenciométerrel. Jobb is, mert azzal be lehet állítani pontosan az osztást.
A hozzászólás módosítva: Jan 9, 2017
Hello! "+-12V -> 0-5V" Ebből nem derül ki, mit is szeretnél valójában.
Ezt nem hiszem el! 135423 DPI felbontása van a laptop kijelzőjének. Natív felbontásban minden betű mákszemnyi, rendszerszintű nagyítással meg torzulnak a karakterek. A - jelet alig látni. Kivágom a nyolcadikról...
Szia!
A mikrokontrollerem 5 v-ról üzemel, ez az ADC referenciája is. Adott egy jel, ami a mikrokontroller negatív tápjához képest + és - 12 V közti értékeket vehet fel. Az ADC számára kellene úgy illeszteni a mérendő jelet, hogy ha az 0V akkor kb 2,5 V legyen a bemeneten, -12V nál 0v, +12V nál pedig 5V. Azaz a -12V -> +12V ot kellene 0->5V szintre hozni. Köszönöm.
Egy különbségképző kapcsolással megoldható. Persze ha van Rail-to-Rail erősítő, nem kell emelt tápfesz.
Rajzoltam egy passzív változatot. Az ellenállásértékek magyarázzák a működését.
Köszönöm!
Az OPA egy MCP6021 lenne, az Rail-to-Rail. Köszi mégegyszer.
Van témája, ha kérdésed adódna.
Egy dolgot azért tegyünk hozzá: ideális fesz. forrásokkal dolgoztál. De ha pl. az 5V-os tápot tipikusan 7805-tel helyettesíted, akkor már nem így működik, mert az nem tud áramot elnyelni.
Biztos nem ok nélkül írod, de még nem jöttem rá hol sántít az elgondolásom.
Sehol, én néztem be valamit, és elszámoltam.
Nagyon az ideális fesz. forrásra koncentráltam, amit sokan kevernek a valós táppal, emiatt a gyakorlatban máshogy működhet. Szóval én tévedtem, jó lesz így, már csak +-12V terhelhetőségét kell tudni.
A +-!2 nem igazan terhelheto, 1k a feszultsegforras belso ellenallasa. Ezert gondoltam opa- s megoldasra.
Koszi.
Sziasztok!
Elkészítettem a lent csatolt kapcsolást, azonban az a problémám vele hogy a kimenetet mindig közzel tápfeszültséget mérek. Mit rontottam el? A kapcsolás célja, a söntön eső feszültséget kicsit megnövelje. Előre is köszönöm a segítséget.
Részlet a Fórum Használati Feltételekből:
Idézet: „XXV. Csak egy helyen kérdezz! Ha a kérdésünk több témába is beleillik, akkor is csak egy helyen tegyük fel!”
Helló
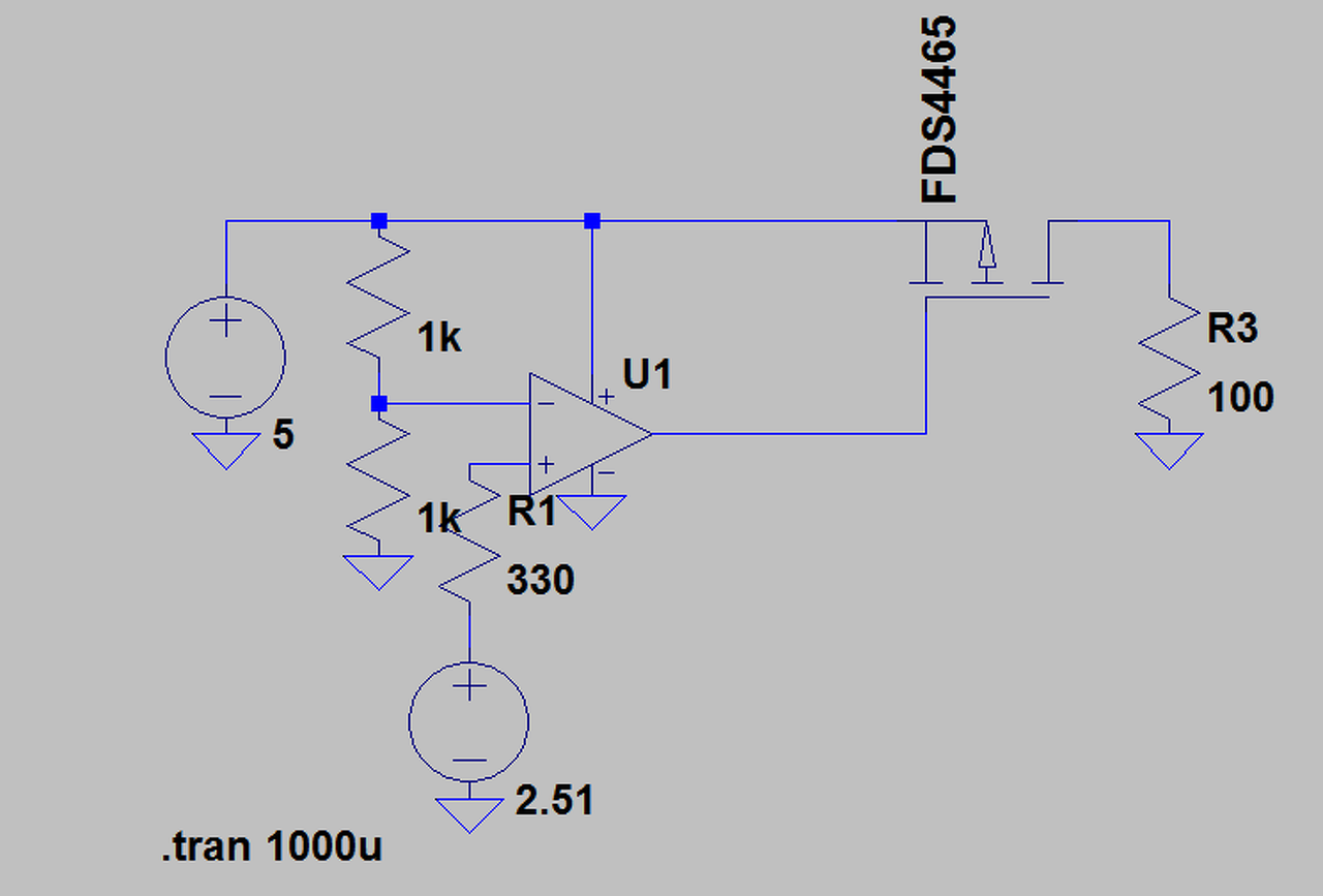
Opampal szeretnék csinálni egy olyat, hogy ha a nem invertáló lábon nagyobb feszültség van mint a referenia, akkor kikapcsoljon egy fetet. Eddig elvileg megvolnék (lásd kép), de szeretnék egy olyat, hogy ha elérte a 2.5v-ot, és elkezd visszacsökkenni akkor ne kapcsolja be újra a fetet, csak ha már pl. lecsökkent 2.2v vagy 2v-ra a feszültség. A hozzászólás módosítva: Feb 18, 2017
Schmitt triggerrel tudod megcsinálni, bővebben: Link
Az IC kimenete és a nem invertáló közé kell egy ellenállás --- visszacsatolás, ami a bemenetet megemeli a kívánt értékkel, mikor a kimenet magas lesz. Így lesz a kapcsolásnak hiszterézise. Szimulátorban kellene próbálni az pontos értékeket. Szerintem az képeden lévő 330 ohm lehet kohm nagyságrendű, így a visszacsatoló ellenállás úgy kb 10kohm nagyságrend lehet, de próbálni kellene.
Köszi a válaszokat, működik. Az ellenállásokat kilo ohmosokra cseréltem.
Más kérdés: Pl. az LM358 vagy más opampok ha 0V a GND, és a kimenetei vagy a bemeneteire negatív feszültséget kap akkor tönkremegy?
Az adatlap "Absolute maximum ratings" táblázatát kell nézni, azon belül az input voltage sort, ami -0.3V - +32V-ot ír. Szerintem itt a +32 csak akkor igaz, ha a táp is 32V. Tehát a mindenkori pozitív tápig mehetsz fel. Egyértelműbb, ha a maximumot a pozitív táphoz, a minimumot a negatív táphoz viszonyítva adják meg. Ha túlléped a megengedett határokat, könnyen tönkremehet.
Sziasztok! Van egy NYÁK-om tele TL 074 és TL072 IC-kel kiegyensúlyozott és kiegyensúlyozatlan jel átalakítók. Valami miatt iszonyúan zajosak, én a tápra gyanakszom, a trafója elég foró szokott lenni. A rendszerben van még egy trafó, ami +5V ot ad a VU meter IC-knek.
Sziasztok!
Volna ez a kapcsolás: Bővebben: Link Ennek hogyan kell elképzelni a működését? A jobb oldali opamp végzi az áramerősség ellenőrzését. Ha pozitívon nagyobb feszültség van mint a negatív lábon, akkor aktív a kimenet és nyitva van a fet. Ha viszont fordítva van, akkor zárva lesz a fet, és csökkenni fog az R3 ellenálláson a feszültség, és újra ki kell nyitni a fetet. Ez milyen gyorsan történik? Nem lesz hullámos az áramerősség?
Hello! Pont így.. Mert egy Fet-et leginkább kapcsolóüzemben használunk, attól az még az, egy analóg eszköz. Tehát növekvő Gate feszültségre nő a Drain áram és fordítva. Tehát be fog állni egy egyensúlyi helyzet. Egyébként az első OPA is ugyan ezt teszi.
Tegyük fel, hogy pl. 3A van beállítva korlátnak. Az R3 ellenálláson megnő a feszültség (300mV fölé), ezt érzékeli az opamp, és kikapcsolja a fetet. Ekkor csökken az ellenálláson a feszültség, így ismét be kell kapcsolni a fetet. Majd megint ki és megint be.... A be és kikapcsolás között 3A-nál nagyobb áram folyik nem? Ilyenkor pl. egy soros biztosíték nem tud kiolvadni vagy más valami tönkremenni?
A hozzászólás módosítva: Feb 28, 2017
Csak írsz, vagy olvasok is? Írtam hogy nem "bekapcsol" meg "kikapcsol", mert a Fet nem kapcsoló, hanem szabályzó..
|
Bejelentkezés
Hirdetés |














