Fórum témák
» Több friss téma |
Nem through? Bővebben: Link
Sajnos én nagyon nem vágom ezt a témát. Az kb menne, hogy egy kész modult behelyezek, bekötök (ha kapok segítséget, hogy mit hova), de az nem, hogy nyákot készítek beforrasztok, mérek stb. Így is kamikáze akció, ha én javítom, de szeretném megmenteni. A közeli javítóműhelyben közölték gazdaságosan nem javítható, mert kicsit kiégett a végfokpanel.
Ekkor találtam az Alin ezt a kittet. Amit csak bele kéne rakni.
Nem azt mondom, hogy strapabíró ez az IC, de ma véletlen egyenfeszültség került a bemenetre és egy elégett ellenálláson baja nem lett.
Sziasztok! Van egy TDA 7294 hidam, amelyik egy 12V ról működő SMPS ről táplálkozik, +/-30V al és azt szeretném kérdezni, hogy nem tudtok ehez az erősítőhöz egy clip limitter kapcsolást? Egy olyan kellene hogyha ingadozik a tápfeszültség (tegyük fel nincs akkora áram) akkor észrevegye a clip-et és limittálja a bemenő jelet.
Nemrégiben panaszkodtam, hogy Gyengécskének vélem az erősítőm teljesítményét.
Mint kiderült nem a gyári nvcs beállítással ment, 22k/1k-val ment. A gyári nvcs 22k/680 Ohm. Minthogy nekem nincs 680 Ohm érték itthon, kalibrálgatni meg nem nagyon akartam az értéket, ezért raktam bele a hozzá közel eső meglévőből. Így került bele 560 Ohm és lett az Au 33,3 helyett 40,2. Volt is hangja a kicsikének 2*32V-ról hajtva, bluetoot modullal kivezérelve, amit a telóról megy. féplhngerőn már igen tekintélyesen szólt, de meglehetősen fűtött. Ez még érthető is, hiszen eléggé felhúztam az erősítést, de amit furcsáltam, hogy üresjárásban is fűtött! Elvileg nincs (hallható) gerjedés rajta, hacsak nem nagyfrekis. Ha nincs kivezérelve "csendben van", a hangdobozhoz odahajolva hallható egy nagyon halk brumm. A kérdés ami felvetődött bennem, bár nvcs-ben nem volna szabad berezegni, de a nagy erősítés miatt esetleg begerjedhet nagyfrekisen? Most felfedeztem a kanálon a mélyedést, és a 22K tagot kicseréltem 18K-ra, így a normál Au 33,3 értéket kaptam. A hangereje kvázi megfeleződött, de sokat szelídűlt a fűtése is! Kíváncsi letem volna mit produkál még nagyobb erősítéssel, de igazából semmi létjogosútsága, hacsak nem mikrofon erősítőt akarunk csinálni belőle! Kezelhetetlen volt, szinte vagy nem szólt, vagy nagyon szólt! Annyira kis jelszintű készülékek nincsennek ma már, sőt inkább fordítva! Tanúltam én annak idjén az feszültség erősítésről, de nem foglalkoztam aktívan a témával, és egész más tapasztalni mit jelenthet nem egészen 100 Ohm és nem egészen +10*Au!! Ha valakinek játszani támad kedve az erősítés szabályzással, javaslom, 1-2*Au léptekkel emeljen. Érdekes tanúlság volt! ![]() Gondoltam megosztom, hátha informális lesz másnak is!
Sziasztok!
Szereztem egy trafót 2x36V kivezetéssel, készítettem egy "szimmetrikus tápot" egyenirányítóval, - + pontokon 45V-ot kaptam. A földponton 25V-ot, a +hoz viszonyítva. Erősítőre kötve nagyon halkan hallottam csak a zenét a hangszóróból, majd egyáltalán nem. :/ Tuti valami nagy hülyeséget csináltam... Mit rontottam el?
Üdv!
Újra itt. Az elmúlt napokban megkínoztam egy kicsit a Xantech-es végfokot! 2x32V-ot kapott, aránylag jó trafóval, valami hifiből bontottam, nyilván pont ilyen végfokot hajtott, mármint TDA7294-et, nem Xantech végfokot, és 2x1000µF-dal pufferelve. Terhelő imedancia 5 Ohm. Van benne kakaó, de valami kevés neki, mert komolyabb basszusoknál nagy hangerőn 3V-ot is esik a tápfesz! Torzítást nem tapasztaltam, szépen szól! A puffer szerintem mindenképp kevés. A trafót nem tudtam nézni, mert külön dobozban volt. ezért nem tudom melegedett-e, nem-e az a gyenge. És eléggé fűtős, ezért visszaraktam a linkelt képen látható nagy bordára. Infrás hőmérővel mérve 40°C körül mértem. Két ilyen panelem van, így vettem én is. Ma félig beleraktam egy 3U-s rack-ba, két trafót kapott, meg megy elé egy PGA2311 előerősítő. Teljesítményben meg vagyok elégedve vele, ki sem tudom használni 15W-os Tesla hangdobozokon. De a két panelt ki kéne használni. 2.1 kizárva!! Hülyeségnek tartom, egy kényszer helyzet. Nem ragozom, más téma. Azon meditálok,. hogy hidaljam, vagy párhuzamosítsam. A hídhoz is van trafó, a két trafó elbírná, bár megkínozná tuti, ha meg lenne hajtva. De mint előbb írtam, a teljesítmény elég, ki sem tudom használni. Dinamika kellene. Az is van, de ha lehet még jobb, akkor miért ne. A híd szimpibb annyiban, hogy nem földhurok érzékeny. Bár ez a nyák totál rendben van, abszolút "csendben" van kábellel, kábel nélkül, még a PC-re dugva is csendben van. Azé az idézőjel, mert ici pici brumm van, de rátapadva a mélynyomóra hallható csak! Ezt betudom a rossz szűrésnek, esetleg silány gyári sorozat gyártott trafónak. Csak ez miatt nem előny a híd. De a paralel megoldás meg ésszerűbb az áramosztás miatt. Megoszlana a teher, így olyan mintha 2 sztereó erősítő szólna, 4 hangdobozon,nem kell erősebb trafó, csak a 2 sztereóra méretezve. Úgy tervezném megvalósítani a táplálást, hogy egy kvázi redundáns táp lenne benne, és a DC közösítve lenne és úgy táplálná a 4 erősítőt. A Xantech Végfok úgy van kialakítva, hogy a sztereó áramkör közös panelen van és minden csatlakozási lehetőség közös. Táplálás, ki/be menetek. Szóval javaslatokat kérek, hidaljam, vagy párhuzamosítsam. A híd ellen is szól egy valami, már félkész az erősítő, nincs másik bordám, nem is akarok másikat, de ha egy végfok sztereóban 40°C-ra melegíti kvázi csúcson (műsor anyag függő, trence zene, rockot jobban szereti-bírja), akkor a hídnak bőven kicsi lenne! Kényszer hűtés így is kelleni fog ha csak párhuzamosítom is! Nagyjából ez lenne a nyűgöm... Holnap töltök fel képeket is. A hozzászólás módosítva: Feb 11, 2017
Szia! Lehet, hogy megúsztad, de itt állj le gyorsan! Ez a trafó túl nagy szekunder-feszültségű. Talán az mentette meg az erősítőt, hogy a tápot helytelenül állítottad össze.
Rájöttem, hogy egyszer segítettél már ugyan ezen a problémámon... bár így hogy új infót írtál mégis örülök hogy újra feltettem a kérdést.
![]() A gyártó adatlapján azt olvastam, hogy 50V feszültségig üzemelhet, de akkor sajnos megint csalódnom kell, pedig már örültem, hogy sikerült végre elég bivaly trafót szereznem. ![]() Adatlap A hozzászólás módosítva: Feb 11, 2017
Idézet: „VERY HIGH OPERATING VOLTAGE RANGE (±40V)” Idézet: - bemenő jel nélkül!„VS Supply Voltage (No Signal) ±50 V” Idézet: - 8 ohm terheléssel, 4 ohm-mal +-30V fölé meg sem rajzolják a grafikonokat. „VS Supply Range ±10 ±40 V”
A ±50V-ot elviseli, de nem terhelhető - ez áll az adatlap ajánlásában.
Az sem mindegy hány ohm-os hangszóró lesz az erősítőre kötve Bővebben: Link
Tudtok ajánlani akkor valamit? Írták itt többen, hogy 43V-ról éppen hogy működik nekik.
Annak fényében amit írtatok inkább ne is próbálkozzak ezzel a trafóval? Vagy esetleg van valami módszer feszültség csökkentésre?
Ötödik éve nyúzom ezt az erősítőt, ebben is 2x36V-os a szekunder, csak kicsit más konstrukció.
Szép rendezett is! Látszik hogy nem némi amatőr készítette, mint én.
Átvariáltam a tápot, ahogy még régen mondtad, de 90Vot kaptam + - között, ez hogyan alakult így?
Ez egy Delon hidas feszültségkétszerező.
Akkor már világos.
Akkor egy helyes táp hogy nézne ki, ha nem nézzük a 45 V feszültséget?
Nem igazán tudom értelmetni a rajzodat!
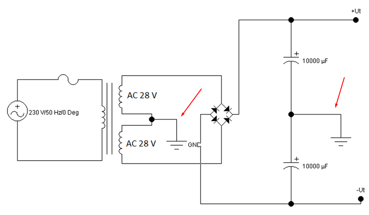
A lényeg: az egyen urányítón a két ~ jelre megy a trafó szekunder kivezetése. A kapott dc az ac 1,41-szerese lesz kb. Ez függ a pufferelés mértékétől. És ez az üresjárati fesz lesz. Ugyan ez visszafele. Ha neked 30V egyen kell, akkor visszaosztod 1,41-gyel. Az kb. 21V ac. Így tudsz kalaulálni, hogy milyen ac feszültség értékek kellenek, ha egy adatlapvan dc fesztntüntetnek fel, vagy ha van egy teafód, az mekkora dc feszt adbegyenirányítva. Ha két szekundered trafót használsz, azok feszültségei egyformák legyenek. A +/-40V már igen kritkus feszültség. Ezt megközelíteni max üresjárási feszültségként érdemes és úgy, hogy a végfok nem igen megy üresjárásban. Terhelve úgy,is esik 1-2 voltot a fesz.
Ez miben különbözik?
E: rájöttem.. A hozzászólás módosítva: Feb 11, 2017
Az a helyzet, hogy ezt nem itt kéne kitárgyalni, mert van saját topikja. Másrészről meg ha ennyire alapvető elektrotechnikai alapismereted nincs, hogy akarsz erősítőt építeni?!
Van egy trafó. Ennek vagy van egy szekundere, ekkor csak egy dc feszt tudsz elő állítani csak szimpla grecz hidas egyenirányítással. Ekkor a puffer kondid + és - pólusai közt lesz ac*1,41=dc feszültséged. Ez a szimpla feszültségű táp. Ha 2 szekundered van ésötételezük fel, azonos feszültségű, akkor vagy egyenirányítod előbbi módon a két feszt és a dc egy + és - ágát összekötve készítel egy 0 pontot, ez lesz a test az áramkörben, vagy elegánsabb a két szekunder egy pontját közösíteni és úgy egyenirányítani. De ezt így leírva nehéz értelmezni, mobilról meg nem tudok képet csatolni. Nézz utánna az egyenirányítási módoknak. Tuti találsz a neten!
Le tudnád nekem rajzolni hogy pontosan mit és hova kéne kötnöm a panelon és a trafón?
Sikerült már 100Vot is csinálnom, ha tovább kísérletezgetek a vége az lesz hogy itt maradok.
Köszönöm a segítséget neked is!
![]() Ezt így elkészítettem, de a 2 pontot amit bejelöltem nem kötöttem össze. 90 V körül kaptam feszültséget.
Miért nem kötötted össze? A rajzjel egyértelmű. Kicsit guglizd az egyenirányítást, hogy átlásd a tennivalókat! Bővebben: Link
A középső fekete a közösített szekunder ugye? Akkor azt kössem a másik földponthoz?
Monitoron keresztül sajnos nem tudok feszültséget mérni. A trafó infóban derítsd ki melyik vezeték mire való!
Ha a piros és fekete szál közt mérek és a fekete a negatív, akkor mérem a 35 V-ot és a másik pirosnál is ugyan így.
E: Összekötöttem. Így is 90 Vot mérek. :/ Mindegy, azért köszönöm a segítséget! A hozzászólás módosítva: Feb 12, 2017
Azt a trafót felejtsd el ennek az ic-nek! Az 50V +/- DC! Már mondva lett, hogy az sok. Max 27 voltos ac-ben gondolkodj, de már az is 38V, elég közel van a, határértékhez.
Srácok, az én kérdésemre nincs válasz, vagy nem voltam egyértelmű?
Ha zavaros, jelezzétek, konkretizálom. Néha többet írok a kelleténé! ![]() A kérdés az: párhutamosítsam a 2x2 végfokot, vagy hidaljam? Mi ad több dinamikát? A párhuzamos üzem mekora teljesítményt ad? |
Bejelentkezés
Hirdetés |





















