Fórum témák
» Több friss téma |
Fórum » Infra távirányítás
Témaindító: Zsolti1980, idő: Feb 10, 2006
Témakörök:
Az lenne a kérdésem, hogy esetleg nem e lehetne az infrás telefonommal valahogy működésre bírni?
Ezerszer komplikáltabb lenne programot írni a telefonodra, úgy, hogy használni is tudd az infra adóját, azután vissza kellene valahogy fejtened, hogy milyen protocol-t kell használnod, majd ki kellene szedned a távirányítóból a kódokat, amiket küld (ehhez már meg kell szerelned a távirányítót, és szkópra kell kötnöd, vagy minimum egy logikai analizátorra). Nem jó ötlet. Javítsd meg a távirányítóját.
A telefonod tökéletes arra, hogy a kamerájával megállapítsd az adó működik e.
Sziasztok!
Egy olyan problémám lenne, hogy megépítettem az alábbi kapcsolást (csatolt fájl) ami a tv távirányítóval hibátlanul működik is, viszont vettem egy ilyen távirányítót amivel nem akar működni.Bővebben: Link Van esetleg valakinek valami ötlete, hogy mi lehet a probléma?
Az infra adó működik? (Elem jó, kivetted a műanyag lapocskát az elem alól?)
A vevő veszi az adó jelét? (Egy LED+ellenállás az infra vevő kimenetére kötve, látszik a távvezérlő gombjának lenyomása?) Az, hogy nem működik, elég tág fogalom. Meg se nyekken, esetleg nem marad behúzva a jelfogó?
Az IR távirányítók nem egy frekvencián dolgoznak. Valószínűleg a kapcsolásban lévő vevőt kell kicserélned a távirányítóhoz megfelelőre.
Sziasztok!
Építettem egy tesztelő kapcsolást Bővebben: Link ezen nézve a led a távirányítónál fényesebben míg az ebay-es távirányítónál halványabban villog. Az ebay-es távirányítónál csak nagyon nagyon ritkán tudom vele bekapcsolni, míg a tv távirányítóval akár nem a vevővel szembe fordítva is mindig be tudom kapcsolni.
Mire vagy kíváncsi? Ha a vevő nem olyan, mint amilyen az adó frekvenciája, nem, vagy csak nagyon halványan működik.
hogy tudom kideríteni az adónak a fekiét, hogy tudjak hozzá olyan vevőt venni?
Például így. Esetleg így.
Megézted, amit javasoltam az éjszaka? Most milyen vevőt használsz? Nekem 38kHz vevőkkel jól működött egy olyan vezérlő, mint amit linkeltél.
Rezdjük a legelején:
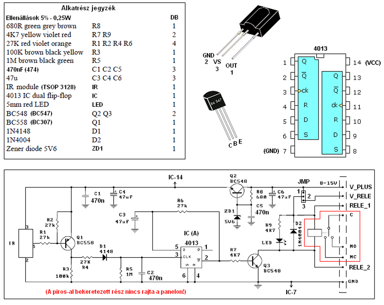
- A vásátolt távirányítók egy, a gombhoz rendelt kóddal modulálják a kimeneti jelüket. A kódszó bitjeit úgy adják, hogy az egyik szint a bitidőben lesugárzott impulzus sorozat, a másik szint ideje alatt nincs jelsorozat. Rengetog kódolási eljárás van. Ld. Philips RC5, RC6 stb. Egyes rendszerekben parancsok kódolása olyan, hogy az egész sorozatban azonos maradjon a jel egyenáramú szintje. Ez megkönnyíti a vevő áramkör tervezését és működését. Megint az RC5 a példa. A bemutatott áramkörben a TSOP* az infra impulzusok észlelésekor alacsony szintet ad ki. A kimenet magas szintű, ha nem érkezik impulzus. A Q1 a jelszinteket invertálja, a D1 és a C2 körüli elemek az egyenáramú közepet állítják elő. Ha nincs jel, akkor az órajel bemenet alacsony szintű. A DC szint változása billentené a CD4013 flip-flop -ot. A kapcsolás működése nagymértékben függ a távirányítóban alkalmazott kódolástól. Próbálkozni lehet a C2 kapacitásának változtatásával.
Hp41C kolléga nagyon jól leírja a probléma forrását.
Azok az elemek egyfajta integrátorként viselkednek. D1-R5-C2 Ez azért szükséges, mert a kódolásból adódó jelsorozat változás minden egyes felfutó éle kapcsolná a flip-flop-ot. Ez at integrátor gyakorlatilag egy egységes - a bejövő jelsorozat elején felfutó éllel induló - jelszintet ad a flipflop felé. Az ebay-es távirányító esetén az integrátor nem működik helyesen. Nem tölti fel a C2-arra a szintre, hogy az az áramkör billenését okozza. Írtad is, halványabban villog, tehát az impulzus szélesség rövidebb. (és lehet az impulzusok közötti szünet is hosszabb, ami alatt lemerül a C2) Cseréld kisebbre a kapacitást. De nem lehet büntetlenül kicsire választani ezt a kondenzátort, mert egy bizonyos érték alatt a kapcsolás ezen része elveszti integráló szerepét. A hozzászólás módosítva: Júl 23, 2016
Köszi mindenkinek a segítséget, a C2 kondi kisebbre cserélésével a gond megoldódott
Néhány hónapja digi beltéri csere volt, az új Kaonnal nem ment az IR továbbító. Tovább alakítottam rajta, most tökéletes, jobb, mint az előző változat, minden irányból jól vesz. Továbbra is egy bontott Sony TV IR egysége van benne, kis fém dobozka, az új TSOP 32138 és 32136-al csak 1 méterig működik. Kb. 2 hete faternak is igénye támadt rá, úgyhogy összedobtam neki még egyet. Nem találtam a módosításról a rajzom, ezért elővettem a működőt. Hát egész sok mindent változtattam. Valaki írta is itt, hogy az 555-öt 50% kitöltésre nehéz belőni. Van egy megoldás, a kisütő lábat ki kell hagyni és a kimenetre kötni a kisütő ellenállást. A vevő és az IC között a tranzisztor is NPN lett...most már lerajzoltam, felteszem, ha érdekel valakit. Gyorsan bontottam ki pár IR "szemet", két TSOP szerűt, egy FM transzmitterből, és egy műholdvevőből, valamint egy fém tokosat egy másik sat vevőből. A transzmitteré alapból nagyon gyenge olt, kíváncsi voltam változik-e a helyzet...hát nem, csak pár cm-ről jó. A vásárolt TSOP-ok itt is csak kb. 1m-ről. A bontott műholdvevősök viszont tökéletesek. Nem értem mi lehet a gyáriakkal a baj. Ezek alapból nem rendelkeznek fém házzal, de a gyári EGG-ben levőnek volt egy kis kabátja. Lehet, hogy így csupaszon sok zajt szednek össze és emiatt nem jól dolgozik az AGC bennük? Azt nem próbáltam, hogy eszkábálok rájuk valamit, örültem, hogy végre jó lett.
Hello! "az 555-öt 50% kitöltésre nehéz belőni. Van egy megoldás, a kisütő lábat ki kell hagyni és a kimenetre kötni a kisütő ellenállást."
Ez csak részben igaz. Mert a kitöltés akkor lenne 50%, ha a kondi töltése és kisütése azonos árammal történne. De mivel az 555 Out kimenete egész jól le megy a GND-re, viszont a tápot maximum 1V-ra közelíti meg, így még is különböző lesz a két áram. A CMOS TLC555-nél ez jobban teljesül, mert az elvileg felmegy a tápra is, de mivel nyelőként 100mA-el, forrásként 10mA-el terhelhető, mégsem fog egészen teljesülni. De van egy megoldás, ha az 5-ös lábat a GND felé terheljük. (Pld. 47kohm-al) Ekkor megváltoznak a komparálási szintek a tápfeszültséghez képest és így elérhető, hogy a két impulzus közel azonos idejű legyen. Természetesen ez a frekvenciát is megváltoztatja, de azt mind két esetben újra kell beállítani..
Köszi. Az eredeti kapcsolás CMOS 555-el volt szerelve.
Helló!
Talán még tavaly év vége felé megjelent itt egy cikk, talán infra sorompó volt a neve, egy mikrokontrollerrel megépíthető kapcsolást taglalt. Sajnálattal vettem észre hogy ez a cikk lekerült. Vagy mégsem, nem tudja valaki?
Sziasztok!
Remélhetőleg jó topikban kérdezek. 433 MHz-es rádiós redőnyt milyen módon tudok vezérelni infra távirányítóval (Logitech Harmony)? Nyilván kell egy kapcsolás hozzá, amit esetleg meg is építenék, ha tud valaki hozzá egy rajzot kínálni. Az eredeti távirányítón összesen 3 gomb van. Az is eszembe jutott (mivel 2 van belőle), hogy az egyiket "feláldozom", és az infra vevő egységnek "csak" annyi lenne a dolga, hogy ezt a három gombot zárja/nyissa. Hálás lennék a segítségért!
Talán ez a legegyszerűbb megoldás: Bővebben: Link. A Harmony-t pedig betanítod a kapott távirányítóval.
Hálásan köszönöm, már meg is rendeltem.
Sziasztok!
Redőny távirányításához akadt még egy kérdésem, hátha valaki tud segíteni: A projektort, ha bekapcsolom, akkor egy kimenetén ad 12V-ot, míg ki nem kapcsolom. Ebből tudok 3V-ot csinálni, ami megfelelhet a távirányító tápellátására. Már csak annyi lenne a feladat, hogy mikor mindezt beüzemelem, akkor egy kics elektronika egy pillanatra zárja rövidre nekem a távirányító egyik gombját, majd engedje is el. Készítettem egy csodálatos rajzot minderről. Előre is hálásan köszönöm a segítséget!
Üdv!
Megérkezett a kis holmi, be is üzemeltem, de sajna kompromisszumos. Az a baj vele, hogy gomnyomás után behúzva marad a relé, és így folyamatosan "nyomja a gombot" a távon. Sajna a Harmony nem képes arra, hogy egy jelet duplán küldjön, vagy küldjön rögtön egy megszakítót is (a távirányítónak a ki/bekapcsolója). Ehhez kellene egy olyan valami, ami pár másodpercenként megszakítja az áramot, és akkor alapba állna a szerkezet (tehát elengedne a relé) Vagy mégjobb lenne olyan kapcsolás ennek a helyére, ami csak addig tartja a relét behúzva, míg nyomom a gombot. Ilyenben tud valaki segíteni? Előre is köszönöm,
Éhgyomorra van egy ötletem: Egy másik csatorna szakítsa meg az első áramkörét. Sajnos így egy helyett két gombot kell megnyomni.
A hozzászólás módosítva: Feb 22, 2017
Sziasztok!
Hálásan köszönöm a hozzászólásokat! A monostabillel rájöttem, hogy mi a hiba: hiába szakad meg, ha az eredeti elektronika behúzott állapoban tartja a relét, mert így a következő használatkor, (mikor ismét engedném le/fel a redőnyt) először ki kell oldani a relét, és aztán újra bekapcsolni, amit majd a monostabil persze megszakít. Így a legjobb a következő lenne: akármit is csinálok/kapcsolok az eszközzel, rövid időn belül a saját tápellátását szakítanánk meg! Ez lenne a tökéletes számomra, ha már ezzel kell dolgozni.
Építettem egy viszonylag egyszerű áramkört, mely egy LED-et kapcsol. A kapcsoló szerepét nálam most egy fototranzisztor tölti be, amit értelemszerűen egy infravörös LED kapcsol. A problémám az hogy ha világos van a helységben (süt a nap, vagy világít a lámpa) ,akkor a környezetben lévő infravörös hullámok is bekapcsolják az áramkört.
Tehát mit lehetne tenni hogy csak az én IR LED-em által kibocsájtott fényre kapcsoljon be az áramkör? Világosban is működik a rendszer ha nem adok neki nagy érzékenységet, de akkor maximum csak 0,5m-ről.
Keress nagyon sötét vörös plexit. A Conradnal lehet kisebb darabokat is rendelni.
Esetleg a diodát rakd egy csöbe és igy határold be honnan lehet rávilágitani ( igy vannak pl a TV-kben is.) Meg az is lényeges, hogy az ado modulált fényt ad ki ( általában 38 kHz, de bármilyen más freki is lehet). Ilyet meg a Nap vagy valamilyen izzo biztosan nem ad. A hozzászólás módosítva: Ápr 30, 2017
Válassz ki egy neked szimpatikus KHz nagyságrenű frekvenciát, és azon a frekvencián kapcsolgasd az adó LED et. Azután a vevő oldalon egy hangolt körű erősítővel csak azt a frevenciát engeded át.
A linkben lévő infra veővel már próbáltam, ezzel csak az a gondom hogy én folyamatos jelet küldenék a LED-el, tehát folyamatosan világít. Én még csak kezdő vagyok tehát nagyon digitalizálásba nem nagyon mennék bele. Ez a vörös plexis dolog, és a frekvenciaszűrés (bár gondolom ez megint digitális) sem hangzik rosszul.
Tehát akkor fototranzisztorral nem nagyon lehet megoldani? |
Bejelentkezés
Hirdetés |













