Fórum témák
» Több friss téma |
Fórum » Csöves erősítő készítése
Ne feledd betartani a fórum viselkedési szabályait, és a topik megmaradásának feltételeit. [link]
A téma átmenetileg fagyasztva lett, hozzászólni nem tudsz!
8k-s push-pull (középcsapolásos) kimenő kell hozzá, és előnyös ha van ultralineár leágazása is. Ha van ilyen a Lomexben, fog vele szólni. Nem tudom milyenek az Indel kimenők. Van egy pár SE 5,2k-som, de még nem próbáltam és nem is mértem ki őket.
Kedves Mindannyian!
"A végcsövek mennek tönkre hamarabb, elillesztés miatt" - mert nem a méretezettnek megfelelő az anódterhelés. Tessék megnézni az interneten is elérhető, a csövek élettartamára vonatkozó adatokat, grafikont, amiben ez szépen látható és a fűtőfeszültségre is van megkötés az élettartam szempontjából. Lehet, hogy egy hangszererősítőben spórol az ember a négy helyett - két végcsővel, de az élettartama sokkal rövidebb lesz a végcsöveknek, ezt azért tessék megérteni. Ezekután már kérdéses hogy hol spóroltunk és mit? - Jók azok az Indel kimenőtranszformátorok és készen kaphatók, annyiért nem biztos, hogy valaki vállalna tekercselést. Üdv!
Hello hallottatok már az "ohm"MA-ről?
Szerintem ennek a hobbinak valahol itt a teteje. Bővebben: Link
Alul és felülillesztéstől nem megy tönkre a cső. Jól tervezték őket
Máshogy szólnak. És egyik legfontosabb dolog az illesztés. Itt sok ellentmondó vélemény van, pedig a fizika és a gondos teszt igencsak egybevág. (lásd BEAG EA057 teszt a HFM-ben) EZ a HIFI/HIGH END.Két malomban őröltök. A csöves erősítő topic elvileg a jó hangú házi hangerősítést szolgálná.. A gitárerősítő pedig teljesen más téma (van külön rovata!!), a torzítások előcsikarásáró szól. Ég és föld..Annyi a közös, hogy csöves... Idézet: NO COMMENT.„Nagyon jól szólt egy PP párral is. Persze, pont a tiszta hangot kellett kicsit visszanyesni.” Érted?? Jobban szólt egy párral. Akárcsak a fenti Beag erősítő, elillesztve. A lényeg a gitárnál, hogy torzítson, lehetőleg az ÉN fülemnek megfelelően. A hozzászólás módosítva: Máj 29, 2017
Szép! Az árai is. A teteje ott lenne, hogy meghallgatod a valódi valóságban. Neked erre kevés esélyed van, úgy találták ki a rendszert. Szerintem semmi különleges nincs benne. Simán a konzumidióták lenyúlásáról szól -sajnos- a világ, meg ez is.
A hozzászólás módosítva: Máj 29, 2017
Ha az én felvetésemre reagáltál, akkor annyit hozzáfűznék, hogy közel sem spórolási okból került ki a Fenderből az egyik csőpár. Leírtam, hogy miért, nem ismételném. És azzal is tisztában vagyok, hogy a két bennmaradó nem húzza olyan sokáig, mint amikor négyen teljesítenek szolgálatot.
De nem ért annyit az egész, hogy indulatos vitát gerjesszen, csak azt szerettem volna megtudni, hogy okozhat-e kárt az erősítőben. De megerősítést nyert, hogy nem, így részemről ennyi volt. Nem az én erősítőm, nem én koncertezem vele, csak segíteni próbáltam a tulajnak azzal, hogy megkérdezek hozzáértőket.
A legjobb comment a video alatt:
Idézet: „But are they gluten free?” Pont ennyi
Azt hiszem a következő Alien film kellékeit láthattuk. Valamelyik csőben, tölcsérben lesz a mókás gyík.
Sziasztok ! Ne kövezzetek meg kérdésemért. A közel 2000 oldalt teljesen nem olvastam át. Készített valamelyikőtök kapcsoló üzemű tápot anódfeszültség előállítására?
Ha igen, pc táp trafóból, vagy más maggal ? Köszönettel:
Sziasztok!
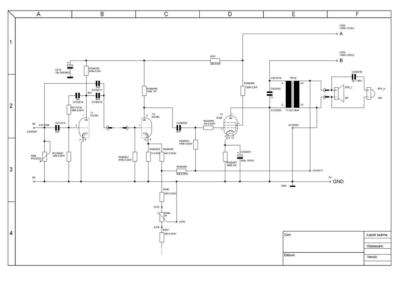
(Capri) Gondoltam beszámolok, hol tartok. 'Deszka modell' működik, szép hangja van, lomexben vásárolt 100k-os log. potival, R250, 5 kilós trimmer poti vissza téve (vissza csatoló ág), hátha kicsit vissza veszi az erősítést, mert szerintem túl érzékeny a bemenet. minden túlvezérli, bármit kötök rá. alig tudom megmozdítani a hangerő potit. Gondolom ezért sustorog, sistereg, összeszed minden zajt, picit a brummos is. Lehet ki kellene iktatnom az egyik triodat? Szokásos megoldás csak a felét használni az ECC83-nak? Vagy egy ECC83 cső a sztereo végfokba? Áthellás lehet? Vagy valahol máshol, máshogyan tudom korlátozni az előfok erősítését?
Két lehetőség van, vagy kiveszed az első triódát. Ez azt jelenti, hogy a két oldalnak 1 db ECC83-as elég lesz. Ekkor meg kell várnod a NYÁK-ot, amit csinálok.
Másik lehetőség, ha az eredeti panelt akarod használni, hogy visszateszed a fiziológiai hangszín szabályozást, vagy más passzív elemmel, de lehetőleg a lehető legneutrálisabban csökkented a jelszintet. Ezt meg fogom nézni én is, ha lesz rá időm.
Elsőre amíg csak próbálkozom az eredeti panellel addig marad a második megoldás, mert már nincs csati sem a panelon, beteszek valamit ami visszaveszi a jelszintet.
Muszáj! Köszi
Van egy használatlan trióda ezek után.
Egy régi és most általam is épített erősítőben így néz ki a "hasznosítása": A hozzászólás módosítva: Máj 30, 2017
Megértettem Én, semmi gond, csak nekem ilyen ötlet eszembe sem jutott volna.
![]() Másképp szól, igen ez érthető, az a hang jobban tetszik a játékosának, ez is jó, de azt is tudni kell, hogy valamit-valamiért. ![]() Üdv!
Eszement ötletnek tartom, mert nagyfeszültségen megfelelő szűrést elérni nehezebb, a kapcsolóüzem miatt, a csöves áramkörökhöz.
A kapcsolóüzemű táp marad a kisfeszültségű alkalmazások területén, illetve speciális célokra pedig, speciális tápegységéket készítenek, amik igen drágák és igen gondosan vannak megépítve. De, semminek nem vagyunk ellensége, mutass jó példát! ![]() Üdv!
Az ECC83 nem jó a két oldal külön erősítéséhez, mert nagy az áthallás, és még gerjedés is lehetséges a nagy erősítése miatt. Jobb lenne az EL84 meghajtásához ECC82, vagy ECC88, de a legkisebb saját erősítésre beállítva a fokozatot és lehetőleg negatív visszacsatolást is kell alkalmazni, hogy az erősítés ne legyen túlzottan magas. Csőadatlapokból lehet látni, hogy mit mekkorára kell választani a kellő erősítéshez, az is segíthet.
Üdv!
Szerintem az alap probléma az, hogy az esetek többségében túl nagy neki a Twin Reverb. Kisebb klubokban felborítja az asztalt, ha letekeri, akkor meg nem olyan a hangzás, mint szeretne. Nagy színpadokon eleve tovább hangosítják egy mikrofonnal, ezért oda is elég lenne egy kisebb. Most pont ezen gondolkozik.
Szervusztok!
Egy ilyen trafó:Trafó jó lenne egy ilyen kivezérlés jelző működtetésére?VU meter panael Egy db. ilyen műszer lenne rákötve világítással együtt:Műszer
Ha csövesbe akarod, ott a 6.3V a világításhoz, abból lehet működtető feszt is csinálni...
2x-ezni is lehet megfelelő egyenirányítással. Kapcsoló üzemű dolgot még a szobába se tarts együtt csöves holmival...
Szervusz Józsi!
Köszönöm a segítséget! Tényleg, ahogy mondod ott a 13,5V AC. a trafómon, arról le tudom venni a feszt. A VU. méter elektronikája 10.15V AC., ig működik.
Nem tudom, hogy nálatok milyen trafó jön be a linken, de nekem egy sima LED meghajtó jön be. Ezen csak egyen (DC) 12V van. Az említett 6,3V-ot valamilyen átalakítással elő kell állítani. Az mihez is kell?A műszer világításhoz 12V is jó! Viszont a linkelt VU mérő meghajtóáramköre 10-15V tápfeszt igényel, így ahhoz talán jó lesz. Ez egy kapcsolóüzemű tápegység, a zaját azért lehet, hogy szűrni kell még valamennyit.
Kifejtem. Fordítva van, tévedtem. Ugye nem baj?
Köszönöm a tippeket.
Első körben, (még mindig csak próba) kiiktattam az első pentódát, diszkét csöves brumm a hangszórókon, ez már tetszik! Szépen szabályozhatóvá vált a hangerő. Mindig is lenyűgözött a csövesek egyszerűsége! A tranzisztorosok után, felüdülés, hogy egyetlen cső kivezérli a végcsövet.
Itt most pont kapóra jött gondolom a hanszínregiszter csatlakozója, ami pont kettéválasztja az előfokban a két triódafelet.
Legalább a csatolókondenzátorokat cseréld ki 400V-os kondikra, ez így elég határeset, hogy meddig bírja.
Az sem baj, ha megduplázod a csatolókondenzátorok értékét, mert azt annakidején elég kicsire vették és bizony mélyhangoknál elég nagy a jelszint esése. Az erősítőcsövek katódellenállásával párhuzamosan kötött Elektrolit-kondenzátort ha kiveszed, akkor csökken a fokozat erősítése és stabilabb is lehet a működés. Üdv!
Lényegében ez így arra kapcsolásra hasonlít, mikor egy trioda hajtja meg a végcsövet, ezen a deszka modellen, az eredeti bemenet letestelve, hogy ne zavarjon be és a második trioda bemenete kapja a jelet, úgy ahogy boti2 írta a hangregiszter után. a rajzon az átkötésnél, úgy, mint a következő rajzon, természetesen csatoló kondival.
Sziasztok.Van egy R946 F rádióm,ezt szeretném átalakitani gitárerősítőnek,szeretném kérdezni hogy a bennelévö csövek alkalmasak e ere a célra
Sziasztok!
Jól látom, hogy ennél az építésnél egy ilyen trafót használtak fel? (Teljesen kezdő vagyok.) |
Bejelentkezés
Hirdetés |



Máshogy szólnak. És egyik legfontosabb dolog az illesztés. Itt sok ellentmondó vélemény van, pedig a fizika és a gondos teszt igencsak egybevág. (lásd BEAG EA057 teszt a HFM-ben) EZ a HIFI/HIGH END.





