Fórum témák
» Több friss téma |
Fórum » RIAA korrektor
Témaindító: Ghost Rider, idő: Aug 25, 2006
Ezek már elég régi tapasztalatok, hogy azoknak az eszközöknek jobb a térelválasztásuk, kisebb az áthallásuk, ahol a két oldal külön van megtáplálva. Ez itt csak részben igaz, mert van egy LM3XX-ből álló feszültségszabályzó fokozatunk, ami előállít közel 19V-ot, majd erről csatlakoznak le két-két áteresztő tranzisztoros fokozattal. Én sokszor tapasztaltam azt is, hogy az L3XX-nek sokszor elég gyatra a brumm elnyomása, így vélhetően a tranzisztoros fokozatnak abban is van szerepe, sokkal inkább, mint a két oldal szétválasztásában, mert galvanikusan azok mindenhogyan egy tápról mennek. Egyébként az LM3XX zajt is szeret termelni, valószínűleg ezt a tervezők is észre vették, de ezt anno CHZ is említette ennél a tápnál is, meg a nagyfeszültségű tesójánál is.
Szia! Az egyenirányítás *.lay file-n a biztosítékok mit védenek? Szerintem a graez-t semmi sem, ezért a híd elé kellene tenni őket.
Érdemes az LMxxx IC Adjust lábait hidegíteni 4,7µF-10µF-os MKT, MKP kondenzátorral, ahogy azt ajánlják is az adatlapján. Sok zajt lenyel, bármilyen táp IC kimenetén sokat javít az MKT kondenzátor beforrasztása.
Az IC után a kisjelű panel betápját érdemes 22-100Ohm/1W-os ellenálláson és utána 47-100uF(ELKO)+220-470nF-MKT kondenzátorokkal szűrni, hidegíteni, majd az erősítő IC táplábai közé közvetlenül pedig 47-100nF kerámia kondenzátorokat forrasztani. A jelvezetékezés minél rövidebb legyen, a tápvezetékezés esetleg a másik fólia-oldalon is mehet, vagy ez is röviden, sugárszerűen kiképezve, nem telefóliázva a panelon. Üdv!
Mindenki kénye kedve szerint alakíthatja.
Szia!
Ezt én is megtaláltam de az alkatrészek értékei nincsenek ráírva, csak a pozíciószámok!
Aktidam_ MK_IV
Tessék, lehet csemegézni. Ha hibát találtok javítom ...
Én kapásból találtam benne hibát, az elsőben. A trafó közösített pontja nincs összekötve a RIAA közös pontjával, illetve a jobb oldali 680nF sincs földre kötve.
"teleföld" bekapcsolása, valamint "C1" bekapcsolása
A hozzászólás módosítva: Feb 19, 2017
Egyszerűség kedvéért ... aki esetleg nem tudná alkalmazni, valamint összekötöttem, de semmi értelme.
A hozzászólás módosítva: Feb 19, 2017
elírtam: "C2" bekapcsolása
Hibrid RIAA készül, még az alsó perforált lemez hiányzik.
Sziasztok!
Légyszi segítsetek nekem megfejteni a mellékelt rajzon R1 és R2 értékét! Nekem csak szkennelt pdf-ben van meg és azon nagyon rosszul olvasható. Akinek esetleg megvan az eredeti RT 1984/12, megnézné abban nekem a pontos értékeket? Köszönöm!
Szia! Ránézésre T1 bázis +1V testhez képest, ehhez R1=4k7; R2=1k2 osztó illik.
Kösz a segítséget! Lenne még egy kérdésem: a leírás szerint ennek az erősítőnek 22 Ohm a bemenő ellenállása. Ha ezt 100 Ohm-ra szeretném növelni, akkor jól gondolom, hogy az R3-at kell 100 Ohm körülire cserélnem?
Igen, az R3 határozza meg a bemeneti impedanciát. Egyúttal lehetőség nyílik C1, C2 hasonló arányú csökkentésére, ha ez előnnyel szolgál az építés szempontjából.
Sziasztok! Nemrég szétszedtem egy Schneider SPP7270 hifitornyot. Ebben elvileg van RIAA, de mikor működött, akkor nem volt jó hangja. Kiszedtem az öcsi panelt, rajzot visszafejtettem. Tina szerint ez egy lineáris átvitelű erősítő. Neten a torony rajza csak fizetős formában van meg. Van megoldás, hogy rendes korrektor legyen belőle? A panelon minden forrasztás gyárinak tűnik.
Szia! A rajzot megtekintve a felépítése tipikus RIAA korrektor, nem tudom miért tapasztaltál lineáris átvitelt. A kapcsolás szerintem összhangban áll a készülék műszaki színvonalával.
Természetesen bármely, alább jónak értékelt kapcsolást betehetsz a helyére. Csodát nem várnék a módosítástól. A hozzászólás módosítva: Szept 1, 2017
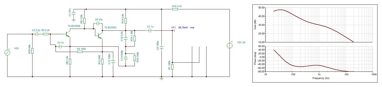
A Tina szerint nem működik sehogy, nem erősít, hanem gyengít.
Vagy a tápfesz lett elírva a rajzodon, vagy valamelyik munkapontbeállító ellenállás. 24 V-tal már működik. Vagy pl. 12V, de R12=1,5k Ezen kívül a 82 pF nem stimmel, 750 pF kellene hivatalosan.
Javítottam rajta. Az R12 valójában 680Ohm. A C14 meg 820pF(aprók a betűk rajta, előtte volt egy n betű). A tápfesz fogalmam sincs, mekkora lehetett, adtam neki 24V-ot. A C8-as elkó 25V-ot bír, szóval jó lesz ennyi tápfesz. Így már sokkalta jobb görbe jött ki. Nem mondanám hű de szépnek. Oristerbe jó lesz ez...
Működik az ha jól rajzolod le, így próbál.
Nem értelek. Az Oristerbe kb ugyan ez a RIAA kapcsolás van.
Csak a tapasztalatszerzés miatt összeraktam a Plachtovics György tervezte szubmini csöves
RIAA-t. Gyorsan építek neki még egy tápegységet, aztán meglátjuk hogy mire képesen a minioroszok
Várom a fejleményeket.
Nekem is van a fiókban pár ilyen csővike.
Ágoston Lajos tervezte, és nagyon jó. Én már a harmadikat építettem meg,ezt most wima kondikkal.
Valóban, Ágoston féle kapcsolás.
Nem tudom miért, de Plachtovics járt a fejemben. ![]() Sajnos már nem tudom javítani.
Sziasztok kéne egy kis segitség van nekem egy d audios ne5532 vel szerelt korrektorom és lekvertem a rajzát olyan ötlet kéne,hogy tudnám egyszerüen szimetrikus táprol szimpra tápra átalakitani,hogy egy aksirol tudjam járatni mert igy a hálozatrol minden összeszed föleg ha laptop be van kapcsolva mert a tápja vissza dolgozik a hálozatra.
Szia!
Ha jól van megépítve, akkor saját tápjáról is zajmentes lesz. Megfelelő árnyékolás hiányában minden zavart összeszed.
Egy kérdésel fordulok hozzátok nekem vanne5532 ic szerelt korrektorom de hangjával nem vagyok kibélüle szeretném kétdezni,hogy a HFM-1 nek jobb e a hangja?
Szerintem ezt is próbáld ki előtte Bővebben: Link
|
Bejelentkezés
Hirdetés |












Nekem is van a fiókban pár ilyen csővike. 






