Fórum témák
» Több friss téma |
Fórum » Csöves erősítő készítése
Ne feledd betartani a fórum viselkedési szabályait, és a topik megmaradásának feltételeit. [link]
A téma átmenetileg fagyasztva lett, hozzászólni nem tudsz!
Rendben akkor az előbbieken tovább lépve másik kapcsolásokba botlottam.Épített már valaki hasonlót?
A hozzászólás módosítva: Márc 20, 2018
Valóban jók a tanácsok, csak ha lehet, jobb a mérést analóg műszerrel végezni; jobban érzékelhetők a változások, valamint a kisütést is rábízhatod a műszerre.
Az elkóformázásról "meglepő" módon nem találtam feltételek nélkül ajánlható, korrekt magyar nyelvű leírást... röviden a lényeg:
Ha nem nagy tételben csinálod, akkor tökéletesen megfelel egy beállítható feszültségű tápegység és egy nagyértékű töltőellenállás. A tápegységet első lépésben a névleges feszültség ~30, másodikban ~60, végül pedig 100%-ára kell állítani. Miután az oxidréteg felépülését nem lehet siettetni, a korlátozó ellenállást olyan értékűre célszerű kiszámolni, hogy több órás formázási idő jöjjön ki (~100V-os első kör, 100µF esetén ez bizony jópár Mohm!), ráadásul így bátran magára lehet hagyni, ha a kezdetben nem tapasztalunk problémát (túlzott melegedés, a kondi feszültsége hosszabb idő után sem akar emelkedni... Megjegyzendő, hogy a kondi feszültsége a formázás elején hirtelen visszaesésekkel kísért, összességében lassú emelkedést mutathat, de ez így normális.) Mindhárom lépés végén teljesen ki kell sütni (ahogy Cinema is írta, véletlenül sem csavarhúzóval), ill. rögtön az első töltés után ajánlatos meggyőződni róla, hogy tartja-e rendesen a feszültséget - ha túl gyors az önkisülés, akkor nem sok sikerrel kecsegtet a folytatás. Szerencsés kivétel persze előfordulhat...
Divatkapcsolás... nincs sok értelme az efféle túlbonyolításoknak, főleg nem EF80 pentódával.
Váltakozó feszültséggel kell az eljárást csinálni? Csak mert azt látom a feszültség értékek előtt az írásodban
Az a hullám ott körül-belült jelent. Természetesen egyenárammal kell.
A hozzászólás módosítva: Márc 20, 2018
Köszönöm! Megtévesztőnek tűnik de így már világos
Az EF80 zajos is, mikrofóniás is, erősítő elejére nem való. Mindenesetre el van bonyolítva rendesen.
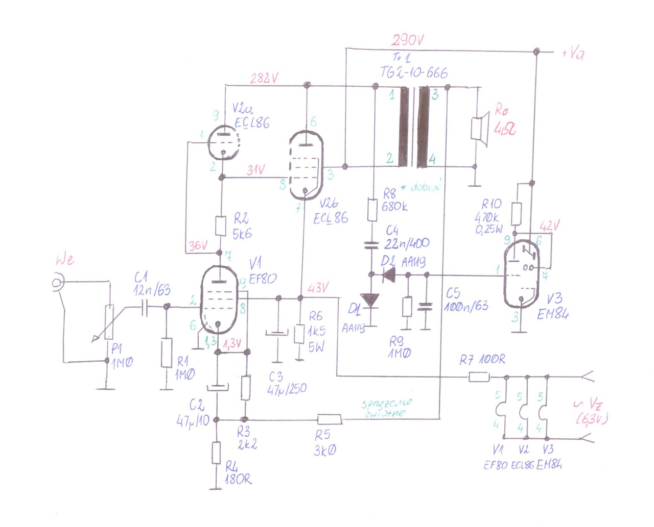
Az stv_v2 rajzon még hiba is van. Szerencsétlen EM84 szerinted mekkora jelet fog kapni az anódtápról?
Erre gondoltam énis.Az EF80 helyett EF86 -ot alkalmaznék az EM84 pedig nem lényeges mivel nem kerülne beépítésre.
Kedves szakértő kollégák!
6P3C-ből PP üzemmódban kb. hány W teljesítmény vehető ki pentóda üzemmódban? Milyen tápfesz és mekkora illesztőimpedancia mellett?
Első erősítőm egy EF80-PL508 volt, sokáig hallgattam, nagyon szépen szólt, sose volt bajom az EF80-al, mikrofóniásnak mikrofóniás volt, ha az ember megkocogtatta a csövet akkor hallani lehetett a csilingelést a hangszóróban, de ez a zenehallgatást egyáltalán nem befolyásolta. Kár, hogy egyszer összeégett a végcső egy repedés miatt, és leégett a kimenő....
Azóta is hiányolom.
Milyen trafó, és mennyiért? L####ben találsz gyári kimenőket. Kommersz, nem Hig End, nem is olyan összegért. "Olcsó" Japán Tangók 100ezertől indulnak. Az ár tükrözi a minőséget. Ha készítteted: jó minőségű vas+huzal+hozzáértő ember az sem olcsó. Körül kell nézni a piacon. Elsőre szerintem nem érdemes nagyon költekezi. Építs valami egyszerűt, vagy csak szedd szét egy működő csöves rádió végfokát. Aztán rakd össze, méricskélj bele. Alapismeretek nélkül nehezen boldogulsz. Elektronika-méréstechnika-kapcsolásirajz olvasása-alkatrészek ismerete, és még csöveknél ott a nagyfesz is. Remélem azért nem vettem el a kedved.
üdv. Géza
készséggel elhiszem, de csak egyszer tedd rá a hangdobozodra az erősítőt...
Ha biztonságos üzemre építed, akkor 20W kijön belőle, maximum 25W. A szükséges tápfeszültség 360V, az illesztése a végcsöveknek pedig, Raa=6kOhm. A szekunder tekercs olyan impedanciára méretezendő, amilyen hangsugárzó lesz hozzá használva, vagy akár 4, 8, 16Ohm leágazásos kimenőtranszformátort is lehet készíteni hozzá.
Üdv!
Még egy kis adalék a kondenzátorok formázásához:
A Tantál-kondenzátorokat is ajánlatos formázni beépítés előtt, nehogy hamar zárlatossá váljanak! Ez többek között az Én ajánlásom is, a Kemet cég ajánlásai alapján! Üdv!
Az EF80 tulajdonképpen akár jó is lehetne, ha nem lenne ilyen tulajdonsága.
Az EF86 -al meg az a gond ezen a helyen, hogy kifejezetten kisjelű cső, valószínűleg torzítási problémái lesznek a 0,5 V körüli bemenőjelekkel. A nagy erősítése miatt az összevissza visszacsatolásokkal is meggyűlhet a baja, gerjedékeny lesz. Erre a helyre teljesen jó egy ECC83, vagy megfelelői.
Szerintem ide pentóda kell. Ez a fokozat nem csak fesz erősítő, hanem stabil áramgenerátor is, segédrácsán visszacsatolva. Egy ilyen 1,5 W körüli erősítőnél nem valószínű, hogy gond lesz a mikrofóniával. Az egész kütyü együttműködése ennek katódkörében állítódik be. Nem egy önfelálló kapcsolás, márcsak a dc csatolás, és a kemény anód rács fesz visszacsatolás végett sem (végcsőnél).
A hozzászólás módosítva: Márc 21, 2018
Szerintem összehozom a kapcsoláson feltüntetett ef80 -al deszkamodell formában aztán meglátjuk.
Úgy gondolom érdemes ezzel a kapcsolástechnikával foglalkozni, elvárható a fogottabb felnőttesebb hangkép a szokásos kapcsolásokhoz képest. Az ecl86 rácselőfeszét az ef80 katódkörében kell beállítani, nem valószínű, hogy kapásból jó lesz a megadott értékekkel.
Idézet: „Az EF80 tulajdonképpen akár jó is lehetne” 35V anódfeszültséggel? Ne viccelődjünk... először valakinek meg kellene oldani a házifeladatot: oda való alkatrésszel, rendesen meg kell tervezni a kapcsolást. Azt megépítve -esetleg- lehet valami értelmes tanulságot levonni.
Sohasem állítottam, hogy ez a világ legjobb erősítő kapcsolása, sőt.
pcmaster90 fórumtárs rajta van a problémán, kíváncsian várjuk élményeit.
Mi nem tetszik ott a 35 V-on, teljesen jó az abban a pozícióban lévő EF80-nak. Az eredeti kapcsolásban is hasonló potenciál viszonyok vannak. Ott EF95 ECL82 párosítást használ a szerző, mindjárt megkeresem a linket a kapcsoláshoz, alighanem a rendszerváltás tájékán publikálta, rendes írott sajtóban is (nem merem írni a nevét, mert nem emlékszem pontosan). Megjegyzem az elhíresült (jó értelemben) DC csatolt EF 86 EL84 SE-ben még ettől is vagy 5-10 V-al kisebb fesszel megy az EF86-os (mérget nem vennék be rá, de úgy emlékszem). :rolleyes
Itt az eredeti szupertriódás link, működési leírás, számítási képletek, karakterisztikák, meg minden ami kellhet...http://www2u.biglobe.ne.jp/~hu_amp/amput3e.htm szupertióda A hozzászólás módosítva: Márc 22, 2018
Na még egyszer. szupertrióda
Emlitetted a PL 508-as csövet,kicsit bővebben lehetne az erősítőről. Nekem sajnos félbe maradt, mert mert valamit elszúrtam, jó lenne befejezni.
Nem is mondta senki, hogy létezik. Egyszerűen a super triode connectin (STC) kapcslástechnikára hivatkoztam, ennek létezését kétségbevonni értelmetlen kötözködés (hiszen a linkből jól látható, van ilyen megnevezéssel futó kapcsolástechnika, amelynek egyébként pont egyik jellemzője a visszacsatolás megoldása is).
Igen,nekem is az a problémám zúg,és recseg,rövidre zárt bemenetnél is. A kapcsolás nem ez,egy differenciál előfok E88CC, a meghajtó szintén E88CC ,és a két PL508 a vége. A kimenőt egy hibás BEAG 782/A vasra tekercseltem primer 2x1200 menet, 0,25-ös huzal.Stabilizált segédrács 200 Volt
anód 350 V.
Úgy gondolom, ez nem tetszés kérdése. Mi a fenét lehet "megoldani" egy _messze_ a viszonylag lineárisnak mondható tartománya alatt dolgoztatott csővel? Az elv bizonyára szuper, csakhát a megvalósítás... a japán linken viszont ~ 2x akkora anód- ill. segédrácsfeszültségeket is látok, az úgy már jobb egy fokkal.
A hozzászólás módosítva: Márc 24, 2018
|
Bejelentkezés
Hirdetés |




Azóta is hiányolom.







