Fórum témák
» Több friss téma |
Fórum » Életvédelmi kapcsolás, FI relé
Témaindító: bankimajki, idő: Máj 6, 2009
Panel lakás 3 fázis megoldása FI relével nálam.
A hozzászólás módosítva: Máj 13, 2018
Moderátor által szerkesztve
A bal alsó sarokban lévő doboz mi célt szolgál?
Végül is ez számomra információ: mindenkori U, I és W kijelzése ...
A hozzászólás módosítva: Máj 12, 2018
Akkor jól gondoltam. A másik két fázis nem játszik?
Lehet olyat is venni, ami mind a 3 fázist méri ... mint említettem csak egy információ (van vagy nincs bejövő feszültség, és semmi más mert nem annyira pontos, ez volt kéznél)
Ha van nulla, felesleges még egyet behúzni.. A három egyfázisú FI is el van egy közös bejövő nullával. Ha háromfázisú fogyasztót is használni akarsz, akkor marad a háromfázisú relé, ha csak egyfázisú fogyasztókat használsz, akkor alternatíva lehet a külön külön relé. Előnye nem lesz sötét a házban egy hibás szerkezet miatt, valamint rákényszerít a nullák és a fázisok pontos összerendelésére.
Szia! Saját házad akkor elég a 4p 30mA-os ÁVK. Egyébként külön szoktunk tenni cirkónak, világítás áramkörnek, dugalj áramkörnek illetve 3 fázisú áramkörnek. De ha nagyon extrémet akarsz külső vill, da áramkör lehet 100mA. Garázst melléképületet külön 30mA-ossal védeni, Vezéreltet megint külön, Én most épülő házamba lesz vagy öt
Pont a kinti mobil készülékekre is 30 mA-es kioldóáramú kell.
Sziasztok!
Segítséget szeretnék kérni!Lehet-e,érdemes-e Fi relét 3 fázisú motorhoz csatlakoztatni? A motor deltába lenne kötve. Én úgy gondolnám,hogy csak a 3 fázist kellene bekötni a nullát nem. Persze a motor testet külön a földeléssel. (Ha csillagba lenne akkor kellene csak a nullát bekötni gondolom?) Köszönettel!!!
Nem tudom mit értesz mobil készülék alatt. De a terveztetett rajzainkon is 100mA van. Szabvány is engedi. De ha tudsz linkelj szabványt szívesen elolvasnám. És beolvasok a tervező kollégának
![]() :"A magyar szabvány megengedi hogy a klimatikus viszonyok miatt a külső mobil berendezések esetén a 30 mA –s helyett 100mA kerülhessen beépítésre, ez jó mert gyakran a túlérzékenység miatt már kissebb szivárgó áramok is kioldják az RCD –t ezzel sokszor felesleges üzemzavart okozva." A hozzászólás módosítva: Jún 18, 2018
Attól függ, hogy a motort fixen kötöd be (munkavédelmi áramtalanító kapcsoló közbeiktatásával), vagy dugaszoló aljzaton keresztül? A második esetben kell Fi relé, az első esetben nem. Természetesen a dugaszoló aljzat van FI relén, és utána már a nulla nem kell a motorhoz, se csillag, se delta bekötés esetén. Tehát ez esetben a dugaszolóaljzatot Fi relézzük, nem a motort.
Biztos vagy benne, hogy olyan motorod van, ami beköthető deltába? A hozzászólás módosítva: Jún 18, 2018
Ezt a rajzot nézve, beugrott egy kérdés:
Kell-e a villanytűzhely elé kapcsoló? Más fórumokon vérre menő viták alakultak, ki, de még mindig nem tiszta, hogy mi is a helyes? Az egyik vélemény szerint, egy komoly szakembernek eszébe se jutna kapcsoló nélkül bekötni a villanytűzhelyet. Más vélemény szerint minek, hiszen nem forgó gép? Persze itt háztartási villanyszerelésről beszélünk, tehát a kismegszakítókon nincs lakat, "Bekapcsolni TILOS" tábla, stb. Szóval: Kell-e a villanytűzhely elé kapcsoló?
Én még soha nem láttam előtte kapcsolót, de ez semmit nem jelent.
Köszönöm a válaszod! Én úgy gondoltam,hogy mobil legyen a motor, máshova is csatlakoztatható legyen -mert nem mindenhol van a dugalj elött Fi relé.1 kis dobozban szeretném a motor közelébe. (bent lenne a a 3 fázisú Fi relé, 1 motorvédő, és 1 kapcsoló).Tehét a lényeg ,ha jól értelek ,nem kell ilyen esetben a nullát átvezetni, hisz nem is lehet sehová kötni ilyen motor esetében-delta-
Jól gondolom? Még egyszer köszönöm Válaszod!
Ha nincs használatban a nulla, akkor azt be sem kell kötni, a Fi-relébe se. Egy trükk lehet, nem minden Fi-relé működik nulla nélkül, de ez a ritkább, speciálisabb fajta.
Köszi neked is Bakman! (én is így gondoltam, de így meg vagyok erősítve)
No, akkor elölről: Minden dugaljnak Fi relézettnek kell lenni a jelenleg érvényes szabvány szerint. Értelem szerűen, ez nem vonatkozik a szabvány megjelenése előtt készített hálózatokra, dugaljakra.
A háromfázisú motorokba nincs sehova bekötve a nulla, akár csillagba, akár deltába van kötve. Ha olyan öteres kábel érkezik a motorhoz, amiben a nulla is be van kötve, akkor azt az eret szabadon kell hagyni, TILOS a földdel összekötni. A Fi relé lényege, hogy a hibaáram esetén old le. Hibaáram akkor keletkezik, ha nem annyi áram folyik a nulla vezetőn, mint a fázisvezetőn (egy része, vagy az egész elfolyik a föld felé: földzárlat). Ha a nulla vezető be sincs kötve, akkor ugye ez a feltétel így nem teljesülhet. Igen, jól gondolod, delta esetében szóba se kerülhet, hogy valahová bekössék a nullát. Ráadásul, tisztán deltakapcsolásban szinte soha nem alkalmazzák a motorokat, mindig csillag-delta átkapcsolással. (Persze kivitel lehet pl., ha egy fázis táplálású frekvenciaváltóval háromfázisú motort hajtanak meg. De ezt most hagyjuk.) Még egyszer javaslom, ellenőrizd le, hogy a motorodat lehet-e deltában bekötni a hálózatra?
Idézet: Az átfolyó áramok előjelhelyes összegének nullának kell lennie.„Hibaáram akkor keletkezik, ha nem annyi áram folyik a nulla vezetőn, mint a fázisvezetőn” Pl. családi házban, ahol ki van építve a három fázis, is lehet üzemeltetni nulla nélküli eszközöket.
Hm. Én meg még nem láttam pl. vízmelegítőt (bojlert) fixen, munkavédelmi kapcsoló nélkül bekötni. (Persze nem az egyfázisú dugvillás csatlakozásra gondolok, hanem a 3 fázisú vízmelegítőkre.) Mindkettő Fi relével védett. Pl. a villanytűzhelyhez kapható csatlakozó doboz is. Mi a különbség a bojler, és a villanytűzhely között?
A hozzászólás módosítva: Jún 18, 2018
Helo!
A motor adattábláján 400/690 Volt szerepel. 1 honlapon olvastam,hogy ezeket csak deltába lehet kötni a "helyes működéshez". 3 KW-os a motorom. és 4 KW-os felett kell indítási eljárás, ill e felett ajánlatos csillag-delta indítás- azt hiszem. Vagy nem?
Idézet: „Mi a különbség a bojler, és a villanytűzhely között?” Leginkább a víz, amit magadra csorgatsz
OK, így rendben.
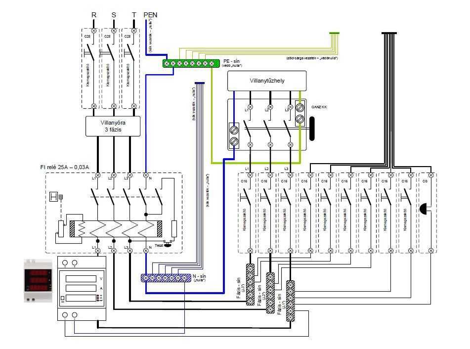
Tudna valaki segíteni, hogyan kössem be a relét?
Bekötés a rajz alapján.
Nem egyértelmű, hogy az alsó PE sínen jobb oldalt lefele mi az a vezeték? Talán földelő szonda? Minden esetre a FI relé alkalmazása esetén az alsó PE és a felső N sín közötti zöld-sárga átkötést el kell távolítani, különben nincs értelme a FI relének! Továbbá a 16A-os kisautomaták a jelenlegi vezetékek szempontjából túl biztosítást jelentenek. 13A-os vagy 10A-est kellene használni.
Nekünk most pl. hasznos lenne a tűzhely elé egy kapcsoló, mert a gyerkőc már eléri a gombokat és már van esze és ereje el is forgatni. A gázégők gombjával nincs akkora gond, mert biztonsági, addig nem marad egyedül a gombot nyomva, hogy sok kimenjen. Viszont a sütő elektromos és lehet éppen észre sem vesszük, hogy bekapcsolta... azért nagyon figyeljük!
Köszönöm a rajzot, közben eltávolítottam egy Fi relé bekötő kábelt, hogy teljesen előröl kezdjük! Jó értem, kettő földelő kábelt kikel itatnom!
Idézet: „kettő földelő kábelt kikel itatnom!” Ezzel konkrétan mire gondolsz? Földelést nem iktatunk ki, így helytelen a megfogalmazás. Amire gondolhatsz, azt írtam illetve már nem is rajzoltam fel,az alsó PE sín és felső N sín közötti zöld sárga vastag (6mm2) vezetéket, átkötést kell eltávolítani. Direkt készítettem a rajzot, hogy minél egyértelműbb legyen a bekötés.
Én az átkötésekre gondoltam, kikötöm és leszigetelem, vagy máshová rakjam?
Kikötöd mindkét végét és eltávolítod.
A bejövő fázis a FI-relé 1 pontjára , a Nulla mellé. Alul a kimenő fázis (2) a kismegszakítókra, a Nulla a Nulla sínre felűre. A hozzászólás módosítva: Jún 19, 2018
Minden villamos berendezést a hálózatról le kell tudni választani. Leválasztásra alkalmas a dugós csatlakozó, a leválasztó kapcsoló, és a kismegszakító, akkor, ha a nullavezető megbízhatóan földpotenciálúnak tekinthető. Ez utóbbi saját hatáskörben döntendő el, egyes országokban eleve tilos.
Engedmény van például a lakóépület világításra, azaz lámpatesteket elég csoportosan leválasztani tudni. Hát ez csak kivonat volt. |
Bejelentkezés
Hirdetés |














