Fórum témák

» Több friss téma
Fórum » Csöves erősítő készítése
 
Témaindító: seedz, idő: Márc 31, 2006
Témakörök:
Ne feledd betartani a fórum viselkedési szabályait, és a topik megmaradásának feltételeit. [link]
A téma átmenetileg fagyasztva lett, hozzászólni nem tudsz!
Lapozás: OK   2027 / 2208
(#) pucuka válasza mek-elek hozzászólására (») Júl 1, 2018
Kedves mek-elek. Nem igazán jók a hasonlataid. Egy erősítő bemenetén az eltérő impedanciák sokmindent okozhatnak, csak linearitás hibát nem. Mitől is? A keverőben sem azért vannak külön csatornák, hogy kellőképpen illesszenek (legalábbis impedanciát) mert a keverő minden bemeneti csatornája teljesen egyforma, csak egy profi keverőnél mindegyik bemenetén ugyanolyan választó van, szimetrikus, aszimetrikus, kisszintű, nagyszintű, kapcsolható fantom táp. Impedancia illesztésről általában szó sincs, a keverőpult bemenetei nagyimpedanciásak, általában 10 - 100 kohm felettiek, így szinte minden hangforrás kimeneti impedanciájánál legalább egy nagyságrenddel nagyobb, így bármilyen szokásos hangforrást köthetsz a bemenetére. A keverők kimeneti impedanciái 100 ohm alattiak. Egy ilyen jellemzőkkel rendelkező keverővel bármilyen hangerősítést profi módon meg lehet oldani. (természetesen most csak az impedanciával kapcsolatban példálóztam) A több bemeneti csatorna pusztán azért van, hogy több jelforrás bemenetét a végeredmény szempontjából össze tudd keverni. (ezért keverő)
Ez nem sovány, dagadt kérdés.
Az antenna erősítők esete is tulajdonképpen egy fix keverő, csak egyszer kell beállítani, (szintezni) aztán megy. Minden több bemenetű eszköznek van egy közös pontja, (sín) ahol a csatornák jelei összegződnek.
A megvalósítás már csak egy rendszertechnikai kérdés, hogy ez a közös pont kapcsolható a különböző bemenetekre, van-e előtte szintillesztő, vagy korrektor fokozat, van folyamatosan szabályozhatóság.
Pont egy profi keverő a példája annak az ezer gombjával kapcsolójával, hogy a "minőség" nem függ attól, hogy minden külön dobozban van, vagy egybe van építve. A kimeneti szintje szabványos szintű, és kis impedanciás, hogy általánosan lehessen használni a legszélesebb körben.
(#) pucuka válasza mek-elek hozzászólására (») Júl 1, 2018
Én, mikor használom a "válasz" gombot, arra a hozzászólásodra válaszoltam. Abban szó nem volt 4 - 8 ohmos hangfalakról.viszont a hangforrás - erősítő bemenet "illesztéséről" igen. Erre reagáltam, hogy nincs semmiféle impedancia illesztés, mint valamiféle nemlinearitás okozója.
De tényleg nincs értelme vitázni, ha cáfolok egy állításod, mindjárt eltereled a folyamatot. Itt a pont részemről.
A hozzászólás módosítva: Júl 1, 2018
(#) granpa válasza jani1987 hozzászólására (») Júl 1, 2018
Kiegészítés: "vagy a feles jön be"
(#) Moderátor hozzászólása Júl 9, 2018
Egy fél oldal OFF-topic, személyeskedő hozzászólást távolítottunk el. Tényleg nem lehet normális mederben tartani a beszélgetést?! Megint le kell zárni a témát, hogy észhez térjetek?!
(#) attilan hozzászólása Júl 10, 2018
Üdv mindenkinek
Új vagyok csöves erősítő témában ezért segítségért fordulok hozzátok. Adott két csöves rádió végfoka. Mindkettőt két EL84 -es müködteti.
A CAPRI 6401, -amint a rajzon is látható- sztereo, vagyis két külön cső, illetve két illesztőtrafó.
A MODERN S626A rádió mono végfoka esetében két drb. EL84 hajt meg egy illesztőtrafót.
A kérdésem az, hogy a Modern illesztőtrafója helyettesíthető-e a Capri radió két trafójával a rajzon latható módon, (vagyis a primer tekercsek sorba kötve, a szekunderek párhuzamosan) minden újratekercselés nélkül?
Amennyiben a valasz igen, további kérdésem a használandó hangszoró impedanciáját illeti, vagyis hány Ohmos hangszórót kell használnom?
Megjegyzendő, hogy a Capri rajzán 8 Ohmos hangszórók szerepelnek, a hangszórókon 6 ohmot ir, a mérés pedig mindössze 4,8 - 5,3 ohmot mutat.
(#) Triger válasza attilan hozzászólására (») Júl 10, 2018
Nem helyettesíthető. Az egyik rádió 2 db SE erősítőt tartalmaz, a másik pedig 1 db PP erősítőt. A PP erősítő esetén közös vasmagon kell lennie a tekercseknek.
(#) boti2 válasza attilan hozzászólására (») Júl 10, 2018
Semiképpen. A Capriban SE (Single Ended) végfok van, a Modernben pedig PP (Push-Pull - ellenütemű) végfok van.
A hozzászólás módosítva: Júl 10, 2018
(#) bta válasza pucuka hozzászólására (») Júl 10, 2018
Idézet:
„Pont egy profi keverő a példája annak az ezer gombjával kapcsolójával, hogy a "minőség" nem függ attól, hogy minden külön dobozban van, vagy egybe van építve.

1) Stúdiókészüléknél sokkal egyértelműbbek a felhasználói igények. A jellemzően kicsi helyiségben egyszerűen nincs hely olyan luxusra, mint egy High End aktívrendszer... háromutasnál, monoblokkokkal ez ugye minimum 8 doboz: előerősítő + aktív keresztváltó + 6db teljesítményerősítő.
2) Nem minden profi konzolnak van jó hangja, sőt még a "legendáknak" is megvan a jellegzetes saját karaktere. Akárcsak a legjobb profi mikrofonoknak, szalagos magnóknak...
(#) FordPrefect válasza bta hozzászólására (») Júl 10, 2018
Má bocs, de Csöves erősítő készítése a cím. És ez egy amatőr fórum...
Ne menjünk be az erdőbe, ami ráadásul elég bozótos.
A hozzászólás módosítva: Júl 10, 2018
(#) Moszkvai válasza attilan hozzászólására (») Júl 11, 2018
Szia! Láttam már olyan megoldást, ahol a két trafót egybelemezelték, zipzárszerüen. Szerintem még az impedancia sem változik. De nem korrekt megoldás. És a másik trafó hangzásához sem sok köze lessz
A korrekt az a két egyforma PP trafó lenne.
(#) attilan hozzászólása Júl 12, 2018
Akkor jól sejtettem. Marad a két párhuzamos SE kötés, úgyis 2 hangszóró van. Egy gitárkombót bütykölök. Köszönöm szépen a válaszokat.
(#) gkari válasza attilan hozzászólására (») Júl 13, 2018
Ez a cucc nem érdemelt volna egy kissé modernebb egyenirányítást (a szelén helyett pl. egy Si-graetz)?
(#) attilan hozzászólása Júl 14, 2018
Beszereztem. Köszönöm az ötletet!
(#) Moderátor hozzászólása tommeeka hozzászólására (») Júl 16, 2018
A hozzászólás eltávolítva, mert a nyelvtani és nyelvhelyességi szabályokat sértette, továbbá a HE szabályaiba ütközött (reklámtevékenység).
(#) tommeeka hozzászólása Júl 16, 2018
Nem eladásra készíti a dolgait, csak kíváncsi lettem volna a véleményetekre ezekről a csöves erősítőkről..
Nem reklámozni szerettem volna, de mindegy...
(#) csa7684 válasza tommeeka hozzászólására (») Júl 16, 2018
Sajnos ez van. Mikor kéne nincs moderálás mikor nem kéne meglepetés szerűen lecsap.
(#) tommeeka hozzászólása Júl 16, 2018
Remélem ezzel nem vétek!
https://youtu.be/ZCwx5ui0-IY
(#) jani1987 hozzászólása Júl 19, 2018
Valakinek van kész PCL86 panel terve? Lehetőleg lay fájl formájába. Az hogy se vagy pp nem számít.
(#) csa7684 válasza jani1987 hozzászólására (») Júl 19, 2018
Egy ilyet csukott szemel kézzel is meg kéne tudjál rajzolni.
(#) CIROKL válasza jani1987 hozzászólására (») Júl 19, 2018
SE vagy PP nem számit ?
Már hogyne számitana .ég és a föld!
(#) jani1987 válasza CIROKL hozzászólására (») Júl 19, 2018
Kimenőm az tévéből van így csak se jöhet szóba. De mennyiségét tekintve több csövem van. Meg anyag híján nem tudom a lábtávokat így panelre se tudok tervezni vaktába.
(#) jani1987 válasza jani1987 hozzászólására (») Júl 19, 2018
Kis kiegészítés alu próba panelen. Több réz csövet kellett volna hozzak így éppen csak ráfért. A huzal hossz most nem lényeg. A fűtés diódával egyenirányítva 1000µF-al.
A hozzászólás módosítva: Júl 19, 2018
(#) Hx-2 válasza jani1987 hozzászólására (») Júl 19, 2018
Tessék:Bővebben: Link
(#) jani1987 válasza Hx-2 hozzászólására (») Júl 19, 2018
Köszi.
(#) TAttila77 hozzászólása Júl 23, 2018
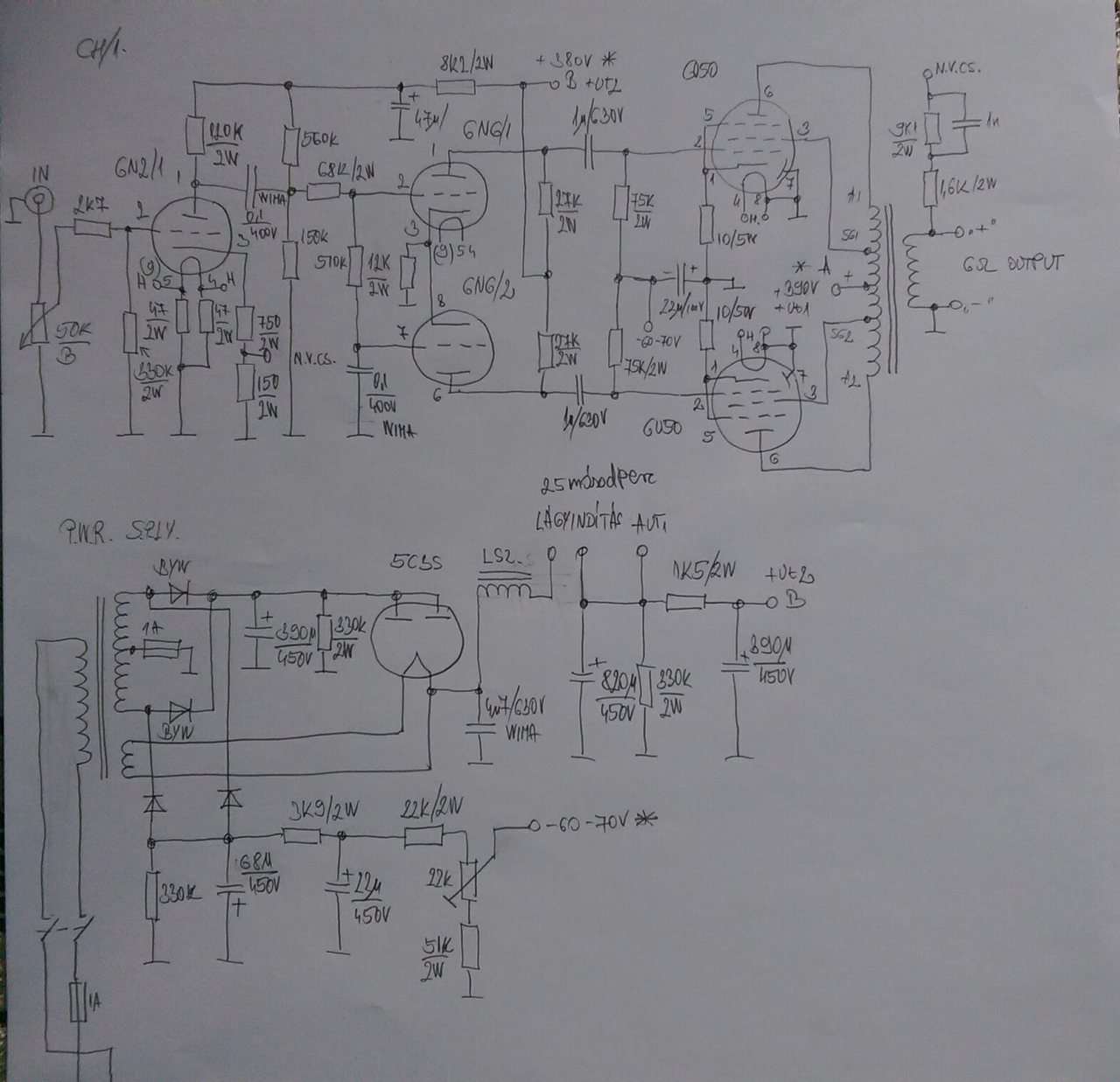
Üdvözletem a fórumtagoknak. A békéscsabai találkozóra elvittem három általam megépített csöves végfokot. Többek kérték, hogy tegyem fel ide is. Ennek eleget téve közzé teszem a nagyot most. A végfokról annyit kell tudni, hogy Push-Pull ultralineár módban üzemel, GU50 végpentódákkal, 6N6P meghajtással és 6N2P bemeneti előfokcsővel készűlt. Az oldalankénti tápegységekben pedig 5C3S-ek figyelnek. A belső vezetékezése a fontos helyeken ezüst huzallal történt. Itt a kapcsolási rajza és egy két képet is mutatok a végfokról.
A hozzászólás módosítva: Júl 23, 2018
(#) CHZ válasza TAttila77 hozzászólására (») Júl 23, 2018
Szia!
Kapcsolás egyszerűsíthető, 560k,150k,68k és a hozzátartozó csatolókondi elhagyható.
(#) TAttila77 válasza CHZ hozzászólására (») Júl 23, 2018
Üdvözletem. Hát azt a feszültségosztót ott a meghajtó csövek előtt én is fucsálltam mikor a rajzot nézegettem először, mert halovány gőzöm nem volt hogy minek az oda, de végűl a panelba beleterveztem, gondoltam kárt nem okoznak azok ott. Minden ellenállás a katódellenállásokon kívűl 2W-os. Az eredeti rajz valahoonan az internetről van. Mikor granpával a télen nézegettük talán japánnak gondoltuk, azt módosítottam, főleg a tápját, valamint egy két ellenállás értékét. A leg nehezebb volt megcsinálni a két tápot. Rengeteget kínlódtam az 5c3s -ekkel. A végső kialakításban Gery78 sokat segített. Végűl a cső a funkcióját majdhogynem teljesen elveszítette, mert még lágyindításnak sem bírta. (Az oka az volt, hogy a táptrafót 320V-os tekercsekkel rendeltem és akkor télen mikor elkezdtem még nem tudtam hogy majdnem 70V-ot ejt a tápfeszültségből 160mA-nál) És ez okozta a legtöbb problémát. Majd legutóbb az alapzajjal hadakoztam sokat.
(#) CHZ válasza TAttila77 hozzászólására (») Júl 23, 2018
Interneten van sok rajz ami nem igazán használható.
Két 27k értéke sem stimmel igazán, így nem lesz teljesen szimmetrikus a végcsövek meghajtása (AC) szempontból. Földelt rácsú trióda kisebb erősítése miatt.
(#) TAttila77 válasza CHZ hozzászólására (») Júl 23, 2018
A találkozón készült képeken egy cső hiányzik, mégpedig az EM83 kijelzőcső, ugyanis reggel bepakolásnál eltörtem, mert rosszúl emeltem meg a végfokot.
(#) CHZ válasza TAttila77 hozzászólására (») Júl 23, 2018
Mérted szkóppal is? Fázisfordító szimmetrizálásával torzítása még csökkenthető lenne.
Következő: »»   2027 / 2208
Bejelentkezés

Belépés

Hirdetés
XDT.hu
Az oldalon sütiket használunk a helyes működéshez. Bővebb információt az adatvédelmi szabályzatban olvashatsz. Megértettem