Fórum témák
» Több friss téma |
Fórum » Csöves erősítő készítése
Ne feledd betartani a fórum viselkedési szabályait, és a topik megmaradásának feltételeit. [link]
A téma átmenetileg fagyasztva lett, hozzászólni nem tudsz!
Kedves mek-elek. Nem igazán jók a hasonlataid. Egy erősítő bemenetén az eltérő impedanciák sokmindent okozhatnak, csak linearitás hibát nem. Mitől is? A keverőben sem azért vannak külön csatornák, hogy kellőképpen illesszenek (legalábbis impedanciát) mert a keverő minden bemeneti csatornája teljesen egyforma, csak egy profi keverőnél mindegyik bemenetén ugyanolyan választó van, szimetrikus, aszimetrikus, kisszintű, nagyszintű, kapcsolható fantom táp. Impedancia illesztésről általában szó sincs, a keverőpult bemenetei nagyimpedanciásak, általában 10 - 100 kohm felettiek, így szinte minden hangforrás kimeneti impedanciájánál legalább egy nagyságrenddel nagyobb, így bármilyen szokásos hangforrást köthetsz a bemenetére. A keverők kimeneti impedanciái 100 ohm alattiak. Egy ilyen jellemzőkkel rendelkező keverővel bármilyen hangerősítést profi módon meg lehet oldani. (természetesen most csak az impedanciával kapcsolatban példálóztam) A több bemeneti csatorna pusztán azért van, hogy több jelforrás bemenetét a végeredmény szempontjából össze tudd keverni. (ezért keverő)
Ez nem sovány, dagadt kérdés. Az antenna erősítők esete is tulajdonképpen egy fix keverő, csak egyszer kell beállítani, (szintezni) aztán megy. Minden több bemenetű eszköznek van egy közös pontja, (sín) ahol a csatornák jelei összegződnek. A megvalósítás már csak egy rendszertechnikai kérdés, hogy ez a közös pont kapcsolható a különböző bemenetekre, van-e előtte szintillesztő, vagy korrektor fokozat, van folyamatosan szabályozhatóság. Pont egy profi keverő a példája annak az ezer gombjával kapcsolójával, hogy a "minőség" nem függ attól, hogy minden külön dobozban van, vagy egybe van építve. A kimeneti szintje szabványos szintű, és kis impedanciás, hogy általánosan lehessen használni a legszélesebb körben.
Én, mikor használom a "válasz" gombot, arra a hozzászólásodra válaszoltam. Abban szó nem volt 4 - 8 ohmos hangfalakról.viszont a hangforrás - erősítő bemenet "illesztéséről" igen. Erre reagáltam, hogy nincs semmiféle impedancia illesztés, mint valamiféle nemlinearitás okozója.
De tényleg nincs értelme vitázni, ha cáfolok egy állításod, mindjárt eltereled a folyamatot. Itt a pont részemről. A hozzászólás módosítva: Júl 1, 2018
Egy fél oldal OFF-topic, személyeskedő hozzászólást távolítottunk el. Tényleg nem lehet normális mederben tartani a beszélgetést?! Megint le kell zárni a témát, hogy észhez térjetek?!
Üdv mindenkinek
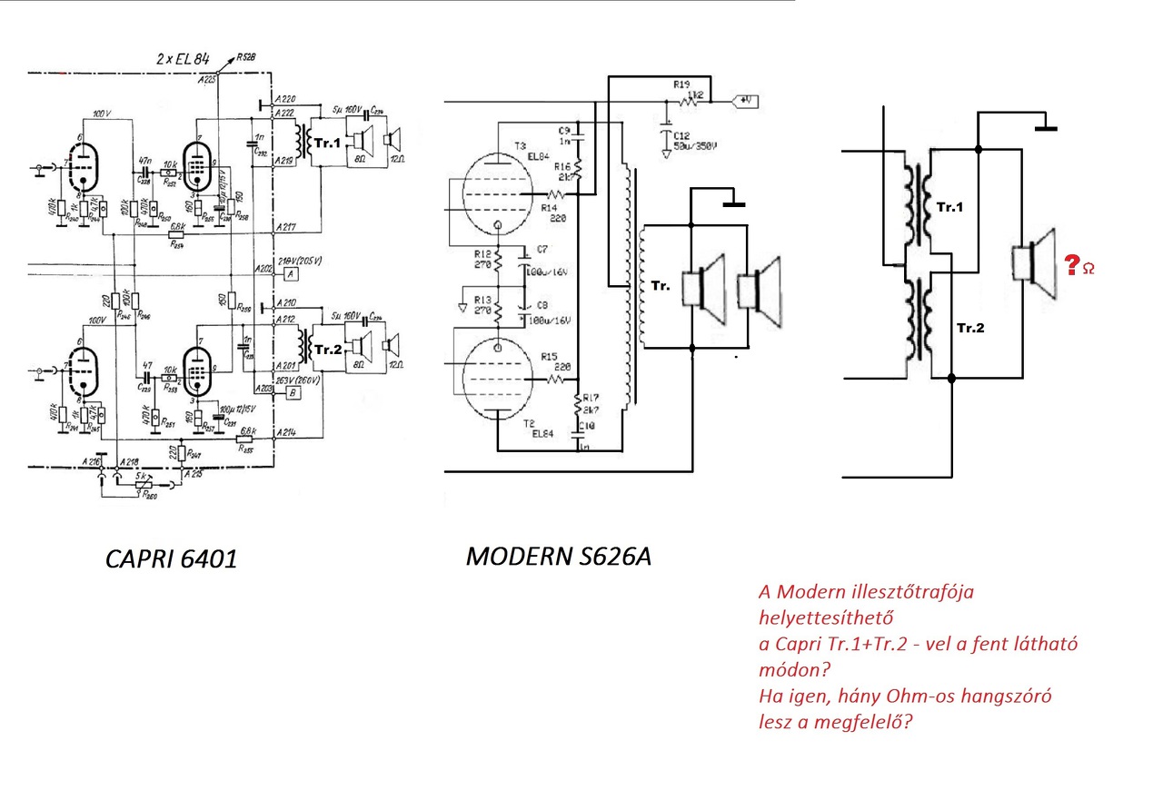
Új vagyok csöves erősítő témában ezért segítségért fordulok hozzátok. Adott két csöves rádió végfoka. Mindkettőt két EL84 -es müködteti. A CAPRI 6401, -amint a rajzon is látható- sztereo, vagyis két külön cső, illetve két illesztőtrafó. A MODERN S626A rádió mono végfoka esetében két drb. EL84 hajt meg egy illesztőtrafót. A kérdésem az, hogy a Modern illesztőtrafója helyettesíthető-e a Capri radió két trafójával a rajzon latható módon, (vagyis a primer tekercsek sorba kötve, a szekunderek párhuzamosan) minden újratekercselés nélkül? Amennyiben a valasz igen, további kérdésem a használandó hangszoró impedanciáját illeti, vagyis hány Ohmos hangszórót kell használnom? Megjegyzendő, hogy a Capri rajzán 8 Ohmos hangszórók szerepelnek, a hangszórókon 6 ohmot ir, a mérés pedig mindössze 4,8 - 5,3 ohmot mutat.
Nem helyettesíthető. Az egyik rádió 2 db SE erősítőt tartalmaz, a másik pedig 1 db PP erősítőt. A PP erősítő esetén közös vasmagon kell lennie a tekercseknek.
Semiképpen. A Capriban SE (Single Ended) végfok van, a Modernben pedig PP (Push-Pull - ellenütemű) végfok van.
A hozzászólás módosítva: Júl 10, 2018
Idézet: „Pont egy profi keverő a példája annak az ezer gombjával kapcsolójával, hogy a "minőség" nem függ attól, hogy minden külön dobozban van, vagy egybe van építve. ” 1) Stúdiókészüléknél sokkal egyértelműbbek a felhasználói igények. A jellemzően kicsi helyiségben egyszerűen nincs hely olyan luxusra, mint egy High End aktívrendszer... háromutasnál, monoblokkokkal ez ugye minimum 8 doboz: előerősítő + aktív keresztváltó + 6db teljesítményerősítő. 2) Nem minden profi konzolnak van jó hangja, sőt még a "legendáknak" is megvan a jellegzetes saját karaktere. Akárcsak a legjobb profi mikrofonoknak, szalagos magnóknak...
Má bocs, de Csöves erősítő készítése a cím. És ez egy amatőr fórum...
Ne menjünk be az erdőbe, ami ráadásul elég bozótos. A hozzászólás módosítva: Júl 10, 2018
Szia! Láttam már olyan megoldást, ahol a két trafót egybelemezelték, zipzárszerüen. Szerintem még az impedancia sem változik. De nem korrekt megoldás. És a másik trafó hangzásához sem sok köze lessz
A korrekt az a két egyforma PP trafó lenne.
Akkor jól sejtettem. Marad a két párhuzamos SE kötés, úgyis 2 hangszóró van. Egy gitárkombót bütykölök. Köszönöm szépen a válaszokat.
Ez a cucc nem érdemelt volna egy kissé modernebb egyenirányítást (a szelén helyett pl. egy Si-graetz)?
A hozzászólás eltávolítva, mert a nyelvtani és nyelvhelyességi szabályokat sértette, továbbá a HE szabályaiba ütközött (reklámtevékenység).
Nem eladásra készíti a dolgait, csak kíváncsi lettem volna a véleményetekre ezekről a csöves erősítőkről..
Nem reklámozni szerettem volna, de mindegy...
Sajnos ez van. Mikor kéne nincs moderálás mikor nem kéne meglepetés szerűen lecsap.
Remélem ezzel nem vétek!
https://youtu.be/ZCwx5ui0-IY
Valakinek van kész PCL86 panel terve? Lehetőleg lay fájl formájába. Az hogy se vagy pp nem számít.
Egy ilyet csukott szemel kézzel is meg kéne tudjál rajzolni.
SE vagy PP nem számit ?
Már hogyne számitana .ég és a föld!
Kimenőm az tévéből van így csak se jöhet szóba. De mennyiségét tekintve több csövem van. Meg anyag híján nem tudom a lábtávokat így panelre se tudok tervezni vaktába.
Kis kiegészítés alu próba panelen. Több réz csövet kellett volna hozzak így éppen csak ráfért. A huzal hossz most nem lényeg. A fűtés diódával egyenirányítva 1000µF-al.
A hozzászólás módosítva: Júl 19, 2018
Tessék:Bővebben: Link
Üdvözletem a fórumtagoknak. A békéscsabai találkozóra elvittem három általam megépített csöves végfokot. Többek kérték, hogy tegyem fel ide is. Ennek eleget téve közzé teszem a nagyot most. A végfokról annyit kell tudni, hogy Push-Pull ultralineár módban üzemel, GU50 végpentódákkal, 6N6P meghajtással és 6N2P bemeneti előfokcsővel készűlt. Az oldalankénti tápegységekben pedig 5C3S-ek figyelnek. A belső vezetékezése a fontos helyeken ezüst huzallal történt. Itt a kapcsolási rajza és egy két képet is mutatok a végfokról.
A hozzászólás módosítva: Júl 23, 2018
Szia!
Kapcsolás egyszerűsíthető, 560k,150k,68k és a hozzátartozó csatolókondi elhagyható.
Üdvözletem. Hát azt a feszültségosztót ott a meghajtó csövek előtt én is fucsálltam mikor a rajzot nézegettem először, mert halovány gőzöm nem volt hogy minek az oda, de végűl a panelba beleterveztem, gondoltam kárt nem okoznak azok ott. Minden ellenállás a katódellenállásokon kívűl 2W-os. Az eredeti rajz valahoonan az internetről van. Mikor granpával a télen nézegettük talán japánnak gondoltuk, azt módosítottam, főleg a tápját, valamint egy két ellenállás értékét. A leg nehezebb volt megcsinálni a két tápot. Rengeteget kínlódtam az 5c3s -ekkel. A végső kialakításban Gery78 sokat segített. Végűl a cső a funkcióját majdhogynem teljesen elveszítette, mert még lágyindításnak sem bírta. (Az oka az volt, hogy a táptrafót 320V-os tekercsekkel rendeltem és akkor télen mikor elkezdtem még nem tudtam hogy majdnem 70V-ot ejt a tápfeszültségből 160mA-nál) És ez okozta a legtöbb problémát. Majd legutóbb az alapzajjal hadakoztam sokat.
Interneten van sok rajz ami nem igazán használható.
Két 27k értéke sem stimmel igazán, így nem lesz teljesen szimmetrikus a végcsövek meghajtása (AC) szempontból. Földelt rácsú trióda kisebb erősítése miatt.
A találkozón készült képeken egy cső hiányzik, mégpedig az EM83 kijelzőcső, ugyanis reggel bepakolásnál eltörtem, mert rosszúl emeltem meg a végfokot.
|
Bejelentkezés
Hirdetés |











