Fórum témák
» Több friss téma |
Fórum » Csöves erősítő készítése
Ne feledd betartani a fórum viselkedési szabályait, és a topik megmaradásának feltételeit. [link]
A téma átmenetileg fagyasztva lett, hozzászólni nem tudsz!
Már megint nem a kérdésre válaszoltál. Mennyi a cső fűtésének áramfelvétele? Ha 300mA, akkor jó.
Legalább az adatlapját tudnád értelmezni.
De nem. Ez van amikor nulla szaktudással akarsz építeni valamit. PCL 86 Soros fűtésű cső. A szekunder oldalon méregess, meg nézz meg pár rajzot, design-t, mielőtt megint feltalálod a melegvizet.
Majd még élesbe letesztelem hogy kiadja e.
Sssssh majd akkor lesz, mikor újból ég a hálózatid
Nem tesztelni kell, hanem mérni. Multiméterrel, árammérő állásban.
Egy picit alatta van.
Ugyanez két csővel párhuzamosan.
Szerintetek melyikel érdemes foglalkozni 6C33C projecthez?
Teljesen rendben van.. egy nüansznyit alatta van, de nem lesz semmi baja tőle. A nagy könyv szerint +/- 10% a megengedett.. ennyi.
Tehát PCL 86 esetén a fűtőáramot nézzük, mert soros fűtésű televíziócsőről beszélünk. Ez a 300mA hogy hol áll be? Változó lehet, de nem lövök nagyon mellé ha azt mondom kb terhelt 14,5V.-on.. Boldog karácsonyt!
Közbe visszatekertem a huzalból két menetet mert eleve hosszúra nyújtottam a szárat. Így nyertem plusz 3/10-ed voltot. Most már csak annyi a dolgom hogy újra tervezek mindent. A fenti kapcsolás esetére kihagyom a trióda részt és csak a pentódát kötöm a fázis fordítóra. Ebl-nél működött. Lásd a hangmintát is.
Azért halkan jegyzem csak meg, hogy ez a fűtőáram/fűtőfeszültség mizéria nem teljesen állja meg a helyét.
Lehet számtalan példát mondani arra, mikor P sorozatú csöveket fix feszültségről fűtenek, mint pl. a mindenki által ismert APX100 Beag erősítőben a végcsöveket 40V-ról fűtik. (Aki nem hiszi, nézze meg a rajzot, párhozamosan van a két cső fűtve - és senki nem méri a fűtőáramot!) A régebbi TV-vevők soros fűtőkörébe is szerepeltek valaha 6,3V-os E-s csövek, mint pl. az ECH84, az EF80, EF183, EF184, sőt, még az ECC82 is előfordult, és senki nem nézte, beáll-e rajta a 6,3V. A csöveknek van egy fűtőteljesítmény igényük, amit a fűtőszállal állítunk elő. Ez azt jelenti, hogy a feszültséghez tartozik egy áramérték is (vagy fordítva), ha az egyik stimmel, jó közelítéssel ott lesz a másik is az érték közelében.
A harmadikat, az OP650-et választanám.
Kellemes ünnepeket és BUÉK!
Eredetileg tápegység kérdésnek szántam de a téma a pcl86-pp-hez kapcsolódik. 338 voltról szeretnék ejteni 108-at hogy meglegyen az adatlapi 230V. A többi alkatrész érték már adott. Az RC szűrő ejt valamennyi feszt vagy hagyjam el a kondit és csak R tagot alkalmazzak? Kikalkuláltam a sok wattos ellenállások eredőjét ha valami nem lenne készleten.
A hozzászólás módosítva: Dec 25, 2018
Áteresztőtranzisztoros feszültségstabilizátor.
BU 508, vagy hasonló, előtétellenállás, zener(ek) szűrőkondi.
Szép estét!
Először is Boldog Karácsonyt mindenkinek! Másodszor pedig lenne egy egy olyan kérdésem hogy tönkremehet egy végcső (6p3s PP) hogy az egyik oldalból erős pattanás hallatszik, és utána az az oldal elnémul. Milyen ilyen jellegű hibák fordulhatnak elő egyáltalán? Bocsánat az amatőr kérdésért! A hangsurárzók szerencsére túlélték. Előre is köszönöm a választ!
Cseréld át végcső párt a két oldal közt.
Ha megy a hiba, akkor csőhiba is lehet. Ha marad a hiba az eredetileg "hibás " oldalon akkor jön a mérés dolog. Nem jelentem ki látatlanban hogy kimenő, de akár az is előfordulhat. (Első körben csőhibára gondolnék.)
A feszültségejtés szempontjából mindegy, hogy a kondenzátor ott van, vagy nincs, de ha nincs, akkor lemondtál a szűrésről!!
Megszűnik a tápfeszültség valamelyik fokozatban, forrasztáshiba, érintkezési hiba, csőfoglalatban is lehet hiba.
A csöveket csak egyenként cserélve lehet megfogni, hogy melyik cső a hibás. Végcső esetén egyenként is próbálhatók, ha rendesen szól, akkor az a cső jó, másik cső ugyanezen foglalatban ha recseg, vagy más jelenséget produkál, akkor az hibás. Hideg állapotban a katód-fűtőszál zárlata pedig mérhető, nyilván ekkor hibás munkapontba is kerülhet a cső és az is okozhatja a jelenséget. Előfordulhat beteg ELKO hibája is, időszakosan áthúz belül, zárlatot okoz, ez főleg öreg gyártású kondenzátoroknál fordulhat elő, vagy ha nem formáztuk meg kellőképpen és "nem érett meg" a feladatához, vagy átléptük a határfeszültségét valamelyik kondenzátornak és az okozza a jelenséget. Ha már kivettük a csöveket, finoman rázzuk meg, ha csörög, vagy valamilyen zajt hallunk belőle, akkor az a cső hibás. Mérésekkel is megtalálhatjuk a hiba okozóját, mérjünk áramot a kimenőtranszformátor betáp-pontjánál, az előfokozatban minden anódon, katódon és hasonlítsuk a két oldalt egymáshoz, előfeszültséget is mérjük a csőfoglalatban! Sok sikert! Kellemes ünnepeket és BUÉK!
Ezek más impedanciájú trafók. Indel 1.13k , másik kettő 600ohm. Kapcsolási rajzot meg tudod mutatni?
Valóban az első vagyis az Indel 1.13k de úgy nézem ez felejtős is mivel elég gyér a minősége.Marad az utóbbi kettő.
Van valami német oldal ahonnan lehet rendelni kimenőtrafókat nem tudja valaki véletlenül a linket?
6H7C csövekre volna valami jó SE vagy PSE kapcsolásotok ?
A hozzászólás módosítva: Dec 27, 2018
Mely tényezők okozhatnak gerjedést? Alakul a pcl se de még nem tökéletes.
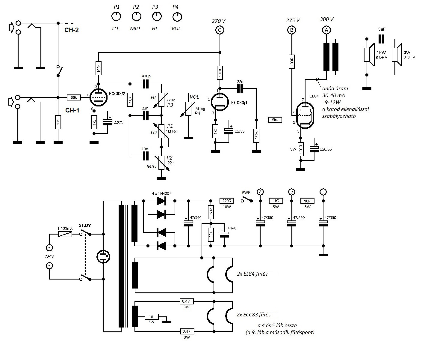
Üdvözlök mindenkit. Megépítettem az első csöves (gitár)erősítőmet a mellékelt rajz szerint. A csövek és a trafók egy régi Capri rádióból származnak. Az erősítőt egy mp3 lejátszóval teszteltem és nem kevés megelégedésemre indulásból működött.
A gond ott kezdődött, mikor az akusztikus gitár hangszedője a csöves erősítőben való próbálgatás után maradandó alacsony frekvenciás zajt ”hum”-ot produkál - más audiorendszerben (keverő) - ami majdnem teljesen megszűnik ahogy kézzel hozzáérek a keverőhöz vagy a gitárkábel dugaszának fém részéhez. Ez a második hangszedőm (Fishman Presys Blend) ami így jár. Ezzel véget is ér a „csöves” korszakom, de a bosszúság mellett azért szeretnem megérteni, hogy mitől is „bolondultak” meg a hangszedőim. Rámértem a bemenetre, de semmilyen feszültségnek nyoma nincs és a keverőben a másik gitárom, amelyet nem próbáltam a csövesben teljesen zaj nélküli. Van valakinek ötlete, magyarázata, elképzelése, hogy mi történhetett?
Az előző és az azt megelőző oldalon van tanulmányozásre érett irodalom földelés ügyben. Ott találsz megfejtést a gondokra.
Első körben ne add fel ki kell javitani az aróbb hibákat.s.aztán láss.csodát ha minden épitő ilyen könnyen feladná akkor senki nem épitene semmit.
A bemeneti jack aljzatokat cseréld szigetelt tipusúra.vagy ezeket szigetelten szereld . A fém alaplemezhez van gnd kötés valahol? Vagy csupán csak a jack aljzatokon érintkezik a.jelföldön keresztül? A hozzászólás módosítva: Dec 28, 2018
Megoldás biztosan létezik, csak meg kell keresni. Első lépéseknél, még a fény, és füst jelenségek sem ritkák
Örülj neki, hogy szól. Van honnan elindulni. A hálótati kapcsoló-bemeneti jack, közelsége mindenesetre nem szerencsés.
"maradandó alacsony frekvenciás zajt ”hum”-ot produkál - más audiorendszerben" ezt hogy érted??
Hello Cinema!
Köszönöm a tippeket, segítségeddel sikerült a hibát behatárolni, illetve javítani! Az egyik előerősítő fokozatban a 6h8c katódja kontaktos volt! Viszont lenne még kérdésem ha lehet szeretnék még anódfeszültség késleltetőt beépíteni. Az lenne a kérdésem ha beépítek egy relés NE555-ös időzítőt, ami csak az anódfeszültséget késlelteti, a többi feszt.(negatív előfesz) mehet a csövekre a fűtéssel együtt? Mennyire tolerálják a 6p3sz végcsöveim ezt a "mutatványt"? Lehet az AC tekercs egyik ágát kapcsolni a relével? (mennyi legyen az idő? kb. 40 sec?) Köszi előre is! A hozzászólás módosítva: Dec 28, 2018
|
Bejelentkezés
Hirdetés |









Tehát PCL 86 esetén a fűtőáramot nézzük, mert soros fűtésű televíziócsőről beszélünk. Ez a 300mA hogy hol áll be? Változó lehet, de nem lövök nagyon mellé ha azt mondom kb terhelt 14,5V.-on.. Boldog karácsonyt! 



Örülj neki, hogy szól. Van honnan elindulni. A hálótati kapcsoló-bemeneti jack, közelsége mindenesetre nem szerencsés. 




