Fórum témák
» Több friss téma |
igen az is megtörtént éppen ezért nem értem miért tud elmászni
A hozzászólás módosítva: Márc 5, 2016
Valami elkötést tudnék elképzelni. IC nélkül nem folyik tápáram, tehát nem alakulhatna ki a leírt jelenség.
Varrógép pedál, templomi orgona pumpálópedál, fék-, kuplung-, stb?
Részletesebb fénykép mindkét oldalról és néhány mérés megkönnyítené a dolgunkat.
Köszönöm a segítséget meg lett a hiba forrása (sérült volt a vezetősáv) most a problémám már nem ide tartozik az egyik 14,8V a másik oldal 15,1V viszont ahogy be kerül a müverősítő a kimeneten búgás hallatszik aminek a búgása a potik tekerésével változik ezt hogy lehetne ki szűrni? Ez egy aktív mély hangváltó lenne
Szia! A kapcsolási rajzot, a NYÁK-tervet és a panel fotóját tedd fel a szubszűrő témába.
Sziasztok!
Próbáltam keresni, de rengeteg féle van, az egész internetet feltúrni nem egyszerű dolog. Létezik olyan IC, ami egy Li-ion cellából csinál nekem 4-5V közt valami feszültséget stabilan, és beépített akku védelemmel rendelkezik, a lehető legkisebb, de még otthoni körülmények közt beforrasztható, és kapni itthon az országban, lehetőleg nem 1 hónap várakozás után? Mindezt maximum 500mA kimenő árammal, ennél több nem kell. Találkoztatok már ilyennel?
Tehát neked egy step up converter ic kell, beépített alacsony feszültség védelemmel. Én ezekkel a keresőszavakkal indulnék neki: lithium step up vagy 5V converter low voltage protection. Nem mikrovezérlőt akarsz meghajtani akksiról véletlenül? Mert általában elmennek 2.7V-ról is, és ha ADC-vel mérsz, akkor elküldheted az uC-t aludni, így akár két hétig is elmegy töltés nélkül lemerült akksiról (alaplapi gombelem méretű lithium ion akksi és atemga328 esete). Vagy P-csatornás FET-tel le is választhatod az uC-t a tápról, és akkor ez volt a védelem. Bekapcsolást meg gombbal meg lehet oldani, esetleg egy elmés szerkezettel, ami 3V fölött gnd-re húzza a P-FET gate-jét.
A hozzászólás módosítva: Ápr 10, 2016
Ha jól emlékszem akkor talán a múlt héten írtam le valamelyik topikba. Az MC34063-al tudsz csinálni stabil 5V-ot. Nem tudom milyen akkuvédelemre gondolsz, de ha a lekapcsolásra akkor ez arra is jó, mert olyan 2,9V körüli akkufesznél le fog kapcsolni.
Köszönöm srácok!
Nem mikrovezérlőt akarok meghajtani, más feladatra kell az áramkör. MC34063-mal foglalkoztam már pár órát, de eszembe sem jutott. Rendelek egykét darabot és eljátszadozok vele.
Sziasztok!
Szabályozható tápra lenne szükségem. 3A 12-30VDC kimenettel. Bemenet 230VAC. Lehetőleg fokozat mentes kimenet kellene. Van valakinek egy könnyen megépíthető kapcsolási rajza? Köszönöm!
Hello! Ez könnyen megépíthető, 24V/100VA-es trafó kell hozzá minimum.
Köszönöm! Ilyesmire gondoltam. Közben találtam 32vdc tápot. Így csak az lm317 és az utána következő rêsz fog kelleni.
Köszönet mégegyszer! A hozzászólás módosítva: Jún 7, 2018
Azért nézd meg a Texas adatlapját, mer t korrektebb a áramkört kínál, a 22-es az áramok szétosztásával, a 23-es pedig megfejelésével. Némi többletfeszültséget igényelnek a soros ellenállások miatt. Vagy is lehet, hogy a 32V-ból nem lesz meg a kerek 30V, mert az IC maga is igényel 2V-al több feszültséget a bemenetén, mint a kimenetén.
Sziasztok!
Talán ritka problémám van, de hátha tudna valaki segíteni! Adott egy targonca töltő, (BENNING Eurotron 24-25) aminek valószínű a töltő elektronikája hibásodott meg, mert tölt, de melegszik a trafója és 1-2 óra után leáll. Tudtok ajánlani valakit, aki korrekt áron vállalná? Nyilván a szerviz csak az egész alaplapot cserélné, vagy javasoltak egy új töltőt is... Egy új töltő a csillagos ég, de a használtak is elég húzósak. Nagyon köszönöm!
Üdv! Szerintetek mi történhet, ha a VCS-100V/10A műszert nem tartósan, de túl terheljük?
Egy tápomban méri a kimenő áramot és feszültséget. A tápnak nincs rövidzárlat védelme. Rövidzárlatnál 16A volt a kimenő áram és még ki is jelezte a műszer. Elég lenne egy shunt hűtés és mehetne a műszer 19,99 A-ig Persze a táp kibírja, (nem tartósan), mert kissé túl van méretezve. Az áramkorlát csak annyi, hogy az áteresztő MOSFET Udg feszültsége egy 6,2 V-os zenerrel korlátozva van. (Lehet 5,6 V-ossal kellene korlátozni?)
Sziasztok!
A mellékelt Dell PA-10 táp kimeneti feszültségét szeretném 22-23 V-ra megnövelni. Jól gondolom, hogy az R301, R302 változtatásával lehet?
Hello! Igen. Ahogy számolom, az R302-vel kell párhuzamosan kötni egy 27k ellenállást.
Adott egy ilyen telefon:
Grundig Sixty Sajnos nincs meg a tápegysége. Lefotóztam szétszedve a telefont. 2 tápja van, igaz ez valahogy 1 adapterrel. Az egyik betáp nyák része (itt gondolom a piros a + és a fekete a -) 2. kép A másik betáp közvetlenül rámegy valamiféle tekercsre: 3. kép Ezt lehetne 1 tápról táplálni? Vagy szerezzek 2 db 7,5V-os adaptert? A zöld/sárga esetében melyik lehet a pozitiv? Valaki tudna segíteni benne?
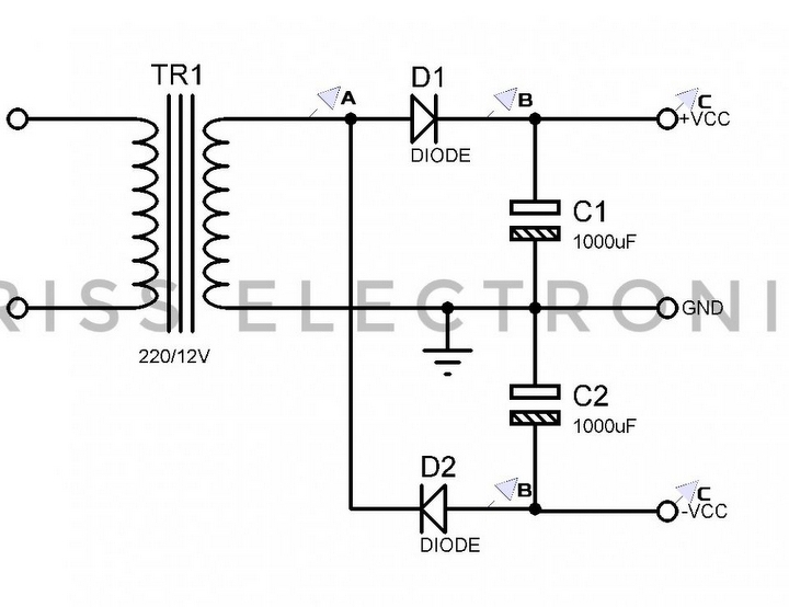
Üdv! Kellene építenem egy +- 12v-ot tudó tápot kb 100mA-rel de csak 12v-os trafóm van. Megoldható ez valahogy egyszerűen? Esetleg valakinek valami rajza akad hozzá? Kell még hozzá egy +5v is, de azt a +12 v ágból meg tudnám oldani.
Igen, mivel kis áramról van szó. Egyoldalas egyenirányítással lehet +- feszt előállítani, kb 2200 µF 25V-os pufferrel kondenzátorral. Majd, ha indokolt, egy egy stabkockával stabilizálni. Stabilizálatlanul 20V feletti feszültség is lehet, terheletlenül.
Köszönöm az infót. Ha csak egy diódát használok egyenirányításra, akkor is csak kettő kivezetésem lesz, honnan kellene levennem a negatív ágat? Igen stabilizálnom kell majd meg a feszeket be kell állítanom normálisan, mert egy frekvencia generátor tápjának szánom. Kínából rendeltem egy kitet, amit meg szeretnék építeni és +-12 és +5v tápot kér.
A hozzászólás módosítva: Jan 16, 2020
Keresgéltem, akkor ez jó lehet nekem igaz?
Sziasztok !! Lenne egy ilyen tápegységem ezt szeretném átalakítani 12v-osá hogyan lehet ezt megoldani ??
A hozzászólás módosítva: Júl 29, 2020
Szia!
Ha nem akarod elrontani, inkább tegyél utána egy bolti step-down tápot és megmarad a 24 voltod is és lehet egy 12 V 7-8 amperes kimeneted is. Ha pedig hőfejlődés/veszteség nem gond, analóg tápot is tehetsz utána - igaz, akkor marad az 5 amper max is.
Egy kérdést csak egyszer, egy helyre teszünk fel! Attól nem érkezik hamarabb válasz a kérdésre, hogy több helyre is felkerül.
Sziasztok!
Bízom benne, hogy nem túl zavaros a kérdésem, de tápméretezéshez/választáshoz szeretném a tanácsotokat kérni. Úgy döntöttem bedobozolom mindazt ami a média/zenelejátszómhoz kell egy szép házba, és főleg a hangminőségre terelődött a hangsúly ![]() Ekkor jött az ötlet, hogy ahelyett, hogy cirka 5 tápkábel lógjon a dobozka fenekéből a zajos kapcsolóüzemű tápuk felé, bele szeretnék tenni egy lineáris toroid trafó alapú tápot. A konfig a következő lenne, melléírtam a kütyük adapteriről leolvasott névleges értékeket: Western Digital 3TB HDD - 12V 1.5A X96 Air P2- 5V 2A, később valami Khadas SBC, ha jól látom ezekhez is elég 5,2V 2A Pi1 - 5V 1.2A (csak státusztdisplay OLED hajtásához van a pi) Házventi mezei 12 centis 12 Voltos, de jelenleg 5 Voltról hajtva, gyorsulna 12 volton? Fontos lenne, hogy jelenlegi formájában lényegében hangtalan SPDIF/Toslink konverter - 5V 600mA Khadas Tone Board, X96-ról hajtva vagy a tápról Ha jól számolgatom, ez olyan 37W + 2 vagy 3 W lenne a Tone Board Sajnos ezen a területen nagyon járatlan vagyok (még), de gondolom mivel a túlméretezés elengedhetetlen, ehhez mekkora teljesítményű toroidra lenne szükségem? 60 VA? vagy még több? Illetve tudnátok-e segíteni a regulátor és egyenirányító (vagy az egyben van?) kiválasztásában? ![]() Nagyon drága történet lenne ez a tápmegoldás? vagy 10-20 ezerből kijönne? Előre is köszönöm a válaszokat!
A dupla teljesítményű trafó ebben az esetben elvárás.
Néhány alapkérdés. A tápfeszültségeknek kell-e galvanikusan függetlennek lennie, azonos polaritás lehet-e összekötve. Ha lehet közös a negatív, akkor viszonylag egyszerű és olcsó. A hozzászólás módosítva: Nov 17, 2020
|
Bejelentkezés
Hirdetés |


















