Fórum témák
» Több friss téma |
Fórum » 3D nyomtatás
Szia
Értem, tehát konfigurálni kell a képernyőt. találtam ezt az oldalt Nem tudom jól értem-e, de akkor az itt szereplő
Kódot kellene beírni a configuration.h
sorai után? Most látok először arduinot, csak megjegyzem Üdv
Szia
Működik a háttérvilágítás, szóval nincs elektromos hiba szerintem, arra azért figyeltem, mit hova dugok, de azért lemértem a földelés stimmel. Üdv
Ja oké csak most olvasom hogy a konfigodba nincs beállítva a kijelző. Marlinhoz meg
nem értek mert sose volt hozzá szerencsém.
Nem kell beírni, be van már írva, csak keresd meg a sort és szedd ki a sor eleji komment jelet (#)
Ha ezután feléled a kijelző, majd keresd meg az SD kártyára vonatkozó #define sorokat is, feltéve ha akarsz majd SD-ről nyomtatni. Bekapcsolás után ezt kellene látnod (pár mp után) Bővebben: Link A hozzászólás módosítva: Feb 19, 2019
Most ott tartok, hogy megvan az a sor amiből ki kell szedni a komment jelet, erre dob egy hibaüzenetet fordításkor
Letöltöttem ezt a zip-es filet. Gondolom ezt be kellene másolnom valahova, mert ilyet, hogy "add library" menüt nem találok (könyvtár hozzáadása) Üdv
Szia!
Vázlat menü -> Könyvtár tartalmazása -> .ZIP könyvtár hozzáadása. Be tallózod és elméletileg automatikusan hozzáadja. Üdv, Laci
Köszi, így most már működik!
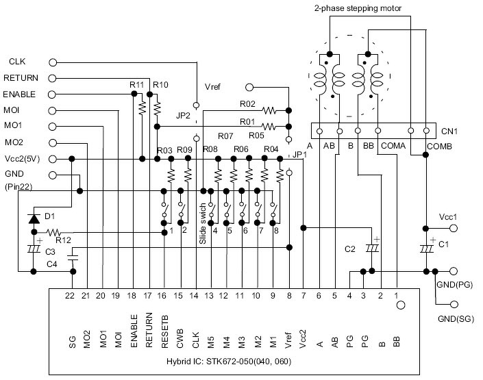
Úgy néz ki, hogy az XY tengelyre nagyobb teljesítményű motort teszek, tudom, hogy a A4988-as motor vezérlő nem tud, csak 2 ampert, semmi gond, meg van a motor vezérlő ic-s panelje ami egy STK672-050.
Össze is kötöttem a Ramps-el a step, dir lábakat ez idáig oké, viszont amikor áll a motor akkor is tolja neki a kraftot, ami gáz. Néztem a A4988 lábkiosztásán a sleep lábat, hogy megjelenik-e valami feszültség menet közbe, de nem láttam. Lehet, hogy ezt külön kell engedélyezni? Ha normálisan vannak bekötve a motorok akkor ad valami fékező feszültséget neki az ic álló helyzetbe? Üdv
Míg a nyomtatás folyamatban van, addig áram alatt tartja a motorokat is a FW. Különben elmászhatna, ha elvenné.
Az ^EN lábbal meg ki tudja kapcsolni a motoráramokat (Bővebben: Link)-de ezt csak nyomtatás végén szokás berakni a vég gcode-ba.
A4988 esetében 3 lábát szokás használni: STEP, DIR, ENABLE.
Csak akkor engedélyezi a motor vezérlőt, ha mozog. Marlin esetében alapból be van állítva X idő után (amennyiben nem szükséges pozíció tartás) kikapcsolja a motorvezérlőket. Gcode-ba nem is kell beletenni, mert nyomtatás után letelik az idő és Marlin magától kikapcsolja a motort. Rákerestem STK672-050-ra. Ennek is van enable jele, ezt kell bekötnöd. Ha az enable magas állapotban van akkor normál működési állapot, de ha alacsony állapotban van akkor kikapcsolódik. Csak annyi a probléma hogy A4988-asban az enable pont fordítva működik (azért is van enable felirat főlőt egy vonal). Meg kell nézni hogy a kódban hogyan lehet ezt megfordítani, gondolom a kód fejlesztői erre is gondoltak. Ha Marlin-t használsz itt a válasz Sok sikert!
Sziasztok! Van új videóm ha gondoljátok nézzétek a csatornám. Hátha tudok egy kis segítséget nyújtani...
Hali!
A Z motorok műanyagcső "tengelykapcsolóját" is ki kéne dobni.... Ha megbütykölöd rá a marlin2-t érdekelnének a config fájljaid, ill. ha mást is módosítottál rajta. Köszi.
Most még egyenlőre a menüjéből próbálom, az Enable lábon addig van 5V amíg nem indul meg a X tengely motorja valamilyen irányba.
Üdv
Igen, fordítva működik, részletkérdés.
Nekem a bajom a melegedés. Ezért kérdezem, ha esetleg valaki mérte, álló helyzetbe is ugyanakkora árammal fékez a A4988 , mint amekkora menet közbe a motor áramfölvétele? Mert az stk IC igen, amit szerintem hülyeségnek tartok. Mivel még nem értek ide a Z tengelyhez rendelt A4988-ak ezért kérdem, mert még nem ismerem a lelki világukat. Szerintem nem normális, hogy 2A-al fékez, pedig még nem is küldtem meg 24v-al. A másik ami tök furcsa, a ramps lcd modulja, a ramps-tól kapja a feszt, de úgy tűnik nem nagyon szereti a 12V-nál nagyobb feszültséget a mert a kijelző kontrasztja eltűnt, én meg megijedtem, hogy elrontottam, de inkébb nem szórakozok, majd kap 12v-ot a motor tápjától függetlenül. Üdv
Ha a kontraszt potija a bemeneti 12V-os tápra van kötve, akkor ha magasabb vagy alacsonyabb feszültségről táplálod, változik a kontraszt lábra jutó feszültség, így elállítódik. Vagy utánállítod, vagy átkötöd a potit egy stabilizált feszültségre.
A hozzászólás módosítva: Feb 24, 2019
Bocs, hogy beleugatok, de a kijelző kontrasztállító potiján max 5 volt lehet csak, nem? És eme 5 volt és GND között tudod állítani a kontrasztot.
Mindenképpen lesz infó róla bőven.
A kontraszt potit oda kötöd, ahova akarod. A poti értéke 100K körüli, az LCD kontraszt lábára odavezet, vagy elvezet egy minimális áramot. Hogy a potit 3.3V-ra, vagy 9V-ra kötöd az csak annyit befolyásol, hogy a poti melyik állásában lesz megfelelő a kontraszt. Az LCD-nek csak pár uA áram kell, mindegy, hogy honnan. De ha megnézed a zsoltee0001 vezérlőjének kapcsolási rajzát, mindjárt kiderül, hova van kötve a poti.
Ha megnézed ezt a kapcsolási rajzot: Bővebben: Link, sima feszültség osztásról van szó. 12V-ból is le tudod ugyanazt a feszültséget osztani, amit 5V-ból. A hozzászólás módosítva: Feb 24, 2019
Ahaaa, és ha a 12 voltra kötött potit 5v fölé tekered?
Mit csináltál a Z wobble ellen?
Már a 4. dologgal próbálkozok, de nem kielégítő az eredmény.
Mármint hogy hullámos az oldala?
Mint Te, csapágyaztam a Z orsó tetejét, ilyennel:Bővebben: Link az aljára meg tettem rendes Bővebben: Link Nagyságrendet javult, de még mindig üt egy kicsit a menetes szár, emiatt fordulatonként mozgatja a fejet előre hátra, de most kb nekem így megfelel, nem lövök vele nyulat, talán később cserélem másik menetes szárra (barkácsboltban válogatva), vagy trapézra. Trükközni is kell, mert a menetes szár átmérője kisebb a csapágytól, így ugyanúgy kóvályogna Lehet a tengelyek végeit is meg kéne fogni rendesen, pl SHF8-al,...Sörösdobozból tekertem a tengelyre
A potit sorba kell kötni egy ellenállással, és akkor nem lehet a tartományon kívül állítani a feszt
Megcsapagyaztam alul is. Most az egész motortartot is rázza... Nem tudom már mi kellene. Különben a kuplung miatt kovalyog.
Az a kuplung amit belinkeltel. Én is olyat vettem. Sajna nem kozpontosan illeszkedik a tengelyen. Ráadásul az egyik igencsak félre van furva.
Szerintem nálad is ez a gond. Ki kell hezagolni vagy rendelni normális kuplungot Udv
Ne tekerd feljebb. Adatlap biztos megmondja (vagy vezérlő IC), hogy mi történik. Csak meg kell érteni a kontrasz bemenet működését, kialakítását.
A hozzászólás módosítva: Feb 26, 2019
Megnéztem (mondjuk nem mélyedtem bele)
A kontraszt állító poti egyik vége a test, a másik és a középső össze van kötve és a modul kontraszt állító bemenetére megy. Ahogy a labortápon elkezdem emelni a ramps bemeneti feszültségét, először teljesen kivilágosodik a kijelző, majd lefagy, sípol (13V környéke) Nem kezdek agyalni rajta miért van, elfogadom, hogy oda max 12V köll. Üdv
Szerintem ez a fajta kuplung a jó:
Bővebben: Link
Köszi, megtaláltam ezt a sort amivel tudom a jelszintet magasra ill alacsonyra állítani.
Most már csak az kellene megoldani, hogy ne fékezzen 20W-al. Üdv |
Bejelentkezés
Hirdetés |












