Fórum témák
» Több friss téma |
Fórum » Oszcilloszkóp készítése házilag képcsőből, TV-szkóp
Témaindító: SD, idő: Aug 31, 2006
Témakörök:
Sőt, lehet, hogy induktivitás kell neki (szia)
Van az a része, hogy a TV-k nagyon jelentős részében a képcső anódfeszültségét a vízszintes eltérítéssel állítják elő.
Szóval nagyon nem lepődtem meg...
Kicsit "csaltam": egy másik totálisan meghibásodott tévé eltérítő tekercsét rátettem párhuzamosan az eredetivel, egy 1.5µF (eredetileg hálózati szűrő) kondenzátorral sorosan, így alacsonyabb beállítások mellett is elégséges fényerőt kapok.
Bizony így van, nekem van egy műszerkém, ami csipog, és a hangszóró nem csupán indikál, hanem indukál is, mert az indukciója aktívan részt vesz a hang előállításában is, nem csak a megszólaltatásában
Ha meg nem akarsz csalni akkor olvasd el ezt a cikket és találsz benne számodra hasznosat.
Neked valójában a 4. ábrát kéne megépíteni ami bár elsőre bonyolultnak tűnik, nem az. Ráadásul ha neked elég az egy csatorna (a rajz négy csatornás) akkor sokkal egyszerűbb lesz. A kistévédnek megvan a rajza? Ha megmutatod akkor belefirkálom, hogy hogyan kéne hozzá csatlakoztatni ezt az áramkört. A képcső nyakán jó eséllyel el fog kelleni fordítani 90 fokkal az eltérítő tekercseket. Esetleg erről mutathatnál képet. Én megépítettem ezt a rajzot, 2017-ben ez is része volt annak a vobblernek amivel a konstrukciós versenyen nyertem, jól körüljártam a rajzot.
Ez de bonyolultnak néz ki!!
Ehhez jelenleg abszolút nincs semmim hogy megépíthessek akár csak egyet is! A tévének pedig nincs meg a rajza, viszont nem egy bonyolult példány: olcsó, kizárólag analóg kábel bemenettel rendelkező ~6 colos fekete-fehér kistévé. (Az enyém a linkelttől csupán a burkolat színében és állapotában tér el.)
Azért nem annyira bonyolult, rágódj el rajta, még hasznodra lesz, ha megérted a működést. Igen szép dolgokat lehet így készíteni, lehet pont szerű, és vonalas markereket is készíteni. Sőt, ha kapuzott feszültséget mért, akkor feliratozhatod a marker feszültségét, vagy épp az idejét, frekvenciáját. Mikrovezérlővel aránylag könnyen megoldható, de egyszerű logikai áramkörökkel is kivitelezhető.
A nyakán az eltérítő tekercseket elfordítva egyszerűbben is elkészíthető, de akkor az eltérítő erősítőket neked kell elkészíteni. Az viszont nem más, mint egy combosabb, nagyobb áram leadására képes hangfrekvenciás végerősítő.
Volt ilyen érzésem, hogy erről a tévéről van szó. Én is ennek egy fajtájával építettem meg. Kivágom a rajzból a neked kellő részleteket, sőt a tévéd nagyfeszt előállító fokozatának és sorvégfokozatának kapcsolási rajza is megvan nekem, előkeresem és feltöltöm.
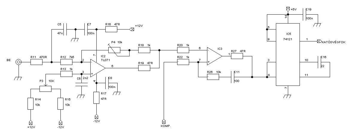
Kivágtam a rajzból a számodra felesleges dolgokat. Mellékelem a tv_szkóp_bem_fok nevű képet, ez az amit valójában meg kéne építeni. Műveleti erősítőnek (IC2, IC3) bármilyen általános műveleti erősítő megfelel (741, TL071, TL081...). Ha precíz akarsz lenni és amúgyis veszel alkatrészt akkor IC3-nak jobb, ha komparátort veszel azzal jobban fog működni. Egyedül a 74121 ami nehezen beszerezhető, de ez meg kiváltható egy 555-ös áramkörrel. Ha érdekel akkor lerajzolom hogyan.
Én annó visszafejtettem a tévé képcső körüli áramkörének rajzát, most hirtelen nem találom, de majdnem egy az egyben koppintottam a végleges munkában, ennek is a rajzát feltöltöm, pirossal bekarikáztam azt amihez nagyon hasonló áramkör működik a gyári panelen. Én a sorfrekvencia előállítására másik áramkört választottam, ez van megépítve a A250D-vel. Neked ez egyenlőre nem kell. Zölddel bekereteztem azt amivel neked ki kéne bővíteni a gyári áramkört. A narancssárgával bekarikázott áramkört egy TDA2030-al megépített végfok ami meg tudja hajtani a tévé eltérítő tekercseit. Hosszas kísérletezés eredménye és nálam nagyon jól működött. Ajánlom után építésre. A hozzászólás módosítva: Ápr 14, 2019
Atya világ!
Jelenleg egy hifi kimenetével bőgetem meg a vízszintes tekercset (párhuzamosan egy monitorozó hangszóróval), viszont nem valami nagy a kitérés, látszódhatnának kicsit jobban is a "tüskék" és "hullámok"... ![]() Szóval, nekem nem kell bonyolult dolog, csupán a hang hatására bekövethező kitérést kellene valamivel növelni hogy jobban látszódjon a megjelenített hangjel...
Akkor, mint ahogy írták már szükséged van egy hangfekvenciás erősítőre, amivel az eltérítő tekercset meghajtod.
(A jelenlegi párhuzamos monitorozó hangszórórat kösd le és úgy próbáld meg, akkor mit látsz. Jobban ki tudod vezérelni vagy sem.)
Akkor építsd meg a kepcsofok.jpg képen narancssárgával bekeretezett áramköri részletet, ez egy HF végerősítő ami arra lett tervezve, hogy kivezérelje a képcső teljes szélességét. Annak a bemenetére kötöd a HF jelet amit indikálni akarsz és már csodálhatod is a képernyőn.
Apropó mind vízszintes mind függőleges irányba kell eltérítés? Mert akkor kétszer kell megépítened. Amúgy ha megépíted a mutatott teljes áramkört (ami valójában a bemeneti fok és a zölddel bekarikázott részlet volna + a narancssárga de ezt így is úgy is kell) akkor tök jó vizuális effekteket rajzolhatnál a kijelzőre, mindenféle grafikákat akár ARDUINO-val vagy szimplán a PC hagkártyájával.
Jelenleg a monitorozó hangszóró nem befolyásolja, sajnos nélküle se tudom jobban meghajtani.
Ugyan bonthattam volna egy másik meghibásodott tévéből kimeneti erősítőt, de sajnos pont az az alkatrész hibás... Ezen kívül pedig csak teljesen hétköznapi sztereo erősítőm van...
Csak mono megjelenítés is bőven elég nekem, tehát csak a vízszintes tekercset kell meghajtani...
Úgy látom építeni nem szeretnél, hanem csak legózni
![]() Akkor bonts valahonnan egy erősítő modult, pl. régi autórádió, régi Videoton/Orion tv hang/kf modul, PC aktív hangdobozból, stb.
Egyenlőre megkíséreltem volna egy ilyet, de ha már ennek építésébe is "belekavarodok" akkor egy bonyolultabb áramkör esetében már elvesznék "mint akit minden előzetes ismeret és eszközök nélkül leszórtak a dzsungel közepébe"...
![]() Bevallom hogy inkább a hibákat van nagy érzékem megtalálni valami meglévő dologban, mintsem építeni valami újat... A hozzászólás módosítva: Ápr 14, 2019
Az pozitív, hogy tudod a képességed határait, de szerintem ha eddig eljutottál ne add fel. Pár tranzisztor vagy egy modul összekötése nem a világ.
Pedig ez egy tök jó tanulós áramkör lenne amivel sok minden újat megismernél. Részegységekre bontható így külön külön egyesével is meglehet építeni, a hibalehetőség minimális, az is könnyen izolálható mivel az áramkörben nincsenek egymástól függő részek. Az a ketyere amiben a mutatott rajzrészlet működik több mint 5 hónap aktív barkácsolás eredménye amiből összesen 3 hónap a hibakeresésekre és azok megoldására ment el.
Az, hogy a linkelt tranyós erősítő nem sikerült az ne zavarjon, diszkrét alkatrészekből építeni áramköröket szép dolog, de sokkal nagyobb elméleti háttértudást igényel mint az egy IC-s áramkör.
Ott kezdődik a dolog hogy konkrétan gőzöm sincs hogy a tranzisztor melyik lába melyik a kapcsolási rajzon, vagyis a rajzjelet kellene társítani egy fotóval és beszámozni hogy melyik láb melyik...
A tranzisztor rajzjelénél a nyilas ferde vonal az emitter, a nyíl nélküli ferde vonal a kollektor és az egyenes vonal, amelyik a csík közepére megy, na az a bázis.
Itt is megtalálod. A többi infót pedig az adott tranzisztor adatlapjában.
Ha küldesz egy mail címet privátban akkor a húsvéti szünetben szívesen küldök magyar nyelvű tananyagokat amik pont ezeket az alapokat magyarázzák el.
Összeraktam egy ilyen általános képet. Ezen kellene midkét kiszerelésű tranzisztornál beszámozni a lábakat a rajzjelnek megfelelően...
A hozzászólás módosítva: Ápr 16, 2019
Szia!
Mindig a konkrét típust kell nézni és nem a tokozás képét. Ezért kell adatlapokat böngészni... Addig is néhány általánosabb bekötés: Bővebben: Link.
Egy legáltalánosabb lábkiosztásra gondoltam volna ami a legtöbb típushoz alkalmazható...
Ha meg nem alkalmazható, akkor meg könnyen kijöhet a füst is a tranzisztorból...
Például nézd meg, BC182: Bővebben: Link Ott van pont az a rajz, amit keresel. Keresésnél, ha a tranzisztor típusa magában nem ad találatot, akkor próbáld meg kiegészíteni a "datasheet" vagy a "pdf" szavakkal...
Meg fogom nézni, csak most valakinek a laptopját telepítem...
Más adatlapok meg néha kicsit több képzelőerőt igényelnek, mert pl a tokozás nincs 3d-ben lerajzolva, csak alul vagy felülnézetből, de azt is oda szokták írni...
Ezt a tranzisztort találtam. A rajzjel számait kellene a lábaihoz társítani...
|
Bejelentkezés
Hirdetés |




Ehhez jelenleg abszolút nincs semmim hogy megépíthessek akár csak egyet is! A tévének pedig nincs meg a rajza, viszont nem egy bonyolult példány: olcsó, kizárólag analóg kábel bemenettel rendelkező 

Jelenleg egy hifi kimenetével bőgetem meg a vízszintes tekercset (párhuzamosan egy monitorozó hangszóróval), viszont nem valami nagy a kitérés, látszódhatnának kicsit jobban is a "tüskék" és "hullámok"... 

Ugyan bonthattam volna egy másik meghibásodott tévéből kimeneti erősítőt, de sajnos pont az az alkatrész hibás... Ezen kívül pedig csak teljesen hétköznapi sztereo erősítőm van... 







