Fórum témák

» Több friss téma
Fórum » Csöves erősítő készítése
 
Témaindító: seedz, idő: Márc 31, 2006
Témakörök:
Ne feledd betartani a fórum viselkedési szabályait, és a topik megmaradásának feltételeit. [link]
A téma átmenetileg fagyasztva lett, hozzászólni nem tudsz!
Lapozás: OK   166 / 2208
(#) zolee1209 válasza CHZ hozzászólására (») Jún 12, 2008
Megtaláltam az előző hsz-t, ami az R-vasmagról szólt! Tetszenek róla a képek! De ha már a visszaolvasásnál járunk (és ezt nem neked címzem) erre a két kérdésemre még nem kaptam választ...
(#) CHZ válasza zolee1209 hozzászólására (») Jún 12, 2008
Igen lehet ez optimális illesztő ellenállás ennél a csőnél .
Az Ra vagy Raa a munkapontól , tápfesztől is függ , nagyobb táp esetén növekszik az értéke .
6P45C 400V esetén kb. Raa 2k...
(#) zolee1209 válasza CHZ hozzászólására (») Jún 12, 2008
Köszönöm szépen a választ. A transzformátor megtekerésében esetleg tudsz segíteni, vagy valami "használható" , egyértelmű módszert? (az a következő hsz-ben említettem)
(#) CHZ válasza zolee1209 hozzászólására (») Jún 12, 2008
Ott rengeteg trafó méretezéséről írnak .
Te mihez szeretnél kimenőt ?
Milyen vasra ?
Stb.....
(#) CHZ válasza zolee1209 hozzászólására (») Jún 12, 2008
Sulidban Kvalla úr is tudna Neked segíteni ebben a témában .....Ő nagyon vágja ezt
(#) zolee1209 válasza CHZ hozzászólására (») Jún 12, 2008
Van/lesz két darab 6P45C csövem ebből szeretnék erősítőt készíteni. Csak nem tudom, hogy sztereo SE-t, vagy egy PP-t készítsek. SE-hez találtam egy kapcsolást, PP-hez még nem. Nem tudom, valamelyik kapcsolásba megfelelne-e ez a cső?! A lemezből két vastagságú van itthon, a vékonyabból (mert azt olvastam, hogy az a jobb), kb 15-18cm2-re való van itthon, de ez két SE-re nem elég...
(#) CHZ válasza zolee1209 hozzászólására (») Jún 12, 2008
Ha döntesz és minden adatot közölsz , biztos tudunk segíteni .
A vas jó lesz , csak elegendő legyen.
Az SE rajzodhoz ott a kimenő terve is .
Légrés méretezése nem akkora gond , illetve egyszerűbb a működő végfokban , szkóppal figyelve beállítani
(#) zolee1209 válasza CHZ hozzászólására (») Jún 12, 2008
Szívesen kipróbálnám a PP-t a tejesítménye miatt...
De szkópom még nincsen, hogy a légrést beállítsam...
A közlendő adatok alatt mit értesz, mi hiányzik még a segítség nyújtásához?
(#) CHZ válasza zolee1209 hozzászólására (») Jún 12, 2008
A PP -hez nem kell légrés , tehát ez megoldva .
A vas pontos méretei és kapcs . rajz .
A képen pont hiányzik az a méret ami megadja milyen hosszú lehet 1 sor tekercs a csévén , ez pl. nem ártana.

(#) zolee1209 válasza CHZ hozzászólására (») Jún 12, 2008
Ezaz, hogy PP-hez még nem találtam 6P45C-vel rajzot, de nem tudom, hogy másik cső kapcsolásával mennyire működne?! Azt tudom, hogy a kivenni kívánt teljesítmény és alsó határfreki növeli a vaskerszetmetszetet, de mi az ésszerű határ a frekvenciában?
(#) cruisher válasza zolee1209 hozzászólására (») Jún 12, 2008
Ne csak 6p45c re keress hanem PL/EL 509re vagy 519re, mivel az orosz cso ezeknek a megfeleloje. En most keszulok egy APX100at atalakitani, ennek is pl509 vege van, a meghajtas pedig williamson lesz ecc82esekkel.
(#) djhans válasza CHZ hozzászólására (») Jún 12, 2008
Van két 8cm2-es hiperszil magtrafóm. Akksi töltőben volt 150VA tudott ott. Szeretnék velük PP kimenőt csinálni mivel a 2 cséve miatt teljesen szimmetrikus tekercsket lehet csinálni velük. Az lenne a kérdésem hogy két EL84-el tudna-e 10-12w-ot jó minőségben?
(#) CHZ válasza zolee1209 hozzászólására (») Jún 12, 2008
Ha zenére akarod minőségi hallgatózásra akkor érdemes megcélozni a 20-30Hz -et , de akkor szteroban .
(#) CHZ válasza djhans hozzászólására (») Jún 12, 2008
Teljesen megfelelő lesz , érdemes megcsinálni , viszonylag egyszerű kivitelben is jó eredményt fog produkálni .
(#) zolee1209 válasza CHZ hozzászólására (») Jún 12, 2008
Akkor nem keresek most egy ideig PP kapcsolást a csőhöz! Meglesz két SE... Valamikor...
Amúgy megépítéshez mit javasoltok? Légszerelés, vagy panel?
(#) abraboro hozzászólása Jún 12, 2008
Itt pár rajz 6P45C pp-ről
(#) abraboro válasza abraboro hozzászólására (») Jún 12, 2008
És még egy.

6p45spp.GIF
    
(#) zolee1209 válasza abraboro hozzászólására (») Jún 13, 2008
Én egy ehhez hasonlót nem találtam... :no:
bár az első kapcsoláson az 50W-os ellenállás kicsit durva számomra!
(#) JZoli hozzászólása Jún 13, 2008
Felismeri valaki erről a képről ezt a csövet? A felirat ugyanis lekopott róla, csak egy 8-as maradt meg, abból pedig én nem tudom azonosítani.

Cső.jpg
    
(#) JZoli hozzászólása Jún 13, 2008
Hali! Tudna nekem valaki segíteni abban, hogy csővel szeretnék építeni egy RIAA korrektort. Több kapcsolást is átnéztem, de mindegyikkel volt valami probléma.Tudtok valami jó kapcsolást erre a témára nekem? A másik: úgy vettem ki az itteni hozzászólásokból, hogy a jobbik megoldás az ha jel útjában vannak a töréspontbeállító tagok, és nem a visszacsatolásban helyezkednek el. Miért van ez így? Az elektroncső.hu-n van ugyan fent egy ilyen kapcsolás, de nincs odaírva a tápfesz nagysága, tudná valaki, hogy mekkora "villany" kellene neki?
(#) Imi65 válasza JZoli hozzászólására (») Jún 13, 2008
Ez lehet - ilyen hosszú trióda anóddal - akár (E)PCL82 is.
(#) EcoPityu válasza JZoli hozzászólására (») Jún 13, 2008
Több szögből kéne lekapnod a csövet!
(#) EcoPityu válasza JZoli hozzászólására (») Jún 13, 2008
Linkeld ide a RIAA -t, és mi megsaccoljuk, mekkora delejre mozdulnak az elektronok...
(#) EcoPityu válasza zolee1209 hozzászólására (») Jún 13, 2008
Az RT-évkönyves kapcsolás is nagyon jó, tud 500v-ról 120w-ot! Nézd meg az "Ecopityu csöves multjában"
Ott képeket is találsz. Én annó azt még nyákra készítettem, mert kicsit bonyi, de így kisebb helyen elfért, mint forrléces légszerelt verzióban. Nameg az is igaz, hogy most nyáron, ha átépítem, könnyebb dolgom lesz, mert ki a panel, be a panel...
(#) dxzo4z válasza JZoli hozzászólására (») Jún 13, 2008
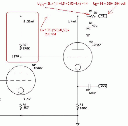
Az elektroncso.hu-s RIAA tápfeszültségét korábban már valaki kiszámolta itt a fórumon, én csak idézem. (Még jó hogy annó letöltöttem, mert ennyi hozzászólás közt már macerás lenne megtalálni! )

riaa.gif
    
(#) CHZ válasza zolee1209 hozzászólására (») Jún 13, 2008
Mind 2 lehet jó , az adott szitu szabja meg melyik előnyösebb és persze a lehetőségeid .
(#) CHZ válasza JZoli hozzászólására (») Jún 13, 2008
Én kipróbáltam a passzív és aktív RIAA korrektorokat is .Nekem az aktív sokkal jobban teljesített , nevezetesen az ARC SP 8 ami utánépítve leverte az előzőket .Ha visszakeresel fentebb már kitárgyaltuk ezt is .....
(#) JZoli válasza dxzo4z hozzászólására (») Jún 13, 2008
Igazad van ezzel aszámítási móddal, én is kiszámoltam, viszont ha a másik ellenállással számol az ember akkor teljesen más feszültség érték jön ki. Akkor most melyiket kell igaznak tekinteni. Igazából ez a probléma amiért megkérdeztem ezt a tápfesz értéket. Amúgy köszi, hogy foglalkoztál ezzel a problémával.
(#) dxzo4z válasza JZoli hozzászólására (») Jún 13, 2008
Melyik másik ellenállásra gondolsz? Az R11-re? Mert nekem azzal stimmel. 148V + 1.1mA x 120Kohm = 137V + 0.53mA x 270Kohm = 280V
(#) JZoli válasza dxzo4z hozzászólására (») Jún 13, 2008
Oké, tényleg igazad van, én néztem el valamit.Köszi mégegyszer.
Következő: »»   166 / 2208
Bejelentkezés

Belépés

Hirdetés
XDT.hu
Az oldalon sütiket használunk a helyes működéshez. Bővebb információt az adatvédelmi szabályzatban olvashatsz. Megértettem