Fórum témák
» Több friss téma |
Újra mértem, én inkább úgy fogalmaznék, hogy ez lehet a hiba, ami miatt nem pörög fel a centrifuga, szakadt az egyik tekercs.
Minden valószínűség szerint ez a lábkiosztása.
Köszönöm, ez sokat segít.
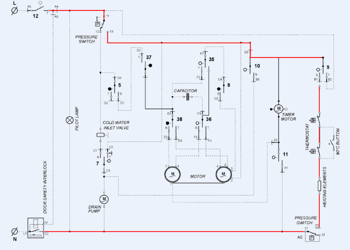
9-10 láb hőbiztosíték, azt vajon hol találom?
Ez nagy segítség a tovább lépéshez.
Szóval ha jól értelmezem, a motor ha megkapja a "0"-át a 8-as lábra és a maradék két kivezetés (centrifuga 5,6 láb) egyikére fázis, másikra a kondi (segédfázis) akkor elindul a motor, ha megcserélem a két fázist, akkor ellenkező irányban kezd forogni? Így teljesen logikus a motor 5 kivezetése!
Szia!
Jó értelmeztem a motor bekötését? 0 közös és a "két motor" négy érintkezőn? Ha ebből egy szakadt (nálam ez a 3.láb), akkor meg van az ok, miért nem megy a magas fordulatú centrifuga!
Helló mindenki.
Van egy problémám,amit szeretnék megoldani a ti segítségetekkel. Sole mosógép motor típus 20572702. Találtam egy bekötési rajzot és működik is, csak az a gondom, hogy mosás üzemnél eléggé melegszik a motor. Kb 3 perc üzemeltés után 60 C fokra melegedett. Mennyire normális ez? Minden valószínűség szerint ez a lábkiosztása. IMEP-lábkios...jpg
Szia! Bővebben: Link
Az adattáblán is ez a kapacitás érték van feltüntetve ehhez a fordulathoz. A másik dolog pedig ezek a motorok nem folyamatos hanem szakaszos üzemre készültek. A néhány perces üzem utáni 60 fok az lehet, hogy sok egy kicsit de a kondenzátor kapacitása az az előírt értékű?
Szabályzás nélkül szét is pörgik magukat
Nem lehet őket hálózati feszültségről üzemeltetni.
Szia! A kefés motorok tudnak túlpörögni soros bekötés esetén, az említett motor viszont aszinkron motor.
Sziasztok! Inverteres AEG Electrolux motorját hogyan lehetne bekötni szabályozható fordulatra?
Átírod a mikrovezérlője programját és beleilleszted a potmétert, mint szabályzóelemet.
Szervusztok fórumlakók!
Egy olyan problémában kérem a segítségeteket, ami teljesen idevágó: mosógép motor bekötése. ![]() A mellékelt képeken látható módon elszenesedett egy Fagor mosógépünk motor csatlakozója, és a kérdésem: hol lehet ilyen csatlakozót szerezni? Ha tudnátok segíteni, előre is köszönöm.
Szia!
Még mielőtt egy fillért is költenél rá, nézd meg, hogy a motoron lévő tachogenerátor jó maradt e. Ezen kívül célszerű a programkapcsolót is szemrevételezni, nincs e égési nyom. A történet ehhez, a kolléganőm Fagor mosógépe járt így. Ott a szélső két kivezetések voltak a tachogenerátor pontjai. A kiégés során szakadt lett a tachogenerátor tekercse, valamint a programkapcsoló is kiégett. A vége egy új mosógép lett.
Köszönöm, de nem erre gondoltam. Az inverter panel egy külső egység, ami kap egy 230V-ot, feltételezem egy GND-t és +5V-ot és még két ér van feltételezem abból csak egyet használ amin jel vagy feszültség változásra indul, szabályoz fordulatszámot. Olyan hozzászólást szeretnék aki már csinált ilyet vagy legalább hasonlót!
Keresd meg az inverter adatlapját! Mi még a típusát se tudjuk.
![]() Az automata mosógépek mosás közben ide-oda forognak ~azonos fordulatszámmal, centrifugánál egy irányba max-ig felgyorsulva. Minden indításnál vizsgálja a processzor a víz jelenlétét és a terhelést. Tehát nem csak "megy-nem megy, és felpörget.
Nos maga az inverter külön van elhelyezve a gépben, nem a vezérlő panelen. Egy driver IC hajtja meg a motort. Az újabb mosógépek nem, szárítókban és hűtőben találni ilyet. Mivel nincsen a motoron thaogenerátor nem vezérlő figyeli a fordulatszámot. Ezért gondolom, hogy jelalak vagy feszültség szint szabályozza a fordulatot.
Szia!
Köszönöm a linket, de az a csatlakozóval szerelt kábel, az pont az ellendarabja az elégett csatinak. Így ez sajnos nem megoldás.
Köszönöm a tippet, megnézem a többi részegységet, látszik-e rajtuk valami.
Idézet: „Ott a szélső két kivezetések voltak a tachogenerátor pontjai.” Ezt a "szélső két kivezetést" a csatlakozó két szélén lévő pontokra érted? Valakinek ötlete, hogy ilyen csatlakozója kinek lehet, van-e?
Szia, feltétetelezem, hogy ehhez hasonlóan kell bekötni,
a 2-3 titokzatosan különálló tekercs is látszik. http://www.service-ruse.eu/forum/topic.php?forum=1&topic=614 A hozzászólás módosítva: Márc 3, 2020
Adott egy régi automata mosógép motor
Rávan irva 3.3A /220 ,volt 90watt Na ez hogyan jön ki valaki elmagyarázná ,valamiről lemaradtam anno az iskolában ?
Motoroknál a tengelyen leadott teljesítmény volt az adattábla alapja régen. A kínaiak 1000W pmpo-t írtak volna már akkor is rá.
Mi ?
Beviszek 6-700 wattot oszt kijön 90watt érthetőbben nem tud valaki választ adni ? Régebbi motor nem kinai szóval még nagyottmondás is kizárva!
A 3,3A a maximális áramfelvételt jelenti. Jellemzően induláskor. A 90W meg a folyamatos üzemben leadott teljesítmény. Tehát a két dolog nem egyszerre igaz.
A cos φ -ről biztos hallottál. Ráadásul a terheléstől függően változik is.
Kell hozzá külön egy frekiváltó.
Helló! segítséget szeretnék kérni mosógépmotor bekötésével kapcsolatban.
A típusa Whirlpool Fl-244-500 Centrifugás bekötését szeretném megtudni ha lehet, egyszerűen leírva, nem vagyok nagy hozzáértő. 5 vezeték jön ki a motorból és van hozzá egy kondenzátor is. Köszönöm!
Szia! Az volna a legcélravezetőbb ha ki tudnád mérni a motor tekercseinek az ellenállását. Ha az alábbi képen látható kiosztást veszed alapul és stimmelnek az ellenállás értékek akkor eszerint kösd be. Azt jó tudnod, hogy a centrifuga (nagy fordulat) forgásirány az nem fordítható csak a forgórész átfordításával.
Az rendben van, ha megmondod hogy kell mérni. Van egy multiméterem amivel elvileg tudok ellenállást mérni. Nem vagyok műszerész ezért még nem mértem. Hogyan tudom lemérni multiméterrel? mire állítsam illetve melyik végét kell a vezeték végére illeszteni?A fehér vezetékekre külön külön jó lesz?
|
Bejelentkezés
Hirdetés |









Az adattáblán is ez a kapacitás érték van feltüntetve ehhez a fordulathoz. A másik dolog pedig ezek a motorok nem folyamatos hanem szakaszos üzemre készültek. A néhány perces üzem utáni 60 fok az lehet, hogy sok egy kicsit de a kondenzátor kapacitása az az előírt értékű?











