Fórum témák
» Több friss téma |
Fórum » Csöves erősítő készítése
Ne feledd betartani a fórum viselkedési szabályait, és a topik megmaradásának feltételeit. [link]
A téma átmenetileg fagyasztva lett, hozzászólni nem tudsz!
Nekem nagyon tetszik a hangja.Tisztán,részletezően szól,a mélyei is nagyon rendben vannak,hallani azt az igazi csöves hangzást.
Kicsi brummja viszont van,de ez nem a kapcsolás hibája. Még annyit a kimenőről,hogy az eredeti leírás alapján elkészíthetetlen.Egyszerűen nem fér rá a csévére az előírt menetszám+még a szigetelés.Én kevesebb szigetelést raktam. üdv.
Bocs nem ledorongolás volt a célom !
Csak a hibás nézeteket szerettem volna tisztázni , mint most is ..... Amit írtál az magyarázatnak nem ok , mivel ha PP-re gondoltál , akkor teljesen mindegy , hogy UL vagy nem ... PP esetén nem szükséges a légrés . Te ezt írtad: " De ne ijedj meg az UL-től tök egyszerű,és akkor légrés sem kell "" Még egyszer kérlek ne haragudj , de nem akartam , hogy ez így maradjon , Neked sokan elhihetik , hogy UL esetén nem kell légrés . Másik kérdésben meg kérlek próbáld ki , kb. 50-100mA nyug. áram mellett felmágnesezett vasat kimozdítani a csévéből , széthúzni annyira , hogy betégy valamit. Nem fog menni , de majd meglátod .
Látom nem akarod érteni miért javítottam mondandód .
Légrés... Csak azt kérem próbáld ki ... Lazítással nem érsz el semmi változást , a vasmag tökéletes elekromágnesként viselkedik , nagy erő tartja össze .Abban az esetben működhetne a dolog , ha valami igazán erős rugalmas anyagot tennél a résbe .
köbzoli nyílván nem arra gondolt, hogy felmágnesezett vasnál cserélgeti a légrésben a papírt, hanem arra, hogy rákötött szkóppal lehet következtetni, hogy növelni vagy csökkenteni kell-e a légrést az indulóhoz képest, hiszen ha már van egy alap légrés berakva, késsel alá lehet feszíteni (felmágnesezve is), illetve növelni lehet az összeszorítást (hiszen valamekkora rugalmassága van a légrésben lévő anyagnak is), a szkópon azonnal látható a változás (én is mindig így jutok el a megfelelő légrésméretig).
Az új légréssel (ami már lehet, hogy jó is) aztán lehet újra mérni.
Nem a szkóppal való beállítás ellen beszélek , az teljesen jó .
Próbáltam én lazítani a vas összeszorításán semmi nem változott , 0,1mm papír volt bent , meglazítva kikapcsolva betett +0,1mm már segített . Nekem felmágnesezve nem ment még az a vékonyka papír behelyezése sem . Régebben , le is fotoztam , ime a változás
Értem én, csak arra próbálok rámutatni, hogy a precíz (nyelvtanilag és szakmailag) megfogalmazás roppant hosszadalmas és körülményes tud lenni, sokszor egyszerűbb ha kicsit globálisabb megfogalmazásban gondolkodunk, feltételezve a másik jószándékát, mert mindegy \"minek nevezzük a gyereket\", a lényeg hogy becsináljon a pelusba.
Akkor ha egy PP kapcsolásban leágaztatom az UL-hoz a tekercseket, akkor kell légrés vagy nem? Kicsit összezavarodtam
A szkópos méréshez annyi, hogy én menet közben tuti hogy nem fogok belenyúlni az erősítőbe. ![]() Az előző két elméleti kérdésemet valaki meg tudná válaszolni légyszi? (Külön trafóról fűtés, és DC fűtés mikor kell)
Átnézegettem a kapcsolást. Elsőre nem tűnik vészesen bonyolultnak. Csak sajnos a PL500 meg az 504-et anódsapkával kéne betenni, ezért szerintem maradok az Audio Innovations 700-asánál, az EL34-ek valahogy jobban tetszenek.
Más: Nemtudom ezt láttátok-e: PL508 csővel Ami nekem érdekes, hogy a visszacsatoláson árnyékolás van, de ti biztos láttatok már ilyet kapcsolásban.
1, PP kapcsolásban nem szükséges légrés, mert a középen táplált kimenőtrafó tekercsein ugyanakkora egyenáram folyik, csak előmágnesezés szempontjából ellenkező irányban, így a vas nem mágneseződik fel (az, hogy ultralineár vagy sem, az ezen nem változtat).
2, Természetesen a fűtés mehet külön fűtőtrafóról is. 3. DC fűtés célja, hogy a fűtés és a katód közötti kapacításon keresztül zavarfeszültség (brumm) ne kerüljön a rácskörbe. Ebből következően akkor van nagyobb jelentősége, ha kisjelő a fokozat (mert akkor az átszivárgó brumm zavaró mértékű lehet a hasznos jelhez viszonyítva (mikrofon erősítő, RIAA korrektor, általában előerősítők)), illetve közvetlen fűtésű cső alkalmazása esetén. Mivel ez az átcsatolt brumm nagyimpedanciás, elsősorban nagyimpedanciás fokozatoknál jelenthet problémát.
Nekem is jobban tetszenek az EL34-ek,pont a felső anódkivezetés hiánya miatt.De sajnos amikor ezt az erősítőt építettem még nem nagyon volt pénzem csöveket venni,maradt tehát a FF TV bontás.Az összes cső bontásból származik.
Egyidőben írtunk, csak én lassabban, nem baj, ismétlés a .....
Köszönöm a válaszokat. Így már világos a AI S700 tápja. (Kivéve a nagyfesz részt, meg hogy a 6.3V-osak miért szimmetrikusak
) Tudtok esetleg olcsóbban EL34-es csöveket? 3500Ft/db ár alatt eddig nem nagyon találtam.
Még csak most kezdem tanulgatni a csöves technikát (lévén hogy én már a tranzisztoros világba születtem bele, meg a processzorokba, amint a profilomból kitűnik
), úgyhogy nézzétek el ha alapvető dolgokat kérdezek.Az alsó rész az tiszta. Az erősítő kisjelű részeihez (ECC83), 6,3 V-os DC fűtés. A sztereó két oldalhoz közös. Negatív ága megy a közös földpontra. Ezt én egy külön 1-1,5 A-es nyáktrafóval gondolnám megoldani A felette levő két szimmetrikusra tekert szekunder tekercs oldalanként az ECC82-t és az EL34-eket fűti. Ezek szerint ezek a tekercsek +3.2V 0 és -3.2V lenne? És a 0 megy a közös testre. Ezt a két tekercset én egyben, szintén egy aszimmetrikus kis trafós megoldással építeném. Esetleg ha áthallás lehet, akkor külön külön egyel. A feszültség kiközepeléséhez akkor viszont valami más kapcsolástechnika kell, mert ugye aszimmetrikus a trafó. Ezen kívül a 6.3V-ot talán 8-ból kell majd mondjuk egy ellenállással lecsökkentenem, mert olyat könnyebben szerzek. Az anódfeszt előállító résznél a kapcsolót felül nem értem igazából, ott van egy RC szűró talán, amit valamiért kapcsolni lehet. Ami még furább nekem, hogy az Érintésvédelmi földet is oda jelöli bekötni. Ez valami testpont és év. föld közösítő lenne? Nem látok a tápban például az elkókkal párhuzamos ellenállásokat sem. Egyelőre ennyi Remélem nem fárasztó.
Számomra is
Meg ha jól tudom Imi is szereti őket! jó lenne vagy 4 belőle nekem is
A test azon az RC tagon keresztül van összekötve az érintésvédelmi földdel, ami a kapcsolóval söntölhető, azaz galvanikusan is összköti a testet a földdel (fém sasszival). Ilyen kapcsolót még csak hangszererősítőkön láttam (ground lift), hogyha kettőt , vagy többet összekötnek, akkor ,hogy ne alakulhasson ki földhurok, az egyik erősítről leválasztják a földet. Itt nem tudom miért van? talán ha két monblokkot használnak ....
Azért én kötnék az elkókkal párhuzamosan 220kOhm/2W-os ellenállásokat, jó az ha van! annyit meg nemfogyaszt, hogy ne maradjon a csöveknek
![]() Amúgy szerintem sem jó annyi külön fűtéstrafó, egyrészt mert nem fér el Másrészt meg annyi kis fullra gerjesztett nyáktrafó össze vissza fogja szórni a vezetékeket , alkatrészeket...stb ha már mindenféleképpen külön lezs a fűtés, és anód, akkor legyen egy "nagyfesztrafó", meg egy az összes fűtésnek..szerintem
Most kínáltak nekem gyári táptrafót 2*6,3v+2*230V. A tulaj szerint 150VA-es és EI lemezes.Meg is venném de nekem 2*300v kell.Ha érdekel valakit megadom az úriember elérhetőségét.
üdv.
Igaz, hülyeséget írtam a -3.2 +3.2-vel. 3.2 szimmetrikust akartam kinyögni. Azért akartam a fűtéseknek külön trafót, mert csak egy 50W-ra elég toroid vasam van anódfeszhez. De végülis csinálni vagy csináltatni kell egy teljesen újat, mert az 50W se lenne elég.
Az anódfeszt előállító részt én EZ81-esel csinálnám. Emiatt gondolom nagyobb feszültségűre kéne tekerni. Ha jól látom adatlapból akkor 250V kell az EL34-eknek. EZ81-el mennyivel kell több? Ja sikerült szert tennem 4 válogatott EL34-re is, viszonylag jó áron, úgyhogy köszönöm a felajánlást de nem élnék vele.
Szia! Vaterán találsz egy 4 db-ps pack-ot, 2000 forint+ szállítás! 6P45* néven keress, és találsz más variációkat is!
csöves egyenirányításnál általában úgy szokott lenni, hogy amennyi a váltó, annyi lezs az egyen, vagyis sacperkábé. Szóval pl. 2x230 volt váltó az EZ81 után kb 230 volt DC lesz , vagy egy kicsit több.
Tudom , én is vaterás vagyok
Azt a pakkot láttam, de darabja 2000, amúgy már beszéltem egy fickóval, de nincs gempa
Lehet hogy valamelyik másik aukcióval keverem össze, de mintha annál rákérdeztem volna, hogy hány darabra vonatkozik az ár, és mintha egyet mondtak volna... De lehet, hogy nem ez volt az! Nincs esetleg javaslatod, hogy anódsapkát hol tudok olcsón beszerezni a csőre? Olyat, ami szigetelt? Vagy jó lenne a booster-dióda sapija is, mert egyet kipróbáltam, hogy lecsiszolom az alját, csak nagyon rövidre szedtem és így már hozzá lehet férni a fém részekhez!
Nagyon ragaszkodsz ehhez a kapcsoláshoz ?
Kezdetnek inkább a WILLIEMSON PP -t javasolnám , bombabiztos jó hanggal , egyszerűbb is .
Nem ragaszkodom feltétlenül hozzá, csak nagyon profinak tűnt. PP ,UL -el és A osztályú is ezért tetszett meg. Mindenkép egy átlagos csövesnél jobbat szeretnék kihozni. Lesz segítségem is az építésben aki nálam tapasztaltabb.
Sajnos a Williamson-t nem ismerem. Abban is EL34 van, mert olyanjaim vannak 4db?
A DY kupakra gondoltál, nem? Mert a PY-nak nem volt szigetelt sapija, csak egy kis ferrit rudas induktivitás volt rajta általában, a PL-é meg végig drót, de ez is csak az utolsó szériákon.
100mA volt a katódáram mert 1ohmot betettem a katódba és azon mértem a feszt. Ekkor 23,4V az előfesz most mértem meg. Az anódfesz meg 360V. Ha a katódáram 100mA akkor az anódáram csak kisebb lehet.
CHZ felvetése a kapcsolástechnikára vonatkozik, nem a csőtípusra. EL34-et - mint ahogy bármely más csövet - lehet sokféleképpen kötni.
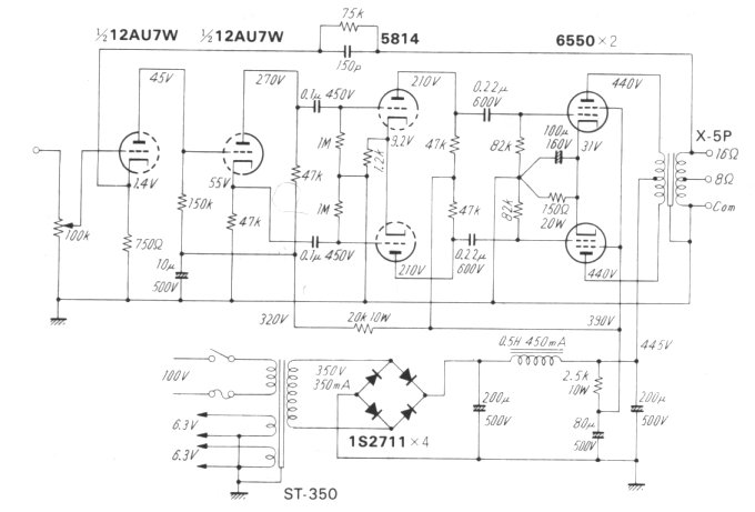
Nézd csak meg ezt a rajzot. Ebben ugyan nem EL34-ek vannak, de az elméletét lekövetheted. Ez ugyan nem UL, de semmi akadálya, hogy azzá tedd.
|
Bejelentkezés
Hirdetés |





) Tudtok esetleg olcsóbban EL34-es csöveket? 3500Ft/db ár alatt eddig nem nagyon találtam. 

