Fórum témák

» Több friss téma
Fórum » Erősítő mindig és mindig
Mielőtt kérdezel, a következő két dolgot ellenőrizd! I. A helyes tápfeszültségek megléte. II. A kimeneten van-e egyenfeszültség. Élesztés.
Lapozás: OK   2220 / 2571
(#) eyess válasza mlaci989 hozzászólására (») Dec 28, 2019 /
 
Na valami eredmény végre.Nem tudom van e két műszered , mert akkor az ehhez tartozó kimeneten kellene mérni , hogy nincs e dc kint .Ha nincs esetleg mehet rá egy hangszoró , és az ujjaddal egy bemeneti pontot megérintel a hangfalnak búgnia kell.
(#) mlaci989 válasza eyess hozzászólására (») Dec 28, 2019 /
 
Szkóp meg jelgenerátor gondolom megfelel. Mindjárt rálesek.
(#) eyess válasza mlaci989 hozzászólására (») Dec 28, 2019 /
 
Tökéletes igen
(#) mlaci989 válasza eyess hozzászólására (») Dec 28, 2019 /
 
Meghajtó ic 1 es lábán -0,2Volt ez most némításban lehet?
Nem nagyon megy át semmi a rendszeren.
A hozzászólás módosítva: Dec 28, 2019
(#) eyess válasza mlaci989 hozzászólására (») Dec 28, 2019 /
 
Korábban kérdeztem ezen ic nek is a feszültség értékeit .Azt írtad , hogy minden érték pontosan megegyezik.Igen lehet , hogy némítás van jelen igen.
(#) eyess válasza mlaci989 hozzászólására (») Dec 28, 2019 /
 
Ha az R+ , vagy az R- pontok valamelyikét megérinted , akkor kellene változásnak lenni a kimeneten.Mert az az ic után van már .
(#) mlaci989 válasza eyess hozzászólására (») Dec 28, 2019 /
 
Nincs reakció. Próbáltam ráadni jelet e pontokra és ráült a tápfesz a meghajtó kimeneteire. Mára ennyi.
(#) eyess válasza mlaci989 hozzászólására (») Dec 28, 2019 /
 
ok szerintem is .Egyéb iránt még annyi , ha némítás van azt a processzor 45 ös lába teszi.
A hozzászólás módosítva: Dec 28, 2019
(#) reloop válasza mlaci989 hozzászólására (») Dec 28, 2019 / 1
 
Dióhéjban a Sony rádiós-erősítő védelmi áramkörének működése.
Induláskor a leállás alkalmával eltárolt relé vezérlő vonal magas szintre kerül. Forrása a processzor 58, 59, 60 lábainak egyike. A vonalak rajz, illetve csatlakozó jelei HP-HEADPHONE, SPB-SPEAKER B ás SPA-SPEAKER A. A logikai magas szint alatt itt +4,6-5 V értendő. Ez a feszültség két soros 4k7 ellenálláson keresztül vezérli a relét működtető tranzisztort.
Amennyiben végerősítők kimenetén egyenfeszültség jelenik meg, vagy azok túlterhelése érzékelhető, a Q784, Q785, Q786 tranzisztorokból álló áramkör a Q785 kollektorán mérve 0 vagy -0,7 V feszültségre áll be. (Pozitív DC-hez tartozik a 0 V, többi esetben -0,7 V).
A hibát ily módon érzékelve, a D786, vagy D787 az aktuális relé vezérlő feszültséget alacsony szintre húzza, ezáltal a relé leold.
A hibajelet a D789 továbbítja a processzor felé a PROTECT SIGNAL vonalon keresztül. A proci alaphelyzetben magas szintre állított PROTECTOR bemenete (16-os láb) a hiba észlelése után alacsony szintre kerül. Amíg ez az állapot fennáll, addig a processzor nem küld feszültséget a relévezérlő vonalakra és a display-n jelzi a leállás okát, mégha tévesen is, de a bejövő információból ennek a következtetésnek a levonására kényszerül.
Mlaci989 méréséből tudjuk, hogy PROTECTOR port testzárlatos a processzorban ezért el sem várhatjuk, hogy javuljon a helyzet.
(#) eyess válasza reloop hozzászólására (») Dec 29, 2019 /
 
Ez meg is állja a helyét , mert több pont mérései , és úgymond direktbe vezérelve egyes részeket működő képessé lehetne tenni .Persze nekem még kérdéses a bekapcsolás pillanata , és az az idő egység amíg a protect megjelenik a kijelzőn.Egyébként nekem még gyanús a processzor port 12 es része is .Hogy a két kimenet szinte azonos , de a HP kimenete totál 0.Szóval kérdés , hogy megéri e a processzor cserét avagy sem.
A hozzászólás módosítva: Dec 29, 2019
(#) mcc válasza reloop hozzászólására (») Dec 29, 2019 /
 
Majdnem tökéletes a leírás. Csak egy megjegyzésem lenne:Az 58,59,60-as lábak néhány mp-el a bekapcsolás után kerülnek magas szintre. Ez a bekapcsolási koppanások elkerülése miatt szükséges.
(#) eyess válasza mcc hozzászólására (») Dec 29, 2019 /
 
Ez is majdnem tökéletes annyi pici ténnyel , hogy a szóban forgó kimenetek sosem kerülnek magas szintre .Ezeket méréssel már kiderítettük .Sőt úgy is , hogy nem e máshonnan viszi valami ezeket a pontokat , tehát függetlenítve lett a processzor ezen pontja , és úgy is lett mérve, de semmilyen állapot változás nem következik be a bekapcsolás pillanata , és az azt követő protect feliratig sem.
(#) mcc válasza eyess hozzászólására (») Dec 29, 2019 /
 
Nyilván nem kerülnek magas szintre a kimenetek, hiszen már a késleltetési idő közben alacsony szinten van a "PROTECT" bemenet, tehát a processzor meg sem próbálja aktiválni a hangszórókat, hiszen hiba esetén miért is tenné ki veszélynek azokat?
(#) eyess válasza mcc hozzászólására (») Dec 29, 2019 /
 
Hát ja.És mint kiderült nem a gép más hibás részéből adódóan van a processzor már eleve tiltásba , hanem az ő saját belső hibája miatt.Kérdés , hogy ér e annyit ezen gép , hogy egy processzor cserét megkapjon.De ezt majd biztos eldönti a gazdája.Jó kis tréning volt egyébként.
(#) mcc válasza eyess hozzászólására (») Dec 29, 2019 /
 
Nekem ez annyiból nyilvánvaló volt, hogy ha az erősítő DC védelme aktiválódik, akkor a proci 16. lábán 0,6V kéne legyen, ha pedig a túlterhelés védelem aktiválódik valamiért, akkor a 4 dióda közös katódján -0,6V kéne legyen.
Végfokként kis módosítással még használható a cucc, ha nem zavaró a PROTECT felirat villogása
(#) zotya1983 válasza zotya1983 hozzászólására (») Dec 29, 2019 /
 
Közben alakulnaka dolgok. Annyi a kérdésem mert most mertem csak teljes áramkorlát nélküli tápot ráadni erre a végfokozatra de azt is pár mp ig 10 mp kb, ez alatt 3-4 mV dc állt be a kijáraton az első pár 2sc 5200 2sa 1943 mas meghajtókon mérhető legkisebb nyugalmi beállítás 0.5V. a 10 ohmokon. Zero bias a végfok, elvileg maradhat így vagy adjak azért neki valamennyi nyugalmit még? Tehát eza legkisebb állás a trimmereken. Majdnem hogy maradhat is így...?
A hozzászólás módosítva: Dec 29, 2019
(#) eyess válasza mcc hozzászólására (») Dec 29, 2019 /
 
Nem kis módosítás kell mivel még a volume , és egyéb kezelő szervek sem fognak rajta működni.
(#) mcc válasza eyess hozzászólására (») Dec 29, 2019 /
 
Azért írtam, hogy végfokként. Abban nincsen hangerőszabályzás. Csak teljesítményerősítő.
(#) eyess válasza mcc hozzászólására (») Dec 29, 2019 /
 
Úgy esetleg , de akkor már inkább a processzor csere egyszerűbb megoldás lenne , és úgy legalább teljes értékű lenne.
(#) Krizsi26 hozzászólása Dec 30, 2019 /
 
Tisztelt fórumtársak. Tulajdonomban van egy kenwood K-RV6090 tipusú készülék. A problémám, hogy szeretnék LINE out kimenetet a készülékre. Stereo módban szeretném a két első csatorna jelét továbfűzni másik erősítőre. Ha valaki ránézne a gyári kapcsolásra az szuper lenne. Köszönöm.
(#) latyakosa válasza Krizsi26 hozzászólására (») Dec 30, 2019 /
 
Ha a KR-V6090 és a KR-V5090 hasonlítanak belülről akkor az 5090 kapcsolási rajza szerint a pirossal jelölt csatlakozó pontokról meg lehetne próbálni kivezetni a jelet.

krv5090.png
    
(#) Krizsi26 hozzászólása Dec 30, 2019 /
 
Köszönöm a gyors választ! Sajnos nem találom a cn22 csatlakozót, ami lehet hogy csak az én figyelmetlenségem. Biztonság kedvéért feltöltöm a service manual-t. Több ponton is láttam L-R gnd kimenetet de nem vagyok benne biztos, hogy az jó nekem.
(#) Krizsi26 hozzászólása Dec 31, 2019 /
 
Mégiscsak megtaláltam a cn22-t. Délután megmérem és teszek egy próbát. Köszönöm
(#) zotya1983 hozzászólása Dec 31, 2019 /
 
BÚÉK! Köszi Tóth Bélának, Reloopnak a segítségeket és akit kihagytam annak is! Sikerült összehoznom.
Már lehet vele durrogtatni +-70v (próbatáp).
Tesztvideó 1
(#) gépromboló hozzászólása Dec 31, 2019 /
 
Sziasztok!
Van egy Bose Sounddock dokkolóm, eddig szépen ment, de az utóbbi időben ha akar, működik, ha nem, akkor meg se pisszen. Szervizkönyvet hiába találtam, alig ér fel egy használatival, rajz egy sincs benne. +-18 voltról megy, feszek rendben, +18,5 és -17,7. Az erősítő melegszik, mint a bolond, az IC egy TDA8922BTH. Normális, hogy melegszik? Ráadom a tápot és pár másodperc múlva már nem bírom az ujjamat rajta tartani az IC hűtőfelületén. Hang bezzeg semmi. Tud valaki segíteni?
Ja, és BUÉK!
(#) latyakosa válasza gépromboló hozzászólására (») Jan 1, 2020 /
 
Áramfelvételt tudsz mérni ? Kimeneteken van DC ?
(#) Szig válasza Krizsi26 hozzászólására (») Jan 2, 2020 /
 
Szia!

A TAPE2/Monitor REC OUT kimeneten nem jön ki a hang?
Mert az lenne a legegyszerűbb.
(#) zotya1983 válasza zotya1983 hozzászólására (») Jan 2, 2020 /
 
(#) Johnny0004 válasza Szig hozzászólására (») Jan 2, 2020 /
 
Szia! Nekem is ez a gondom sajnos azokon csak szereó módban jön ki hang, de 5.1-ben nem adja ki az első két csatornát.
Előző kérdésemre meg a válasz nem jó a csillagpontot földelésre kötni, legalább is nekem akkor belezúg a ventillátor.
(#) csibai hozzászólása Jan 2, 2020 /
 
Először is Boldog Új Esztendőt az itt fórumozó Társaknak!

Az ünnepek alatt rokon fiúcskának megnémult a mélynyomó hangszórója.
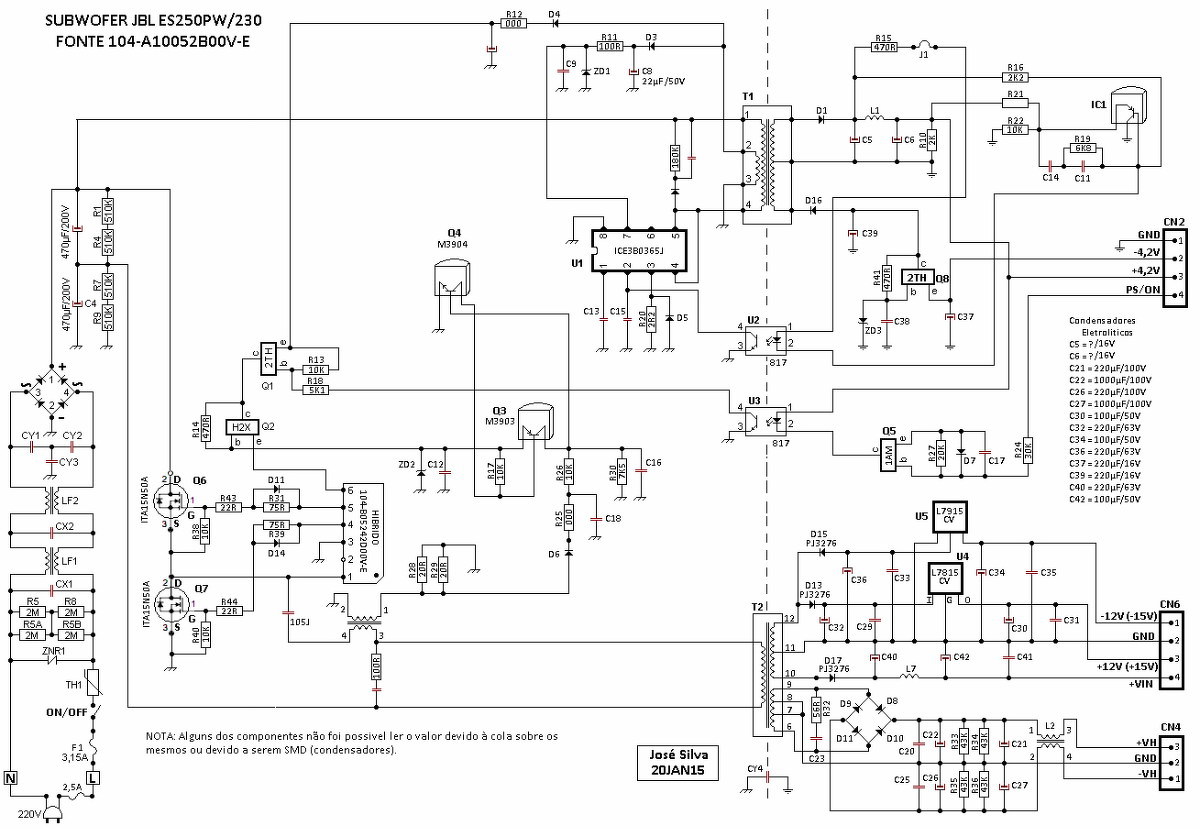
Ez egy JBL ES250PW/230 típus.
Gondoltam én mint teljesen amatőr "farigcsáló", megnézem hátha nem nagy a baj.
Nos a biztosítéka el volt pukkanva, tettem bele egy új 250V, 2,5 amperest, de a bekapcsolás pillanatában az is jobb létre szenderült.
Gondoltam kikapom a belsejét és szemre vételezem.
Nem tudom mi lehet, se égésnyom, se púpos kondi, semmilyen szemmel látható elváltozás nem tapasztalható sehol. Csak önmagában indítva a tápegységet ugyanaz a hiba, kiüti a biztosítékot.
Lefotóztam a tápegységét, hátha találkozott valaki már ilyesmi problémával.
Valószínű komplett tápot nem lehet hozzá venni, de azt sem tudom hol kezdhetném a hibakeresést. Mit kellene tenni?
Segítségeteket, javaslataitokat előre is nagyon köszönöm.
Következő: »»   2220 / 2571
Bejelentkezés

Belépés

Hirdetés
XDT.hu
Az oldalon sütiket használunk a helyes működéshez. Bővebb információt az adatvédelmi szabályzatban olvashatsz. Megértettem