Fórum témák
» Több friss téma |
Fórum » Sziréna
2 évbe telt, végre lett időm összerakni, szépen berreg, köszönöm szépen!
A hozzászólás módosítva: Szept 3, 2019
Hello! Akkor velem egyetemben, nem vagy egy "kapkodó idegbeteg"..
Sziasztok
Talán nem kérdezek túl nagy hülyeséget, és közelebb kerülök a megoldáshoz. Minden használható és jószándékú ötletet szívesen veszek. Szóval adott a képen (és az alul linkelt videón) látható Whelen WS-295 szirénavezérlő. Fél évig szépen dolgozott, aztán a szezon vége felé a Yelp dallama megváltozott. Ráadásul nem is állandósult az új hangzás, mert ez is gyakran változik, és néha dallam sincs, csak felemeli a hangot, és ott hagyja. Kérdésem, hogy ez véletlenül nem egy tipikus hiba, ami egy hozzáértő számára azonnal adja magát? Úgy értem, hogy ez pl. tipikusan kondenzátor vagy épp IC hiba, stb? Bízva abban, hogy talán igen, bedobom a panel képét is, rajta az összes IC-vel. Én nem tudom, melyiknek mi lehet a feladata, avatott szakiknak biztosan többet mondanak a számok. És még valami: kapcsolási rajz a világon nem létezik. Jól tudok keresni neten, mások is segítettek benne, de a végeredmény egy szép nagy nulla lett. Szóval enélkül kellene megoldani a problémát. Köszönöm előre is Így hangzik, és így kellene
Sajnos ilyenkor csak a hosszadalmas kísérletezés marad
![]() Pl: -kondenzátorok cseréje. Nem drága dolog. -Yelp állásba téve kísérletezés a kondikkal, tehát egy meglévő kondihoz odaérinteni egy másik akkorát, amivel a kapacitása 10-20%-al megnő-->figyelni, változik e a hang. Ha igen, jó helyen kotorászunk. -IC kiforrasztása, foglalat beforrasztása, hogy lehessen cserélgetni. Ahogy néztem, nem drága IC-k. -nyák lap nagyító alatti átnézése, előfordulhat hajszálrepedés, forrasztásnál érintkezési hiba (bár jónak tűnik!) Sajnos ilyent senki el nem vállal, mert rámehet több nap is, aztán mit kérhet érte? 5eFt-ot? ![]() Ha azt mondja, hogy 30eFt, rég kapsz ebből a pénzből működő másikat... Idézet: „Sajnos ilyent senki el nem vállal, mert rámehet több nap is, aztán mit kérhet érte? 5eFt-ot?” Igen, a klasszikus kérdés: - Nem tudja az ember garantálni, hogy sikerül. - Jó sokat elvacakol vele. - Lehet nem lesz jobb, sőt... - Nem éri meg a javítás, ha üzleti szempontból nézi az ember. Magának (valamint nagyon jó barátnak/rokonnak) még csak-csak elszórakozik az ember ilyesmivel, de fizetősen , számlával és garanciával "no fucking way ".De nem értek hozzá. A hozzászólás módosítva: Feb 19, 2020
Köszönöm a válaszokat. Voltaképpen sokat segít, ezen már el tudok indulni.
Sajnos 100$-ból már alig lehet ilyen állapotút találni. Ráadásul ezen már cseréltem mikrofonkábelt, nyomógombot, és még ezt-azt. Jól is működött. Szóval nekem megérne 30k-t a javítása. De nekimegyek, aztán lesz, ami lesz. Viszont egyet még kérdeznék. A képen látható IC-k számai (és így a funkciói) alapján van olyan, amit ki lehet zárni, vagy legalábbis a cserélgetés végére lehetne hagyni? Köszönöm még egyszer
Fent van a neten a PA300-as sziréna kapcsolási rajza, esetleg abból ki lehet indulni... meg kivenni a kapcsolót és kimérni, mit csinál, miket köt össze Yelp állásban. Elvezet valamelyik IC-hez, gondolom kapcsoláskor testre húz valami ellenállást. Ez, valamint a kondikkal való játék nem kerül pénzbe és jó irány lehet.
Nagy vagy! Hálásan köszönöm a tippeket!
Szia!
Nem ismerem, de a fénykép alapján eszembe jutott, egy hibalehetőség. Egy szintén CD4xxx sorozatú IC-s (20+ éves) időzítőben a hosszas hibakeresgélés után kiderült, hogy a "csepp" tantál kondik kapacitása szinte 0. Nálad ilyen pl. a C14. Ezeket kéne kivenni, és mérni első körben.
Micsoda nap! Meglesz ez!
![]() Köszönöm szépen neked is
Ha sikerül megjavítanom a vezérlőt a tippjeitekkel, vendégeim vagytok egy körre a videon szereplő verdával. (remélhetőleg még nyár előtt...)
Meg tudod javítani szerintem, csak idő kérdése. Fontos, hogy rendes pákád legyen (ne pillanatpáka!) és ónszippantó is. Hőfokszabályozós Weller mondjuk.
Sziasztok!
Ez milyen szirénának a hangja lehet? AVR-el szeretném megépíteni. Milyen frekvencián és szaggatással lehetne ezt a hangot szerintetek kigenerálni? Üdv. Link A hozzászólás módosítva: Ápr 26, 2020
Kezdésnek: PWM Sound Synthesis. Hasonló témákat nézz át: Bővebben: Link.
HA nem akarsz ilyennel bajlódni, akkor használj DFPlayer mini modult: HEStore. Utóbbi MP3-as fájlokat is le tud játszani. Kontroller sem kell hozzá, önmagában is működőképes.
Szia! Köszönöm az iránymutatást. Az első megoldás szimpatikusabb lenne inkább abba ásnám bele magam, de az MP3-as modul is hasznos tud lenni különféle projectekhez. Üdv.
Szerintem szedd kettőbe a dolgokat:
1. Modellezd le a hangot: Frekvencia/időzités/jelalak/összetevők. Ehhez Audacity a barátod. Azzal vissza is tudod fejteni... 2. Majd leprogramozod. Vagy marad amit Bakman is mondott: Lementett/letöltött hangfájl lejátszása kész modullal. A hozzászólás módosítva: Ápr 27, 2020
Köszi! Pont erre gondoltam azzal kiegészítve hogy előtte spektrum analizátorral (Spectroid applikációval) ránézek a hang frekvenciájára.
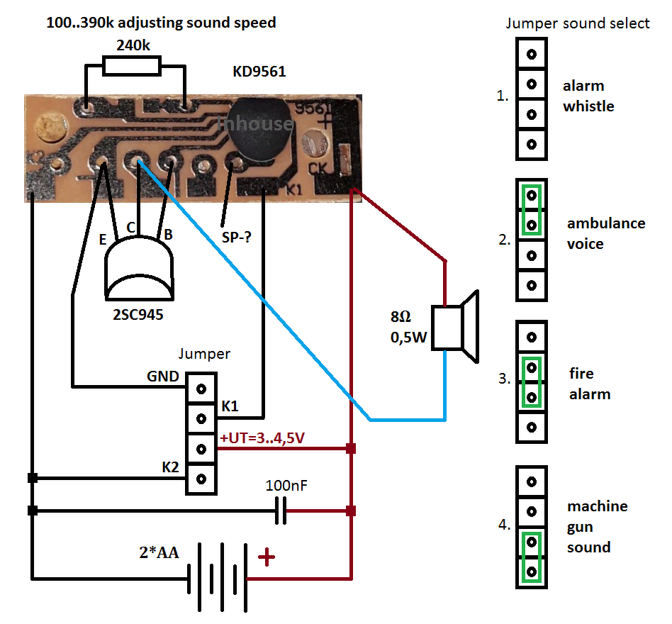
Rendeltem Kínából egyszerű sziréna hangkeltő panelt, CK9561 vagy KD9561 néven fut. Az eladó leírása nem volt egyértelmű. Ami a neten van, vagy ugyanez, vagy egyszerűen hibás.
Csináltam hozzá egy rajzot, hátha másnak is segítség lesz, talán kicsit egyértelműbb. A machine gun-t nem ismertem fel. ![]() Egy kivezetés nem tiszta, egy helyen láttam SP- jelzéssel. Talán ha nincs beépítve a külső tranzisztor, akkor egy nagyobb impedanciájút elhajt közvetlenül (SP- és + tápfesz között)?
Milyen hangokat ad ki magából? Engem érdekelne, ha fel tudnád venni...
Köszi szépen!
Fenn van a Youtube-on. 9p10s-től.
Aha, köszi, ez a Federal Signal wail és yelp hangra hasonlít. Az UM3561? sziréna icben is ezek vannak.
Idézet: „A machine gun-t nem ismertem fel.” Elvben az lenne a "sürgető" néven is ismert, nem váltakozó hangmagasságú horn-hang. Nem igazán tudta még egyik ilyen sem eltalálni a hangzását, de arra akarna hajazni.
ennyi csak épp kapott képekről nem lehet mérni ,mi hova megy stb....
A hozzászólás módosítva: Júl 31, 2023
Sikerült egy 2012-es hozzászólásra reagálnod.
|
Bejelentkezés
Hirdetés |









".



