Fórum témák
» Több friss téma |
Fórum » Csöves erősítő készítése
Ne feledd betartani a fórum viselkedési szabályait, és a topik megmaradásának feltételeit. [link]
A téma átmenetileg fagyasztva lett, hozzászólni nem tudsz!
Kapott egy kis hőkezelést
Attól még nem biztos, hogy rossz.
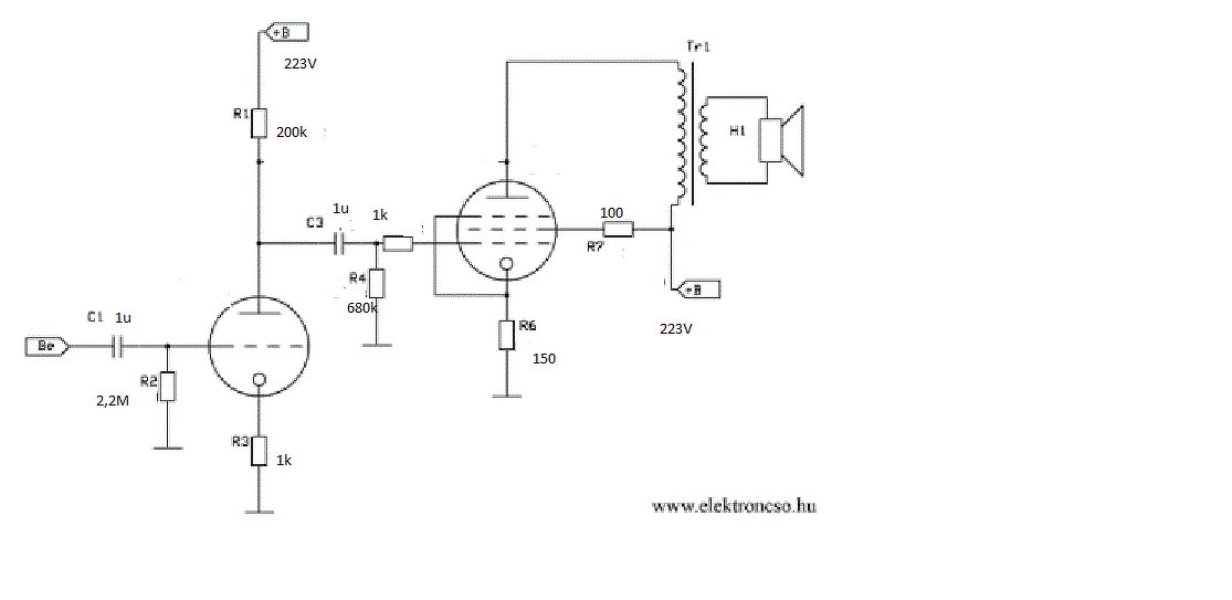
Épül a PCL86 SE. Rajzot lásd alább. Hangereje van, a brummot kordában tudom tartani de fütyül mint az állat. Mi lehet a baj?
A trióda rács elől kimaradt az 1k ellenállás ami a pentóda előtt is ott van.
Na akkor, először is a kimenőtrafó egyik kimeneti végét testre kötöd egy vezetékkel, ha nem múlt el /pedig ekkor el kéne/ vegyél a kezedbe egy pár k ohmos ellenállást, pl. 6-8k, de ha 10k-t lelsz is jó egyenlőre! Fogod és a kimenőtrafó meleg pontjától bekötöd a bemeneti triódafél katódjába. Stimm? Ha ekkor sem múlik, akkor csökkentsd az ellenállás értékét.
A hozzászólás módosítva: Márc 21, 2020
A kimenő földelés sokat segített. Köszi.Már csak a finom hangolás van hátra. Ja és még légszerelt.
Ész nélűl ne építkezzél.
Tessék mindíg megnézni mi hova van kötve a rajzokon amit épp néznél, éptenél.
Szigorúan az alap kapcsolásra hagyatkoztam. Ráérek még cifrázni.
Itten valaki időszakosan, szándékosan nagyon beviszi a közösséget/közönséget az erdőbe. Ha meg nincs igazam, az rosszabb.
A hozzászólás módosítva: Márc 21, 2020
Cifrázni??
Na akkor biztos el....od megint. Ne piszkáld, ha már jól működik.
Ilyenek ezek az erdők, főleg tavasszal. Jókat lehet bennük túrázgatni
Mi a bajod a lábak színével? Nincs annak semmi baja, sőt soha nem lesz oxidos, mert passziváva, kadmiumozva van. Az eredeti felhasználási területe katonai rádiók, műszerek erősítő eszközei. A katonai rádiókban a végfokokat kivéve minden fokozatban ez az egy fajta volt.
Elég sokat erősít, nem túl nagy igényű hangfrekvenciás erősítőben lehet használni, főleg kisjelű fokozatokban. A hozzászólás módosítva: Márc 22, 2020
Nekem igazán semmi.
Összevissza vannak görbülve, meg vannak kékülve, lilulva, oxidosak. Nem tudtam hogy ez a követendő példa, utólag is elnézést kérek érte.
Nem oxidos, csal a szemed. Valószínűleg nem láttál még ilyet. A hőn szeretett arany, sem arany, hanem a kadmium van arannyal ötvözve a színe miatt. Az arany egy puha fém, néhány ki be húzogatás után lekopna. Szerinted a pár mA miatt "kékültek" be, akkor is foltosan?
Mondom kadmiumozva van, pont az oxidálás elkerülése, és a felhasználási területe miatt, és nem is kopik le. Nézz csak meg egy BRG adó vevő szerelő vaslemezt. A szivárvány minden színe előfordul rajta, de még rozsdásat nem láttam. A hozzászólás módosítva: Márc 22, 2020
Írtam pár sort, aztán kitöröltem. Röviden: A csöveket eladás, használat előtt kötelező (lenne) mérni lelkiismeretes eladóknak. Ez jelenleg zéró. Nincs, nem működik.
A kinézet ugyan másodlagos, azért hozzáértő látja a lényeget. Akár a csőlábakon, bélyegzésen is... A hozzászólás módosítva: Márc 23, 2020
Szerintem meg aki használt csövet vesz, az vállalja be hogy úgy jár, én biztos nem vennék egy darabot se. Ez a kötelező ez hogy értendő? Annak is akinek nincs mivel, vagy azt se tudja mit mérjen rajta? Ez épp olyan mint a "nem teszteltem" zárómondatos hirdetések.
És az eladó meg van győződve róla, hogy ezzel le is van védve önmaga becsülete. A kinézet pedig kicsit sem másodlagos, azoknak a vitatott csöveknek sokat elárul az előéletükről már a kinézete is. Hiszen, a kor önmagában nem adna okot afféle kinézetre, meg a görbe lábakra.
Akkor minek írtad egyáltalán? Tegnap is írtál az erdőbe mneteledről, de még most se tudom, vajon nekem céloztad??? Úgy birom, mikor vaktában lövöldözgetsz, de célja abszolúte semmi. Engem roppant idegesít.
Egy csőnél a kinézet eléggé másodlagos. A felirat pl. raktári leltár miatti rakosgatásban is sérülhet, nagy tételszám esetén nem volt szokásban dobozolni. Persze ha a getteren látszik, hogy gázos, az más.
De az ép csöveknél kívülről, külső kinézet alapján megsaccolni sem lehet a cső állapotát ismeretlen előélet esetén. Lehet, hogy szerencsétlen hosszú élettartamú cső működött 100 órát egy dzsuvás helyen, máris rettenetesen néz ki, de még amúgy elektromosan "ereje teljében" van. A másik, már elhasznált, kidobásra ítélt, kiglancolt cső aranylábakkal, pompásan néz ki, közben pedig használhatatlan. A nem tesztelt, meg egy csodás fogalom, hasonlóan a tesztelt (mit is tesztelt?) fogalomhoz. A cső valódi állapotáról csak méréssel lehet meggyőződni, semmi mással. Az, hogy tesztelte, és fűt, az még nem sokat jelent, csak annyit, hogy még használható lehet. A hozzászólás módosítva: Márc 23, 2020
Esetleg Gyuszi a Puskás börzén a PC-s mérőkéjével meg tudná mondani, hofgy mennyire lehet tuti még a vitatott cső.
Sajnos én nem láttam a mérőkéjét, de minden bizonnyal alkalmas lehet egy cső állapotának megítélésére. A lábak pedig igen hamar tudnak görbülni, nyekleni, nyaklani nem véletlenül nem merevek, ne az üveg repedjen. Elég, ha egy nyákba forrasztott foglaltba párszor kihúzod, bedugod. Régen, ahol sok csövet használtak (postai erősítő állomásokon) volt egy "műfoglalat"
bakelitből, amivel a lábakat lehetett "kifésülni". Elég sokszor kellet szinte hozzáférhetetlen helyeken csövet cserélni, amolyan csukott szem, tapintásos érzékelés módszerrel, és akkor bizony már a vadi új cső lábai is kissé meggörbültek, mire megtaláltuk a helyes irányt. Attól még a csőnek semmi baja nem lett. A hozzászólás módosítva: Márc 23, 2020
Nem látja!!! Nem a "hozzáértő" hozzáértését vonom kétségbe, de ez nem az a szakma ahol látni kell! Azt a "szakmát" másnak hívják.
Még lehet is kapni ilyen lábegyensítőt, megkérik az árát.
Néhány csőmérőn előfordult a 7 és a 9 lábú csövekhez. A képen látható Hickok-nál a fedlapon volt pin straightener
Na igen. Egy ilyen művelet után ki tudja megmondani, hogy hányszor húzták ki, be a csövet.
Ennyit a külső kinézetről.
Nekünk is volt a Gelkában csőlábegyengető , úgy hívták hogy fogó .
Jól működött .
Bocs, félreértés. Abszolút semmi köze Hozzád. Az erdőbe menetel azt jelenti számomra, hogy aktuális probléma tárgyalása esetén mindig feltűnik egy jános, és megkérdezi, a következő pár évben hogyan kellene bármit is (nem) csinálni, átlag alatti tudással, színvonallal. Nem vagyok összeesküvés hívő, de igencsak gáz.
Nem lövöldözök vaktában. Idegeskedni kár, vannak ennél fontosabb dolgok is. A hozzászólás módosítva: Márc 23, 2020
Ok. Elnézést. A hozzászólás módosítva: Márc 23, 2020
Pontosan. De ha már hasogatjuk a szőrszálakat:
1. Egy ferdén kihúzott csőnek kiegyenesítjük a lábát az adapterrel, és visszadugjuk ugyanoda, vagy más áramkörbe. Ez 2 db csőláb hajlítás procedúra. 2. Egy ferdén kihúzott csőnek NEM egyenesítjük ki a lábát, és visszadugjuk ugyanoda, vagy más áramkörbe. Ez 1 db csőláb hajlítás procedúra. És a csövek nem szeretik ha a lábukat ész nélkül hajlítgatják. Különösen nem a mai korszerű színűveg csövek. Megsérülhet a csőláb környéki, vákum szempontjából elsődleges átvezetés. A fogót inkább hagyjuk... A hozzászólás módosítva: Márc 23, 2020
|
Bejelentkezés
Hirdetés |


Attól még nem biztos, hogy rossz. 
Tessék mindíg megnézni mi hova van kötve a rajzokon amit épp néznél, éptenél.

Na akkor biztos el....od megint. Ne piszkáld, ha már jól működik.
Összevissza vannak görbülve, meg vannak kékülve, lilulva, oxidosak. Nem tudtam hogy ez a követendő példa, utólag is elnézést kérek érte.

