Fórum témák
» Több friss téma |
Fontos: PICKit2 klón építése tanácsok
Köszönöm a segítséget, de a kapcsolási rajz még mindig eltér az általam után építendő paneltől.
A paneled csak egy oldalas. Rajzold vissza, nem ördöngősség!
Az eltérések:
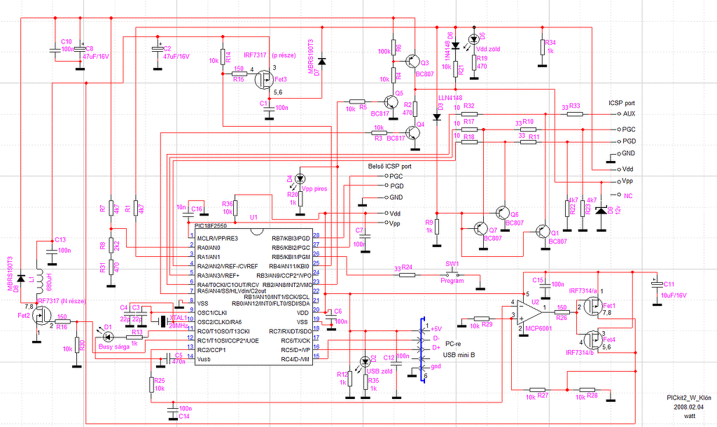
Q1 IRLML6402 helyett IRF7314, U2 MCP6001 SMD helyett MCP601 DIP verzió - bár az MCP6001 DIP verzió is használható, A Vpp_tgt bekapcsolását egy LED (Vpp) jelzi. Áramkorlátozó ellenállás a 23. lábról, U3, U4 és az SCL (22) valamint az SDA (21) felhúzó ellenállások elhagyva. PTG funkció eliminálva, U5 N-FET fele elhagyva, Vdd_tgt 1k -val állandóan terhelve, U5 P-FET fele helyett IRF7317 P-FET fele, Q6 helyett ITR7314 két fele párhuzamosan kapcsolva, Q4 helyett IRF7317 N-FET fele, Vpp_tgt és Vdd_tgt között egy dióda és egy ellenállás hozzáadva, a MOS-FET ek egy-egy G-S elleállást kaptak ott, ahol az eredeti kapcsoláson nem szerepelt ill. a pozícióban tranzisztort alkalmaztak, a tranzisztorok beszerezhető nem SMD típusokra cserélve, USB aljzat normál USB B -re cserélve.
A nyákon szereplő felirat alapják feltételezem, hogy SKY nevű fórumtársunk nevéhez köthető ez a fajta klón terve (a terv alapjául szolgáló kapcsolás pedig Watt fórumtársunkhoz, minden bizonnyal), ezért én az ő hozzászólásai között keresgélnék Bővebben: Link.
A hozzászólás módosítva: Máj 1, 2020
Valóban (bár a nyák feliratai alapján ez sem pont ugyanaz a nyákterv, amit a kérdező keres).
Ez aztán az evolúciós lánc! Microchip > Watt > SKY > furko A hozzászólás módosítva: Máj 1, 2020
Köszönöm szépen mindenkinek a segítséget megoldódott.A Furko-féle panel lett megépítve és annak kerestem a kapcsolási rajzát mert elveszett.Csak a panel rajz maradt meg.Az SMD nem probléma napi szinten dolgozok vele.
Szép Napot mindenkinek! 2 db sikeres után építésről tudok beszámolni.
Sziasztok!
Egy PK2 klónt szeretnék én is építeni, és annyi lenne egyenlőre a kérdésem, hogy a LLN4148-as diódát nem lehet valami mással helyettesíteni? Előre is köszönöm a segítséget.
Szia
Ha érdekel, nekem van idehaza egy utánépített ami valami miatt megromlott. Ha kell és nem körülményes az átadás, akkor szívesen odaadom. Mozágsterem: Érd, Győr, Üllő és ami közöttük van az autópályák és autóutak vonalában.
Sziasztok!
Bocsi a késői válaszért de sajna nem voltam netközelben pár napig. Hp41C: köszönöm, értem. Kovabe: köszönöm elfogadnám. Székesfehérváron lakom de kb, 1.5 hét múlva megyek Pestre. Előtte rád írok privibe és ha neked is megfelel valahogy összefutunk. Köszi előre is.
Sziasztok!
Mivel most márt van egy csodálatos égetőm, gondoltam csinálnék hozzá egy ZIF-soket foglalatot.Van egy kínai univerzális pic-hez való foglalatom. 2-3 típust hibátlanul felprogramozott.De rögzíteni szeretném a programozó tetejére. Szétszedtem hogy vissza rajzoljam. De hiányolom a 100nf hidegítő kondikat és valamelyik típusnál 10k is ott van mint felhúzó ellenállás. Korábbi hozzászólássókból olvastam nem mindenki ért vele egyet. Mert vannak teljesen eltérő típusok amihez egyáltalán nem lesz jó. Vélemények ?
Mindkettő bezavarhat a programozásba. Sokkal inkább, mint a hiányuk.
Szia!
Nem csak az a baj, hogy vannak eltérő bekötésű típusok. - Rengetegféle bekötési megoldás van, ízelítőnek néhány a mellékelt képen. A legújabbakat a kép nem is tartalmazza. - Az adapter tervezésekor nem vették figyelembe a belső oszcillátorral rendelkező típusok viselkedését. A programozás során többször történik a programozási módba való be- ill. kilépés. A belső oszcillátorra konfigurált programok elindulhatnak és a lábakat kimenetnek is állíthatják. A panelen számos esetben előfordul két vagy több láb vezetékkel való összekötése. Mi történik akkor, ha az összekötésben szereplő lábakat a program kimenetnek állítja és különböző szintet ad ki rájuk. - Több típusnál kell egy külső kondenzátor a Vcap lábra, sok esetben nem csak egy pár programozó jelvezeték (PGD, PGC) használható. Egyszóval az univerzális adapter ideje már lejárt. Használható, de rendkívül gondosan kell beállítani és használni. A hozzászólás módosítva: Aug 20, 2020
Köszönöm a képet és a hozzá szólásokat. A Vcap értéke állandó vagy az is változik ??
A programozási felület kialakításakor azt feltételezték, hogy a kontrollereket a cél áramkörben programozzuk. In Ciruit Serial Programming.
A SMD tokokhoz csak az a módszer jó, ha a cél áramkörön a PICkitX -nek megfelelő 6 kivezetést alakítjuk ki, arra csatlakozva programozunk. Azért itt is előfordulhatnak problémák: - A MCLR lábon megjelenik a programozó feszültség. - A programozás a panel saját tápjáról történik. - A PGD és PGC vonalakat is felhasználhatjuk az áramkörben. - Egyes konfigurációkat csak a Vpp First Programming Entry módon lehet (újra)programozni. A panel tervezésekor ezeket a szempontokat figyelembe kell venni. Készíthető adapter, de csak egy típus családhoz, minimális vezetékezéssel. Jól meg kell jelölni, hogy melyik típusokhoz lesz jó.
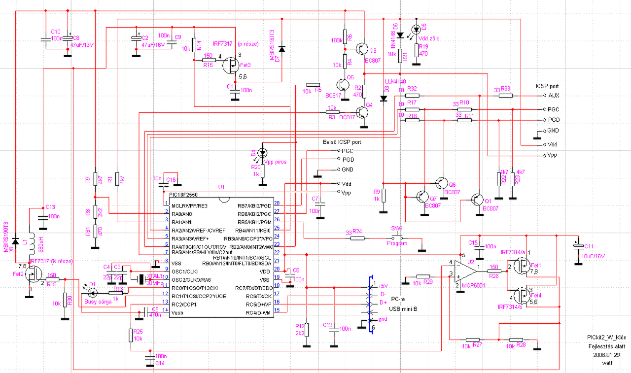
Sziasztok!
Sok évvel ezelőtt építettem a HP41C által közölt cikk alapján a klont. Eddig nem vettem észre hibát a programozás során, most viszont igen. Nem mefelelő feszültségek jönnek ki a kimeneteken. A Vpp 9.2V a Vdd 3.8V. Hogyan tudom az értékeket emelni a mefelelő szintre?
Sziasztok!
Méricskéltem az áramkörben és a következőket tapasztaltam:az usb csatlakozón bejön az 5V. A program "Troubleshoot" menüontjában a program 4,5 V-t mér ami a Vdd kivezetésen 3,8V a tekecs utáni dióda katódján, ami D3, ugyancsak 3,8V mérhető. Ha Vpp feszültséget nézem, a program 11,2 V-t mér a kimeneten pedig 9,2 V van, a D3 dióda katódján 9,26 V a feszültség.
Csatold a kapcsolási rajzot, vagy küldj róla egy linket.
Szia!
Bővebben: Link
NYÁK tervet találtam, kapcsolási rajz nélkül. Kapcsolási rajz alapján lehetne érdemi tanácsot adni.
A kapcslás rajz gyakorlatilag megegyzik a gyári kapcsolással, de a Watt féle is hajal rá.
Itt megtalálhatod a bemérés lépéseit.
Alacsony VDD: Nem megfelelő a Q1 (túl nagy Vgs -sel rendelkezik), D5 nem Schottky dióda. Alacsony Vpp: Q4 nem jó, nem jól van beültetve (E - C csere), L1 nem megfelelő, J5 nincs felhelyezve, R22 és vagy R24 nem megfelelő értékű.
Szia!
A Q1 IRF7314 potméterrel szabályozható az U2-n keresztül. A D5 1N4148, de a nyákrajzon is az ás a feszültség beállításba nem igen szól bele. A Q4 BC637, kiforrasztva szakadásvizsgálattal jónak mutatkozik, a beültetés jó. Az L1 680uH, két induktivitásból lett összerakva, eddig jó volt. A J5 helyén volt, az R22 és az R24 is jó, a rájuk adott feszülség a kontroller 2 lábán az eredeti 36%ka. Szóval eddig minden jónak látszik, a feszültségek mégsem jók. A PIC16F887-t felismeri de programozni nem lehet vele.
A kimeneten (Vdd_tgt) a beállított Vdd érték - a D5 nyitófeszültsége mérhető. Ha a beállított feszültség 4.5V, a D5 normál szilícium dióda, akkor a ponton maximum 4.5V - 0.7 V mérhető, ami megegyezik a általad mért 3.8V -nak. D5 helyére Schottky dióda kell, mivel annak nyitófeszültsége 0,2 .. 0.3 V körül van. Ezzel kialakulhat a 16F887 törléséhez szükséges minimális Vdd - 4.5V.
A dióda miatt tesztelnek 4.75V -on. Az 5.00 V előállíthatatlan... A hozzászólás módosítva: Nov 20, 2020
|
Bejelentkezés
Hirdetés |























