Fórum témák
» Több friss téma |
Fórum » Forrasztópáka hőmérséklet szabályozása
Témaindító: (Felhasználó 712), idő: Nov 15, 2005
Témakörök:
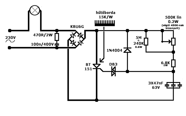
Elkészült végre a dimmer, jól szuperál.
Ha emlékeztem volna, hogy van ilyen szép nagy egyenirányítóm, nagyobb hűtőbordàt is vehettem volna a tirisztorra, de kb 400W-ot ezzel is kibírhat, elsősorban a pákához készült úgyis, az meg csak 60W. A forrasztási oldalt ismét nem mutatom meg, csúnya lett. Amikor letettem a pákát, szó szerint izzani láttam az aszral árnyékában... szükség lesz erre a szabályzóra. Köszönöm a segítséget, külön köszönöm annak, aki a háttérből is segített, nagyon jól jött, és jólesett! Kész dimmer videó itt A hozzászólás módosítva: Nov 16, 2020
Üdv Fórumtársak!
Vettem egy https://www.praktiker.hu/szerszam-gep-muhely/elektromos-szerszam/fo...44e030 pákát nem elektronikai hanem 0,45-ös hg.lemez munkához. Fűt mint a gőzkazán, semmi hőfokszabályzó/korlátozó hozzá! Égeti a forr.ónt, levelesen salakosodik a v.réz pákavég. Ez a rendelhető szabályzó szerintetek jó lenne hozzá, leszabályozni a hőmérsékletet? https://www.metroman.hu/termekek/Hobbi-elektronika/Teljesitmenyszab...C2000W Melegítés közben 0,65 ~ 0,55 A között van az áramfelvétele. Tapasztalati úton "bekalibrálnám" a szabályzó potméter skáláját és természetesen bedobozolnám.
Amit írtál, attól egyszerűbb nincs
Csak vedd figyelembe, ez nem a hőmérsékletet, hanem a teljesítményt szabályozza, igaz hogy lejjebb megy a hőfok, de ha elkezdesz vele dolgozni, és kellene a teljesítmény, erősebb ráfűtés, akkor csak odafagy az ón, várni kell. A hozzászólás módosítva: Márc 2, 2021
Lehet olyat csinálni, hogy két potméter van az áramkörben, és a páka súlya kapcsolja át. Így lenne egy készenléti, és egy üzemi teljesítmény.
Erre valóban nem gondoltam, de valós jelenség, köszönöm a figyelmet. 12 mm átmérőjű és kb. 90 mm hosszú a v.réz betét. Megpróbálom a következő fórumtárs javaslatát, hátha a réz tömege besegít áthidalni a hőmennyiség lengést. Másként: tudok találni egy kompromisszum beállítást.
Oké, megpróbálom, + [i]pipi[i]-nek írt válaszom tartalmára tekintettel.
Tovább gondolva: ki lehetne-e váltani a két potmétert + átkapcsolót egy kis vezérléssel, ami a fűtő feszültség be - ki kapcsolásának az időközét és a bekapcsolt állapot időtartamát vezérelné? Ezeket az értékeket szabályozni lehetne, bár itt köz bejöhet az "utolérés/átfedés" probléma? Itt is besegítene a rézbetét hőmennyiség akkumulátor képessége. Ha nagyon környezetbarát (zöldség) elképzelésem: Delete gomb.
Természetesen nem csak a fázishasításos, hanem az általad vázolt megoldás is jó. Sőt, még jobb. Hogy milyen vezérléssel oldod meg, az is mindegy, ha pedig zöld akarsz lenni, akkor nullaátmenetnél kapcsolhat a fűtés. Szerintem 1-5 másodperces időegységek nem okoznak észrevehető hőfokváltozást ekkora pákánál. Elképzelhető, hogy forrasztáskor mehet maximális teljesítményen, és csak forrasztási szünetekben kell visszavenni az erőből. Előtétként egyébként soros kondenzátor, izzólámpa, esetleg egyetlen dióda is használható teljesítmény csökkentőnek, bár ez utóbbi a hálózat féloldalas terhelése miatt nem nagyon zöld. Bár 1000W-os hajszárítót is gyártanak így. De inkább ne.
Sziasztok!
Van egy pákám amihez szeretnék készíteni egy nagyon egyszerű hőfok kapcsolót. Pontos hőfok nem számít hobbi célra kell. Van benne beépített érzékelő. 4vezetékes. Kettő között 12Ohm van gondolom ez a fűtőszál, a másik kettő között majdnem 0Ohm. Melegítés hatására növekszik. Ehhez szeretnék egy nagyon egyszerű relés kapcsolót készíteni aminek a küszöbjét egy potival tudnám állítani. Van valakinek bevált kapcsolása? 24V/48W
Visszalapozol, ez a topic erről szól...
Itt egy másik: Bővebben: Link Az "egy pákából" nehéz kitalálni milyen pákához keresel... Többféle hőmérséklet szenzor lehet benne pl hőelem kölönböző karakterisztikával, vagy termisztor.... A legegyszerűbb a 24V AC-re egy triakos fázishasitásos szabályzó, ami a hőfokot se figyeli, csak parasztos módon a betápot szabályozza... A hozzászólás módosítva: Máj 2, 2021
Elképesztő, hogy több mint 10éve vagyok itt a fórumon és soha de soha nem kapok egyenes konkrét korrekt választ. Csak kötözködés, pontosítás, beszólás minden csak nem válasz.
Leírtam, hogy milyen a hőfok szenzor. Rövidzárból indul felfelé az ellenállása. Remélem van aki majd szívesen segít. Köszi
Bocsánat hogy hozzá merészeltem szólni
A hozzászólás módosítva: Máj 2, 2021
Hello! Annak gyanúsnak kellene lenni, ha mindenki szemben jön az autópályán?
![]() Lehetetlent kérsz. Hogyan lehetne egy bevált kapcsolást ajánlani, ha nem ismert a hőérzékelő tulajdonsága? Legalább azt tedd meg, hogy megméred az ellenállást akkor, amikor megolvasztja az ónt. Az már lehet kiindulási alap. De a "majdnem nulla", inkább hőelemre utal, ami nem ellenállást, hanem mV-ot szolgáltat. Azt is meg kellene mérni, van-e valamekkora feszültség az érzékelőn, mikor olvasztja az ónt..
Szia!
Próbáld meg a mellékelt kapcsolást, nem bonyolult. Ha minden igaz, thermoelemes a pákád, de mérned kellene, hogy biztos lehess benne. Azt csak Te teheted meg, mert nálad van az eszköz... Fontos: a termoelem polaritása nagyon nem mindegy a bekötésnél!!
Szia!
Megmértem. Amikor már olvasztja az ónt a hegy akkor majdnem 7mV a feszültség.
Az thermoelem lesz. Ehhez jó a rajz, amit küldtem.
|
Bejelentkezés
Hirdetés |








Csak vedd figyelembe, ez nem a hőmérsékletet, hanem a teljesítményt szabályozza, igaz hogy lejjebb megy a hőfok, de ha elkezdesz vele dolgozni, és kellene a teljesítmény, erősebb ráfűtés, akkor csak odafagy az ón, várni kell. 








