Fórum témák
» Több friss téma |
Szia,
Érdemes csökkenteni a 10k ellenállást vagy akár teljesen el is hagyni, hogy gyorsabb legyen a FET nyitása? Ha a 220µF-et beteszem az áramkörbe, akkor kb. hogyan fog kinézni a felfutás? 1mp után fog el kezdeni szabályozni és addig ki van kapcsolva?
Megnéztem azt a kapcsolást amit belinkeltél, de nem teljesen értem, hogyan vezérelné a FET-et. A Gate lábánál egy 12V Zener van, hogyan tud lezárni a FET ha ott mindig 12V van?
Nem csak a 10k-t kell elhagynod. Alakítsd át a kapcsolást az általam linkelt szerint.
A felfutás úgy fog kinézni, hogy először keskeny impulzusok jutnak a motorra, azok is ritkán, majd egyre szélesednek és sűrűsödnek a potméteren beállított értékig. ITT megnézheted.
Nincs ott mindig 12V. Vagy 0V vagy 12V van, ha 12V a tápfesz.
A zéner a FET védelme miatt van ott, hogy a GATE-re jutó feszültség ne lépje át a 12V-ot. Lehetne ott akár 15-18V-os zéner is, mert általában annyit még elbírnak a FET-ek a GATE-en, valahol 20V körül szokott lenne az abszolút maximum, de meg kell nézni az adatlapot.
Megvalósítható 555-tel aránylag stabil 150 sec időzítés?
Ha 5-6 másodpercet szór az még nem gond.
Az alkatrészek minőségén és a tápfeszültség stabilitásán múlik a dolog. A pontosság alfája az időzítésért felelős kondenzátor.
Hát emez nincs annyira furmányosan megrajzolva, nem is a kétdiódás másolata, csak jól működik:
Szia,
Megcsináltam a kapcsolást, a soft-start jól is működik. A potit helyettesítettem 20k és 80k-val, hogy 80% legyen a kitöltés. Izzós próbaterhelésnél szépen beállt a tápfesz 80%-ra, de ha a motort rákötöm (5A-t vesz fel) megváltozik a feszültség, nem 80% lesz, hanem nagyobb, kb. 91-93%. Ezt mi okozhatja? A hozzászólás módosítva: Aug 22, 2021
Nem a feszültség változik, csak a mérő mutat változást.
Ha 80%-ra állítod a kitöltést, akkor az akár mtathatja is a geszültségmérőd 80% feszültségnek. Ha rákapcsolod a motort, az megkapja a 80% kitöltést, ahhoz mérten fog forogni. Azonban a maradék 20%- időben is forog a motor, ekkor áramot gerjeszt, ami feszültségként is mérhető. Ezérzt a műszered "megátlagolja", az eddigi (motor nélkül mért) 80% átlag helyett azt a 90-93%-ot átlagolja ki.
Szia,
Változik a feszültség a beállítotthoz képest, mert áramerősséget is mérek és az is magasabb mint kellene lennie. Direktbe kötve a motort megnéztem, hogy mekkora feszültségnél mekkora az áramfelvétele, majd visszakötve a szabályzóra az egyes feszültség értékekhez ugyan azok az áramerősség értékek tartoztak mintha direktbe lett volna kötve a motor, ezért is gondolom hogy amikor rá van kötve a motor valamiért megemelkedik a kitöltési tényező.
A PWM az úgy működik, hogy (például a te példádban) 80% időtartamban 100% feszültség megy a motor felé, a velejáró 100% árammal, majd a maradék 20% időtartamban 0% feszültség, ugyancsak 0% árammal.
Az átlag 80% lesz. A hozzászólás módosítva: Aug 22, 2021
Ezt értem, de azt nem, hogy miért kapok más feszültséget ha a motort kötöm be? Izzós terheléssel tökéletesen azt az értéket kapom amit beállítottam. Ott miért látom azt a feszültség értéket amit szeretnék és a motornál miért nem?
Három váasszal fentebb leírtam, hogy (ha motort kapcsolsz rá), miért mutat a mérő akkor is feszültséget, amikor a pwm épp 0-n van.
Ezt Härtlein Károly elég látványosan mutatta be, két gyereket megkért, hogy egy-egy kurblival forgassák meg egy-egy akkus fúró tokmányát. Aztán amikor a két gépet összekötötte, akkor egymás ellen dilgoztak a gyerekek. Mert a motor áramot termel. Neked is, amikor a PWM-ed túl van a 80% időegységén, akkor 0-t ad a motor felé, -de a motor forog a tehetetlensége folytán. Ekkor viszont áramot termel, ami feszültséget is jelent. Te ezt mérni is tudod. A hozzászólás módosítva: Aug 22, 2021
Megnézve újra a kapcsolást azt látom, hogy a potira az egyik láb a kimenetről megy és nem a tápról: Bővebben: Link
Sok kapcsolásnál a tápra megy az egyik láb. Ebben mi a különbség?
Valójában semmi lényegi.
-Amit linkeltél, ott a 3-as láb (amikor magas szinten van) tölti az ellenálláson és potméteren keresztül a kondenzátort. Amikor átbillen a flip-flop, akkor a 3-as lábat átkapcsolja alavsonyra, és afelé ürül le a feltöltött kondenzátor. Megspórolták a 7-es láb bekötését. -Az én rajzomon, amit fentebb mutattam neked https://www.hobbielektronika.hu/forum/topic_post_2449468.html#2449468 ott a tápról töltődik a kondi (az ellenállás, potméteren at), amikor átbillen, akkor szükség lesz a 7-es lábra, hogy le tudja ereszteni a föld felé. Gyakorlatilag mindkettővel ugyanazt érjük el. A hozzászólás módosítva: Aug 22, 2021
(Na, az előbb nem is arra a hozzászólásomra mutattam rá. De biztosan láttad a fentabbi, tegnap feltett rajzom)
A hozzászólás módosítva: Aug 22, 2021
Sziasztok,
Megépítettem az alábbi kapcsolást: Bővebben: Link Egy 5A áramfelvételű motort szeretnék vele vezérelni kb. 20kHz-n, de olyan 5-6Khz-től felfelé az IC erőteljesen elkezd melegedni, és minél magasabb a frekvencia annál melegebb az IC. Ez mitől lehet? 12V az IC tápja, a motor 24V.
A FET bemenő kapacitása a növekvő frekvencia miatt jobban terheli az IC-t. Ez természetes.
A kettő közé iktass be drivert. Sok ilyen kapcsolást találsz a neten. A hozzászólás módosítva: Szept 11, 2021
Sziasztok. Valakit érdekel ,letölthető - elvileg - a könyv.
https://drive.google.com/file/d/1tKxMNaulVd55U3c4Va-so0b5HT_ln0jS/v...haring
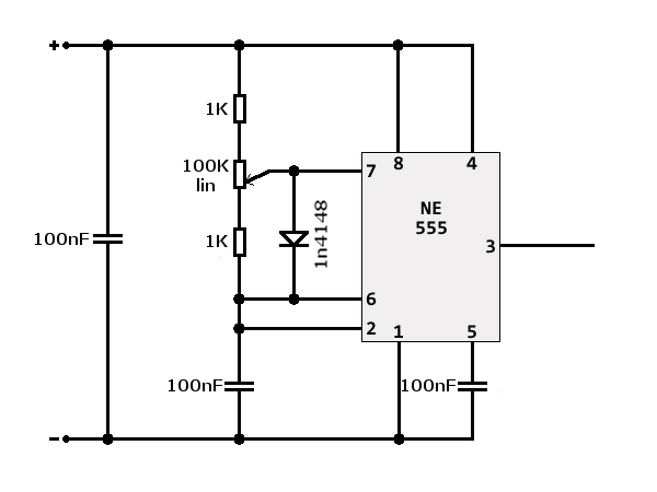
Az 555 kimenete miért van felkötve a tápra?
Inkább ne ezt, hanem a két tranzisztoros meghajtást használjátok: Bővebben: Link
Az 1 tranzisztoros megoldásnál a FET nyitása 330+10 Ohm-on keresztül történik, ami úgy lassabb lesz. kzozo: Az eredeti kapcsolás ITT található (3.1), abban ott egy 47µF-os kondi van a táp és GND között, nem a kimeneten rövidzár. Nyilván teszti a felesleges sallangoktól akart megszabadulni, de igazából nem véletlen van ott a Cb és D3 sem. A LED az ellenállással mondjuk elhagyható.
Attól hogy a rajzon a kimenet fel van kötve a pozitív tápra. Ez így egy marh...aság.
Így hiába teszel drivert, semmi nem változik. Szerintem nem kell driver mert a kimenet push-pull, felesleges. Hacsak már meg nem halt az alsó tranzisztor az ic-be. 47-100 ohm a kimenerte és mehet a fet gate-re. Én ezt építettem már vagy 10 esetben és hibátlan.
Hasonlót már mutattam neki aug 21.-én, csak egyetlen diódával -mert egy diódával is jól működik. És nincs keresztberajzolgatva, mint a netről másolgatott, radírozgatott...
De nem figyelt A hozzászólás módosítva: Szept 13, 2021
Sziasztok.
Olyasmi kellene nekem amira ráadva a tápot, a kimenet 2 perc kesleltetés elteltéve kiadja a pozitív 12 voltot és így marad akár órákig. Majd ha elveszem a tápot, és ismét ráadom akkor kezdje előlről a 2 perc késleltetést. 555-el nem tudom hogyan lehetne.
Hello! Az 555-el már nem túl szerencsés a dolog, de még megoldható. De az kissé ködös, hogy "kiadja a tápot", mert mekkora a terhelés? (Egyébként az Rt a rajzon ezt szimulálja.)
Koszi, mindjárt össze is dobom.
A kimenet mindegy, egy fetet hajt meg ugyhogy a terhelése az ic-nek nulla. A kimenet polaritása is mindegy, azt átforditom pluszra, minuszra. A késleltetés a lényeg.
Szia!
Attól függ, hogy milyen FET-et hajt meg. Az izmosabb fetek gate kapacitása azért feltöltéskor és kisütéskor eléggé igénybe veszi az IC komplementer kimenetét.
555-el 2 órás időzítés necces lesz, főleg, hogy 2 időzítési állapotod van. CD4060-al próbálkoznék, abban van oszcillátor is, alsó pár bitet kihagyod (ez lesz a bekapcsolási késleltetés), a felsőket meg összediódázod, az lesz a kimeneted. (csak egy kicsit számolgatnod kell oszcillátorfrekit meg bináris osztót).
|
Bejelentkezés
Hirdetés |

















