Fórum témák
» Több friss téma |
Fórum » Digitális forrasztóállomás
Nekem is nagyon bevált a Skori féle ( köszönet a jó megoldásért ) megoldás, nagy megelégedésel használom. Nagy előnye hogy akár autóban is tudom használni, igaz lassabban fűt fel ( de ez nem hátrány ).
Design-ban Skori dobozolásást követtem el. ![]() Nagy előnye a két pákás használhatóság, bár erre még nem volt szükség. Eddig elég volt egy páka is, max. más hegy miatt kellett a másik páka.
Megvettem Skori JBC páka vezérlőjét és lassan elkezd épülni. Szerintem december környékén lesz belőle bármi is. Mivel vannak alkatrészek amikből csak adott mennyiséget tudok majd rendelni ezért lehet, hogy majd lesz egy-két darab eladó alkatrész feltéve ha kell valakinenek.
A páka csatlakozóját nem fogom lecserélni hanem az eredetit fogon használni így ahhoz is kell majd rendelnem csatlakozót és abból is többet fogok hátha kell valakinek. Az eladó alkatrészeket és csatlakozó(kat) majd apróhirdetésbe fogom kirakni perha ha bárkit is érdekelne.
Sok IC hiánycikk lett mostanában a "chip válsággal" összefüggésben. Viszont a ChipCAD-hez érkezett MP2459, van MCP6V76 és MCP6561 is raktáron, bár ez utóbbiakból már csak néhány darab. Tehát akinek kell valamelyikből, annak érdemes gyorsan beszerezni, mert ha elfogy, akkor ki tudja mikor lesz megint...
A forrasztóállomás nyákján a SOT23 tokozású IC-k vannak. Az U-betűt tartalmazó típus-végződésű opampok és komparátorok nem jók hozzá, mert azoknak más a lábkiosztása, mint a sima verzióknak. A hozzászólás módosítva: Szept 24, 2021
Üdv!
JBC pákához készítenék egy állomást de a kapcsolási rajz szerint nem egyesíthető a GND. Ezért a "saját" rajz szerint oldanám meg. Működhet-e , ha igen kérnék méretezést az alkatrészekre. Köszönöm. A hozzászólás módosítva: Okt 21, 2021
Elsőként azt kellene tudni, hogy a pákád termisztoros vagy hőelemes. Illetve hogy külön ki van-e vezetve a hőmérő szenzor, vagy sorba (párhuzamosan?) van kötve a fűtőbetéttel.
Az áramkörödben a FET meghajtásához vagy egy NPN-PNP tranzisztor pár kellene, vagy egy opto-FET meghajtó, pl. TLP250, ami kifejezetten ilyesmire való.
Ezen kívül a FET megható táp részét le kellene választani egy plusz diódával, és egy pufferrel is szűrni, ellenkező esetben amikor a szinusz közelíti a nullaátmenetet, pl. már csak 4....8V körül jár, akkor nem lesz túl jó a FET meghajtása. Ha a táp 24V, akkor még egy stabkocka sem ártana a FET meghajtóhoz - mert így önmagában ez meg sok lenne tápnak. Tranzisztoros FET meghajtás esetén is figyelembe kellene venni a tápfeszültséget. Azonban a FET-meghajtós változat azért szerencsésebb, mert az kapásból tartalmaz alacsonyfesz. védelmet is. A tranyós megoldás esetén ez nincs, tehát vagy a szoftverből kell megoldani (ha te írod a szoftvert), vagy reménykedsz, hogy gondolt erre a szoftver készítője, vagy hardveres megoldást készítesz. Az eredeti rajzot nézve, szintén nincs hardveres alacsonyfesz. védelem, tehát a szoftver elvileg megoldja a kérdésnek ezt a részét. A FET-meghajtó rész korrektebb táplálását viszont akkor is meg kellene oldani. A hozzászólás módosítva: Okt 21, 2021
Ha kimondottan JBC pákához kell, akkor tudom ajánlani a saját állomásomat (Bővebben: Link), ezt már jónéhányan sikeresen utánépítették.
Köszönön de ez nekem magas . Olvasva a művedet csak gratulálni tudok. Talán a fet-es részt át tudnám venni de ahogy írtad is az még kevés.
Megépítem az alap kapcsolást ami triak-os és ha mégsem működne maradok a régi LM 324-es triak-os megoldásnál. ( Egyik példány már több mint 10 éve működik a másik a hőfok kijelzőssel már sokat szenvedtem és helyette akarok mást a fiamnak)
A JBC páka kicsit más mint a hagyományos fűtőbetét+hőelemes pákák.
Magánban kaptam üzenetet, miszerint nehéz az IC-k beszerzése a forrasztóállomásomhoz.
Itt (is) válaszolok, mert mást is érdekelhet: ChipCad: MCP6V76T-E/OT : 7db elérhető MCP6561RT-E/OT : 28db MCP9700A-E/TO: 266db (ez a hestore-ben is elérhető, de több mint 3x-os áron) MCP6V66T-E/OT : 10db (MCP6V76 helyett berakható, picit lassúbb, de még belefér) MCP6V91T-E/OT : 3db (MCP6V76 helyett berakható, csak drágább) MP2459: nemrég még 1000db volt raktáron, de mára elfogyott... TME: MP2459GJ-P : 500db TS3021: 35db A hozzászólás módosítva: Okt 25, 2021
Egyelőre csak elméleti jelleggel elgondolkoztam rajta, hogyan lehetne módosítani a vezérlődet úgy, hogy SMD csipesz pákát is tudjon kezelni (aminek mind a két szára külön fűtőbetéteket tartalmaz). Ha helyes a gondolatmenetem minden adott, csak azt kell összehozni, hogy a tartóból kivételekor a "B" csatornán lévő páka vezérlését is az "A" pákához rendelje hozzá, mert akkor a két oldala külön is szabályozhatóvá válik. Mondjuk menüben kiválasztható, hogy az "A" páka sima vagy csipesz, ha az utóbbi, akkor a tartóba visszahelyezés után visszaadja a másik vezérlést a "B" pákának, ahogy a kivételekor átvette tőle.
Életképes ötlet szerinted? A hozzászólás módosítva: Okt 25, 2021
Csipeszpáka esetén elvileg elég összekötni a két pákatartó érzékelő bemenetet. Így olyan lenne, hogy mindkét pákát egyszerre veszed ki, vagy rakod vissza a tartóba. A csipeszben a két páka közös pontját össze kell kötni (lehet, hogy gyárilag össze is van kötve), hogy a két pákacsúcs között ne legyen feszültségkülönbség.
Értem, köszönöm, kipróbálom ha eljutok odáig, hogy meglesz minden hozzávaló, alkalmasint keresni foglak a vezérlő miatt.
Szia, nálam is tervben van az építés, a nyákok már úton vannak, pár alkatrész biztosan érdekelne.
Szépen lassan épül az állomás. A TME-ből is már megjöttek az alkatrészek kivéve a TS3021. Meg még a ChipCAD ből is kell 3db alkatrész. De lassan készen lesz.
Sajnos vannak olyan alkatrészek amiknek a szállításat 2022.08-ra ígérik. Így nem tudom mikor lesz kész a panel. Mikor elkeztem beültetni a 1206-os SMD alkatrészeket akkor kicsit fura volt számomra a méret mert mostanában csak 0805-nel kisebb alkatrészeket forrasztottam.
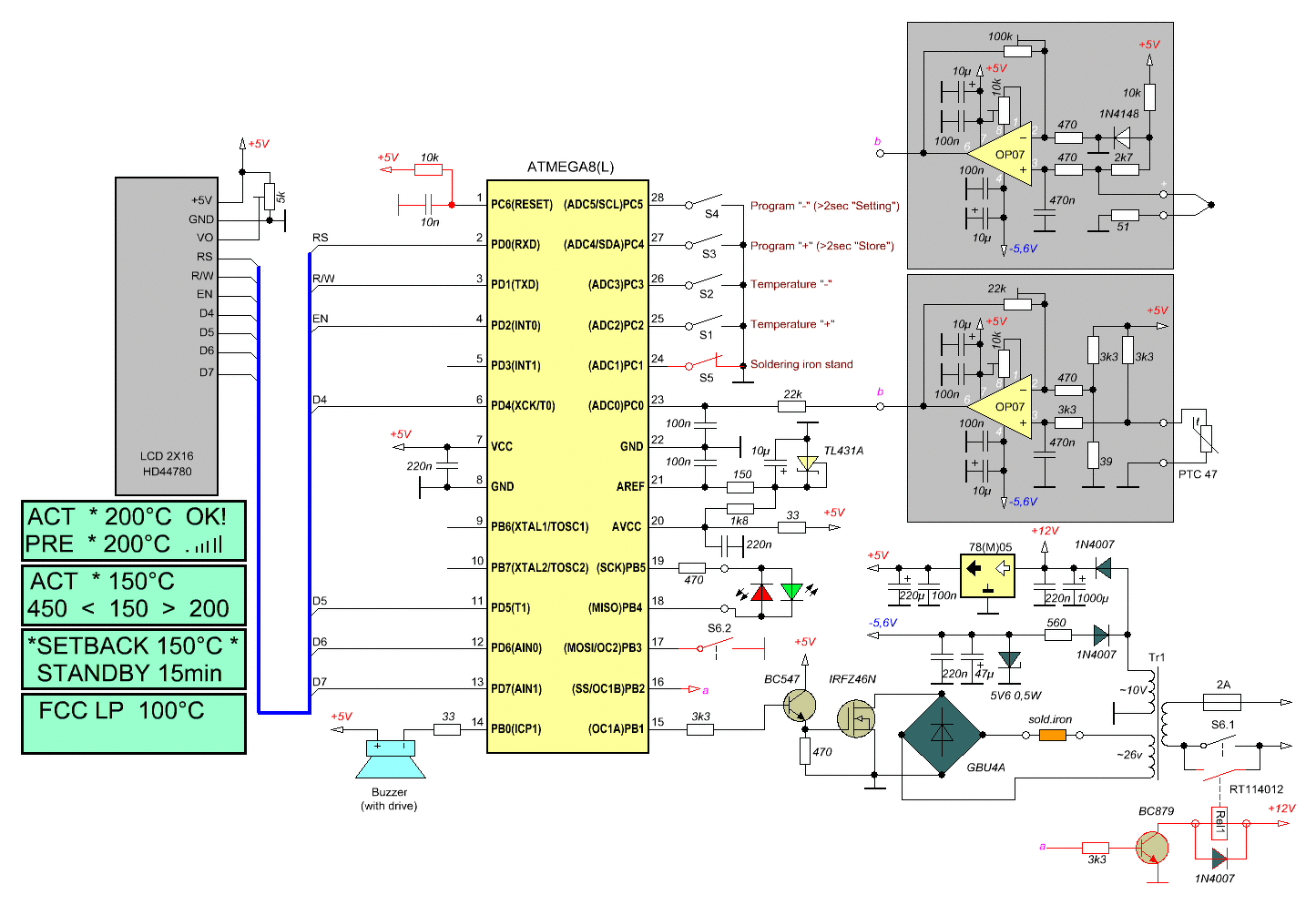
Kész az állomás a képen lévő kapcsolás alapján és jól működik (lehetnek hibái a kapcsolásnak de eddig nem látszott). A mérő erősítő alkatrészei nem "méretezettek"- a gyakorlatban ez hozott elfogadható zavarszűrést. Külön köszönöm Skori-nak , az ő projektjéből "vettem" bemeneti kapcsolás ötletét.
Hello! Jópofa lett. De ez a "néger az alagútban" kapcsolási rajz szándékos?
Csak képernyőkép én így szerkesztek de itt van pdf-ben.
A hozzászólás módosítva: Dec 8, 2021
Jól néz ki. A kapcsolási rajzon nekem furcsák a termoelem erősítőbe rakott nagy időállandójú RC tagok, mert ezek időállandója összemérhető vagy nagyobb mint a páka termikus időállandója, és így esetleg ronthat a szabályozás pontosságán, ill. stabilitásán. Nem véletlenül alkalmaztam nagyságrendekkel kisebb időállandójú szűréseket.
Azért is írtam, hogy nem méretezett. Lehet sokkal kisebb értékekkel is működne de nem tudhatom hol a határ.. A pwm jel 27-33Hz és így frekvenciában és kitöltésben is szabályoz ( oszcilloszkópon nézve). Mint az elejés írtam a program adott és így ennyit tudtam kihozni belőle.
A hozzászólás módosítva: Dec 8, 2021
És a progi, vagy a hex mennyire publikus ?
Itt megtalálod az "eredeti" leírást.
Bővebben: Link
Jól néz ki, csak kár, hogy egy "t" betű lemaradt...
Az már marad úgy -egyébként a Google fordító: "digitális forrasztóberendezés" -nek fordítja. A következő a képen -ezen már helyesen van írva.
Csak tájékoztatásképpen, ha más is épít forrasztóállomást mostanában:
AOI423 FET van a TME-nél raktáron, jelen pillanatban 2347db: Bővebben: Link
Skori digitális forrasztóállomásához van esetleg valakinek MP2459GJ 2db eladó? Vagy ha valaki rendel Farneltől, 2db-ot szívesen átvennék
. A hozzászólás módosítva: Dec 16, 2021
Szia, szerintem ezen ne aggódj, az a rész "egy sima tápegység ami a tápfeszültségből csinál 5V-ot"
Az R7,R8,R9,R10,R11,C4,C5,C6,C7,C21,D2,D3,L3 és IC1 kihagyásával a bemenő feszültség a C13-as lábairól leveheteő, a kimenő pedig a C8 lábaira köthető. Innentől akár lehet egy 7805 stabilizátor vagy valami kapcsolóüzemi mini modul, én például DSN-1504-3A-t kötöttem be, ez volt a fiókban, működik. |
Bejelentkezés
Hirdetés |



















