Fórum témák
» Több friss téma |
Kedves Utókor!
A hozzászólás módosítva: Okt 3, 2021
Moderátor által szerkesztve
De gyors vagy.
![]() Annyi a különbség, hogy a 100n kondi a TPC8107 drain-gate között van. Kicsit lágyítja az fet bekapcsolását. Éppen elkezdtem volna lerajzolni, amikor látom hogy már megtetted. Amúgy köszönöm, ez szebb lett, mit az én ceruzás rajzom lett volna.
Első ránézésre nekem is fura volt Topi rajza, de aztán a leírását olvasva egyértelművé vált.
A "titok" a drain-source dióda. Első pillanatban az vezet, majd a fet kisöntöli a majdnem rövidzár csatorna ellenállásával.
Ismét támogatott a sors. Ugye megcsináltam a DC-rő járó TCP pákát a mütyűr fetekkel.
Szép és jó, labortápról kiválóan megy, de azért a labortápot nem erre szánnám. Tegnap egy más ügyből kifolyólag kezembe akadtak az évek óta a pincében pihenő Simatic PLC moduljai. És a tápegysége ....... 24V 2A. Ez a sors keze nem vitás.Gyártok neki agy kis dobozkát, kapcsolóval ledekkel, banán hüvelyekkel. A pici panelből kellett készítenem egy még kisebbet, mert az elsőnek a széle elakadt a páka nyélben. De az új már tökéletes. A hozzászólás módosítva: Okt 4, 2021
A Simatic táp meglelésén felbuzdulva az újabb páka is megkapta a DC opciót.
A kisebb nyák simán becsúszik az új weller vékonyabb nyelébe is.
Üres nyákról tudnál föltenni fotót?
Köszi szép munka grat.
Tessék.: 0,8mm-es lemezen van. A nyélben a szegecsek füleit levagdostam a szélső kivételével.
A kapcsoló felé lévőt meg kiszedtem. 3 maradt. A panel kicsit meg van emelve úgy, hogy ahol nincs furat kis műanyag lemez darabkákkal ( régi bankkártya kiváló ) dúcoltam alá. Így a - pólus bekötő vezetékén, ami egy 1N4007 dióda levágott lába, nem billeg. ( gyűjtöm az ellenállás és egyéb réz alapú lábakat, hasonló estekre kiváló, plusz nyákokon az átkötésekre is. ) Hátul a vezetékeket értelem szerűen kell beforrasztani. A csillogás ne zavarjon meg. Alkoholban oldott gyantával kentem be. Kiváló folyatószer. A hozzászólás módosítva: Okt 4, 2021
P-s fetet melyik laptop akkuból lehet bontani? Csak N-est találok kb 10 fajtát néztem végig. kössz!
Soha nem néztem. Régebben bontottam több fajtát az akkuk miatt, és a BMS-eket félre tettem.
Amikor a páka project indult, megnéztem ezeket a fetek miatt, és volt mindkét fajta. De végső soron a Hestore kínálatából is lehet venni.
Laptop alaplapokon is találhatók ilyen FET-ek. Ha netán Bp-i vagy, nézek neked valami bontani valót.
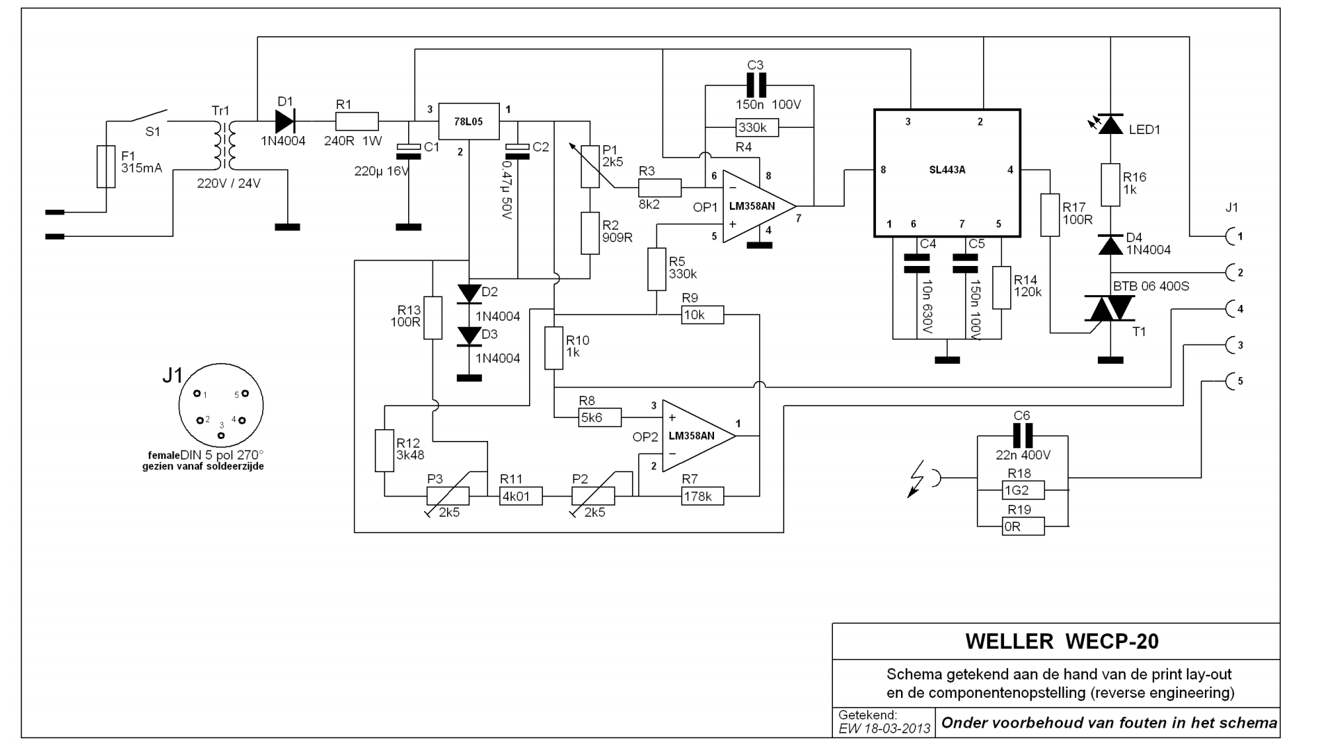
Üdvözletem! Lenne egy kérésem , nincs valakinek meg a Weller WECP-20 eredeti kapcsolási rajza? A felhasználói kézikönyvben csak a beültetési ábra van publikálva . Ahhoz kellene az eredeti gyári kapcsolási rajz. Köszönöm!
Egy lehetséges oldal képekkelBővebben: Link
Csatolom képként (a neten találtam valahol)...
A hozzászólás módosítva: Dec 12, 2021
Hello! Lehet hogy a németek precízek néhol, de ezt a rajzot egy vízvezeték szerelő másolta le az biztos. Ráadásul hibásan. Mert hogy az R5 nem az R9 baloldalára megy, hanem a jobb oldalára, az biztos.
![]() Meg trimmerrel sorba precíz ellenállálsok? Az 1.2 Gohm-al párhuzamosan egy 0 Ohm az hatékony lehet. A hozzászólás módosítva: Dec 12, 2021
Szia! Én ezt találtam a winyomon.
Már bocsánat ha okoskodásnak tűnik a dolog, de ezen a rajzon is találok két kivetnivalót.
- Az egyik, hogy a PTC értékének a 20 Ohm tartományába kell hogy essen, a 10k az abszurd. - Másik, az OPA tápellátása, nem kapcsolódhat az 5V-os stabi kimenetére, mert az Ic2a kimenete nem képes az 5V-ra felmenni. Így a hőfokbeállító P3 poti felső része használhatatlan lenne. Az előző kapcsolásban az SL443 belső sönt stabilizátorát használták előstabilizálásra, és egyben ez adta az OPA 14V tápfeszültségét és így mehet a bemenete-kimenete az 5V (6.2V) tartományba, hiszen így a kimenete is már elérheti ezt a szintet. Szerintem itt is az SL443 3-as lába és az OPA tápja a 220µF-ra csatlakozik.(Bár az előző rajzon is hiányzott az SL 3-as lábával sorba kötött korlátozó ellenállás, mert hiányában az Ic tönkre menne..)
Üdv! Akkor hibásak lennének a rajzok? Van egyáltalán jó rajz a neten erről az állomásról?
Mind két rajzon van hiba, de a kettőt "összefésülve", rálelhető a valóságra. Hogy mi van a hálón, azt én azt honnan tudnám.
Én mindössze próbáltam értelmeztem a kapcsolást a rajzok és az Ic adatlapja alapján.
Sziasztok!
Kálmánnal építünk egy Weller WSD81-es állomást, minden megvan hozzá, csak a trafó nincs. Abban kérném a segítségeteket, hogy volna oly kedves valaki, és megmérné mekkora pakettvastagságú a gyári trafó a WSD81 állomásban, ami biztosan elfér? Azt már tudjuk, hogy EI84-es mag kell hozzá, de a trafó külső méreteivel kapcsolatban bizonytalanok vagyunk. Nagy segítség volna, ha le tudnátok mérni ezt nekünk. Előre is köszi!
84 mm széles, 70,25 mm magas. A tekercsnél a szélesség 64.4mm.
Köszi szépen! A pakettvastagságot meg tudnád még mérni?
Szivesen. Holnap délután le mérem pontosan, de olyan 20-25 mm körül van.
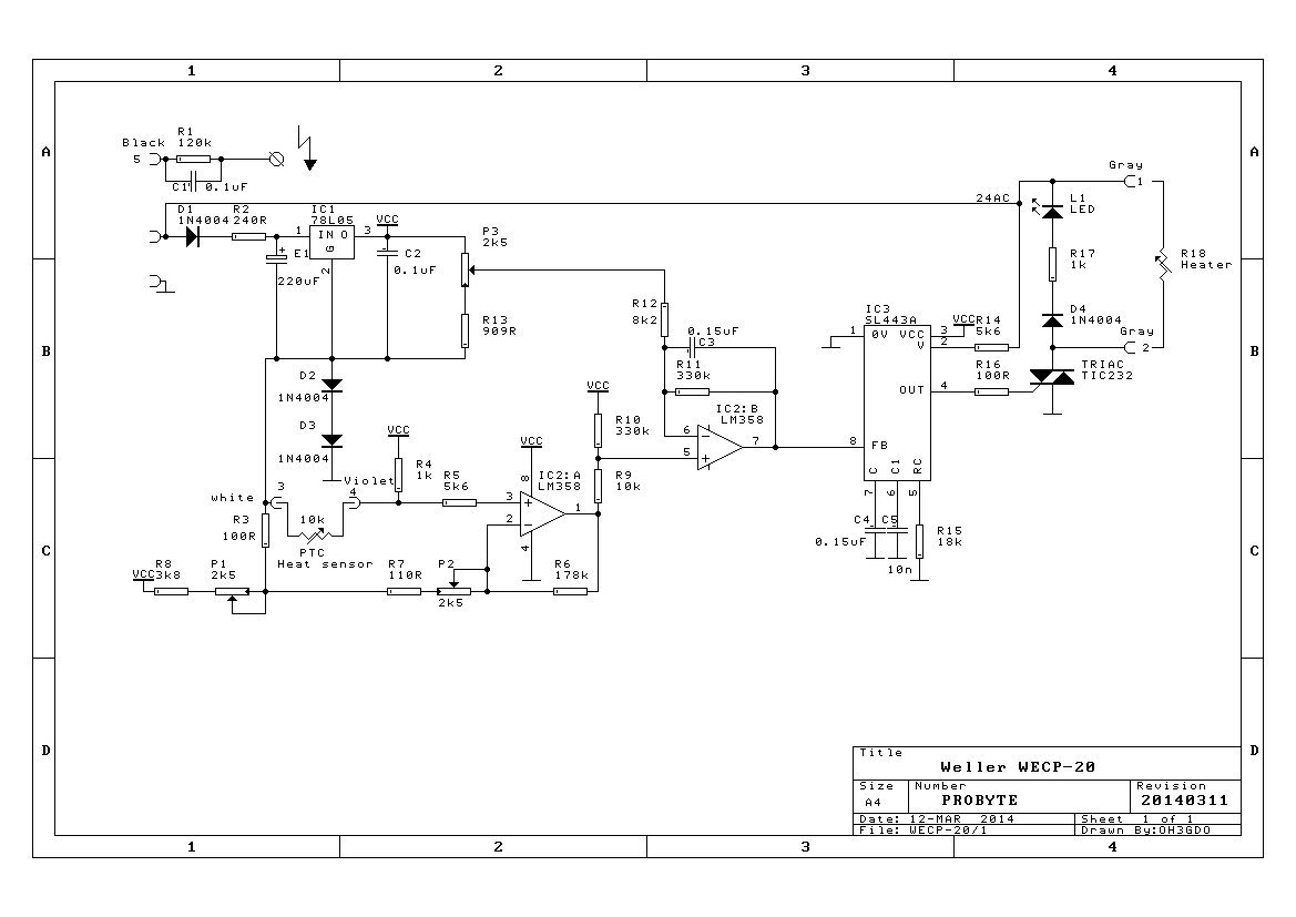
Idézet: „ezt a rajzot egy vízvezeték szerelő másolta le” ![]() Idézet: Ezt a részét szeretném "megvédeni".„Az 1.2 Gohm-al párhuzamosan egy 0 Ohm az hatékony lehet.” Az a 0 Ohm-os ellenállás ott egy "jumper", és a felhasználó döntheti el, akarja-e "aktiválni" azt az RC tagot a potenciál-kiegyenlítő körben. Ez explicit benne is van az WECP20 kezelési leírásában (angol szövegből idézem, 19 oldalról): "3. Potential equalisation Potential equalisation of the soldering tip can be achieved using the 4mm metal socket on the front side of the unit. [...] Potential equalisation is factory set with 0 Ohm impedance. R/C filter 120 KOhm/22nF is possible by disconnecting a wire jumper on the regulator circuit board (circuit diagram point 7)." @orizon: Idézet: „Van egyáltalán jó rajz a neten erről az állomásról?” Valószínűleg van, egyszer régen sikerült lementenem a gyári eredeti rajzot. Annak alapján, és egy eredeti WECP-20 panelen visszaellenőrizve készítettem anno az alábbi rajzot. Mivel az eredeti panel előállítása volt a célom, a kapcsolási rajzon a kivezetékezett (a panelra nem beültetett) alkatrészek (pl. LED, trafó, páka fűtőszál illetve platina szenzor, stb.) nem szereplenek rajta, csak a csatlakozópontok találhatók meg.
Legalább kétféle trafóval készültek a WSD81-ek (illetve a PU81-ek is).
A régebbi, "Made in Germany" verzió valamivel nagyobb méretben és teljesítményben (készülékház adattábláján 95W van, de magán a trafón 120W). Ennek a pakettvastagsága 29 mm. Láttam több újabb, "Made in Mexico" (vagy egyéb országban készült) változatot, amelyek ehhez képest valamennyire ki voltak könnyítve, de nem számottevően - ilyet sajnos most nem tudok megmérni.
Na, még ezt is megtaláltam, az előző rajzom letisztított, áttekinthető formában.
(Ahogy nézem, a fűtésvisszajelző LED körét és a potenciál-kiegyenlítés jumperét/RC-szűrőjét valamiért lehagytam róla, de a lényeg rajta van.)
Jogos, nem is figyeltem.
Sziasztok,
szeretnék segitséget kérni páka kábel beszerzéssel kapcsolatban. 3 és 5 vezetékes hőálló, és megfelelően hajlékony kábel beszerzési forrás érdekelne emberi áron, nem a weller alkatrész áraira gondoltam. Előre is köszönöm a segítséget.
Én is kerestem sokat (pl. "szilikon kábel 3x0,25"), de itthon csak piros (barna) külső szigeteléssel találtam, és csak 0,5 mm2 vagy afölötti keresztmetszettel, ami 5 eresnél már elég vastag és merev.
Íbéjen vagy alin szoktak ilyet árulni (pl. keresés), pár éve vettem onnan, vékony, hajlékony, tényleg hőálló. Az ára mostanában eléggé felment, amire rájönnek még a vám/áfa/M.Kir.Posta sarcok.
Hónapokon át kerestem és nem találtam. Vagy vastagok vagy nincs elég ér benne vagy kicsit sem hőálló. Az egyetlen ami ilyen az az Ersa I-con és Pico pákáin lévő gyári kábel, 4mm külső átmérő és 5 ér van benne. Így vettem egy ilyen pákát.
A másik alternatíva, JBC 245-ös hegyek használata, alkalmas vezérlővel bármilyen 2 szál drót elég hozzá, nem kell semmiféle spéci kábel de még köpeny sem rá, annál könnyebb és hajlékonyabb semmi nincs. A nyél meg lehet fa, vagy poliamid műanyag, nekem utóbbik vannak házilag készítve, minden hegyhez külön nyél, de használható a gyári nyél is, és akkor egy mozdulattal cserélhető a hegy, cserébe merevebb mint a 2 szál drót. |
Bejelentkezés
Hirdetés |





















