Fórum témák
» Több friss téma |
Fórum » Ki mit épített?
Ez a téma ha úgy tetszik a mi "kiállítótermünk", nem pedig a ki mit csinált volna másképpen, mások helyett, és legfőképpen nem javítós téma.
Minden készüléknek van saját témája, ott kell kitárgyalni a részleteket!
FONTOS! A kapcsolási rajzok keresésére is van saját téma, ott keressetek rajzokat!
Szia!
Ez nagyon tetszik mennyire publikus? Lehet koldulni Tőled dokumentációt?
***
Egy tárcsás mobiltelefon ? Már az ötlet is hatalmas. Komolyan mondom, még engem is érdekelne. Lehet átalakítanám a még mindig falon lógó, használaton kívüli "nyomogatós" telónkat. Na! A hozzászólás módosítva: Jan 13, 2022
Moderátor által szerkesztve
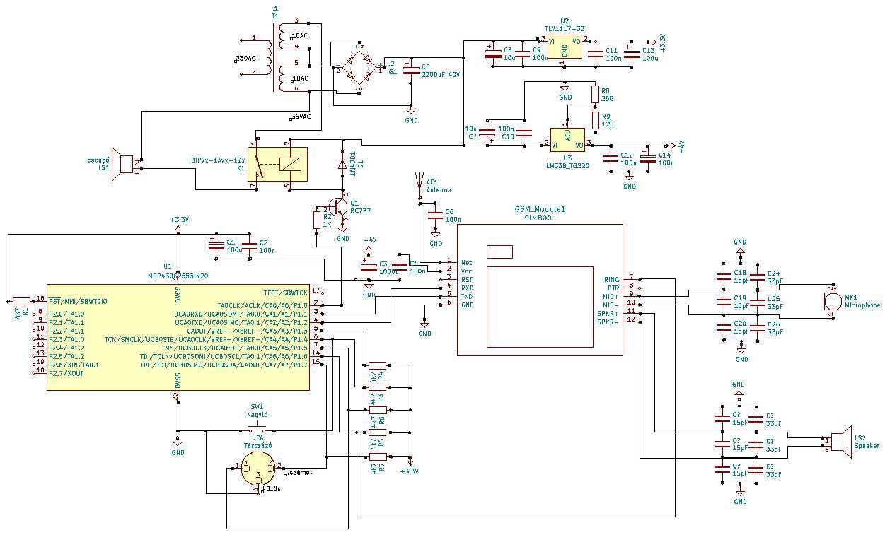
Publikus. A proci Msp430g2553 aki kéri átküldöm a hex filét és a rajzot is (rajz nincs de csinálok a hétvégén).
Megköszönném ! Bár a mechanikus tárcsázót nem tudom látatlanban, hogyan lehet helyettesíteni egy nyomógombossal.
Ahhoz az egész progit át kell írni mert a tárcsázóhoz csak 3 vezeték kell a nyomógombokhoz minimum 7.
Nem biztos az, bár nekem csak a bátyám tanult telefonszerelônek, meg ameddig ilyen létezett addig tette is, én úgy tudom a régi magyar telefonokban a nyomógombos tárcsázó elektronika emulálta a mechanikus tárcsázót, tehát ha a program most úgy megy hogy számolja az impulzusokat amikor forog a tárcsa akkor fog menni a nyomógombossal is.
A jobb nyomógombosok dtmf kódot adtak, de talán olyan nyomógombos is volt amelyen át lehetett váltani az impuzus/dtmf mód között.
Szia!
Hogyan oldottad meg azt a problémát, amit az okoz, hogy a GSM modul megszórja a hosszú vezetéket, ami a kagylóhoz megy? Az enyémben nagyon hallatszik a GSM multiplexálása, vagy mi a csoda.
12 db kerámia kondi került a kagylóba. 6db 15pF és 6db 33pF, a gsm antennát egy 100nF le testeltem. Kristálytiszta lett a hang, nincs semmi zaj. hétvégén megcsinálom az egész kapcsi rajzot és megosztom a hex fájllal együtt most nincs időm rajzolni.
KBal76 Igen az impulzusokat számolja és a teljes számot sorosan küldi ki a gsm modulnak. Hidd el a progi átírása nélkül nem fog menni, egyszerűbb beszerezni egy tárcsást.
Én egy mikrofon erősítőt tettem a kagylóba. 1-2 Vpp-s jel megy le a GSM modulig, ott van leosztva újra a jel akkorára, hogy a GSM modul fogadni tudja, de így sem az igazi. Persze, ha a mikrofon közvetlenül a modulon van, pár centis vezetékkel, akkor semmi gond.
Hello! Gratulálok! Nekem ennek a telefonnak tetszett legjobban a csengőhangja, amióta telefon van..
Szia! Kár, hogy MSP van benne, nincs hozzá programozóm..
![]() A régi MM nyomógombos készülékek ugyan úgy pulse üzemmódúak voltak, csak a nyomógombos "tárcsázó" elektronikusan állította elő a szaggatást. EZ CSAK AZ MM telefonokra érvényes! Pl: CB81MM Azzal gond nélkül menni fog.. Ha olyan lenne kéznél..
Egy ilyen készülékről lenne szó, ha segít valamit ...
Olyan készülékre van szükséged, ami készült még tárcsaműves kivitelben is és a nyomógombos egység külön működik. CB81 széria pl jó, de nem valami szép, érdemes egy CB 76MM-et beszerezni nyomógombos kivitelben. Vagy ha van Puskás börze, ott kapsz új nyomógombos egységet és csak színazonos készüléket kell keress.
Pont ezt írtam hogy a régi magyar nyomógombosokban, nem ezek a szögletes újkori rémségek.
Jé, régen ilyenünk volt, csak MATÁV-os kivitelben.
(Már nincsen meg.)
Köszönöm, pont a csengőhang miatt esett rá a választás egy 76mm- el akartam elkezdeni, de szerencsére ráakadtam errre a cccp készülékre.
A magyar készülékek közül ennél csak a CB811-el volt több probléma.az üzemeltetésben. Az említett MM76, fém talpal jó választás. Még a műanyag fajtája is jól sikerült, mert nem volt törékeny. Jó konstrukció is volt. Csupán a saruzáshoz kellett némi ügyesség hozzá. A hozzá gyártott nyomógombos tárcsa impulzus üzemmódú volt. Az üzemelési háttér miatt előfordult, hogy tranyót kellet benne cserélni. Még az akkori főnök-titkári készülékekbe is szívesen használták, mert így modernebbnek vélték a megszokott masinát.
Tudom, hogy megvan a saját stílusod, de szerintem így szebb eredményeket lehet elérni és könnyebb a módosítás is (OpenOfficeDraw)
A hozzászólás módosítva: Jan 13, 2022
Retro tárcsázós mobil telefon kapcsolási rajza és hex fájlja
Eddig olvastam, a 100n és a GSM antenna kapcsolatát. Akkor is, de most látva, hogy egy RF kimenetet "hidegítesz" gyakorlatilag RF szempontból rövidre zársz egy kondenzátorral. Persze, hogy megszűnt a gsm morgás, mert a power 'benne marad' (visszaverődik) a kondenzátorban. Ezért kicsi a kimenőteljesítmény ami az antennára jut, cserébe a modul full teljesítménnyel tolja mert a térerőt is söntöli a kondi. Cserébe melegszik a modul, és ha jól sikerülne a söntölés akkor a modul RF-végfokozata tönkre is menne.
A hozzászólás módosítva: Jan 14, 2022
Maga nemében tökéletes.
Én mondjuk a tápellátást és a kondi bankokat kicsit másként csináltam volna, de működik és ez a lényeg.
Sajnos a te készüléked (meg bármelyik másik sem elektronikus hivóművel) nem fog működni DecebaL megoldásával. Nincsen miből táplálkoznia a hivóműnek. Táprészt (is) át kellene dolgozni. Holnap börze, kis szerencsével kapsz hagyományos tárcsát/telefont (ahogy irták is).
Mi lesz ebből, lábbal hajtós lézerpointer?
Összeszereletlenül könnyebb szállítani. Gergő szerint.
Gergőnek lehetne egy másik varrógép álványa (majdnem másként fogalmaztam saját állványa).
Elviszem felületkezelni (ha kell és már megvan az alap), meg bükkfalapot is sikeritünk rá, igény szerint (OBI-ból)... A hozzászólás módosítva: Jan 14, 2022
Hát ez nagyon szép lett.
Igen, Kálmánnak igaza van, szétszedve könnyebb szállítani... (hozzám... ) Egyébként a falapot lelakkoztátok? Hamar elkoszolódik, ha natúran kezditek használni.
Sziasztok!
A kinézete sajnos hagy kivánnivalót maga után, de szilveszter napján ami elérhető közelségemben volt abból hoztam össze. Ellenben nagyon jól szólt aznap, a Parkside akksik is bírták végig. Az alapja két Bluetooth 5 TWS mono TPA3118, miután párosítva van sztereo módban szól. Két parkside töltő lett szétszedve és beleragasztva egy-egy modul és azok felcsavarozva a hangfalra a töltés visszajelző ledek furatain keresztül. A hozzászólás módosítva: Jan 14, 2022
|
Bejelentkezés
Hirdetés |





mennyire publikus? Lehet koldulni Tőled dokumentációt?



















