Fórum témák
» Több friss téma |
Bocs nem voltam egyértelmű, én az utolsó ferritre értettem, hogy maradok annál. Vettem is belőle kettőt meg az alatta lévőből is. Ilyesmire gondoltam.
Ez teljesen jó. A tekercselési irány fontos, hogy a kettő kimenet között legyen a legnagyobb induktivitás.
Minden különösebb gond nélkül párhuzamosíthatóak. Miután FET kimenetűek és maguk a nagyteljesítményű FET-ek is sok sok kis párhuzamosan kapcsolt FET-ből vannak létrehozva. Azon kívül az azonos típusú kapcsoló üzemű bipoláris tranzisztorok is emitter ellenállás nélkül párhuzamosíthatóak. Olyannyira, hogy pl. az L298-as adatlapján példa is van a párhuzamos kapcsolásukra.
Az emitter ellenállás használata párhuzamosításnál a lineáris munkapontban használt tranzisztoroknál szükséges az eltérő áramerősítésük miatt, kapcsoló üzemben erre nincs szükség.
Néhány észrevétel, ahhoz, amit írtál:
Az egy chip-en létrehozott kapcsoló elemek együtt futása jobban garantálható, mint a külön tokban lévő, ki tudja mikor gyártott áramköröké. Az L298-as adatlapjában sem találtam olyan kapcsolást, hogy kettő külön tok párhuzamosítását javasolná. A korábbi beszélgetésben nem emitter ellenállást javasoltam, hanem olyan induktivitást, ami az esetlegesen eltérő kapcsolási idők miatt kialakuló feszültség különbségek alatt az áramot korlátozza. Ez nem a bekapcsolt állapotban, hanem a kapcsolási folyamat alatt juthat szerephez.
Az L298-nál egy tokon belüli 2 híd párhuzamosításáról van szó. De azonos topológia alapján gyártott alkatrészeknél nincs akkora paraméter szórás, hogy ne férjen bele a tűrésbe (de természetesen nem kizárható, főleg, ha más gyártótól származik).
Úgy gondolom, hogy felesleges az az induktivitás (az emitter ellenállást azért említettem, mert hasonló a szerepe, áramkiegyenlítést végez), mert azonos típusnál nincs akkora be és kikapcsolási idő eltérés, hogy az az alatti idő alatt meghaladná a kapcsoló elem csúcsáram paraméterét. Azaz még ha valamennyivel előbb is nyit ki az egyik kapcsoló, mire elérné a csúcsáram értéket a rajta átfolyó áram, addigra kinyit a másik kapcsoló is. Ha mégis nagyobb biztonságra szeretnéd méretezni az áramkört, akkor az induktivitást nem kapcsoló áramkörönként kell elhelyezni, hanem egy nagy áramú légmagos tekercset sorban a terheléssel. Ez biztosítja azt az időt, hogy a két vagy több nyitási/zárási időkülönbség alatt az áramerősség ne tudjon túl gyorsan változni. Ha mindegyik kapcsoló ágát késlelteted, akkor csak időben tolod el a különbségeket, egyformán mind a kettőnél (és egyben lassítod is az áram meredekségét, - dI/dt - de erre alkalmas az egyetlen tekercs is).
Lerajzolnád, hogy hogyan képzeled a terheléssel sorba kötött egy darab tekercset, ami az eltérő kapcsolási idők miatt kialakuló áramnak a meredekségét korlátozná?
Én sem raknék be semmit a két meghajtó kimenetére.
Nekem onnan jött a bogár, hogy nem találtam konkrét megoldást azon a rajzon kívül amit az előző oldalon mutattam. Nem hinném, hogy csak nekem lenne igényem pár plusz amperre. Annál a rajznál írta is a szerző, hogy nem próbálta ki csak lerajzolta. Ha megjön minden majd kipróbálom így is, úgy is, valószínűleg észre veszem ha valami nem oké.
Sziasztok!
Végre eljutottam odáig, hogy összeállt a mechanika, és ki tudtam próbálni a fentebb tárgyalt párhuzamos kötést. Hestore-ban vásárolt modulokat használtam amik egyformák ugyan, de nem egy alomból valók, mert a panel színében van egy kis eltérés. Nem dolgoznak együtt, az egyik felmegy 60 fok fölé a másik 40-en malmozik. Az induktivitás sem segített, bár nem tudom egyáltalán jól készítettem-e el. Még korábban Ebay-en vásárolt modulom volt itthon ami egy kicsit tér el a Hestore-s változattól. Kivettem a nem dolgozó modult, és betettem a helyére az Ebay-est a így már egész jó, 5 fokos eltéréssel dolgoznak. A gyári hűtés édes kevés, ezért kaptak egy közös hűtőblokkot.
Sziasztok!
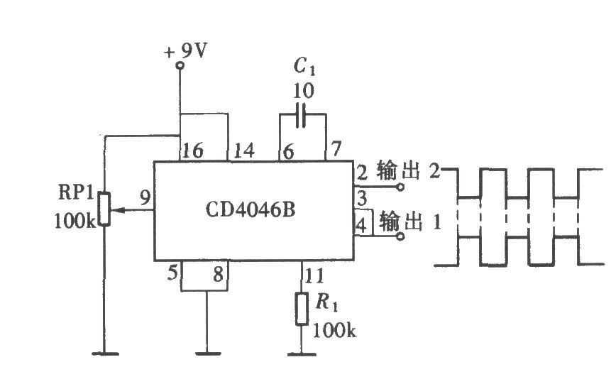
H-híddal kellene meghajtanom ultrahang piezót (kicsi, a teljesítménye sem nagy). Több dolog is jó lenne amiben segítségeteket kérném. A jel amit rá kell engednem a piezóra 38-42 KHz Chirp jel lesz. Ehhez kellene VCO, de neem találtam olyat, ami 50, vagy max 100 KHz-ig menne, minden MHz-ben van. Ez azért nem jó, mert a vezérlőveszültség igen kis tartományban kellene ebben az esetben. Ezért 555 timerrel készítem el a VCO-t, de ha valaki ismer ilyen kis frekitartományú VCO-t, azt szívesen venném. A másik gond a H-híd. FET-el nem szeretném megoldani, mert ahhoz driver is kellne, nem olcsó. Sima PNP, NPN tranzisztorokkal kapcsolnám, az 555-ből kijövő jellel. Az egyik párt természetesen az 555-ből kijövő jel logikai negáltjával. A gondom az, hogy nem tudom milyen típusú tranzsztorok kellenek. Mármint melyik az ami ekkora tempót bír. Darlingtonos szerintem nem kell ekkora kis teljesítményre, de nem ismerem a gyártókat, milyen nevű kellene. Itthon 2n7000 u3 MOSFET-em van, nem tudom, hogy kell-e driver ha ebből építeném meg. PNP 45V -0.8A ONSEMI BC327BU NPN 45V 500MA BC337 tranzistoraim vannak. Rendelnem kell 555-t, de addig nem, míg nem tudom, hogy ezek jók-e. Ha nem, rendelnem kell ezeket is, de milyet? Köszönöm!
Helló!
Azt gondolom igen, nem is rossz ez. Benéztem, a PLL áramköröket nem néztem. Most már csak ki kell derítenem a frekvencia függését a vezérlő feszültséggel, illetve azt, hogy tudom-e használni, mert 10-20ms alatt kell változnia a frekinek 4KHz-et. De ez még változhat. Keresem az atatlpban a pontos összefüggést, de eddig csak a függvényeket ábrázolva láttam, de jónak tűnik!
A kalkulátor link nem jó szerintem. Újra el tudnád küldeni? Köszi!
Elküldhetem, de nekem be jön. Bár azt írja, hogy "nem biztonságos"
Kalkulátor
Ilyesmit szoktam használni hangfrekis dolgokhoz. De megy magasabbra is. Az 5-ös láb az az engedélyező. Mikrokontroller DAC-ról hajtva nagyon széles tartományban dolgozik. Persze az R-C tagot módosítani kell. Nekem a hangfrekvenciás tartományban 1 nF és 1 Mohm kellett, de IC-je is válogatja.
Helló!
Köszönöm,igen ilyesmire gondoltam. Nem tudtam még megnézni alaposan, mert elfoglalt a többi elektronika.Szerintem ez lesz a jó, de kell még pár nap mire odaérek, hogy ezzel tudjak foglalkozni. Nem gondoltam volna, hogy a H-híd ennyire nem akar összeállni.. ![]() Köszi mégegyszer, jelentkezem! A hozzászólás módosítva: Jan 22, 2022
Sziasztok!
A meghajtás is menni látszik a kapcsolásban a tranzisztor típust kellett megváltoztatni. Megpróbálom még FET-ekkel és driverekkel is, mert jobbnak látszik, de azt még nem raktam össze a szimulációban. Rendelés előtt még leelleneőrzöm ott is. A PLL-lt rendelem a többi tranzisztorral együtt, még a FET-esmegoldást is össze kell állítaom a szimulcióban, hogy tnyleg jó alkaatrészeket rendeljek meg. Sokat segítettetek, köszönöm! Jövök még, hátha továábra is segítetek!
Én biztos hogy egy ilyesmi FET Gate meghajtóval próbálkoznék, bár semmi tapasztalatom nincs vele/benne. Bár semmit nem tudni a hangszóróról, teljesítményről stb. Bár engem ez nem biztos hogy előbbre vinne.
Sziasztok!
Kapcsolást keresek, amivel 4 db IRF540 teljesítményfettel H hidat építhetek, tudnátok ajánlani kapcsolást? először csak 3Vos motort akarok kapcsolni aztán minél rugalmasabbra, szélesebben használhatóbbra szeretném tervezni a kapcsolást. Én eddig TC427 el rángattam ki be a töltéseket az alsó FET ekbe, de a felső FETeket másképp kell bekötni, és nem tudom hogy hogyan. Annyit tudok hogy a Gate nek magasabbnak kell lennie 10Val a Drain és a Source potenciáljánál. Mellékelem a kapcsolást, amivel próbálkoztam sikertelenül. Köszönöm a válaszokat!
Az univerzális, mindenre is jó a legdrágább és a legkevésbé használható. 3V-ra a FET-ek gate feszültség igénye miatt tranzisztoros áramkört érdemes használni. Nagyobb feszültségekre meg pl. az IR2110 meghajtó IC lehet jó (vagy hasonló). Azok adatlapján lévő alapkapcsolásaiból kiindulhatsz, de van egy csomó kapcsolás hozzá a neten. Azért célszerű fél híd meghajtót használni, mert a FET-ek kapcsolási idejéhez mérten tartalmaznak időzítést, ezzel megakadályozva hogy egyszerre legyen bekapcsolva az alsó és a felső FET. Ezért nem igazán alkalmas a TC427 fél híd vezérlésére (biztos meg lehet oldani, pl. optocsatolóval, de érdemesebb inkább erre a célra gyártott IC-t választani).
(a rajzodat nem tudom olvasni, talán ha univerzálisabb file formátumot használnál, mondjuk JPG-t )
Sziasztok.
Megkért valaki, hogy adjak ötletet egy régi mechanikus óra működtetéséhez. Annyit tudok róla, hogy hiányzik az elektronika része, és két pontjára felváltva kell 24 voltot adni másodpercenként. Sem hogy mit hajt ez, sem hogy mennyi az áramigénye. Összeraktam egy rajzot, ami talán működhet is. A H hídban lehet majd nagyobb teljesítményű FETeket is tenni ha szükséges. Az időzítést egy olcsó óra szolgáltatná, aminek a szolenoid kimenete van felhasználva. (elméletileg 2 másodpercenként felváltva ad egy-egy 30ms-os impulzust) Mi a véleményetek, jó megoldás ez? Köszönöm. A hozzászólás módosítva: Feb 20, 2023
Szia!
Biztos mások is meg fognak kérni, hogy sokkal kontrasztosabb rajzot tegyél fel..
Szia!
A hídban lévő fetek meghajtása így nem jó, a gate-ekre kerül a teljes tápfesz, amit 20V alatt kellene tartani. Ha kis teljesítményről van szó, akkor lehet egyszerűbb lenne bipoláris tranzisztorokból építkezni, vagy egy L293D-t felhasználni.
A nevére kattintva (nem a képre) kinyílik nagyban. Jól olvasható. Teszek fel másikat, ha szükséges.
Fényképezd már le azt az órát, mert 24 V váltott polaritás létezik (az igazat megvallva meglehetősen gyakori is), de nem másodperces léptékben, hanem mondjuk vasútállomásokon.
A másodperces is sűrűn előfordul, de ceruza elemről és leginkább kar/asztali órában...
Az illetővel csak a hétvégén beszélek, én meg többet nem tudok az óráról.
Inkább csak ötletet kért. A többit ő megoldja.
Sziasztok! Egy illető azzal keresett meg, hogy 24 voltos E roller motort szeretne Rc távirányítóval működtetni. Tudtok valami ilyen szabályzót, mert én nem találtam csak 2-3 lipó akkuval működőt. Esetleg egy ilyen kis szabályzót hogyan lehetne tovább fejleszteni hogy el tudná hajtani a nagyobb feszültségű motort?
Van szabályzó 8S-re is, de annak az árából már sok mást is tudsz venni. Vagy készítesz egy konvertert, ami a szabvány RC jelből csinál neked 1-4V közötti jelet. Vagy átalakítasz egy mini szervó úgy, hogy a gázkart húzza, vagy szétbontasz egy gázkart, és a mágnest rászereled a szervó karjára, majd ehhez pozícionálod a hall szenzort. Kókány megoldás, de működik.
Sziasztok!
Szeretnék H hidas DC motor forgásirányváltót készíteni ALPS RK27112 potméterhez. Ennek az üzemi áramfelvétele 100mA és végállásban pedig 150mA. 5V-os a motor. Tudnátok erre a feladatra FET párt ajánlani hestore-ról? FET-ben nem vagyok túl gyakorlott még. Mekkora feszülstég eshetne teljes nyitáskor a FET-en? A bjt-nél ismert szaturációs fesznek fet-nél az RDSon felel meg? |
Bejelentkezés
Hirdetés |













