Fórum témák
» Több friss téma |
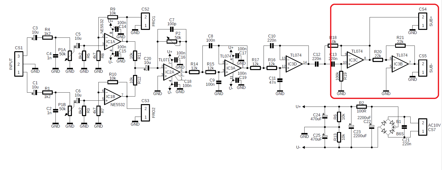
A SUB kimenet nem jól van berajzolva. A 2.1-es meghajtóegységet úgy rajzolta le Reloop, hogy a SUB résznek van egy "normál" és egy "invertált" kimenete is. Tehát ez két független kimenet amik egymáshoz képest fázist fordítanak. Ennek egyértelmű célja, hogy közvetlenül tudjon meghajtani 2 db végfokozatot, amik kimenetei közé beköthető egy hangszóró, ami így megvalósítja a két végfokozat hídkapcsolását (dupla teljesítmény, de elvárt a dupla hangszóró impedancia).
Ha szükséges, ehhez az áramkörhöz tudok neked panelt adni. A hozzászólás módosítva: Márc 1, 2022
Az az igazság hogy nincs igazság. Nem lehet ebben a témában okosnak lenni, mert ami jó az egyik esetben az nem jó a másikban, szóval nem lehet alapigazságokat felállítani. Még a csövesnél sem amiben csak 2 vagy 3db cső van összesen és egyszerű mint a faék. Az egyiket ha nyákra teszem eltompul, ha olcsó alkatrész van benne eltompul, a másik a nyákon se, de még a 15Ft-os ellenállásokkal se.
Sokat játszottam a maranztal. Átmodoltál benne ezt azt, ami aztán vagy jó vagy nem. Most úgy látom, hogy pl. a tranyót amit kihagytál belőle azt a tervezői nem véletlenül tették bele. Ha elkezdek játszani a bemenő és a kimenő jel nagyságával, meg a visszacsatolással akkor 1 nagyságrenddel jobb az eredeti verzió mint a V4-ed. Úgy általában, mert nagy kivezérlésen lehet hogy kettővel is de már nem emlékszem. Ez volt az egyik rajz amin gondolkodtam, a másik meg az az electrocompaniet féle ami le lett butítva kapcsolófetekkel valami baji féle akármire. Mert az a másik olyan amit még meg lehet csinálni nagyon jóra, persze csak szimulátorban, mert a valóságban ha nem 1 tokon belül vannak a difi erősítő tranyói akkor nem lesz jó. Meg a tripla darlington kimeneti fokozat annál is alap. Alapból én is azt vallom, hogy a műszaki paraméterek nem igazán számítanak, de jelen esetben és ennél a kapcsolásnál meg szerintem nagyon is. Általában ezért nem szokták megközelíteni sem az után építések a gyári hangját, na meg ugye a másik az alkatrész készlet. Elkezdtem nyákot is tervezni neki, de teljesen más koncepcióval mint a tiéd, nálam pl. alap dolog lesz az, hogy minden egyes ellenállás 2W-os méretű (mert olyanból léteznek akár nagyon jók is), és nem lesz benne trimmer semmilyen sem, az is 2W-os ellenállásokkal lesz kiváltva. Aztán majd meglátjuk.
Csak egyetlen olyat mutass, ami ekkora kimenő teljesítmény mellett csak ennyit torzít. A rajz nem titok, ráguglizol a marantz rajzaira meg fogod találni. Ez konkrétan az SM11S1 de nagyon hasonló az MA9S2, a PM11S2, de még talán a PM17 meg a PM30, SM80 is bár erre nem emlékszem.
Köszi, ez tényleg nagyon jónak tűnik, meggyurmázom majd ezt is.
Nem tudom, hogy melyik Marantzból indultál ki. Csak jelezném, hogy azt a bizonyos tranzisztort már ők sem használták később, például a PM11 2. és 3. generációjánál.
Nyilván lehet értekezni arról, hogy milyen módosítás mit változtat. A saját elképzeléseimet mindig meghallgatásokkal ellenőriztem. Volt ami nem jött be, de abból lehet igazán sokat tanulni... A mindenhová 2W-os ellenállás, mint kivitelezési elv szerintem nem szerencsés, a trimmereknek pedig megvan a maguk funkciója, ami persze kiváltható, de hangminőségben nem hoz érzékelhető változást.
Lehet hogy nem szerencsés, de eddig én 2 alkalommal csináltam meg ezt félvezetős végfokkal és mindkét esetben bejött. Hozzáteszem ott a nyákot is kiváltottam légszereléssel, szóval nem 1:1 volt az összehasonlítás.
Szia! A hangszín panel hangerő és balansz szabályozási lehetőségei meg maradtak volna funkciójukban. Ha a hangszínt kiiktatom akkor ugyan balansz nem lenne, hangerő szabályzónak azonban ott van az 50K-s poti.
Tisztában vagyok az LM1036-os hangszín fogyatékosságaival és nagyon hajlok arra, hogy kidobom a dobozból ezt panelt és építek helyette egy másik egységet, mondjuk azt ami a csatolásban van, vagy azt, amit nemrég tettél közzé. A gondom, hogy alkalmazkodnom kell a meglévő környezethez (kifúrt előlap, szimpla táp a hangszínnek), de ezek még áthidalható problémák. Az új hangszín táplálását valószínű az LM1036-os tápjáról kellene megoldanom, így kényszerűségből szimpla tápost kell alkalmazzak. Sajnos kompromisszumokat kell hoznom és ezt nem szeretem, nem jó stratégia, most már tudom!
Uh...Valóban, ezt benéztem!
Kénytelen leszek ezt a hibát a már meglévő panelen korrigálni, más lehetőségem nincs. Köszönöm, hogy felhívtad a figyelmem erre.
Köszönöm a válaszaid, sorrendben reflektálnák is rájuk:
1;Még nem tudom marad-e a 1036-os hangszín, nagyon remeg a kezem, hogy kidobom. 2; Idézet: Ez már megépült, nem piszkálom, így marad és így invertálni sem tud.„Az NE5532 meg jó lesz az összegző erősítőbe - oda felesleges a TL074 kimeneti invertáló fokozata” 3;Ugye a "Kimenet_ 3.1" csak elírás és a 2.1-es kimenetre gondoltál? Ott mi a probléma, kifejtenéd? 4; Idézet: „Az előfok és a végfok közötti jelföldet másképp huzaloznám, de ha így is jó akkor nem szóltam.” Minden észrevétel érdekel A hozzászólás módosítva: Márc 1, 2022
Muszáj hozzáfűznöm a tapasztalataimat és az alábbiakat javasolnám:
1. Sok a csatolókondenzátor, elég a készülék bemenetén és a kimenetén. 2. Célszerű lenne kettős-tápfeszültségű ellátás alkalmazása, a +12V és -12V megfelelő. (Itt a legkisebb a zaj!) 3. A Szub-szűrőbe nem tennék felüláteresztő fokozatot, mert elvész a mélyhang. 4. Az ellenfázisú kimenetet (IC3B-IC3C) azonos ellenállásokkal építeném meg, azonos impedancia-viszony biztosítása érdekében. 5. Ilyen nagy tudású előerősítőhöz illene valamilyen komolyabb tápegység, ami kettős-táphoz is megfelel és stabilizált feszültség is teljesíthető. Üdv!
Az LM1036 panelen található műveleti erősítővel így semmi tennivalód sincsen, maradhat az erősítése. Úgy állítod a hangerőszabályzóját, hogy a kiiktatásával a jelszint ne változzon.
Üdv! A szubszűrő elengedhetetlen része a felüláteresztő fokozat. Nézd meg áramkör-szimulátorral az átvitelre gyakorolt hatását! Elsődlegesen a hangszóró védelmében használjuk.
Lehet így marad, de nagyon zavar, hogy ha bent van a hangszín a láncban, a potméterei középállásban vannak (hangerő, magas és mély) még úgy is picit hangosabb, mintha a hangszínt kiiktatom és a "natúr" ág hangerő potméterét maximumra tekerem. Azt szerettem volna elérni, hogy mindkét esetben (hangszín be vagy ki) a potik középállása mellett közel azonos jelszint menjen az összegző erősítő felé. Szerintem úgy lenne elegánsabb a dolog.
Lehetne a hangszínszabályzó kimenetére tenni egy ellenállásosztót (ahogy azt korábban már javasoltad), de azzal szerintem tovább rontom az amúgy is gyenge a jel/zaj viszonyt.
Szia!
Látom még nem oldódott meg a problémád. Ha a 2X50kOhmos hangerő poti nem a bypass ágban van, hanem az összegző fokozat előtt, akkor mind mindegy hogy be van kapcsolva a hangszín vagy nem, hasonló lesz a jelszinted. Pontosabban bekapcsolt hangszín esetében annyiban változik, hogy emelés vagy vágást használsz. Erre jön még a hangszín modul előfokának néhány dB-és erősítése. A hangszín szabályzó IC lapos átvitel esetén egységnyi erősítés biztosít maximumra állított hangerőnél, illetve plusz 3dB-t ad arra a csatornára amelyiket a balance szabályzóval kiemelsz. Ha tehát az 2X50kOhmos hangerő potidat nem csak a kerülő ágban, hanem az összegző erősítő elé teszed, akkor egyszerre szabályoz hangszín szabályzós, és natúr átvitelű opció esetén is. Ráadásul kis hangerőnél hatásosan csillapítja a hangszín modul zaját is. Ebben az esetben a hangszín modul DC vezérelt hangerő potoját átnevezném gain, vagy tone trim vagy anyámtyúkja névre, mivel mostantól megváltozna a szerepe.
Reloop "rögeszméje" a sok csatolókondi, meg a lebegő föld!
Szerintem mind2 dolog katasztrófa... Rengeteg kondi megöli az igazán mélyeket, hiába a pár hertzces alsó határfreki!
Megteheted, hogy úgy rakod fel a hangerő poti gombját, középállást mutasson egységnyi erősítésnél, hiszen gyakorlati szerepet nem szánsz neki.
A potihoz csatoltam két diódát a -70 dB és a -50 dB tartomány átugrása érdekében. Ezek egyikét, vagy mindkettőt áthidalva csökken a fokozat erősítése.
Szia!
Nem, még nem oldódott meg a problémám, de ez az én hibám, mert ugyan sok javaslat érkezett, de elmélyedni még nem volt időm a válaszokban. Eddig a te javaslatod tetszik a legjobban, abban az esetben, ha marad az LM1036. Ha nem marad akkor Reloop javaslatára hallgatva, miszerint a jelátvivő fokozat minden eleme jó lenne, ha szimmetrikus tápon lenne, építek valami másat a helyére.
Leírtam, mit kellene csinálni, ha az NE5532-es van az LM1036 előtt.
Az a másik hangszínszabályozó ugyancsak tuningra szorul, finoman fogalmazva. Ha nem kell erősíteni, akkor a trimmerek elhagyhatók (P1-P2), helyettük átkötés kell. A fokozat 10kOhm alatti bemeneti impedanciáját nem minden készülék, vagy fokozat fogja szeretni. A kimeneti jelszint potenciómétereinek 100kOhm-os értéke hibás, igen rossz eredő frekvenciamenet lesz utána, mérve is és fülre is. Ide 5kOhm, vagy legfeljebb 10kOhm-os hangerőszabályzó kell, ami még nem ront az átvitelen és nem disznólkodik bele a kimeneti impedanciaviszonyokba sem. Egy erősítőben az elejétől a végéig, az illesztésekre kell figyelni, mind az impedanciák, mind a jelszintek vonatkozásában, figyelve a megfelelő tápellátásra is. Üdv!
Közben (kikapcsolódásképpen) bedobozoltam az előerősítőt.
Minden porcikájában professzionális a megjelenés. Gratulálok.
Szinte szégyenlem magam, hogy én még a közelébe sem tudnék kerülni ennek a színvonalnak.
Köszönöm szépen! Neked aztán végképp nincs szégyenkeznivalód, hiszen a rajzaid és a precizitásod semmi kívánnivalót nem hagy maga után.
És itt a doboz gyártásból csak annyi a saját érdemem, hogy össze-vissza furkálom a vázat és még néhány, tényleg nagyon apróság. De a lényeg az egészben, hogy sokkal szebben szól, mint ahogy kinéz. Olyan irányba változott a hangja a doboztól, mint vártam.
Még nem telt el az a három hónap amikor a végleges ítéletet ki kellene mondanom az előerősítőt illetően, de szerintem már nem fog változni az álláspontom a továbbiakban. A két (számomra) legfontosabb kérdésre azt gondolom tudom a választ.
Az egyik kérdés, hogy megérte-e ennyi időt, energiát és pénz belefektetni ebbe a projektbe? Meg. Nem bántam meg semmit és jól tettem, hogy végig csináltam. Tisztán látom az erényeit és a gyengéit/hibáit. Az egyik hibája, hogy mégis csak kellett volna az az "S" alakú kivágás az előlapba Van még egy, de erről majd kicsit hosszabban fogok írni a továbbiakban. A másik kérdés amire megtaláltam a választ: összefüggenek-e a paraméterek a hangminőséggel? Össze. Persze megint nem találtam fel a langyos vizet, ez előre borítékolható volt. De azért ez egy nagyon bonyolult kérdés. Ennél egészen biztosan vannak sokkal-sokkal jobb előerősítők - de amit látok/hallok/gondolok... az egészből kikövetkeztetek, az ez. Akkor szól valami zeneien, tisztán és torzítatlanul és zenei műfajtól függetlenül jól, ha "az jön ki belőle ami bemegy". Ez már elcsépelt fogalom és egyébként is "katt"-tól loptam, de így van. Nekem senki ne próbálja meg bemagyarázni, hogy nem hallja meg ha valami elszínezi a hangot és 1%-ot torzít. Azért nem hallja mert nincs viszonyítása alapja. Az van neki, oszt az tetszik neki, mivel nincs más. De ebbe nem is megyek bele ennél mélyebben. Persze most is sokakban felvetődik, hogy már megint hülyeséget írok, mert hát akkor mekkora legyen valaminek a THD-ja amit már nem érzékelek az erre kihegyezett fél süket aranyfüleimmel? 0.001%? Vagy 0,000001%? Szerintem legyen annyira kicsi, hogy már ne kelljen foglalkozni azzal, hogy mekkora, mert ilyenkor már valóban nem ez számít. Az is közhely, hogy nem is a THD-t halljuk (ha elegendően kicsi) mert a "végső" hangzáshoz ennek az égvilágon semmi köze nincs. De akkor mit hallunk amikor azt mondjuk, hogy valami torzan, érdesen, kásásan, grízesen, bántóan, kellemetlenül szól? Nyilván a tranzienseket. Azokat a tranzienseket amik zenében eredetileg nincsenek ott - az erősítő saját maga termeli - "hozzá kever" újabb, eredetileg nem létező impulzusokat a zenéhez. Az első tíz másodperben meg lehet állapítani ha zenehallgatásra alkalmatlan valamely erősítő. Abból, hogy "sziszeg". Ilyenkor szoktuk mondani, hogy azért mert sz.r a felvétel. Hát nem. Az erősítő gyenge. Mitől tud sziszegni egy erősítő? Attól, hogy túllövések vannak a közbülső erősítő fokozatokban. Ezt egyetlen emitterkövető is meg tudja csinálni ha nincs jól illesztve. Akkor tud még sziszegni ha visszacsatolatlan, vagy attól is ha visszacsatolt. Nagyon gyorsnak kell lennie és nagyon jól átgondolt felépítésűnek. A visszacsatolási tényező és a fázismenet nem változhat a hangfrekvenciás sávban. Erre törekedtem amikor leültem a szimulátor elé és a nagyon sokadik szimuláció után azt gondoltam, ezt meg fogom építeni. Ismét kihangsúlyozom, ez nem a "világ legjobb előerősítője", csak olyan amire a legjobb tudásomból (most) tellett. Nálam sokkal okosabb és tehetségesebb emberek is terveznek erősítőket és azok biztosan jobbak ennél. Azért még egy-két általam fontosnak gondolt dolgot kiteszek és utána folytatom az eddig elkövetett hibáim elemezgetésével... (A nyákterv szerintem jól sikerült. A tápelnyomás lehetne jobb is. A többi olyan, amilyen.)
Ami biztosan nem elég jó, vagy úgy is mondhatnám, lehetne sokkal jobb is - az a feszültség stabilizátor. Már akkor éreztem amikor "mókoltam" vele, hogy ennél valami sokkal jobb kéne, de mi? A passzívnak nagy a kimeneti ellenállása és ezt már többször, több mindenen leteszteltem, hogy akkor inkább legyen aktív. De ennek meg a kimeneti impedanciája emelkedik a frekvencia függvényében és ennek megfelelően az impulzus-torzítása nagy. Jó... nincsenek 1 MHz-es impulzusok a zenei jelben, de ez a túllövés akkor is jelen van a kimeneten és ez engem zavar. Emellett valószínűleg meg is hallatszik, mert minden meghallatszik ami kicsit is tökéletlen. Itt állok (ülök) tanácstalanul már hosszú ideje, hogy mi lehetne az a megoldás ami nekem is tetszene, de nem jött az ihlet. Aztán mégis. John Broskie leírta a varázs mondatot: a sönt stabilizátoroknak nem nő fel a kimeneti impedanciájuk. Nem pontosan ezt írta, de ez volt az amire vadásztam. Mondanom sem kell, hogy azóta eltelt vagy 30 szimuláció (ami nálam a holdfázist helyettesíti).
Nem tudom kell-e valami magyarázatot fűznöm a szimulációkhoz. Biztos kellene, de nem tudom mit és mennyire hosszan. Akit érdekel a dolog és nem ért valamit, majd rákérdez és szívesen válaszolok mindenre - amire tudok. A lényeg szemmel látható. A tápelnyomás 46 dB-t javult, de ami ennél sokkal fontosabb, hogy a kimeneti impedancia DC-10 MHz között állandó és ennek megfelelően az impulzus terhelésre adott válaszjel is. Nem törekedtem a "nulla" kimeneti ellenállásra - ez a 0.2-0.3 Ohm elegendőnek tűnik ahhoz, hogy a fólia induktivitásokon és egyéb terhelő kapacitásokon kialakuló rezgőkörök jósági tényezőjét lerontsa. Nem akarja feltölteni a fájlokat, megpróbálom külön kitenni őket a következő hsz.-ben. A hozzászólás módosítva: Ápr 5, 2022
Közben meg kitette csak nekem nem mutatta, hogy de.
Ja igen... ha már olyan jól elvagyok itt magammal...
Kifelejtettem a "bejáratást". Más fórumokon ez teljesen természetes jelenség - itt még nem az. De most inkább az a lényeg, hogy hallottam-e ismételten ezt a jelenséget az előerősítőnél vagy sem? Nincs benne semmilyen alkatrész a puffer kondenzátorokon kívül amiknek be kellene járódniuk. Ez utóbbiakat formáltam mielőtt beültettem a nyákba és vagy ötvenszer ki-be lett kapcsolgatva a mérés során. Magam is úgy gondoltam, hogy behozom, hallgatom és nem fog változni semmi az idő múlásával. Úgy fog szólni - ha nem is az első perctől de legalább a második naptól kezdve - ahogy össze lett rakva. Nem így történt. A bedobozolás után is újra be kellett járatni. Ez a bejáratás annyiból állt, hogy hallgatom, oszt kész. Ha nem hallok változást nem kell bejáratni, ha hallok akkor de. Az első bekapcsolás után azt írtam, hogy legfeltűnőbb a hangjában az eddig megszokotthoz képest, hogy "nem akar hangosodni". Az előző előerősítőnek volt egy optimális hangereje ami alatt élvezhetetlen volt a zene, felette pedig zavaróan hangos (most kicsit eltúlzom, de talán így lehet röviden és érthetően megfogalmazni a lényeget) . Ennek mindegy mekkora hangerővel szól. Halkan is van mélye/magasa és nagy hangerőnél sem történik más, csak nem lehet túlkiabálni (az asszony nem hallja meg, hogy hozzon nekem kávét). A másik azonnal fülbeötlő volt, hogy sok a magasa, a közepe és a mélye. Ezt nem tudom megmagyarázni, de ezt éreztem. Amikor teljesen be lett dobozolva újra helyreállt a rend. Valahogy "kitöltődött" az a mélyközép és a középmagas közötti űr. Persze ez még nem a bejáródás, csak úgy eszembe jutott. A nyers változaton is hallottam ahogy az idő teltével-múltával lenyugszik az egész hangkép. Közben annyi mindenbe belepiszkáltam, hogy nem lehet határozottan megmondani mikor mi változott, de az tény, hogy változott. A bedobozolás után laposodott a hangkép és kezdett az unalmas felé tolódni. És ez napról napra romlott. Elkezdett hiányozni belőle az élet, már nem volt olyan izgalmas hangja, mint az első bekapcsolás után. Továbbra is nagyon jól szólt, de már nem hallgattam egész nap. Ezek nagyon pici, nüansznyi változások voltak de a lelki békém teljesen felborult. És akkor "segítettek az égiek". Végleg bekrepált a CD játszóm. A Pioneer, ami nagyon szerettem. Szétkopott 30 év alatt. Közben vendégeskedett nálam egy Cambridge Audio. Nekem lett volna ajándékozva, de ingyen sem kellett annyira rikoltozott. Bele lehetett volna piszkálni, de nem volt hozzá gusztusom. Sugárzott belőle a "bóvliság". Aztán még járt nálam egy megcsövezett végű Yamaha a szokásos csőhanggal. Amíg csak énekeltek nagyon szépen szólt - de én mást is hallgatok, nem csak szóló hangszereket. Maradt a Denon amit arra az esetre vettem tartalékba, ha netán feldobná a talpát a Pioneer. Ezt kipróbáltam gyorsan amikor megérkezett. Csak motyogott és az a kevés mélye is hordósan szólt. Gyorsan visszacsomagoltam. Most egyenesen a műhelybe mentem vele, hogy akkor lássuk mi van benne. MC4558 és ki van hagyva az egyik párhuzamos csatolókondi a kimenetről. Kicsere. Úgy kapcsoltam be, hogy közben azon gondolkodtam honnan kellene fejet és disk motort szerezni a régi CD játszóba. Hmmm... nem is rossz. És megjöttek azok a mélyek és magasak amiket hiányoltam. Ennek is járódnia kellett egy-két napot, hogy letisztuljon - de ezt már mondanom sem kell. Már többször feltettem magamnak (és a páromnak is) azt a költői kérdést, hogy tud-e még ennél is jobban szólni valami. Mindig az van, hogy tud. Mindig akad egy-két hang amit előtte még soha nem hallottam. Mindig az jön ki, hogy nem a felvétel torzít hanem a "cuccom". De még mindig találok egy-két számot ami nem úgy szól ahogy kellene és nem tudom eldönteni, hogy a felvétel torzít-e. Mert a láncom már hibátlan Ha újra ki süt a nap keresek egy sírkövest, hogy vágjon nekem négy gránit lapot az állványomra. Állítólag döbbenetes a különbség a mostani furnérhoz (vagy mi ez? nem furnér, mert az talán egy vékony izé amiből intarziáznak. akkor legyen deszka) képest.Elvileg ez volt az utolsó élménybeszámolóm ezzel az előerősítővel és a hifi múltammal/jelenemmel kapcsolatban. Ígérem nem fárasztok vele többé senkit. Köszönöm, ha elolvastátok!
Én csak olyan sötétben tapogatóként jegyzem meg, hogy nálam bevált a bemeneti csatlakozóval párhuzamosan egy-egy polipropilén kondi. Valahogy "lenyugtatja" a hangot. A mély mély marad, a magas magas.
Ilyen pl
Engem egyetlen dolog érdekel(ne) ebből az egészből. Kipróbáltad-e ezt a kapcsolást nagyban? Mármint nem előerősítőnek hanem mondjuk átmodolva végfoknak 20-30W/8 ohmra.
Nem. Szerintem végfoknak ez nem lenne jó. De végfokot meghajtani egész biztosan kiváló, erre is lett kitalálva.
Pár hete nézegettem néhány olyan (jónak mondott) gyári végfokot ami nem szokványos megoldást használ, hanem a tulajdonképpeni feszültség erősítést az előerősítő végzi benne, és a végfokpanelnek csak egy minimális, néhányszoros erősítése van. Talán a marantz is ilyen de már nem emlékszem. A csőnél úgy néz ki hogy jól működik a nem szokványos felépítés, lehet hogy a félvezetősnél is ez a titok.
Ezt a megoldást, vagy ehhez nagyon hasonlót sokan alkalmazzák. A "Hegel" szabadalmaztatta is (ami nekem vicces). Én is csináltam hasonlót - Béla nem is akármilyen ötlete alapján - de nem ez a titok nyitja.
Nekem bevált a földelt kimenetű és nem vágyom ennél jobbra (egyelőre). De már írtam valahol, hogy ezt a végfokot nagyon mi kell szolgálni ahhoz, hogy ki tudja futni magát. Ezért inkább csináltam hozzá jó előerősítőt, mint helyette másik végfokot. Nem értem miért igényli, mert nincs rá fizikai magyarázat, de ez van... nélküle meghal. Egyébként hallottam szólni azt a végfokot amit ki akart lógatni valaki az erkélyen. Úgy szólt, ha lenne erkélyem én is kilógatnám. Pedig ugyanaz benne minden, de valami nagyon nem kerek. Rögtön eszembe jutottál. Érdekes dolgok ezek. |
Bejelentkezés
Hirdetés |































