Fórum témák
» Több friss téma |
Az megy a balance potihoz, rec level potihoz stb.
Ott változnia kellene a feszültségnek ha tekered a gombokat (0-11,5 V tartományban).
A hozzászólás módosítva: Máj 8, 2022
Igazad van, köszi. Akárhova tekerem 0! Nézem akkor tovább, miért nincs ott fesz
Miután egyik oldal sem megy, valoszinük a két hangszabályzo poti felsö vén sincs feszültség. Azt kell kideritened honnan nem jö oda.
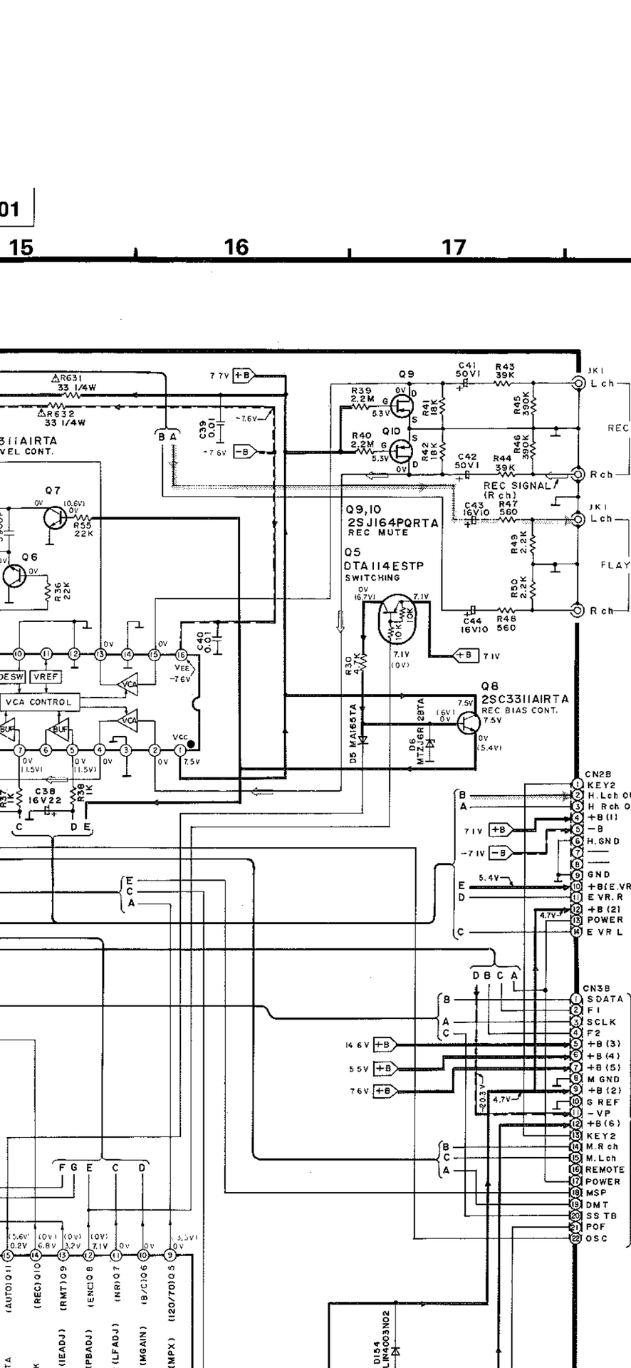
Nem tudom,mennyire látszik, a felső csatlakozó megy a potikhoz, onnan hiányzik az E-5,4V, ami a Q8-tranzisztorról jönne, ha a Q8 kapna a Q5-ről feszt, de nem kap. A Q5-ön meg van 2x a 7,1V de a Q8 felé semmi. Inkább pihenek már
Ezalapján gyanús, hogy Q5 körül kellene méregetned, valamint lehet, hogy őt magát is meg kellene mérni, mert úgy tűnik, hogy ott tűnik el a feszültség. Először Q5 kimérése, hibájának esetén cserélni, utána Q8-at is mérni...
Szerintem valahol a vezérlésben vagy a PLAY/REC átkapcsolonál keresd a hibát. Ez sokkal inkább kontaktus hibára vall.
Szevasz!
A Q5-öt a (0 V) nyitja. Üdv. M.
Szia! Köszi. Akkor a kontroller, vagy az előtt...!
Nekem ez már sok!
Ennek a data control-nak a 12-es lábán jön, vagy nem jön q5-höz a 7,1V. De mitől függ, hogy jön e ,vagy nem?
Ez egy sima 12 bites shift regiszter. A CLK és a DATA lábakon kell sorosan beadni, hogy mi legyen a 12db kimeneti lábon.
De azokat az adatokat valahonnan kapnia kell, ez az IC csak eldönti mikor mi a teendö.
Az viszont beolvassa a kapcsolokat stb. Azokat kellene végingnézned. Annak a bemenetére mennek a kapcsolok meg kezelöszervek. Azokat kellene végigmérned hol milyen állapot van.
Nyilván van egy mikrovezérlő ami vezérli ezt az IC-t (neked van rajzod hozzá, nézd meg hova van kötve). Amúgy ez a tok open-drain kimenetű, tehát annyit tud csak csinálni, hogy az adott kimenetet a GND-re húzza, vagy a levegőben lógóként hagyja. Tehát +7V-ot nem tud a kimenetre adni. Akkor mérhetsz a kimeneten +7V-ot, ha kikapcsolt állapotban van a kimenete és a rákötött cuccon keresztül ennyi jön vissza.
Igen, már írta korábban user1914 is, csak kicsit másképp. Akkor esélyes, hogy a mikrovezérlőnek hiányzik hozzá valami feltétel? Mert ugyanezen regiszteren keresztül engedné a fejről is a jelet, de az sem megy.
Irtam már korábban, hogy a proci bemeneteit kellene feltérképezned, melyik honnan jön és milyen állapotban van. A proci csak ezt tudja kiértékelni és elküldeni a CLK+DATA vonalon ahhoz az IC-hez, ami ezen adatok alapján kapcsolja pl a Q5-s tranyot.
A rajzon aránylag jol meg van adva a két állapothoz tartozo feszültségszint, valoszinü ilyet látsz a proci bemenetén is.
Tisztelt Fórumozók. Tanácsot szeretnék kérni a tolópoti problémámra. Recsegtek a potik, ezért kontakt spray-vel befújtam, a recsegés megszünt, de a potik akadozva csúsztak. Hajrá kontakt tisztító és kenő, na majd ettől csúszik rendesen. De nem volt jobb. (talán még rosszabb) Na ezt kimostam kontakt tisztítóval, és meg fújtam szilikon spray-val. Még rosszabb volt az eredmény. Akadozva csúszott, igaz, hogy nem recsegett. A készülékek nem lestrapált sokat futott darabok. (TESLA B-90 és BRG MK-29) Kérdésem az lenne, hogy mivel fujjam be, vagy mivel kezeljem, hogy simán szépen csússzon. Van-e valami csodaszer? üdv: Sándor
Ha mar szilikont fujtál akkor még nagyobb okoztál. Most azt kellene kimosni. Általában tiszte benzinnel sikerülhet.
2 dolgot keversz. A kontakt sprayjel tisztitod az ellenállás réteget tisztitod. De egyben kimosod a zsirt a forgo tengely csapágyábol. Abba injekcios tüvel kellene kivülröl egy kis szilikonzsirt benyomni. Idézet: „..a forgo tengely csapágyábol.” Tanácsot szeretnék kérni a tolópoti problémámra.
Körbemértem mindent a procin, proci körül, az összes fesz jó, a mikro kapcsolók jók, ellenállások jók. Minden jó, de mégsem jó.
Bocs elnéztem ( s már nem igen emlékszem milyen kivitelü tolopotik voltak a magnoban. A Tesla eléggé hadilábon állt a tolopotik gyártásával és gyakran külföldi cuccokat használt ).
Az attol függ milyen kivitelü került a gépbe. Az ocskább potikban a csuszka vezetése müanyag sineken történik. Ilyen esetben lehet, hogy a befújt kontaktspray stb. megtámadta az anyagot és már nem sima a felülete, ami az akadozást okozza. A jobb tolopotikban a csuszka mechanikusan egy fém rudon mozog. Ott segithet egy kis szilikonzsir, de valoszinü nem tudsz hozzaférni, mert a porvédö szalag védi (amit a csuszka mozgat). Szétszedni meg nem igen lehet károsodás nélkül.
Tisztelt Fórumozók!
Hátha tudnátok segíteni. Egy gyerekkori barátomnak volt egy kis kazettás magnója, aminek a bal oldalán volt egy kis kerek műszer (kb. 1 cm-es), ami felvételnél a jel erősségét, lejátszásnál az elemek állapotát jelezte (4 baby elemmel működött). Már egy ideje próbálom megfejteni, hogy milyen márkájú és típusú volt a kis magnó. Rajta volt a felirat, hogy "solid state", de tudom, hogy ez nem a márkája volt. Van egy fényképem 1970-ből, amin talán felismerhető annak, aki jobban ért hozz. Előre is megköszönöm a segítséget. Üdv Mindenkinek!!
SANYO vagy SAHRP lehetett szerintem. De pont ilyet nem találtam a https://www.radiomuseum.org/ oldalon.
Szia!
Én csak a saját emlékeimből tudok (ilyet)/hasonlót felidézni. Nem is ilyen és nem is kerek a műszer,de tudta ezt a dupla funkciót. SANYO Üdv.
Lehet, hogy megtaláltam közben. Talán STANDARD volt és ez a típus, mert a fényképen hasonló a gombok, a potméter és a kis kerek kijelző helyzete.
https://www.radiomuseum.org/r/standard3_sr_t116.html# |
Bejelentkezés
Hirdetés |









