Fórum témák
» Több friss téma |
Szaisztok
Csepptöltéssel szeretnék 4db sorbakötött 6V 1,2Ah akkut. Mekkora feszültséggel és árammal ajánlott? (Non stop töltés) Másik kérédsem: Ha a (+) és a (-) kimeneteken megjelenik szulfátos lerakódás, töltés közbe sav, akkor vége az akkunak, vagy az még normális. Az akku kb 1 évesek
Hello! A csepptöltés feszültsége, rá van írva az aksira, de kb. 6,8V aksinként. Tehát 27,2V szükséges. A lerakódás a pólusokon nem túl vígasztaló, Nem szabadna lerakódásnak lenni. Mert az vagy a kivezetés melletti repedésre, vagy kipárolgásra utal. Főképpen 1 év után..
Sziasztok
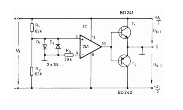
Egy kérdéssel fordulok hozzátok. Adott két darab azonos típusú 12V/100Ah akkumulátor melyek sorosan kapcsolva lennének töltve. Böngészés közben találtam egy, egyszerű töltés kiegyenlítő áramkört, melléklet. A kérdésem az, hogy megfelelő-e, ez a kis kapcsolás, és kell-e változtatni rajta valamit. Minden segítséget, előre is köszönök. Tisztelettel jov2000
Nem kell töltéskiegyenlítő.
Mellékelve az eredetileg csatolt kapcsolás.
Szia Bakman
Köszönöm, hogy ilyen gyorsan válaszoltál. Némi magyarázat a kérdésem miatt. A szóban forgó kis áramkör a vőmnek kellene, ő szeretné elkészíttetni. A kérdésemet a kapcsolás jó, vagy nem jó, miatt tettem fel. Az érdekelne, hogy a kapcsolásban szereplő félvezetők, diódák, tranzisztorok, értéke megfelelő-e, kell-e őket cserélni, és ha igen, akkor mik legyenek a csere darabok . Végezetül, a kérdésemet kérésre váltva, tudsz-e ebben segíteni. Köszönöm a türelmedet, és rám fordított idődet. jov2000
Szia!
A kapcsolás leginkább arra alkalmas, hogy féltápfeszre hozzon létre virtuális földpontot néhány 100mA-es - jó nagy hűtéssel esetleg amperes - nagyságrendben. A kívánt feladatra funkcionálisan még akár alkalmas is lehetne, de a 100Ah-s akkupakk 100A-es nagyságrendű áramával nem fog elbírni. Nincs olyan alkatrész, amit ebben kicserélve alkalmassá tehető a kijelölt feladatra sajnos.
Szia iamrob
Köszönöm a, hogy foglalkoztál a kérdésemmel, a válaszodat megértettem. A kapcsolás elvetve. Még egyszer köszönöm a válaszodat. Üdvözlettel jov2000
Az utóbbi időben én a töltéskiegyenlítő felé hajlok... Nagyon sok olyan sorba kötött akkut láttam már, ahol az egyik döglött meg. Utána meg a másik szokott tönkremenni az első miatt. Most legutóbb 2 (illetve 1) 70Ah-s akkum ment tönkre. Az egyik "csak simán elhasználódott" (kb 30 Ah kapacitása maradt, a másik cellazárlatos lett. Ez kb. 2-3 év alatt ment végbe. Az idő utolsó 3-4 hónapjában már volt rajta töltéskiegyenlítő, jelezte is, hogy nem egyformák az akkuk. Hogy a töltéskiegyenlítőtől vagy csak a véletlen miatt, a "jó" aksit még most is tudom használni.
Ilyesmi kiegyenlítő volt rajta. Mondjuk ezzel meg az a baj, hogy már 20 mV különbség esetén is jelez, és kiegyenlít. A kapcsolása kideríthetetlen, mert kemény műgyantába van öntve az egész.. Nem tudom, hogy tényleg mennyit használ az akkuk "szétmászása" ellen, de úgy vagyok vele, hogy " Ártani nem használ...", ezért a következő garnítúrára is rákötöm. Sajnos még a ledeket sem tudom rajta "kihosszabbítani", mert annyira be van öntve a műgyantába.
Ahogy az előzőkben Bakmannak írtam, én használok majd töltéskiegyenlítőt a 2 db 100 Ah-s akkuimhoz. Mivel nagyon kis (20mV) feszültségkülönbség esetén is jelez, közvetlenül az akku kapcsokra érdemes csatlakoztatni. Nem célszerű például a két akku közé tenni a biztosítékot (hanem valamelyik ágba), mert nagyobb áramnál a biztosítékon eső feszültséget is hibának (akkufeszültség eltérésnek) jelezheti az áramkör.
Én ilyet használok, de vannak másmilyenek is: Akku balanszer 2x12V-ra.
Én annó 10.7 minimum, és 13.7 V maximum feszültségre méreteztem "zselésnél".
De más vélemények is vannak.
Sziasztok!
Segítséget kérek! Van-e valami módszer a zselés akkuk regenerálására? A munkahelyemen (sportcsarnok) van egy Viper márkájú önjáró padlósúroló gép. A napi pályatisztítást már csak úgy hajlandó elvégezni, ha 24 órán keresztül töltésen van. Ezután kb. 45-50 percig bír működni, ami épp csak elég a pályamosáshoz. A gép 4 db 6V 270Ah (8 éves ) akkuval működik (24V). Tavaly karácsony óta nyaggatom a főnökeimet új akkukért hiába, most meg engem cseszegetnek hogy a bajnoki meccsek előtti Wax mentesítő nagy súrolás miért vesz igénybe egy egész délelőttöt (4-5 30 perces töltés). Persze mindenre van pénzük, céges okostelefon a főnökségnek, céges autó, céges elektromos kerékpár, üzakártya szintén a főnökségnek, de a tényleg szükséges akkukra nincs 4-500 ezer forint. Saját nyugalmam érdekében kérek segítséget. Ha lehet csodát tenni, megköszönöm!
A gép bedobta a törülközőt.
! 8 év után mit vársz ?!
Szerintem nincsenek csodák sajnos...
Az elmúlt egy évben egy elektromos robogóval szórakoztam. 4 db 12V-os 14Ah-s akku van benne. Megmértem a kapacitásaikat, 2Ah-tól 6-8Ah-ig terjedtek.A robogó ebben az állapotában egy napi használatot sem bírt ki. Mondtam a tulajnak, hogy a legjobb megoldás az összes akku egyszerre történő cseréje lenne, mégpedig a robogóhoz való (jobban terhelhető) akkuval. "Természetesen" a tulaj a lehető legolcsóbban akarta megúszni a dolgot. Az (időlegesen) legolcsóbb megoldás az volt, hogy a leggyengébb akku helyett vett a tulaj egy normál (riasztóba, UPS-be való ) akkut. Mondtam a tulajnak, hogy innentől a második leggyengébb akku fogja meghatározni használhatóságot, és a következő akku, ami tönkremegy lehet, hogy az újat is tönkreteszi. (Balanszer nélküli, sima 48V-os töltője van). Lényeg a lényeg, néhány próbálkozás után (sorra döglöttek meg a régebbi akkuk) végül vett a robogóba való, teljes készletet. Ezzel a készlettel - kb. ugyanolyan használat mellett- hetente egyszer kell töltenie az akkut. Szóval lehet próbálkozni esetleg a "leggyengébb láncszem" lecserélésével, de a fentebb leírtak alapján kétséges az eredmény. Vannak cégek, akik nagy tapasztalattal akkuk felújításával, regenerálásával foglalkoznak, de csodát azok sem tudnak tenni...
A 8 éves akkuk igen jó minőségűek lehetnek, ritkán érik meg ezt a kort.
Egyet mégis kipróbálnék: lefeszegetni a zárófedelet, ami alatt többnyire minden cellának van gumisapkája. Ezeket levéve pótolni lehet az elvesztett nedvességet desztillált vízzel. Ekkora akkuba beszívódik akár 1dl víz is. Próba szerencse...
"Saját nyugalmam érdekében kérek segítséget. Ha lehet csodát tenni, megköszönöm!"
Az előzmények ismeretében megnyomod a sajnálom gombot. Magyarán ez van, egyétek meg, amit főztetek. (Nem vicc, munkatársam direkt szerzett erre a célra. Felszerelte egy kis falapra, ráírta: sajnálom gomb ) A hozzászólás módosítva: Okt 21, 2022
Nézd, ismerve a magyar cégvezetők "minőségét" nem csodálkozok azon amit írtál.
( Sajnos nagyon sok selejtes példány üzemel mind a mai napig. ) De semmiképpen se te tedd magad tönkre idegileg. Írásban mondd el, hogy mi a helyzet, nem adtak pénzt akkor amikor kellett volna az akku cserére, mostanra meg annyira le vannak hervadva, hogy ez a csoda, hogy még működik. És ennyi. Te meg szöszmötölj nyugodtan 5 perces üzemkörökkel, majd csak belátják, hogy nekik kell lépni.
Szia!
Gondolom ezt a hozzászólást nekem szántad. A többiek hozzászólását is köszönöm! Én is azon a véleményen vagyok mint ti, egyetlen megoldás van: új akkuk. Csak hát a műszaki igazgatónk (volt kézilabdás, szaktudás nélkül, a polgármester haverja jó nagy egóval) szavait idézve: "most nincs rá pénz, old meg ahogy tudod". Nálunk nincs "sajnálom" gomb, de beszereztem egy doboz "lesz.rom tablettát" hogy idegileg ne menjek tönkre. Majd beszélek a kézilabda klub elnökével hátha onnan lesz pénz. Szép hétvégét mindenkinek!
Sebinek azért van igazsága a vízpótlással kapcsolatban, mert a melegtől is, meg vízbontástól is kiszáradhat. Hoztam már én is vissza ideiglenesen például horgászlámpát így az életbe.
De ha be is jön, akkor meg az lesz eredménye, még inkább nem vesznek új akkut. Legutóbb is megoldottad ingyen...
Hello! Nekem még sosem sikerült életet lehelni így "zselés" akksiba. Pedig volt néhány a kezem között.
Érdemes lehet még beszerezni egy adatlapot az akku gyártójától. Ha megkaparjuk, lehet benne említés a töltési ciklusszámról, főleg a kimerítés százalékának függvényében.
8 évesnél én sem esküdnék az eredményre, de éves karban tartás gyanánt rendszeresen pótolva a vizet, nekem volt ami 10 évet is kibírt. Végülis ezek NEM zselés aksik, hanem felitatott elektrolítú típusok. A gumidugókon simán párologtat töltés alatt, úgyhogy hazugság a "karbantartás mentes" felirat.
A hozzászólás módosítva: Okt 22, 2022
Szevasztok!
Az alábbi zselés ólomakkumulátorral szeretnék LED indexlámpákat működtetni (egyszerre két lámpát, egy elől, egy hátul, plussz a félvezetős megszakítót): VIPOW zselés akkumulátor 12V 0,8Ah - aun.hu A kérdésem az lenne, hogy ennél az akkumulátornál mekkora lehet a legnagyobb kisülési áram? Továbbá érdekelne, hogy ennek a feltöltéséhez konkrétan milyen töltőt használhatok. Ugyanis az alábbi oldalon: Ólom akkumulátor tudástár - ADOC.PUB a következőket írják: A zselés akkumulátor cella a legérzékenyebb valamennyi típus közül a túltöltésre, amely korai akkumulátor tönkremenetelhez vezet. További hátrány, hogy a zselés akkumulátor teljes feltöltési ideje hosszabb, mint egy hasonló kapacitású hagyományos akkumulátornak (mivel alacsonyabb a töltıfeszültség), a magasabb feszültségő töltés folyamán keletkezı gázbuborékok pedig a zselében alacsonyabb akku kapacitást eredményeznek, megrövidítvén így annak élettartamát is. Zselés akkumulátorok igazi felhasználási területe, ahol az akkumulátor kisütése a 100%-os mértéket is eléri. Nem megfelelı akkumulátor töltı használata esetén az akkumulátor korai halála szinte elkerülhetetlen. Megjegyezzük, hogy bizonyos zselés vagy AGM akkumulátorok speciális töltési karakterisztikáti gényelnek. Jó lenne olyan töltő, ami teljesen automatikusan, az előírt töltési karakterisztika szerint tölt és amelynél nem áll fenn a túltöltés veszélye. Tudnátok valamit ajánlani? Üdvözlettel: Rudolf
Hello! Nem világos, hogy venni-építeni szeretnél-e. De ha az utóbbi, akkor esetleg Pld.
A hozzászólás módosítva: Nov 3, 2022
Szevasz! Nem építeni szeretnék, hanem készen venni megfelelő töltőt, ha kapható. A másik kérdésem az lenne, hogy ennél az akkumulátornál mekkora a legnagyobb kisülési áram? Mert ha túl kicsi, akkor nem fogja elbírni a két LED villogót és a félvezetős megszakítót.
Mi van akkor, ha mondjuk használok egy ilyen töltőt:
12V-os zselés akkumulátor töltő (0,3A töltőáram) - Vadkamera és egy sorba kötött ellenállással leviszem a töltőáram nagyságát? Persze esni fog a töltőfeszültség is, de a töltés vége felé úgyis csak egészen kis árammal kell tölteni, így az ellenálláson a feszültség esés már csak minimális lesz. Megoldható így? Vagy ez már annyira befolyásolja a töltés/töltő karaszterikáját, hogy csak többet rontana, mint segítene? Ha lehet ilyen megoldást alkalmazni, akkor kb. mekkorának kellene lennie az ellenállásnak?
Itt:
Akku tudástár - Zselés akkumulátor webáruház a következőket írják: A töltő áram maximum 30%-a lehet az akkumulátor névleges kapacitásának. Az ideálisabb a 10%-s töltő áram. Az esetemben ez 0,8*0,3=0,24 A lenne, ill. 0,8*0,1=0,08 A, vagyis az eredeti 0,3 amperos töltőáramot le kellene vinni legalább 0,24 amperra.
Hello! Nem ismerem sem az aksidat, sem a Led-es villogót. De ezeknek a villogóknak nem oly tragikus az áramfogyasztása, hogy az aksi azt ne bírná el.
Ha korlátoznád a töltőáramot, akkor ellenállás helyett, célszerűbb egy12V/5W-os izzót sorba kötni az aksival. Ez 9V aksi feszültség mellett is 200mA-ra korlátozza a töltőáramot, ami 0,7V feszültségkülönbség esetén is eléri a 100mA értéket. Lévén hogy az izzó hidegellenállása lényegesen kisebb, mint a melegellenállása. Egy ellenállásnak pedig lineáris a feszültség/áram összefüggése. A 13,8V-or töltésfeszültség maximum pufferüzemre utal, ahol az aksi állandóan a töltőn van. Az aksi oldallán általában fel van tüntetve a ciklikus és a pufferüzem feszültség adata. Az ilyen típusú alsikkal túl jó tapasztalatom nincs, pár év alatt tönkre mennek, ha használatban van, akkor azért, ha nincs használatban akkor azért. Az hogy 100%-ban kisüssed én nem igazán javaslom. Az akksi gyártók bizonyára tisztába vannak a paraméter adatokkal, de nem szokták a fogyasztók orrára kötni. Mint ahogy általában a gyártók töltőt sem szoktak a választékukban tartani, pedig logikus lenne.. |
Bejelentkezés
Hirdetés |





! 8 év után mit vársz ?!
) 