Fórum témák
» Több friss téma |
Mielőtt kérdezel, a következő két dolgot ellenőrizd!
I. A helyes tápfeszültségek megléte.
II. A kimeneten van-e egyenfeszültség.
Sziasztok.
Adott egy Akai AM-U03 típusú erősítő. Az eredeti végfoka 2db STK0040II volt. Ez beszerezhetetlen és ahogy olvastam itt is, az utángyártott tokban valójában STK0039 van. Ilyenem nekem is lenne itthon de helyettesíthetem vele az eredeti 0040II-est? A tápfesz nem probléma mivel az eredeti trafó szénné égett így olyat rakok bele amilyen szükséges. Köszi ha tud valaki segíteni.
Szia! Beépíthető, az Akai sem használta az STK0040II valamennyi kivezetését. Két kondi marad a levegőben, nincs rá szükség, de nem is zavar.
Üdv!
Keresek STK-077-hez NYÁK tervet,rajzot lehetőleg fekvő elkók nélkül tervezés érdekelne de ha van 2db NYÁK-od az is érdekelhet.Előre is köszi. Attila
Szia Attila!
Valahol van lay6-ban saját tervem, megkeresem... jópár éve működik, de átterveztem. Addig is - ha nem tiltja a szabályzat - felteszem egy eredeti Elektor-os cikkből (1985-02-es szám) az STK077-es NYÁK-tervet. Ez még axiális-kondis, és szerintem elég karcsú így a táp is, de kiindulásnak jó, és működik. Anno a Bikki-könyvben (Ujjgyakorlatok...) volt ez átvéve, mint gitárerősítő, de sajnos hibákkal. Aztán a Király-Ferenczy-féle Elektronikai receptek II-ben is felbukkan, ott már van NYÁK-terv is (futott ez egyébként a Rádiótechnikában is, szintén az Elektor-ból átvéve). Nos, hirtelen ennyi, ha meglesz a terv átnézem és elküldöm szívesen.
Szia!
Köszi a választ és a linket is. Üdv:Attila
Nagyon szívesen!
Van egy elfekvő lengyel Unitra/Diora Merkury receiver végfok panelom, még egyben. Mindkét csatorna egy közös panelon, közös hűtőbordával. Elég kompakt, szerintem ebből lehet a legkisebb erőbedobással egy relatíve tisztességes végfokot összehozni. Annyi, hogy ennél olyan a NYÁK topológiája, amilyen, és az akkoriban használt passzív alkatrészektől sem mennék a falanak manapság (amikor van Dale és Welwyn meg Rifa és Nichinon pl.), de talán még elfogadható ez, hogy már készen van... "Csak" egy normális táp kell hozzá meg valami dobozolás, és van egy jó kis cuccod. Ha már csak annyit megteszel, hogy csinálsz hozzá akár pl. toroid-trafós (szerintem első közelítésban egy nagyjából 100-120VA-es és 2x18V szekunder feszültségű trafóval) tápot, mondjuk 15A-es Graetz-zel (vagy valami jófajta gyors diódákkal), és 2x2db legalább 4700 de inkább 10.000µF-os minőségi pufferkondival és némi hidegítéssel - akkor szerintem máris jobb tápod van, mint az eredetiben volt. Plussz, megteszed, hogy rendes vastag 2,5-es vagy akár 4-es réz kábelekkel (pl. egy darab jobb hangfalkábel belső erei) kábelezed le a tápokat és a hangfal csati kimeneteit is - utóbbinál elfelejted a gyári béna DIN-es rettenetet, és valami normális keresztmetszetet fogadó akár aranyozott szorítós-banándugós csatlakozóra vezeted ki a kijáratát. A bemenetet árnyékolt kábellel vezeted oda, (én mostmár nem tennék az elejére potit vagy szintszabályzót sem), a mániám még az impedanciaillesztés - egy bementi buffer pl. jót fog tenni a hangjának mert megoldja a nagy bementi és kis kimenti impedanciás meghajtást - igaz, akkor kellenek stabilizált tápok is, de szerintem megéri. Ha macerás a stab. kocka, elegendő lehet egy Zener-es egyszerűbb megoldás is a jó hangú opamp-hoz vagy dedikált buffer IC-hez. Ja, és a jó földelés... okosan, átgondoltan, csillagpontosan. Ne alakulhasson ki földhurok vagy brummosodás. Meg kell szerintem nézni egy gyári Merkury-t. Darvasék anno ódákat zengtek róla (és akkoriban valóban jó hangúnak számított). És feltenni a kérdést, hogy mik abban a gyenge pontok... Táp? Kompromisszumos, finoman szólva is. Kábelezés? Vékony kis vicik-vacak zsinórokkal - táp is, hangfal is, ráadásul agyrém DIN-hangfalcsatik. Sok tranzisztosos ilyen-olyan előerősítő-fokozat, hangszínnel mindennel - habár igaz, hogy talán jót tesz az impedanciaviszonyoknak... meg a rádiórész ott mellette - ez mind száműzhető, ha csak a végfokra koncentrálunk. A lényeg talán az, hogy sok van ebben a végfok IC-ben, és kérdés, hogy volt-e valaha valaki, aki ezt megpróbálta rendesen kiaknázni...
Erdeti működő STK4050II.
Hamis STK1050
A bal oldalon az eredeti Sanyo STK-0050 végerősítő modul, a jobb oldalon a kínai hamisítvány.
Az egyik 38 évnyi üzemidő után, a másik 30 másodperc után, a névleges teljesítmény mindössze 33%-ánál hibásodott meg tesztterheléskor. Ezért van az, hogy a javításhoz szükséges AE modulok 40 dollárba kerülnek, az eBay-en lévők pedig 7,50 dollárba kerülnek. Természetesen eredetit már nagyon nehéz találni.
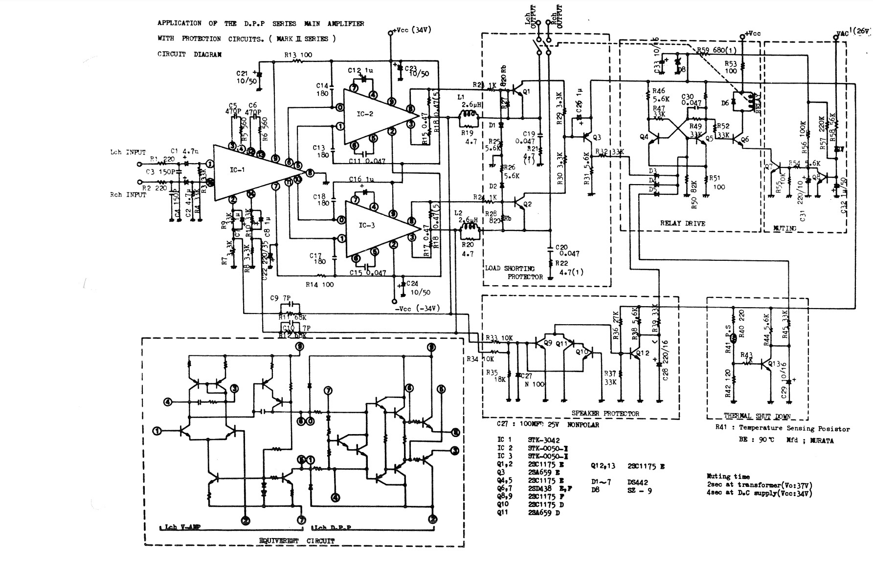
Böngésztem a fórumot. De nem igazán találtam olyan megoldásokat ami konkrét STK IC Típus sorozatok helyettesítésére szolgálna. Ez azért furcsak mert bizonyos IC sorozatokkal elég komoly készülékeket gyártottak amik a mai napig gyönyőrőek és szépen is szólnak meg elég drágák külföldön is. Mivel ez egy hobby forum és az lenne a célja hogy segítséget nyújtson azoknak a felhasználóknak akik meg szeretnék javitani a gyári erősítőiket esetleg restaurálni és a gyárihoz hasonló vagy esetleg jobb paramétereket elérni, úgy hogy az adott kszüléket ne kelljen szét barmolni mindenféle alternatív megoldások miatt. Ezért szeretném bevonni az elektronikában jobban jártas fórumtársakat hogy segítsenek elíndítani ezt a kezdeményezést, végre itt magyar nyelven és ne kelljen a magyaroknak és kezdőknek külföldi forumokon bogarászni néha nem egyértelmű válaszok után. Most felsorolnám az STK IC sorozatokat és utána pár készüléket is.
STK1030 STK1040 STK1050 STK1060 Ezekre az IC típosokra pár készülék. Onkyo A-8 Onkyo A-44 Technics SA-401 Mitsubishi DA-R20 És még valószínüleg sok máshoz is megfelelőek ezek az IC-k Következő sorozat STK0030 STK0040 STK0050 Készülékek: Pioneer sx-780 Kenwood KR-5010 Fisher RS-2004A JVC JA-S44 Sanyo JCX-2050 Aztán vannak a végfok meghajtó STK IC-k amik vagy STK végfok modulokat hajtanak vagy sima tranzisztoros végeket. Ez a sorozat. STK3042 STK3062 STK3082 STK3102 STK3122 STK3152 Ezek a modulok eléggé melegednek sok gyártó ennek ellenére nem tett rájuk hűtőbordát. És sok esetben a tápfeszültséget már a gyártó álltal megadott maximális feszültség határokon állították be. Amire még rá jött a 220V ról 230-240 Voltos hálozati feszültség emelés és ezek az IC-k hűtés nélkül meg pláne hajlamosak meghalni. És az utángyártott használatát el kell felejteni. Ezeket az ICket széles körben használták pár készüléket sorolok ide de sok van belőlük. Onkyo A-44 Pioneer SR4000 Marantz PM-55 Marantz PM-80 A hozzászólás módosítva: Feb 25, 2023
Eredeti STK0060II
Nekem Marantz PM52 volt. STK 3062 volt benne talán 3082re cseréltem éa kapott hűtőbordát. Nekem nem tetszett a hangja, akinek eladtam nagyon elégedett volt vele. Ízlések és pofonok.
Aztán van két STK463as erősítő, némileg eltérő kapcsolással, az egyiknek tetszik a hangja a másiknak nem.
Szia!
Nagyon jó a kezdeményezésed, de szerintem túl nagyot szeretnél meríteni. Lehet, hogy van valaki szervizes területen dolgozó profi, aki már rendelkezik ezeknek az STK tokoknak a korrekt helyettesítő megoldásaival, elvi rajzokkal, fizikai kivitelezésével, de abban annyi munka, befektetett idő, meg talán üzleti érdek lehet, hogy nem várható el, hogy a teljeset közkinccsé tegye. Talán próbáld meg úgy, hogy egy-egy konkrét tokra korlátozod a kérdést, amivel éppen bajlódsz. Az elektronikai angol szókincs, meg elég hamar elsajátítható ahhoz, hogy a külföldi fórumok se jelentsenek problémát. Ráadásul a Google fordítő is eléggé jól teljesít.
Szia! Örülök hogy írtál. Én sokat kutattam ez ügyben, külföldi forumokon és rengeteg oldalt átolvastam szóval nekem is sok utánajárásba telt mire rá akadtam ezekre a helyettesítőkre. Szóval elkezdem ide feltölteni, és természetesen várom a hozzászólásokat esetleg javításokat észrevételeket. Igen a google fordító is jól működik. Nem is az a probléma hanem rengeteg idő mire össze jön az információ és ezt jó lenne besűríteni egy magyar oldalon ezért is gondoltam hogy ennek sokan örülnének.
STK0050 Modul és ez alattiak. Ha diszkrét elemekből van felépítve egy STK modul akkor egy részt jobb alkatrész használatot tudunk elérni ez mellett a 4 Ohmos terheléseket is jobban kiszolgálja és ha meghibásodik, akkor könnyen javítjató. Még a másik előnye a nyugalmi áram beállítás. Ez esetben magasabbra is vihetjük az áramot így tovább tartózkodik az erősítő A osztályú üzemmódban ami a hangra is pozitívan hat.
Ezek a kész modulok. A nyugalmi áram beállítás a poti segítségével történik amit jobbra tekerve növeljük balra csökkentjük. Ezek a modulok elvileg 100Watt ig működnek. A furatok úgy vannak kialakítva hogy passzol az eredeti STK helyére sőt az alumínium vastagsága is olyan vastag hogy az eredeti rögzítőcsavarokat fel lehet használni.
A hozzászólás módosítva: Feb 25, 2023
Elméletileg hőmérséklet érzékelés lenne a feladatuk. Csak mivel nem érintkeznek a hűtő felülettel így nem sokat érnek mert az előfeszítésért a Q5 felel és az viszont közvetlen kapcsolatban van a bordával. De ha tévedek javítsatok ki. Az áramkört nem én készítettem csak feltöltöm, ki gyűjtöm őket ide, aztán azért van a fórum hogy megvitassuk az észrevételeket. De ezek az áramkörök működnek. A képek alapján akkor működnének jól ha a diódák a nyák másik oldalán lennének és esetleg hővezető pasztával kapcsolatban lennének a bordával.
A hozzászólás módosítva: Feb 25, 2023
Szia!
Nagyon tetszik a kezdeményezésed, mivel valóban elég sok olyan eszköz lett mára amik a fejlesztésért kiáltanak. Sajnos a mára cca50 éves készülékek csere érett STK-ici sajnos beszerezhetetleneké váltak. Eredetiről álmodni sem lehet, a Kínai meg olyan amilyen. Mégis ha csak az van nincs mit tenni, pedig van hogy még a mérete sem stimmel, nekem is van ilyenem. Nos amivel én jelenleg küzdök az egy Onkyo TX-330 és a benne lévő STK025 páros. A tokon belüli kapcsolásig én is eljutottam viszont itt én is elakadtam. Ha esetleg valaki tudja a megoldást, nagyon hálás lennék ha közkézre tenné, valami hasonló kivitelben mint azt Aldure is megtette a 0050-el Köszönöm szépen.
Van egy kompaktabb megoldás is. Ez az STD03N/STD03P párosal épül fel. Ezeket csak párban lehet kapni Jelenleg a HQ nál kaphatóak.
Az STD03N és az STD03P továbbfejlesztett Darlington tranzisztorok beépített meghajtókkal és hőmérséklet kompenzáló diódával. Az egyedülálló Sanken vékony ostya gyártás felhasználásával készült technológia révén ezek az eszközök magasabb teljesítményszintet érnek el csökken a hőellenállás, és ellenáll a nagyobb feszültségeknek mint a piacon lévő hasonló termékek. A hőmérséklet-kompenzáló dióda ugyanabba a tokba van beépítve mint a teljesítménytranzisztorok. Ezzel a kialakítással az STD03N illetve az STD03P kiküszöböli az egyébként indukált késéseket a hőforrásnál történő hőérzékelés és a működése között a kompenzációs áramkör. Így ezek a tranzisztorok ideálisak olyan alkalmazásokhoz, ahol fokozott hőstabilitásra van szükség. Ezt az eszközt 5 tűs TO-3P műanyag csomagolásban érhető el 4. tű eltávolítva. Tulajdonságok és előnyök ▪ Beépített hőmérséklet-kompenzáló diódák ▪ Nagy teljesítményű (160 W) kezelés kis csomagban (TO-3P), minimálisra csökkenti a hűtőborda-szükségletet ▪ Beépített meghajtók és hőmérséklet-kompenzáló diódák, a külső komponensek számának csökkentése és egyszerűsítése áramkör tervezésnél ▪ NPN és PNP verziók ▪ Emitter kapcsok szimmetrikusan elhelyezve, 5. érintkező az NPN-n és az 1. érintkező a PNP modelleken, lehetővé téve a szomszédos elhelyezést PCB a nyomkövetési hossz és a kimeneti torzítás minimalizálása érdekében párban ▪ Nagy gyártók által jóváhagyva Kompakt kialakítás, ugyanazokat a rögzítési furatokat el lehet készíteni, mint az eredeti Sanyo. Tipikus áramerősítés 8000-20000 az eredeti 5000-hez képest. 15 Amperes 160 V-os tranzisztorok AZ EREDETI 10 Amperes 110 V-OS ALKATRÉSZ HELYETT A 4 ohmos hangszórók rendben vannak. 15 amperes kimenetet használunk, szemben az eredeti Sanyo 10 amperes eszközökkel
Üdv! Valószínűleg tartalmazta a tok a D1, D2, C1, C3 alkatrészeket, csak nem kerültek a pontos helyükre. A mellékelt ábrarészleten bekarikáztam mi lehetett az eredeti funkciójuk.
Üdv! A te esetedben más a helyzet. Mivel az STK025 Egy komplett erősítőt tartalmaz nem érdemes diszkrét elemekből felépíteni mert nagyobb helyet foglalna mint az eredeti vagy SMD ből kellene felépíteni és csak a végtranyók lennének normal kivitalűek. De az IC harmonikus torzitása is elég magas volt már a maga idelyében is.
Onkyo TX-330 Specifications Tuning range: FM, MW Power output: 17 watts per channel into 8Ω (stereo) Frequency response: 20Hz to 30kHz Total harmonic distortion: 1% Damping factor: 20 Input sensitivity: 4mV (mic), 2.5mV (MM), 200mV (line) Signal to noise ratio: 65dB (MM), 75dB (line) Output: 200mV (line) Speaker load impedance: 4Ω (minimum) Semiconductors: 1 x FET, 33 x transistors, 33 x diodes, 3 x IC Dimensions: 470 x 375 x 140mm Weight: 10.5kg Szóval az erősítőd +/-24.5V ról megy ezt könnyen orvosolhatod egy TDA7294 erősítő IC-vel egész kompakt kiveteleket lehet már kapni készre szerelve megfizethető áron. És a hangminőség is jobb lesz mint amit ez az IC tudott. A hozzászólás módosítva: Feb 25, 2023
Aztán vannak még az STK meghajtó fokozatok. Amik a kicsi hely miatt nagyon jól alkalmazhatók ezzel sok alkatrészt megspórolva. Ezekkel az ICkel halytottak végfok IC modulokat is és diszkrét elemekből felépített végfok kimeneteket is. Ezek a meghalytó modulok duplacsatornás kivitelűek. Szereó szimetrikus megoldások. Nagyon melegednek is, oldalanként 2-3 Watt disszipációjuk van az összesen 6 watt is lehet. Ezért nagyon nem árt a kűtés nekik, ennek ellenére sok gyártó nem használt hozzájuk bordát. Pl az én ONKYO A-44 erősítőmben sem használtak bordát az IC hőmérséklete nyáron 60 fok is volt. Ami nem igazán jó dolog. Ezért ezek az IC-k halylamosak a tönkremenetelre ennyi idő elteltével, fentebb már említettem hogy a megnövekedett hálózati feszültség sem kedvez nekik. Nos ezek IC-k is léteznek hamisított utángyártott megoldásokban de sokan tapasztalatból írják hogy 2-3 bekapcsolásnál többet nem bírnak ki.
Ezek cserélyére is vannak megoldások. STK3102 A két kép közül könnyű megmondani melyik az eredeti. A hozzászólás módosítva: Feb 25, 2023
STK3102
A hozzászólás módosítva: Feb 25, 2023
Nagyon szépen köszönöm de tda7294 biztos nem fog a jelenlegi végfok helyére kerülni. Mivel próbálok egy kompromisszumos megoldást találni ami illik az erősítő mind korához mind kinézetéhez.
Ezért lett volna jobb megoldás az eredeti stk ic újra alkotása. Hely az lenne hozzá, viszont a szaktudás ami hiányzik. Azért köszönöm szépen. Várom a további javaslatokat, talán több szem többet lát.
Ha a kornak megfelelőt szeretnél akkor még ezt a SANKEN SI-1050 et tudnám ajánlani természetesen ennek megfelelő kapcsolással. ebay.com Persze ez is lehet hamis, én már vásároltam ebay on ilyen IC-ket 4 darabot ebből 1 darab volt hamis. Azt nem tudom mennyire fog jól működni 24.5V ról. Mert a 1030 lenne arra jó de azt meg nem lehet beszerezni. Annyi előnye lenne az alacsonyabb tápnak hogy így bírná a 4 ohmos terhelést is. A két képen látható hogy a bal oldali még a vastag réteg áramkört használja de a másik már újabb kivitel. Ez nem azt jelenti hogy a jobb oldali hamis lenne de bisztos hogy újabb kivitel. A hamis az úgy nézett ki belül mint a jobb oldali de a lábkiosztása nem stimmelt mikor szétszedtem. Amúgy ezeket könnyen szét lehet pattintani és össze rakni, a burkolata fém lemez.
A hozzászólás módosítva: Feb 25, 2023
STK3102 SMD kivitel. A Rajzon a 3 db 18k ellenállás azért van elterítve mert kb 280...380mW teljesítmény disszipációval rendelkezik. És ezzel növelve a hőleadó felületet amúgy oda 1db 51K kellene.
Ha magasabb tápfesz az igény mint ami az adatlapon szerepel akkor az R9-nek és az R18-nak meg kell dupláznia az értékét, hogy csökkentse a disszipációt.
Azt várnám, hogy az összes emitterellenállás egy kicsit megnő, esetleg 1,5-re, vagy a tranzisztorok megfőnek. Az összes kiemelt ellenállást magasabb tápfeszültségre állítanám. A háromból álló láncnak sokkal magasabb értékeknek kellene lennie, a többinek kicsit magasabbnak, hogy elkerüljük a tranzisztorok megsülését.
SI-1020G-ből van egy pár, viszont a tápfeszen amin agyalnom kell, lehet átteszem 240VAC-ba és így a DC feszültség is leesik akkorára hogy tudom használni, 2*23VDC lenne az optimális feszültsége.
Az még úgy jó lehet de akkor a hangszóró nem lehet 8 ohm-nál kisebb. Vagy csak nagyon halkan lehet hallgatni az meg úgy nem igazánjó. 4 ohm esetén.
|
Bejelentkezés
Hirdetés |




























Ezek cserélyére is vannak megoldások. STK3102 A két kép közül könnyű megmondani melyik az eredeti. 




















