Fórum témák

» Több friss téma
Fórum » Erősítőhöz való hangsugárzó védelem (koppanásgátló)
Lapozás: OK   192 / 196
(#) deebo válasza Skori hozzászólására (») Júl 11, 2023 /
 
Sosem sikerült mérnem a relé hatását, amit az is alátámaszt, hogy már elméletben is annyira jelentéktelen a lánc többi eleméhez képest.
Idézet:

Ezután már nem hallottam azt a zavaró hangot, amit korábban.”


Te egy hibás relét hallottál legfeljebb. Megint összekeverjük a dolgokat. Nagyon nem mindegy, hogy valami hibás állapotában befolyásol, vagy hibátlan állapotában. Én hallottam egy korabeli erősítőm bekapcsológombjának a hangját is pattogás formájában, konkrétan szikrázott a kapcsoló, akkor jelentsem ki, hogy a kapcsolóknak hallható hangjuk van? Hallottam már rossznak RCA dugót is, mert kontakthibás volt, de az ezüstözött jól érintkező és aranyozott jól érintkező csatlakozók között nem hallom és nem is mérem a különbséget és meg se próbáljon senki azzal jönni nekem, hogy ő hallja.

Idézet:
„A rezisztív terhelés jelenti a legkisebb igénybevételt a relé számára.”


Van különbség a között, hogy egy induktív terhelés üzem közbeni túlzott áramlökéseit kell elviselnie az érintkezőknek, vagy ívet kell kioltani megszakításkor. Ha lesz energiám, megmutatom szkópon hogy néz ki egy DC-ről lekapcsolt hangszóró által indukált feszültség, tegnap nem volt, bár gyanítom, hogy el tudod képzelni.
A hozzászólás módosítva: Júl 11, 2023
(#) deebo válasza majkimester hozzászólására (») Júl 11, 2023 /
 
Ezt úgy nevezik, hogy költségoptimalizálás, ne láss bele semmi műszaki szempontot.

Skori
Idézet:
„Elektronikus megoldásokkal is lehetne az ív kialakulását drasztikusan csökkenteni.”

Igen, mikrokontrolleres vezérlés, ami a tápot is lekapcsolja.
(#) Skori válasza deebo hozzászólására (») Júl 11, 2023 / 1
 
Hibátlan relé hatása is mérhető, csak annyi a kérdés, hogy ez a hatás mekkora.
(#) somitomi válasza Alkotó hozzászólására (») Júl 11, 2023 /
 
Persze, csak azt akartam mondani ezzel, hogy azért nem olyan forró a dolog, hogy "nem tudja megszakítani". Én egyébként nem vettem észre semmit az erősítő hangján, de persze egy-két hónapig üzemen kívül volt a javítás miatt és amúgy is cserélni kellett a végfokot. Szóval ha véletlenül hallanék valamit, azt is a végfokra fognám.
Az élettartam nyilván csökken ettől, de szerintem egy hifi erősítőnél ez nem tényező, az egész készüléket nem biztos, hogy bekapcsolják tízezerszer az élete során.
(#) deebo válasza Skori hozzászólására (») Júl 11, 2023 /
 
Ja GHz-en. Nekem azt is mondták itt, hogy a relés bemenetválasztó az SPDIF-en biztos nem fog működni, de működik és a jelen nem látható semmiféle különbség.
A hozzászólás módosítva: Júl 11, 2023
(#) Karesz 50 válasza majkimester hozzászólására (») Júl 11, 2023 /
 
Az elég gyors "bontást" úgy értettem (feltételeztem, egyértelművé teszi ezt azt idézőjel), hogy valószínűleg villámgyorsan olvadt el az érintkező "nyelve" a kb. 4000 fokos ív-hőmérséklettől. Nem nagyon volt ideje még testre húzni sem a hangszóró kimenetet. Tehát így is működött a relés védelem, csak nem üzemszerűen : )
(#) majkimester válasza Karesz 50 hozzászólására (») Júl 12, 2023 /
 
Ez egy öngyilkos relé, az élete árán is megvédi a hangfalat
(#) morgo válasza Karesz 50 hozzászólására (») Júl 12, 2023 /
 
Nem is kell ahhoz test, hogy elégjen a relé nyelve. Ennek nem volt test az érintkezők közelében sem:
(#) mcc válasza majkimester hozzászólására (») Júl 12, 2023 / 1
 
Inkább az 500Ft-os relé, mint a sokszoros árú hangszóró.
(#) majkimester válasza mcc hozzászólására (») Júl 12, 2023 /
 
Jogos, csak a végén a műanyag ház ne kapjon lángra, mert akkor hamar javíthatatlan lesz az erősítő ...
(#) mcc válasza majkimester hozzászólására (») Júl 12, 2023 /
 
A lángálló ház szerintem alap a jobb cégeknél.
(#) deebo válasza majkimester hozzászólására (») Júl 12, 2023 /
 
Na jóvan ám, most már lángol is a relé...

Még jó, hogy nincs tele a híradó lángoló erősítős rackekkel szóló hírekkel. Áruld már el, hogy mi ez a dzsihád, amit a relék ellen folytatsz?
(#) Helios válasza mcc hozzászólására (») Aug 5, 2023 /
 
Szia!

Át rajzoltam a kapcsolásod úgy, ahogyan nekem megfelelő lenne. Rá tudsz nézni, hgogy megfelelő-e?
A hozzászólás módosítva: Aug 5, 2023
(#) proli007 válasza Helios hozzászólására (») Aug 5, 2023 / 1
 
Hello! Ha már átrajzoltad..
A D1 dióda fordítva van. Az R4 és R5 100k, különben nem működne.
Az U2 és U3 1-es lábaknak, nem a GND-re kell csatlakoztatni, hanem a +5V-ra.
(#) Helios válasza proli007 hozzászólására (») Aug 5, 2023 /
 
Köszönöm szépen!

Javítottam a hibákat.
(#) mcc válasza Helios hozzászólására (») Aug 5, 2023 /
 
SPK_IN_R és SPK_OUT_R fel van cserélve. A bal oldal a jó.
SPK_IN_R és C3 + kivezetése közé, valamint SPK_IN_L és C2 + kivezetése közé kell egy 4.7k-10k közötti értékű ellenállás. Az érték az erősítő teljesítményétől függ.
(#) Helios válasza mcc hozzászólására (») Aug 5, 2023 /
 
Szia!

Javítottam.
(#) mcc válasza Helios hozzászólására (») Aug 5, 2023 /
 
R20-R21 nem jó. Az SPK_IN és a kondi + kivezetése között legyen, de a kondi + kivezetése és az optocsatoló összekötése maradjon meg.
(#) Helios válasza mcc hozzászólására (») Aug 5, 2023 /
 
Remélem jól értettem.
(#) mcc válasza Helios hozzászólására (») Aug 5, 2023 /
 
Sajnos nem... Lásd csatolt kép. A piros X-el jelölt összekötés nem kell.

1.jpg
    
(#) nosmo king hozzászólása Aug 7, 2023 / 3
 
Csak egy kis érdekesség. Az általam épitett erösitöben két koppanásgátlo panel szolgálja a békét. pár orás müködés után az egyik rendszeresen megadja magát és nem kapcsolt be. Szétszedtem a dögöt és láss csodát ujra minden remekül müködik. Végigmértem minden és minden jo. Aztán jött egy gondolatom és hajszáritoval elkezdtem melegiteni a gyanus panelt és ni itt a hiba. a relé nem huz be. Rámértem és megkapta a villanyt. Tehát a relé a hunyo. Szétszedtem és kiderült hogy a fegyverzet illesztése tul szoros és melegedés hatására megszorul. Innen már egyszerü volt a javitás.
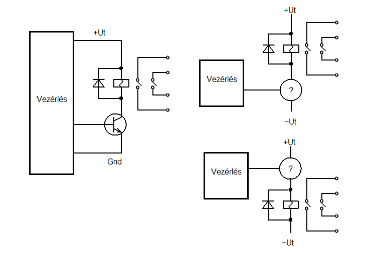
(#) botond hozzászólása Okt 3, 2023 /
 
Segítséget szeretnék kérni védelemmel kapcsolatban. Az általam megépített és jól működő védelmeken (KD mester, RT1992/12) szeretnék módosítani oly módon, hogy a végfok tápjáról működjenek a relék (+ és - oldal is benne legyen). A csatolt kép alapján hogy lehet ezt megvalósítani?

Vezerles.png
    
(#) reloop válasza botond hozzászólására (») Okt 3, 2023 /
 
Üdv! Mekkora a végfok tápfeszültsége? Azt tudnod kell, hogy a relétekercs névleges feszültsége feletti részt el kell fűtened.
Szerk.: erről a kapcsolásról van szó?
A hozzászólás módosítva: Okt 3, 2023
(#) botond válasza reloop hozzászólására (») Okt 3, 2023 /
 
Szia!
Igen, ez a kapcsolás annyiban módosítva, hogy csatornánként kétfokozatú szűrő van. A végleges terv három utas aktív váltás. Emiatt több relé kell, jobban tudok játszani a relékkel (főleg 24 V-os). A trafóm 2x30 V AC, így kb. 2x40V DC lesz a táp. Erről már 3 relé kényelmesen elmegy, csak 8 V-ot kell ejtenem soros ellenállással.
A másik ok a fejhallgató erősítő. Ezt 2x15V CRC tápról járatom, a tápban az ellenállás csak egy adott terhelésnél jó, változó terhelésnél borul a két oldal egyensúlya. Itt is jól tudnám használni a 24 V-os relét.
(#) proli007 válasza botond hozzászólására (») Okt 3, 2023 / 1
 
Hello! Valami ilyenre gondoltál?

KD-Plusz.png
    
(#) botond válasza proli007 hozzászólására (») Okt 3, 2023 /
 
Szia!
Köszi a választ! Igen, ilyesmire. Csak pontosításként, ha jól értelmezem, akkor T1 és R3 az eredeti kapcsolásban vannak, a többlet alkatrészek R1, R2 és T2?
(#) proli007 válasza botond hozzászólására (») Okt 3, 2023 /
 
Igen, az a tranyó hajtotta meg eddig a relét..
(#) botond válasza proli007 hozzászólására (») Okt 3, 2023 /
 
Szia!
Nagyon köszönöm a segítséget!
(#) hajdumihaly hozzászólása Jan 18, 2024 /
 
Sziasztok!

Az "Urbán Elektromika Hf Védelem 4." van valakinek leírása? Nem minden világos.

üdv. Misi
(#) proli007 válasza hajdumihaly hozzászólására (») Jan 18, 2024 /
 
Hello! Szerintem ez az.
Következő: »»   192 / 196
Bejelentkezés

Belépés

Hirdetés
XDT.hu
Az oldalon sütiket használunk a helyes működéshez. Bővebb információt az adatvédelmi szabályzatban olvashatsz. Megértettem