Fórum témák
» Több friss téma |
Fórum » Erősítőhöz való hangsugárzó védelem (koppanásgátló)
Témaindító: Thom, idő: Márc 14, 2006
Témakörök:
Sosem sikerült mérnem a relé hatását, amit az is alátámaszt, hogy már elméletben is annyira jelentéktelen a lánc többi eleméhez képest.
Idézet: „ Ezután már nem hallottam azt a zavaró hangot, amit korábban.” Te egy hibás relét hallottál legfeljebb. Megint összekeverjük a dolgokat. Nagyon nem mindegy, hogy valami hibás állapotában befolyásol, vagy hibátlan állapotában. Én hallottam egy korabeli erősítőm bekapcsológombjának a hangját is pattogás formájában, konkrétan szikrázott a kapcsoló, akkor jelentsem ki, hogy a kapcsolóknak hallható hangjuk van? Hallottam már rossznak RCA dugót is, mert kontakthibás volt, de az ezüstözött jól érintkező és aranyozott jól érintkező csatlakozók között nem hallom és nem is mérem a különbséget és meg se próbáljon senki azzal jönni nekem, hogy ő hallja. ![]() Idézet: „A rezisztív terhelés jelenti a legkisebb igénybevételt a relé számára.” Van különbség a között, hogy egy induktív terhelés üzem közbeni túlzott áramlökéseit kell elviselnie az érintkezőknek, vagy ívet kell kioltani megszakításkor. Ha lesz energiám, megmutatom szkópon hogy néz ki egy DC-ről lekapcsolt hangszóró által indukált feszültség, tegnap nem volt, bár gyanítom, hogy el tudod képzelni. A hozzászólás módosítva: Júl 11, 2023
Ezt úgy nevezik, hogy költségoptimalizálás, ne láss bele semmi műszaki szempontot.
Skori Idézet: „Elektronikus megoldásokkal is lehetne az ív kialakulását drasztikusan csökkenteni.” Igen, mikrokontrolleres vezérlés, ami a tápot is lekapcsolja.
Hibátlan relé hatása is mérhető, csak annyi a kérdés, hogy ez a hatás mekkora.
Persze, csak azt akartam mondani ezzel, hogy azért nem olyan forró a dolog, hogy "nem tudja megszakítani". Én egyébként nem vettem észre semmit az erősítő hangján, de persze egy-két hónapig üzemen kívül volt a javítás miatt és amúgy is cserélni kellett a végfokot. Szóval ha véletlenül hallanék valamit, azt is a végfokra fognám.
Az élettartam nyilván csökken ettől, de szerintem egy hifi erősítőnél ez nem tényező, az egész készüléket nem biztos, hogy bekapcsolják tízezerszer az élete során.
Ja GHz-en. Nekem azt is mondták itt, hogy a relés bemenetválasztó az SPDIF-en biztos nem fog működni, de működik és a jelen nem látható semmiféle különbség.
A hozzászólás módosítva: Júl 11, 2023
Az elég gyors "bontást" úgy értettem (feltételeztem, egyértelművé teszi ezt azt idézőjel), hogy valószínűleg villámgyorsan olvadt el az érintkező "nyelve" a kb. 4000 fokos ív-hőmérséklettől. Nem nagyon volt ideje még testre húzni sem a hangszóró kimenetet. Tehát így is működött a relés védelem, csak nem üzemszerűen : )
Ez egy öngyilkos relé, az élete árán is megvédi a hangfalat
Nem is kell ahhoz test, hogy elégjen a relé nyelve. Ennek nem volt test az érintkezők közelében sem:
Inkább az 500Ft-os relé, mint a sokszoros árú hangszóró.
Jogos, csak a végén a műanyag ház ne kapjon lángra, mert akkor hamar javíthatatlan lesz az erősítő ...
A lángálló ház szerintem alap a jobb cégeknél.
Na jóvan ám, most már lángol is a relé...
Még jó, hogy nincs tele a híradó lángoló erősítős rackekkel szóló hírekkel. Áruld már el, hogy mi ez a dzsihád, amit a relék ellen folytatsz?
Szia!
Át rajzoltam a kapcsolásod úgy, ahogyan nekem megfelelő lenne. Rá tudsz nézni, hgogy megfelelő-e? A hozzászólás módosítva: Aug 5, 2023
Hello! Ha már átrajzoltad..
A D1 dióda fordítva van. Az R4 és R5 100k, különben nem működne. Az U2 és U3 1-es lábaknak, nem a GND-re kell csatlakoztatni, hanem a +5V-ra.
SPK_IN_R és SPK_OUT_R fel van cserélve. A bal oldal a jó.
SPK_IN_R és C3 + kivezetése közé, valamint SPK_IN_L és C2 + kivezetése közé kell egy 4.7k-10k közötti értékű ellenállás. Az érték az erősítő teljesítményétől függ.
R20-R21 nem jó. Az SPK_IN és a kondi + kivezetése között legyen, de a kondi + kivezetése és az optocsatoló összekötése maradjon meg.
Sajnos nem... Lásd csatolt kép. A piros X-el jelölt összekötés nem kell.
Csak egy kis érdekesség. Az általam épitett erösitöben két koppanásgátlo panel szolgálja a békét. pár orás müködés után az egyik rendszeresen megadja magát és nem kapcsolt be. Szétszedtem a dögöt és láss csodát ujra minden remekül müködik. Végigmértem minden és minden jo. Aztán jött egy gondolatom és hajszáritoval elkezdtem melegiteni a gyanus panelt és ni itt a hiba. a relé nem huz be. Rámértem és megkapta a villanyt. Tehát a relé a hunyo. Szétszedtem és kiderült hogy a fegyverzet illesztése tul szoros és melegedés hatására megszorul. Innen már egyszerü volt a javitás.
Segítséget szeretnék kérni védelemmel kapcsolatban. Az általam megépített és jól működő védelmeken (KD mester, RT1992/12) szeretnék módosítani oly módon, hogy a végfok tápjáról működjenek a relék (+ és - oldal is benne legyen). A csatolt kép alapján hogy lehet ezt megvalósítani?
Üdv! Mekkora a végfok tápfeszültsége? Azt tudnod kell, hogy a relétekercs névleges feszültsége feletti részt el kell fűtened.
Szerk.: erről a kapcsolásról van szó? A hozzászólás módosítva: Okt 3, 2023
Szia!
Igen, ez a kapcsolás annyiban módosítva, hogy csatornánként kétfokozatú szűrő van. A végleges terv három utas aktív váltás. Emiatt több relé kell, jobban tudok játszani a relékkel (főleg 24 V-os). A trafóm 2x30 V AC, így kb. 2x40V DC lesz a táp. Erről már 3 relé kényelmesen elmegy, csak 8 V-ot kell ejtenem soros ellenállással. A másik ok a fejhallgató erősítő. Ezt 2x15V CRC tápról járatom, a tápban az ellenállás csak egy adott terhelésnél jó, változó terhelésnél borul a két oldal egyensúlya. Itt is jól tudnám használni a 24 V-os relét.
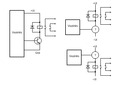
Hello! Valami ilyenre gondoltál?
Szia!
Köszi a választ! Igen, ilyesmire. Csak pontosításként, ha jól értelmezem, akkor T1 és R3 az eredeti kapcsolásban vannak, a többlet alkatrészek R1, R2 és T2?
Igen, az a tranyó hajtotta meg eddig a relét..
Sziasztok!
Az "Urbán Elektromika Hf Védelem 4." van valakinek leírása? Nem minden világos. üdv. Misi
Hello! Szerintem ez az.
|
Bejelentkezés
Hirdetés |


















