Fórum témák
» Több friss téma |
A klónok CH340 Soros-USB illesztőjének drivere (Letöltés)
Köszi! Még ma rápróbálok, de valószínűleg csak délután lesz rá időm.
Sajnos én nem tudtam még elegendő tudást felhalmozni ilyen téren(Mikor foglalkozni kezdtem az elektronikával, még az volt a fenegyerek a városban akinek volt 1db tranzisztora, mivel még elektroncső volt mindenben. Ezért vénségemre nehézkesen megy a fejlődés, de igyekszem.), hogy ebben érdemileg állást foglaljak. Nekem kellemetlen tapasztalataim vannak a "kompatibilis" alaplapokkal. Legutóbb az STM32 vs. CH32F103C8T6 volt problémám, ahol minden jó volt, hiba nélkül felment, csak nem akart működni a program, stm-en pedig igen.
De volt gond LGT-vel is régebben. Nekem valami nem éppen hozzávaló alaplapkezelővel is lefordult/feltöltött hiba nélkül csak nem ment, de a hozzávaló alaplapkezelővel sem... Idézet: „Nekem valami nem éppen hozzávaló alaplapkezelővel is lefordult/feltöltött hiba nélkül csak nem ment, de a hozzávaló alaplapkezelővel sem...” Kipróbáltam több alaplap kezelőt az LGT-hez, és van olyan is, amiben vannak apróbb hiányosságok. Nem mindegy, hogy melyiket használjuk.
Nem sikerült előbbre lépni. Oda jutottam, hogy Atmega328 lesz felhasználva, és kiegészítem valami külső ADC-vel.
Ha hozzáadsz a minta elejéhez két bitet, akkor az is ki lesz shiftelve, de a csipnek teljesen mindegy, mert átshiftelődik rajta "kijön a másik végén". Mire a ST strobe-ot adod, addigra már nem lesz ott.
Tehát mondjuk ha a legmagasabb bittől kezdve shifteljük ki a 16 bites változót, akkor ez tökéletesen fog működni:
Arduino IDE 2.3.6 nagyon lassan fordítPróbálok egy programot feltölteni egy ESP32-re, de fél óra nem elég az Arduino IDE-nek, hogy lefordítsa.( ESP8266-nál is eltart pár percig az első fordítás, de után már viszonylag használható tempóban dolgozik) Még csak nem is bonyolult program, mert próbaképp csak a wifire kéne csatlakoznia. Van valakinek valami ötlete, hogy ne őszüljek meg itt a gép mellett?
Nekem nanora nem akart felrakni egy szintén nem túl nagy programot, nem gyöztem kivárni, a végén valami hibát írt ki. Viszont nagyon érdekes, hogy a blink-et másodpercek alatt vissza rakta de mást nem volt hajlandó. Félő , hogy meg kell várni míg jőn egy javítás.
Én a hordozható 2.3.4 verziót használom, de semmi problémám a sebességével.
1.8.5 is lassú esp-vel. Igaz egy mázsa lib kellett hozzá. De nálam a lassó 5-7 perc egy ezer éves 2. generációs i7-en.
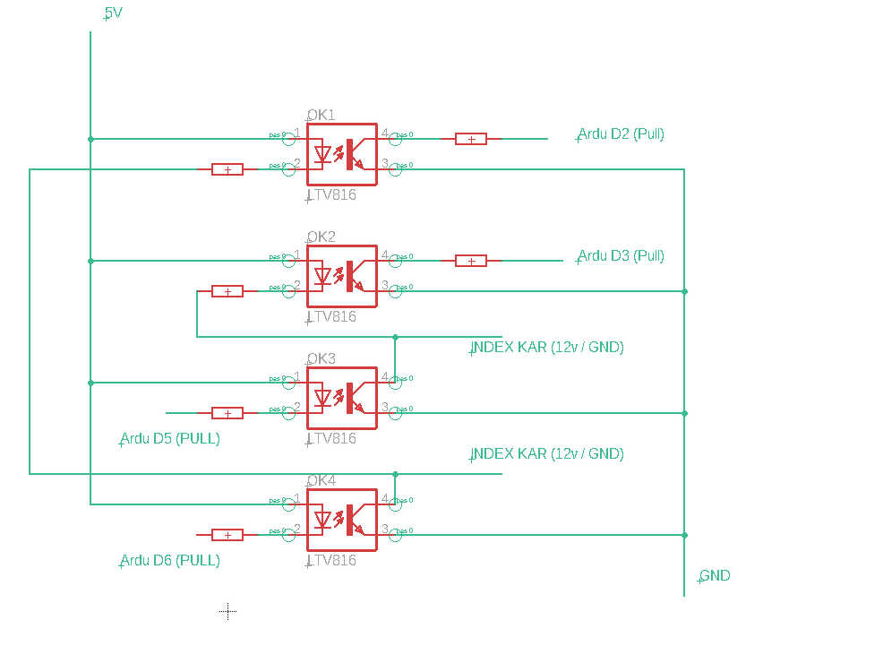
Komfort indexSziasztok.Megcsináltam egy alap kapcsolást arról hogy igy képzelném el a komfort index vezérlését. Az index kar gnd vezérelt ami 8mA áram folyik mikor testre van húzva. A működésé program szinten hogy D2 vagy D3 alacsony állapotba kerül 1 sec-500milisec idő között akkor "pöccintés" történt. Ha ez igaz akkor vagy D5-D6 alacsony állapotba került 3 másodpercig. (Az auto modulja vezérli a reléket igy a villogtatás nem az én részem) Azon is gondolkodtam elég lehet 2 láb figyelésre és vezérlésre. De ennyire nem vagyok jártas a dologba. Segítséget kérnék a kapcsolás javításába ha nem helyes vagy ha van valakinek jobb megoldása szívesen meghallgatnám.
Mi volna a feladata ennek a "komfort index-nek" ? Mit kell csináljon az arduino ha pöccintés történt?
Annyit csinál ha pöccintés történt hogy D5 vagy D6 lábát testre húzza igy a led világit és behúzza a tranzisztort.
De elküldöm a programkódomat.
Szia!
Volt egy olyen tippem, hogy túl lehet tölteni, de nem volt rá konkrét példa vagy utalás így elkerültem. Szerintem a példádat fogom követni - persze megépítem a kapcsolást egy próbapadon és kitesztelem az éles helyzet előtt. Köszi! A hozzászólás módosítva: Máj 23, 2025
Moderátor által szerkesztve
Szerintem a 66 és a 72. sorokba kellene még némi zárójel (mint ahogy az 56. sorban van).
Ha feltettem a szükséges alaplapi támogatást az 1.8...alá, akkor ment. 2... ismeri élből. Mindkét IDE alól megy. Néha az eredetivel többet szívtam. Illetve a HEstore klónokkal. Igaz - olcsóak. De ha összehasonlítom az Aliexpressel, amit külföldről rendeltem - egyrészt hamarabb megjött, másrészt sokkal stabilabbak voltak.
Nincs rá szükség, mert a logikai ésnél már alig van gyengébben kötő operátor. Lásd: https://en.cppreference.com/w/c/language/operator_precedence
Persze mivel ez általában nem verseny, hogy ki tudja jobban fejből a sorrendet, bátran ki lehet rakni a zárójeleket, de ez esetben nem fog változást hozni.
A kapcsolás jó lehet?
Azért kérdezem mert kipróbáltam az autónál és sajnos azt vettem észre hogy a tranziztoron 1mA folyik ha rá kötöm az index lábakat pedig tisztán testre 8-10mA folyik. 5v ágon 20mA folyik a ledeken . PC817 használok.
Hello! A hibák ott kezdődnek, hogy a rajzodon nincsenek alkatrész értékek, sem pozíciószámok. Így hivatkozni is keserves bármire.
- Az opto-nak van egy CTR tényezője. Ez azt mutatja meg, hogy a Led árama milyen viszonyban van a tranyó kollektor-emitter áramával. Csak ez a tényező, ennél a típusnál, nagyon szélsőséges tartományban van megadva. Az értéke 50..600%. 5mA Ledáram és 5V kollektor-emitter feszültségnél van megadva.CTR Tervezni, a legrosszabb esetre kell vagy is "pesszimista tervezési módszerrel". Tehát az 50%-ra. Vagy is ha 20mA a Led árama, akkor fogja a 10mA-t lehúzni. - De ha az index bemenet lehúzásakor 8..10mA folyik, akkor ehhez még hozzá jön a másik optocsatoló Led árama, mert azt is le kell húzni. Mivel az AVR bemenete Pull-Up áramkörrel van felhúzva, ott csak 140uA áram fog folyni. Tehát 50%-al a Led áramának 280uA áramnak kell lenni. De mivel a CTR tényező áramfüggő is, így 1mA Ledáramot adva, megfelelő lesz a port bemenetlehúzása. A dióda előtét ellenállását ez szerint kell megválasztani. Mivel a Led Vf feszültsége 1.2V, az AVR tápja meg 5V, Re=(5V-1,2V)/1mA=3,8kohm, tehát egy 3,6k megfelelő lehet. Az AVR meghajtó oldalról nézve, 20mA terhelésnél, 4,4V-ot ad ki, ebből levonva az 1,2V Led feszültségét, Re=(4,4V-1,2V)/20mA=160 ohm előtét ellenállás kell. Ha így jársz el, vélhetően lehúzza majd az index bemenetet is. Mivel a Led reverz feszültsége maximum 6V, kicsit necces amikor az index 12V-on van, a Led meg V-n, mert az 7V. De el fogja viselni. (Precízebben kell fogalmazni, rajzolni és nézni az adatlapot. Mind az opto,mind az AVR esetén.) A hozzászólás módosítva: Jún 1, 2025
A 3-as es 4-es optonak nincs munkaellenallasa a +12V fele >>> ha vezerlest kap a 5-os vagy 6-os porton akkor eloall a 12V vs 0V osszekapcsolasa az indexkaron keresztul.
Valamint az 1-es es 2-es opto munkaellenallasa utan szukseges lenne 1-1 diodara, mert az optok ledjei nem szeretik a 6V-nal nagyobb elleniranyu feszultseget.
Kedves Proli007
Köszönöm a segítséged . Feltüntettem az ellenállás értékeket a leírásod alapján. Ahogy értem a Led reverz feszültség adhat aggodalomra okot.
Igen, ha korrektek szeretnénk lenni, a Led-el soros 3k ellenállással sorba kell kötni egy pld. 1N4148-as diódát.
Viszont a tranyók kollektorával sorba lévő 3k felesleges.
Szerintem ennek az egésznek nincs így értelme.
Két irány van: bemenet és kimenet. Az 5 V-os részt elválasztjuk a 12 V-ostól és viszont - nem lehet átjárás. Két optocsatoló az egyik irányba néz, a másik kettő meg a másik irányba. Minden LED egyik fele a testen van (ha ellenálláson keresztül, akkor úgy), nincsenek keresztben összeköttetések - a logika az Arduinoban van, nem a kapcsolásban, azért számítógép. Az Arduino két bemeneten megkapja az indexkarok állapotát, valamint két kimete az indexkarokkal párhuzamosan kötve képes az indexet működtetni. Köztük persze optocsatolók vannak a megfelelő irányban, ahogy írtam. Már csak az áramokat kell kiszámolni a CTR-ek alapján. De mivel az index 8 mA-rel működik, ha jól olvastam (bocs, ha tévedek, kevés időt töltöttem vele), egy 1-5 mA közti áram az optocsatoló LED-jén bőségesen elég lehet. A másik irányban az Arduino meg még kevesebbet fogyaszt. Persze meg kell nézni az adatlapot, mi az a minimum, amivel biztonságosan működik az adott optocsatoló. A hozzászólás módosítva: Jún 1, 2025
Ne haragudjon hogy ilyennel terhelnèm a diódák helyét és irányát be rajzolná köszönöm.
Nagyon egyszerű, a Led-el soros 3k után kell bekötni, anód az optocsatoló Led felé.
Unsigned long vagy mégse ?Tisztelt Fórumlakók !Nagyon rég írtam már a HE fórumra, de most igazán szükségem lenne a segítségre ![]() Egy hülye kérdéssel fordulok a nagyközönséghez, mert nem látom és nem értem, hogy hol vagy mi a hiba. Már csináltam egy sosor monitoros program részletet, de így sem értem, hogy hol a gebasz..... A program 4 bájton kezeli a bevitt összeget. Egy külső epromban tárolódik I2C vonalon keresztül ( szerintem ez lényegtelen ). A 1-4-es memória címen tárolja az összeget persze megfelelő lebontásban ( 1 bájt -- x*16777216 + 2 bájt --- x*65536 + 3 bájt --- x*256 + 4 bájt adja a végeredményt ).Ezt minden esetben beolvasva és hozzáadva a bevitt összeget újra felbontja a megfelelő bájtokra és kiírja az epromba. A helyzet a következő : - Van egy számláló kezelő program ami a mega vagy uno alaplapokon nem működik jól. A probléma, hogy ha adatbevitel esetében pl 32000-es összeget választjuk addig jól írja be, rádobunk még 500-at, szintén jó. Még 500, és borul a dolog ( 32768-nál tulcsordulás, de miért ? ) Kiolvasásnál meg már értelmezhetetlen számokat jelenít meg. Amennyiben 64000 a bevitt összeg, azt jól írja be a memóriába de kiolvasva már hülyeséget ír. És innentől már tökmindegy milyen összegek kerülnek bevitelre borul az egész memória kezelés. A véletlen szám generátorral bevitt összegek is csak abban az esetben lesznek helyesek ha 32768 alatt vannak.... - Due alaplapon kifogástalanul üzemel és számol. Nem találtam hibát bármekkora számokkal is kezelte rendesen ahogy kellene neki. Hol a gond pedig az "adat" változót unsigned long tipusúként kezelem. A rövid progi a következő, ha valaki veszi a fáradtságot és megnézi, kipróbálja.
A hozzászólás módosítva: Jún 1, 2025
Nem ismerem a feljesztőkörnyezetet de ez talán segít.
sor helyett ezt:
Az adatok mentését lehet egyszerűsíteni, nem kell annyi feltételes elágazás:
Ha mentés után az adat nevű változó nem fog kelleni, akkor az adat2 nevű változó felesleges.
Szerintem tegyél UL-t a konstansok végére és nézd meg, úgy mi történik, pl. 16777216UL.
Az Arduino Due ARM-ot tartalmaz, ugye? Ott az int eleve long int, 32 bites, a kisebb, 16 bites procikon pedig short int. Ez az, amitől másképpen viselkednek. Amúgy a külön jelölés nélküli literálok addig signed-ek maradnak, amíg a következő legkisebb típusba beleférnek. Ha abba sem férnek bele, akkor lesznek csak maguktól unsigned-ek. Ezt leszámítva ha signed és unsigned közt végzünk aritmetikai műveleteket, valóban unsigned-re lesznek alakítva a műveletek elvégzése előtt implicit konverzióval, de jobb nem rábízni az implicit konverziókra - pont a hasonló esetek miatt. Ebből például pont az unsigned-re való konverzió miatt lesz nagy gáz, de ezt csak az élmény kedvéért írom ide: : -) unsigned long a = 100; long b = -200; unsigned long result = a + b;
Jobban jár az ember ha az stdint féle típusokat használja, nincs kavarodás a különböző architektúrák között. uint8_t uint16_t satöbbi.
Az adatolvasás parádés, rendben működik.
Miért nem jutott eszembe a biteltolás... Az adatrögzítés viszont valahol hibás majd még kibogozom ( a sajátom az if hegyekkel viszont jól megy így is ).
Persze, érdemes áttérni rá, de ezeket sem árt megtanulni, különben ugyanúgy pórul járhat valaki.
|
Bejelentkezés
Hirdetés |













