Fórum témák

» Több friss téma
Fórum » Előerősítő
 
Témaindító: Bukall, idő: Feb 22, 2006
Témakörök:
Lapozás: OK   72 / 75
(#) blasz válasza Alkotó hozzászólására (») Jan 20, 2023 /
 
Igen az egy szörnyü nyomtatási hiba.Föleg ha tényleg teljes amatör akarja bekötni leirás alapján.
(#) zenebolond válasza Alkotó hozzászólására (») Jan 20, 2023 /
 
Az hülyeség, az hangkimenet.
(#) zoz11 hozzászólása Nov 17, 2023 /
 
Sziasztok
Van a mellékelt képen látható kapcsolásom. Az lenne a kérdésem, hogy esetleg azt hogyan lehetne megoldani hogy erősítsen is? Mert most ami bemegy az ki jön. Nekem az lenne a cél, hogy 775mVrms ből, legyen 1,5Vrms. A panelon a poti az mit csinál? Mert hiába tekergetem nem változik semmi.
Köszönöm!
Üdv: Zoltán

kapcs.jpg
    
(#) Karesz 50 válasza zoz11 hozzászólására (») Nov 17, 2023 /
 
Így erősít kétszeresen. A poti a kimeneti offset szintet állítja, azzal lehet kinullázni a kimeneti egyenfeszültséget.

NE5534.JPG
    
(#) zoz11 válasza Karesz 50 hozzászólására (») Nov 17, 2023 / 1
 
Nagyon szépen köszönöm. Működik most már tökéletesen,.
(#) metabo123 hozzászólása Máj 19, 2025 /
 

Szintillesztés

Sziasztok!
Adott egy előerősítő, amivel több végfokot is meg tudok hajtani, illetve rendelkezik hangszínszabályzási lehetőséggel. A hangszínt ki lehet iktatni, de ebben az esetben ugyebár az egész egység erősítése is csökken. Hogy ez ne történjen meg arra gondoltam, hogy beiktatok egy kis illesztő fokozatot, kb.: 3x erősítéssel.
A kérdésem az volna, hogy mely pontra tanácsosabb betenni: a „PIROS”, vagy a „ZÖLD” X-el jelzett helyre a jel/zaj viszonyok optimalizálása érdekében? Tehát a poti elé, vagy mögé?
A beillesztendő fokozat a KÉK téglaalapban látható.
(#) reloop válasza metabo123 hozzászólására (») Máj 19, 2025 /
 
Szia!
A hangszínt más módszerrel iktatnám ki. Alább a vázlat, egy csatornára megrajzolva.
(#) metabo123 válasza reloop hozzászólására (») Máj 20, 2025 /
 
Köszönöm a válaszod!
Igen, ezen el kell gondolkozzam, hiszen a javaslatod sokkal elegánsabb megoldást kínál a problémámra, kevesebb alkatrész, és még a balansz is benne marad.

Azonban a dobozon már ott a potméter, ami a by-pass vonalhoz tartozik. Tehát ha mégis az általam rajzolt gondolatmenet szerint kellene megoldani a dolgot akkor hová kerüljön a kék keretben lévő szintillesztő előerősítő?
Köszönöm!
A hozzászólás módosítva: Máj 20, 2025
(#) kistee válasza metabo123 hozzászólására (») Máj 20, 2025 /
 
Ha a te elgondolásod szerint kell megoldani, akkor én a potméter elé tenném, a piros (lila) X helyére. De ez csak az én véleményem, igazából megindokolni sem tudom. Talán azért, mert a másik (hangszínszabályzós) ág is ott van.
(#) Lacika válasza metabo123 hozzászólására (») Máj 21, 2025 /
 
Ha mindenképpen ragaszkodsz hozzá, akkor a potenciométer elé (lila x), ugyan is minden további erősítő modul további zajt is visz a rendszerbe, és ha a potenciométer után kötöd, akkor, ha ezt teljesen lecsavarod, akkor a hasznos jel ugyan elnémul, de a zaj marad.

De.... Látok ott egy TL074-el kivitelezett erősítő modult is. Nem lenne egyszerűbb egy kapcsolóval ennek az erősítését megváltoztatni? (R9, R10) Így nem kellene a plusz modul.....
A hozzászólás módosítva: Máj 21, 2025
(#) reloop válasza metabo123 hozzászólására (») Máj 21, 2025 /
 
Ha a poti után rakod az előerősítőt, akkor biztosan nem lesz túlvezérelve és a mikrofon keveréshez szerencsésebb az előerősítő alacsony kimeneti impedanciája.
(#) metabo123 válasza reloop hozzászólására (») Máj 21, 2025 /
 
... tehát a ZÖLD "X" helyére?
A hozzászólás módosítva: Máj 21, 2025
(#) metabo123 válasza reloop hozzászólására (») Máj 21, 2025 /
 
... azért még gondolkodom az első javaslatod szerinti módosításon (csak mit kezdjek az előlapon már felfúrt, elhelyezett potival).
A hozzászólás módosítva: Máj 21, 2025
(#) reloop válasza metabo123 hozzászólására (») Máj 21, 2025 /
 
A készülék megérdemelne egy fejhallgató kimenetet, ezekkel szabályozhatnád. Ez csak egy példa, a gyakorlat majd talál feladatot a számukra.
(#) metabo123 válasza reloop hozzászólására (») Máj 24, 2025 /
 
Úgy néz ki, hogy a javaslatod szerint fogok eljárni (viszonylag egyszerűen megoldható készüléken belül, és szebb megoldásnak látszik).
Egy kérdés: annak a 100 ohmos ellenállásnak, amit berajzoltál mi szerepe volna?
Ha a jelutat végigkövetem egy 22K-s ellenállással van sorban.
A hozzászólás módosítva: Máj 24, 2025
(#) reloop válasza metabo123 hozzászólására (») Máj 24, 2025 /
 
A műveleti erősítőt a stabilitása érdekében óvjuk a közvetlen kapacitív terheléstől. Ahol felmerül, hogy akár csak kábelt kell meghajtania, már célszerű alkalmaznunk a soros kimeneti ellenállást.
(#) metabo123 válasza reloop hozzászólására (») Máj 24, 2025 /
 
Értem, köszönöm!
(#) pcmaster90 hozzászólása Szept 13, 2025 /
 

Erősítés csökkentés, munkapont beállítása

Hogyan lehet csökkenteni az első fokozat erősítését hogy a munkapontok is jók legyenek.Jelenleg csökkentettem az R547 értékét 47kohm -ról 4.7kohm-ra,csak nemtudom hogy így jó e a munkapont ha csak ezt az egy ellenállást csökkentem.Válaszokat előre is köszönöm..
(#) Suba53 válasza pcmaster90 hozzászólására (») Szept 13, 2025 /
 
Inkább az R541/5,6k ellenállást növeld, mert az nem szól bele a DC munkapontba.
10-15K ellenállással próbálkoznék.
(#) CHZ válasza pcmaster90 hozzászólására (») Szept 13, 2025 /
 
Néhány perce írtam , nem jelent meg a válaszom, nem tudom ,miért,, még vissza is kérdeztél, akkor még olvahattad..? (Kérdéséd is eltünt!)
Lényeg, Te a visszacsatolás ellenállását csökkentetted, ami nagyobb visszacsatolást okoz, csökkenti az erősítést. Visszacsatolást nem csak így tudjuk növelni, a leosztás arányával is változtatható R541 növelésével is.., ahogy egy OPA, műveleti erősítő esetén is.
A hozzászólás módosítva: Szept 13, 2025
(#) Alkotó válasza CHZ hozzászólására (») Szept 13, 2025 /
 
Az egy másik témában történt, mert a kérdező több helyre is feltette ugyanazt.
(#) CHZ válasza Alkotó hozzászólására (») Szept 13, 2025 / 1
 
Köszönöm, biztos igazad van, csak ebben a témában láttam!
Valóban ez történt, mégegyszer köszi!
A hozzászólás módosítva: Szept 13, 2025
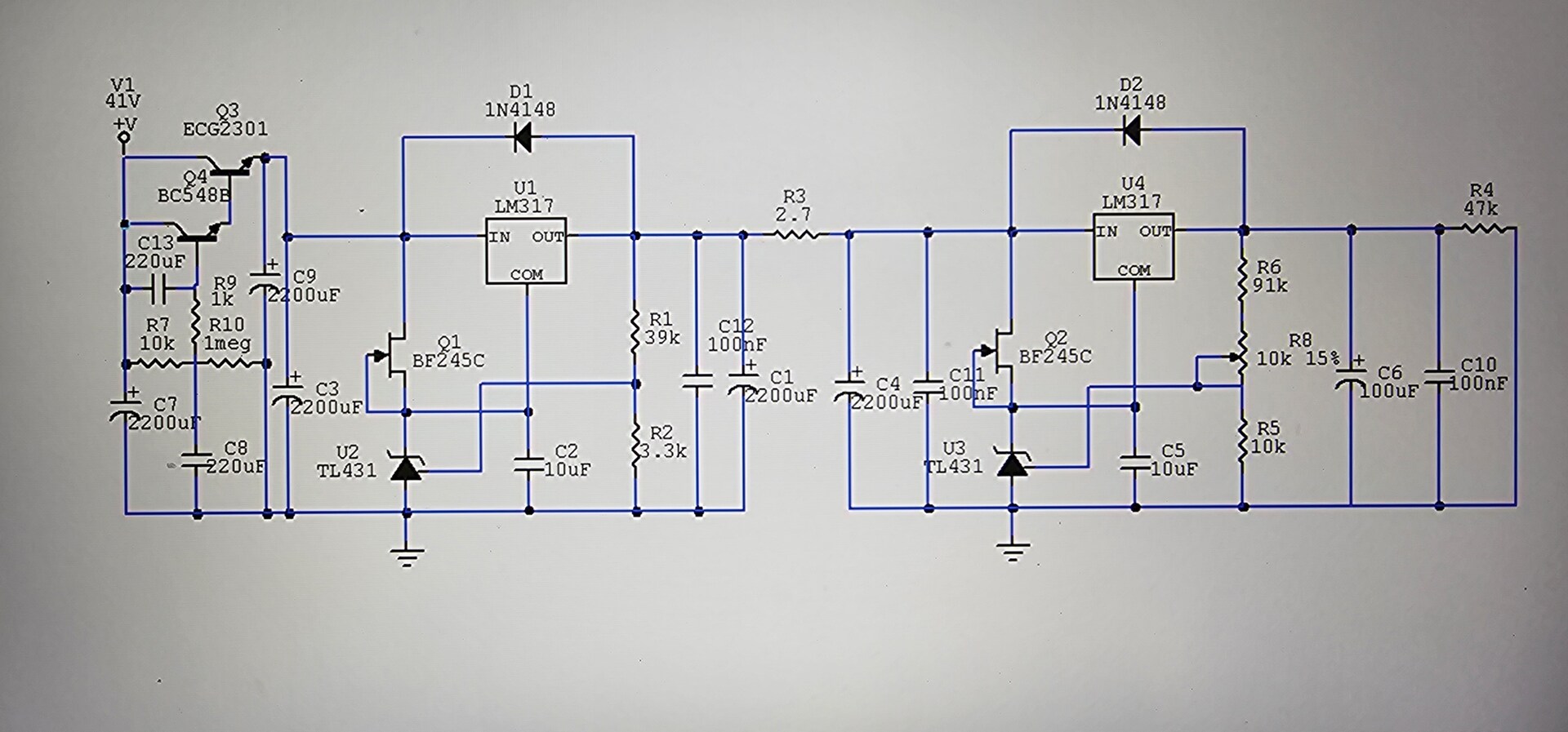
(#) pcmaster90 hozzászólása Szept 13, 2025 /
 

Előerősítő táp

Lenne mégegy kérdésem ,hogy az alábbi táp megfelelne az előerősítő/hangszínszabályozó meghajtására ha teljesen nesztelen előfokot szeretnék?Minden fokozat kapna ilyen tápot.
A hozzászólás módosítva: Szept 13, 2025
(#) Suba53 válasza pcmaster90 hozzászólására (») Szept 13, 2025 /
 
Ez teljesen feleslegesen bonyolított áramkör. Nem hiszem, hogy aki rajzolta, annak előerősítő járt a fejében.

Neked először azt kellene tisztáznod magad számára, hogy mekkora és milyen tápokat igényelnek az említett áramkörök. Valószínűleg nincs szükség külön tápra az előerősítő, és hangszínszabályozó részére.
Csak + táp kell, vagy szimmetrikusan +/-? És mekkora feszültség?
Ha ezek megvannak lehet keresgélni egyszerű stabilizátor megoldásokat. Nem valószínű, hogy szükség van finoman szabályozható feszültségre, fix stabilizátor bőven elég lesz.
Ha egyáltalán szükséges a stabilizálás, és nem elég egy jól szűrt pufferelt táp.
(#) Suba53 válasza pcmaster90 hozzászólására (») Szept 13, 2025 /
 
A TL431 úgy szabályoz, hogy az R2 ellenálláson 2,5V legyen, majd az LM317 meg úgy hogy a kimenete és a COM között 1,25V legyen. Elvileg működhet, ha nem gerjed össze a két szabályozás együtt, de teljesen felesleges. Mindkét eszköz saját szabályozó köre bőven elég egy jól stabilizált feszültség előállításához.
(#) pcmaster90 válasza Suba53 hozzászólására (») Szept 13, 2025 /
 
Amúgy én dobtam össze gyorsan az áramkört,valami olyant szeretnék ami minimálisra csökkenti a tápból jövő hullámosságot és zajt.
(#) reloop válasza pcmaster90 hozzászólására (») Szept 13, 2025 /
 
Szia! Tapasztalatom szerint egy Zener-diódás, áteresztő tranzisztoros szűrés, vagy egy stabkocka untig elegendő a tápzaj kivédéséhez. A kisjelű fokozatok 50/100 Hz-es búgása többnyire árnyékolási, vagy test-vezetési hibára vezethető vissza.
(#) pcmaster90 hozzászólása Szept 13, 2025 /
 

Előerősítő áramgenerátor

Harmadik és egyben utolsó kérdésem.Milyen paraméter javulna ha a kolektor ellenállásokat kiváltanám a következő kapcsolásokban szereplő valamelyik áramgenerátorral?Vagy ha van hátránya akkor arra is kíváncsi vagyok.
A hozzászólás módosítva: Szept 13, 2025
(#) reloop válasza pcmaster90 hozzászólására (») Szept 13, 2025 /
 
Szia! Most építem ezt a kapcsolást electret mikrofonhoz, az áramgenerátor előnyei: jobb tápzaj elnyomás, kisebb torzítás és nagyobb kivezérelhetőség. Ha 25 V-os lesz a tápod és pár-száz millivoltos jelet küldesz át az előerősítőn, akkor nincs különösebb jelentősége. Nálam 5 V a táp és volt nagyságrendű jellel is meg kell birkóznia. Kipróbáltam ellenállással mert helyszűkében vagyok, de bele kellett préselnem a fentiek miatt az áramgenerátort.
(#) btamas81 válasza pcmaster90 hozzászólására (») Szept 13, 2025 /
 
Szerintem túlbonyolítod.
Próbáld meg először 470µF oldalanként, semmi extra. De tudod mit, próbálhatod úgy is mint Elek. Legyen 1000µF/100µF/10µF/1µF/100nF.
(Nekem van a reloop féle hangszín/hangerő szabályzó 470µF és csend van.) Minél kevesebb alkatrész annál jobb.
Következő: »»   72 / 75
Bejelentkezés

Belépés

Hirdetés
XDT.hu
Az oldalon sütiket használunk a helyes működéshez. Bővebb információt az adatvédelmi szabályzatban olvashatsz. Megértettem