Fórum témák
» Több friss téma |
Fórum » VF2 végerősítő
A harmadik lehetőség haladóknak, bonyolultabb áramköröknél, amikor felfűzzük a GND-t a nagyáramú fokozatoktól a bemeneti fokozat felé haladva. Ezt tényleg csak érdekességképpen mutatom, de tény, hogy ez is működik. Ennek a műszernek 160 dB erősítés mellett 2 uV zaj volt a kimenetén új korában (200 kHz sávszélesség mellett), de a Brüel is tervezett vagy hatféle nyákot hozzá az évek során (a múlt században). Ehhez már nagyon kell tudni, hogy mikor merre folyik áram...
A két puffer közösítését is a bemeneti fokozatnál alakítom ki. (tudom, senki nem így csinálja, mert őrültségnek tűnik)
Köszönöm a javaslatokat. Szó szerint csak végigfutottam a soraid, de azonnal eszembe jutott két apróság.
1. A Caston rajzon nagyon hasonló megoldást látok mint a korábban csatolt rajzodon. A két bemenet hidegpontja nincs összekötve. Amivel az lehet a probléma (tehát nem biztos, hogy okoz gondot, de okozhat), hogy a forrásként használt akármilyen eszköz biztosan össze fogja kötni ezeket a pontokat, és az mindegy, hogy RCA vagy JACK aljzatok vannak a készüléken. 2. A Quad 606 csatornái (építettem ilyet) egyértelműen külön-külön tekercsről táplálkoznak, nem közös a tápjuk. Illetve ott van két tranzisztor (T16, T18), ami igyekszik középen tartani a lebegő GND-t. A műszer messze meghaladja az én szintemet, ahhoz nem tudok hozzászólni.
Valóban szokatlan megoldás, de ha működik akkor nem kell mást keresni helyette.
1. Írtam, hogy a Castone-t meghallgattam. Tehát összekötöttem a forrásnál a földpontokat és nem volt benne földhurok.
2. A Qaud-ról ezt írtam: Idézet: „A másik jó megoldás a virtuális föld lehetne még - mint a Quad 606/707-ben - de ezzel az lehet a gond a gyakorlatban, ha nem egyformák a tápáramok (a pozitív és a negatív tápban) akkor kiül a kimenet az egyik tápfeszre, vagy annak közelébe. (A Quad ez ellen egy két tranzisztoros kapcsolással védekezik).” 3. A műszer nyákja az én tudásszintemet is meghaladja...
Ez így tényleg őrültségnek tűnik, de csillagpontot elvinni a bemenet földpontjához az tényleg jó ötlet. Nehogy kipróbáljam egyszer : )
Ez ügyben az eredeti Quad-ot is meg lehet nézni.
Az egyébként mintha nem hangzott volna el megoldásnak, pedig szerintem elterjedt, mikor a tápfesz. szűrőkondijainál van a földelés és a hangfrekis bemenetek negatív ága el van szigetelve a fémháztól a csatlakozónál. És egy 100 nanóval van a kettő összekötve.
Nekem szimmetrikus elrendezésű nyàkterv vált be, kizárt a földhurok.
Nagyon bonyolult dolgok ezek. Rengeteg módja van a földhurok elkerülésének... talán ki lehet jelenteni, hogy nincs általános recept rá. A felépítés, a nyákterv is meghatároz bizonyos szempontokat, a dobozolási technika tovább ronthatja/javíthatja a helyzetet. És ahogy segítőtől tanultuk, a piactérre (folyóhoz) több úton is el lehet jutni.
A legjobb módszer közös tápegységnél amit CHZ is mutat, hogy egy nyákra tervezni és itt jól átgondolt csillagpontot kialakítani. ABU-nak meg szerintem most jól megnehezítettük a dolgát, viszont van választási lehetősége : )
Teljesen jó megoldása a problémának! Legtöbben azonban kész, más tervek alapján dolgoznak, (utánépítők) nekik más megoldást kell találniuk.
Rendben, de hogyan van a két hangbemenet csatlakozója a fémdobozhoz rögzítve és bekötve?
A hozzászólás módosítva: Okt 21, 2025
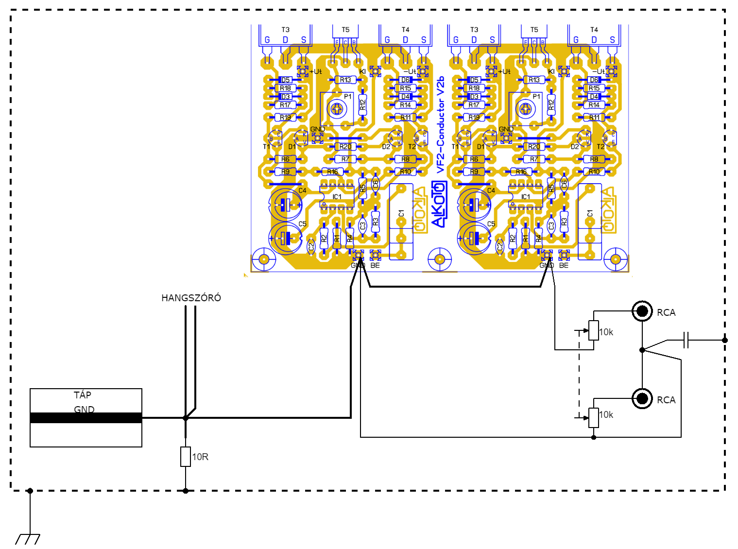
Minden jol lathato, L Gnd R pontokhoz jelfold es a kabel arnyekolasa csak a gnd ponthoz van bekotve, jelfold kabele RCA aljzatok kozos foldpontja. Igy nem tudja megszorni a jelvezetekeket, (mivel a jelfold arnyekolason kivul van) ha a ket oldal vezetekezese kozott minimalis aram is folyna…
Nem értem (a mondatokat). Egyébként hogyan lenne látható, ha nincs rajta a rajzon? : -)
Igen, ha nem sajat terv akkor alkalmazkodni kell az adott kivitelezeshez.
Ezert mar csak sajat tervek alapjan dolgozom.
Közben elfelejtettem a témát
Rajzoltam párat, ezeket még kipróbálom. Ha jól emlékszem semmi nyűgje nem volt anno deszkán összetákolva mindenfelé menő vezetékekkel mint egy madárfészek.
Az volna lényeg, hogy azon a testvezetőn, mely a bemeneti RCA-t a visszacsatolás testpontjával köti össze ne folyjon egyéb üzemi áram, vagy ha elkerülhetetlen, legyen az a lehető legkevesebb.
Más, a konkrét panelt el lehet vágni és akkor kétfelől is bevihető a test hurok nélkül. Az a tapasztalatod, hogy a hangerő poti pálya közepén erősödik a búgás továbbra is a a poti ház testeletlenségére utal.
Szia ABU!
Még régebben le mentettem ezt a bekötési tervet, szerintem nagyon sokat tud segiteni a problémás brumm megszüntetésében ha követjük a rajzon lévő bekábelezést.
Kötekedő hozzászólások eltávolítva.
Azért jöttek itt jobbnál jobb ötletek, de azért mutatom én is amit szerettem volna.
Először is az egymás mellett elvezetett vezetékek amit a Quadomon módosított az öreg szaki. Majd három rajz, vagyis szimuláció, ahol egy olyan erősítő modul zavarjelének hatását mutatom be, ahol először a bemeneti földet választjuk le, majd a második képen a visszacsatoló hálózat GND-hez menő pontját áttesszük a bemeneti földre. A harmadik képen az látható, amikor a bemeneti zavarjelet kivonjuk a hasznos jelből. A hasznos jel most 1 kHz, a zavarjel 10kHz. De lehetne 50 Hz is, csak az nem látszana elég jól. Amint látszik, a zavarjel és a hasznos jel is 1V. Az erősírő erősítése durván 20 dB-re van beállítva. Ha a bemeneti GND-n azt az egyszerű néhány Ohmos ellenállást választanánk a földhurok ellen, gyakorlatilag semmi nem változna. Ha a visszacsatoló hálózat GND felé menő tagját a bemenet GND-jéhez kötjük,a zavarjel 20 dB-el kisebb lesz. Ha viszont kiegyenlítjük a zavarjelet az utolsó képen lévő kapcsolással, akkor amint látható, szinte semmi sem marad belőle. A hozzászólás módosítva: Okt 21, 2025
Kipróbálom majd, amit rajzoltál. Közben átnéztem az egészet, így van most bekötve, ahogy a képen, a paneleken 1 GND pontot használok csak.
A hozzászólás módosítva: Okt 21, 2025
Mindig nagyon érdekes rajzolsz, leszimuláltam. Ezt a kapcsolást egy nap alatt össze lehet dobni és a zavarjel elnyomása, valamint a laterális fetek miatt még akár jobban is szólhat, mint a VF2.
Egységerősítési frekvencia 250kHz, fázistartalék 77 fok, THD 100Hz=0.001%, 10kHz=0.1%
A kivezérelhetőség viszont gatya. Vagy kellene egy 2X35V feszültségről üzemeltethető opamp, vagy trükközni kell valahogy. Van is egy kapcsolás, ahol kommersz opamp is használható akár 2X50V tápfeszhez is, vagy el kell engedni a Source követőt, oszt földelt kimenet. Bár már tudjuk, ezt nem így hívják. Rajzolni megint nem tudok, mert most értem haza.
Idézet: „Vagy kellene egy 2X35V feszültségről üzemeltethető opamp” OPA445 például
Átmegyek ezzel a topikjába, éppen ilyesmivel görcsölök.
Jó ötlet, persze csak ha valóban valaki erősítőt akar így építeni. Részemről csak a földhurok okozta nyavaja elleni egyik megoldást próbáltam demonstrálni. Nem akartam diszkrét alkatrészékkel teletömni a kapcsolást, ezért gondoltam opampra.
Karesz50 gondolata viszont tetszik, miszerint érdemes lehet foglalkozni egy ilyen kapcsolással.
Szia!
Lenne eladó VF2 nyákod? 6 darab érdekelne egy 2x3 csatornás aktív rendszerhez...
Esetleg kapacitás sokszorozót próbálta valaki ehhez a kapcsoláshoz?
Tudom, hogy nem pont erre lett kitalálva, de a riple feszt drasztikusan csökkentené. |
Bejelentkezés
Hirdetés |







Rajzoltam párat, ezeket még kipróbálom. Ha jól emlékszem semmi nyűgje nem volt anno deszkán összetákolva mindenfelé menő vezetékekkel mint egy madárfészek. 










