Fórum témák

» Több friss téma
Fórum » Hifi erősítők tervezése
Lapozás: OK   25 / 31
(#) Karesz 50 válasza Skori hozzászólására (») Jan 19, 2026 /
 
Nálam ekkora a zajfeszültség az Aloha kimenetén (ez is a szkóp saját zaja). Ha nem lenne menetzárlatos a Brüel műszerem hálózati trafója uV-ra meg tudnám mondani mekkora. Nem emiatt hánytorgatom a zaj kérdést, csak szerintem feleslegesen emlegeted azt ami természetes és alapvető kell legyen mindenkinél.

A négyszögjel átvitel nem tranziens átvitel. Azzal a fázistartalékot lehet ellenőrizni, másra nem jó (szerintem). A tranziens torzítást egész máshol keresni... az erősítő "belsejében".
Mutatok két példát erre is.
(#) tothtechnika2 válasza Karesz 50 hozzászólására (») Jan 19, 2026 /
 
Idézet:
„Az ultra kis torzítású erősítőkről sem tudunk semmit, mert egyikünk sem hallott még ilyet szólni. Bár én hifi show-kon hallottam már ilyeneket, de az számomra nem mérvadó, mert itthon szeretném a saját fülemmel hallani, hogy tényleg annyival jobb-e, mint ahogy egyesek állítják, vagy tényleg semmi köze a hangminőséghez a THD-nak.”

Az enyémet meghallgathatod, ha eljössz. Kirándulásnak sem utolsó. Össze lehet hasonlítani a tieddel. Én továbbra is azt mondom, hogy a kis THD igenis számít. Ha a lánc többi eleme is jó minőségű, a különbség a 0,005% és a 0,0005% között nem „képzelődés”, hanem simán hallható. Nem elhinni kell nekünk, hanem meghallgatni. Bárki jöhet, aki kíváncsi – ha nem hinnék ebben, nem reszelném a paramétereket hónapokig.
Idézet:
„a hangminőség szubjektív dolog”
Ez részben igaz, de csak addig, amíg nincs megfelelő viszonyítási alap. Mi rendszeresen hangosítunk élő koncerteket, ott állunk a hangszerek mellett. Pontosan tudjuk, milyen az akusztikus referencia. Ehhez képest sokkal könnyebb észrevenni, ha valami elcsúszik.

Idézet:
„Nem ragaszkodom az LT1223-hoz, csak hát "minek123" azt írta, hogy ezzel szól ez a kapcsolás a legjobban.”

Néztem az LT1223-at. A tapasztalataim alapján nem tartozik a „jó hangú” opák közé. A nagyon gyors erősítők többnyire valamiért nem muzsikálnak természetesen. Hogy pontosan miért, tranzisztorszintű info nélkül nehéz megmondani, de eddig nem ezek hozták a meggyőző eredményeket.
Idézet:
„A földelt kimenetűtök sikerét majd abban lehet mérni, hogy hány darabot adtok el belőle”
Ez túl leegyszerűsített megközelítés. Az eladások nagy része szerencsén, kapcsolatokon és marketingjén múlik, nem a valós műszaki tartalmon. Rengeteg gyenge erősítőt adnak el irreális áron. Ettől még a mi konstrukciónk erős szakmai alapokon áll és a hangja is véleményem szerint eddigi legjobb amit hallottam.

Idézet:
„Hallottál már szólni orsós magnóról studió felvételt 70 dB-es jel-zaj távolság mellett”

Igen, és engem kifejezetten zavart a zaj. Digitális jelforrás mellett nem kérdés, hogy a tisztább rendszer messze élvezhetőbb. Sem bakelit, sem szalag nem vonz – a zajok egyszerűen kivesznek az élményből.

Idézet:
„Megmérhetitek, meghallgathatjátok, összehasonlíthatjátok a földelt kimenetűvel.”

Az elmúlt időszak alapján úgy látom, gyakorlatilag csak mi építettünk ténylegesen bármit is. Ha ez a topológia tényleg olyan izgalmas lenne számunkra, már rég ott lenne a TINA-ban vagy az Eagle-ben. Skori viszont előállt egy olyan megoldással, amit még sehol nem láttunk, és minimum két szabadalmi ötlet rejlik benne. Két hete megy, és egyre elégedettebbek vagyunk vele. Most épp a relés hangerőszabályzót terveztem meg – holnap gyártják a nyákot Kínában.
A hozzászólás módosítva: Jan 19, 2026
(#) tothtechnika2 válasza tothtechnika2 hozzászólására (») Jan 19, 2026 /
 
Csak még egy pontosítás (mert picit elszállt az agyam ettől az építsük meg mi Karesz beszólásától) Aki kíváncsi egy topológiára, ugyanúgy meg tudja építeni maga is; én megtettem a szakmai észrevételeimet. Erre az volt a reakció, hogy „tanuljak meg szimulálni” – ha ez számít hazai szakmai normának, akkor rendben, legközelebb inkább csendben maradok.

Egy dolgot azonban tisztán látni kell: mi alapvetően nem mások kapcsolásait építjük. Sem időben, sem pénzben, sem szakmai fókuszban nincs értelme olyan projektekbe beleállni, amelyek nem a saját fejlesztési irányunkat szolgálják. A motivációnk a szakmai előrelépés: új megoldások tervezése, problémák előre látása és kezelése. Ennek van értéke és hozadéka – nem annak, hogy mások ötleteit validáljuk helyettük.

Aki tényleg kíváncsi egy megoldásra, ugyanúgy megépítheti magának, ahogy mi is tesszük a saját konstrukcióinkkal. Béke!
(#) tothtechnika2 válasza Karesz 50 hozzászólására (») Jan 19, 2026 / 2
 
Egyetemi jegyzet Borbély Gábor - Elektronika II. 2006-ban íródott.
(#) Ódenka válasza compozit hozzászólására (») Jan 19, 2026 /
 
Nem baj, ha nem hallottál az Alexander Mark áram visszacsatolt erősítőjéről, van ez úgy.
Nem értem magam sem magamat, miért gondoltam, hogy ezt nagyon sokan ismerik, bocsánat...
Én tévedtem, az a TEXAS nem ez a TEXAS, parányi a különbség, néhány nagybetű...
Ha bármennyire is megzavartam a tervezői ténykedéseket, itt se voltam.
A Fénykép-0302.jpg képről bizonyára kitűnik, hogy nem Alexander type, hanem egy audio erősítőről szól, lásd a blokkvázlatot.
Tóthtechnika2, köszönöm a hsz-edet! EZT!
A hozzászólás módosítva: Jan 20, 2026
(#) Karesz 50 válasza tothtechnika2 hozzászólására (») Jan 20, 2026 /
 
Idézet:
„Az elmúlt időszak alapján úgy látom, gyakorlatilag csak mi építettünk ténylegesen bármit is.”

Szép dolog a szerénység... másrészt viszont nagyon nem szeretnék személyes vitákba bonyolódni, mert - mint tudjuk - ez már jó néhány topic halálát okozta.
De mégsem hallgathatom el, hogy rákerestem a "tothtechnika" youtube videóira, hogy mit is takar a "mi rendszeresen hangosítunk koncertet" kifejezés. Más is megteheti ezt.

Azt is leírtam néhány napja, hogy legalább 30 éve nem építettem meg mások kapcsolását, de ez megtetszett. Ismerem az Alexander végfokot és a VF2 (TEXAS-t) is. Örülök, hogy sikerült így felvernem a port ezzel az egyszerű kis kapcsolással és sajnálom, hogy Neked ezt megalázó lenne kipróbálni.
Ugyanezt tudom javasolni LT1223-mal kapcsolatban is. Az adatlapján nem látod a hangját. Vannak alkalmazások ahol nagyon jól tud teljesíteni.

Beidézem az idézetet:
Idézet:
„Bár én hifi show-kon hallottam már ilyeneket, de az számomra nem mérvadó, mert itthon szeretném a saját fülemmel hallani, hogy tényleg annyival jobb-e”

Tehát nem megyek el Kapuvárra, mert semmivel nem leszek okosabb attól ha idegen környezetben meghallgatok egy ismeretlen rendszert. Egyébként sem láttam még a hifi berendezésed és lehallgató helyiségedet. Ha mondjuk ezek bemutatásával le tudnál nyűgözni, fontolóra venném a dolgot. De a DSP-t nem szeretem és nem tartom jónak, mert csal.
Mellesleg még... a CD lemezekről is lejön az ha analóg a studiómagnó. Az ADD felvételek kivétel nélkül jobban szólnak. Sőt. Tudnék neked mutatni egy 1957-ben készült olyan Belafonte Banándalt AAD-ben, amitől igencsak pislognál : )


Szintén mellesleg. Tudtommal a földelt kimenetű elvet elsőként mi vezettük be a hifi kategóriába ezen a fórumon, hárman Tóth Bélával és "Highand"-del. Az elnevezés pedig tőlem származik (akkor is ha helytelen).
(#) tunerman válasza Ódenka hozzászólására (») Jan 20, 2026 / 1
 
Mindent a maga helyén kell kezelni, csak semmi túlgondolás...ezt a tápáram vezérelt erősìtő ötletet is, mert valóban igen régi megoldás.
Az első CD lejátszóban (Philips CD100 1982) már ott volt mint a radial motor meghajtója
TJ.
(#) Skori válasza Karesz 50 hozzászólására (») Jan 20, 2026 /
 
Idézet:
„Tudtommal a földelt kimenetű elvet elsőként mi vezettük be a hifi kategóriába ezen a fórumon, hárman Tóth Bélával és "Highand"-del. Az elnevezés pedig tőlem származik (akkor is ha helytelen).”
Az elnevezés lehet, hogy tőled származik, de ilyen elvű erősítőkapcsolást láttam már néhányat, sok éve, még a Te erősítőd előtt.
(#) compozit válasza tunerman hozzászólására (») Jan 20, 2026 /
 
Sipos Gyula könyvében, már ott volt, ami 1977-es kiadású.

Az egyik tanárom azt mondta, hogy az 1960-as évekre nagyjából mindent kitaláltak, legfeljebb nem volt megfelelő alkatrész a megvalósításhoz.
(#) tothtechnika2 válasza Karesz 50 hozzászólására (») Jan 20, 2026 /
 
Idézet:
„De mégsem hallgathatom el, hogy rákerestem a "tothtechnika" youtube videóira, hogy mit is takar a "mi rendszeresen hangosítunk koncertet" kifejezés. Más is megteheti ezt.
Nem készítünk videókat hangosításról, mert munka közben a dokumentálásnak sem logisztikai, sem technikai értelme nincs. Akinek van gyakorlata élő hangosításban, pontosan tudja, hogy ez nem „kamerázós” műfaj. Ettől függetlenül a munka létezik akkor is, ha nincs fent YouTube-on.
Idézet:
„Tehát nem megyek el Kapuvárra, mert semmivel nem leszek okosabb attól ha idegen környezetben meghallgatok egy ismeretlen rendszert.”
Ebben igazad van: idegen rendszert hallgatva sok minden nem derül ki. Viszont ha hozol egy erősítőt, az A/B összehasonlításnál már konkrét következtetéseket lehet levonni. Erről (is) szólt az ajánlat.
Idézet:
„Egyébként sem láttam még a hifi berendezésed és lehallgató helyiségedet. Ha mondjuk ezek bemutatásával le tudnál nyűgözni, fontolóra venném a dolgot.”
Speciális hifi szobám nincs, nem is ez volt a meghívás lényege. Ha nem gondolnám, hogy tudok újat mutatni, nem hívnálak. Nem te lennél az első, aki véleményt változtat nálam egy hallgatás után.

Idézet:
„De a DSP-t nem szeretem és nem tartom jónak, mert csal.”
Jöttek már emberek hozzám ilyen jellegű sziklaszilárd meggyőződésekkel, és totális véleményváltozással hagyták el a laboromat. A DSP nem „csal”, hanem kontrollál és nagyon sok hibát ki tud javítani.

Idézet:
„Mellesleg még... a CD lemezekről is lejön az ha analóg a studiómagnó. Az ADD felvételek kivétel nélkül jobban szólnak. Sőt. Tudnék neked mutatni egy 1957-ben készült olyan Belafonte Banándalt AAD-ben, amitől igencsak pislognál : )
Biztos. Az analóg felvételek minősége nagyon széles spektrumon mozog. Vannak kiváló anyagok, és vannak olyanok is, ahol a zaj, a headroom-arány vagy a magnó dinamikája kompromisszumos. Ez nem elvi kérdés, hanem konkrét anyagtól függ. Én maradok a digitálisnál, de lehet, ha hallanád a DAC-om, akkor megértenéd, hogy miért mondom.

Idézet:
„Szintén mellesleg. Tudtommal a földelt kimenetű elvet elsőként mi vezettük be a hifi kategóriába ezen a fórumon, hárman Tóth Bélával és "Highand"-del. Az elnevezés pedig tőlem származik (akkor is ha helytelen).”
Én ebben a fórumban pár hónapja vagyok jelen. Földelt kimenetű FET-es végfokot 2015 körül építettem először, és ahogy tudod, ipari oldalon a QSC már jóval korábban alkalmazta ezt az elvet. A topológia tehát nagyon nem új...
A hozzászólás módosítva: Jan 20, 2026
(#) tothtechnika2 válasza compozit hozzászólására (») Jan 20, 2026 /
 
Ehhez képest azért elég sok szabadalom születik mostanában is.
(#) Ódenka válasza compozit hozzászólására (») Jan 20, 2026 /
 
Idézet:
„Az egyik tanárom azt mondta, hogy az 1960-as évekre nagyjából mindent kitaláltak, legfeljebb nem volt megfelelő alkatrész a megvalósításhoz.”

Betűről betűre ugyanezt mondta, írta nekem valaki másfél évtizeddel ezelőtt az elektroncsöves kapcsolásokra. Volt 100 év legalább, amikor az egész Föld elektronikai szakembere ezen dolgozott.
Az egyik barátom meg ugyanígy évtizedekkel ezelőtt ugyanezt mondta a jazz zenére, időben, persze nem a hangszerekre értette, de ott is a technika az újítás. Azóta csak variációk vannak, de semmi nincs új a Nap alatt.
(#) tunerman válasza compozit hozzászólására (») Jan 20, 2026 /
 
Lehet, hogy erről az egységcsatolt single end (Trip-FET unity coupled SE ) kimenetről azért nem tudhatott
Mellékelve az elvi rajz fotója.
TJ.
(#) Ge Lee válasza tothtechnika2 hozzászólására (») Jan 20, 2026 / 1
 
Azzal együtt, hogy engem már a legkevésbé sem érdekel, hogy ki milyen kapcsolást "talál fel", épít, vagy hall a világ legjobb erősítőjének, mivel nekem már nagyon elegem lett ebből, és úgy gondolom, hogy az után épített Sansui-m nekem már végállomás lesz, ha lesz az idén még rá lehetőség, és ez is lesz olyan állapotban, hogy ha bedobozolva nem is, de összeszerelve egy deszkára legalább szállítható állapotba kerül, akkor én elviszem hozzád, és A/B alapon összehallgathatjuk az erősítőtökkel. Objektíven, csak kíváncsiságból, hogy ki mit hall. Aztán, hogy kinek mi tetszik utána az megint egy másik kérdés.
Annyi csak, hogy az enyém egy csupasz végfok, semmi sincs és valószínűleg nem is lesz előtte, tehát olyan forrás kell amin van mondjuk szoftveres hangerőszabályozó, esetleg valami más megoldás.
(#) tothtechnika2 válasza Ge Lee hozzászólására (») Jan 20, 2026 /
 
A DAC-omban van hangerőszabályzó: -100dB-t/fél dB-nként lehet szabályozni. 3,5V rms szimmetrikus kimenőjelet tud. A Martin Logan sztatikus hangfalakon össze lehet hasonlítani. Én amúgy aktív 3 útba hallgatom jelenleg a hangfalaimat.
(#) Karesz 50 válasza tothtechnika2 hozzászólására (») Jan 20, 2026 /
 
Nem tudom... nekem valami itt nem kerek. Miért van olyan érzésem, hogy messziről jött ember azt mond amit akar? Melyik Martin Logan-od van? Láthatnánk róla valami fotót? Mert van 1000 euróért is meg 30 000-ért is. Ha valakinek Martin Logan-ja van, kizártnak tartom, hogy csak úgy ledobja valamelyik szoba (vagy a műhely) sarkába.
Ha aktív, akkor három Purifi-vel hallgattad eddig? Most milyen három végfok hajtja? A három végfok elé kell aktív szűrő is. Nem látunk se fotókat, se kapcsolásokat.
Ugyanakkor nem tudod honnan lehet hálózati trafót beszerezni a végfokodhoz. Túl sok az ellentmondás. Csak én kezdek kételkedni itt mindenben, vagy mások is?
A hozzászólás módosítva: Jan 20, 2026
(#) tothtechnika2 válasza Karesz 50 hozzászólására (») Jan 20, 2026 /
 
Idézet:
„Miért van olyan érzésem, hogy messziről jött ember azt mond amit akar?”
Nem tudom mivel váltok ki nálad ilyen negatív és ellenszenves érzéseket... Holnap csinálok fotót. Jelenleg nem a Martin Logant hallgatom, mert ugye passzív váltós, tehát nem aktív két út. Amikor kezdtük a D osztályú erősítő fejlesztését, ez volt a referencia hangfalunk, ezen hallgatóztunk. Nincs is más szélessávú hangfalunk.

Idézet:
„Ha valakinek Martin Logan-ja van, kizártnak tartom, hogy csak úgy ledobja valamelyik szoba (vagy a műhely) sarkába.”
A mostani jelenlegi rendszerem amin kisérletezünk vagy épp szól, az szerintem sokkal jobb. Kerek 1 éve (múlt karácsony óta) nem volt használva a Martin Logan. Pontosan úgy van ahogy írtad, a műhely sarkában áll.

Többire reagálva: A saját A-B végfokommal hajtom a közép és magas szekciót jelenleg, a szubot meg a D osztályúval. DSP-t használok váltásra és korrekciókra, én ebben hiszek. A DSP is teljesen egyedi és saját fejlesztés. Ezért is kellett "sokat" várni a meghallgatásra, mert 4 erősítőt kellett építenem hozzá, hogy jól össze tudjam hasonlítani a Class-D-vel. Ha nézted a fotót, láthattad rajta a két DSP-t és azok tápjait is. Semmilyen ellentmondás nincs itt. Trafót vettem a TME-be, a magas erősítőire meg a BEAG trafót tettem be most átmenetileg, míg nem jön meg a másik TALEMA trafó.

Nem hallgatok purifit, mert nem szól jól, vagyis a saját Class-D sokkal-sokkal jobb.

erosito.jpg
    
(#) Karesz 50 válasza tothtechnika2 hozzászólására (») Jan 21, 2026 / 1
 
Haladjuk sorjában.
A QSC azért alkalmazta ezt az elvet, mert nagyon kevés alkatrészből tudott nagy teljesítményű végfokokat gyártani. Például elhagyhatta a hármas darlington kimeneti fokozatot.
És nem is szóltak rosszul. Anno egyszerre volt nálam javításon valamelyik QSC (nem emlékszem a típusszámára) és egy Dynacord L500. A QSC szólt szebben a "műhely teszten".

Egy szóval sem írtam sehol, hogy a földelt kimenetű elvet mi találtuk ki.
Azt írtam, hogy ezen a fórumon és hifire mi használtuk először. Tudtommal.

Arról valahogy elfelejtkeztem (elnézést kérek miatta), hogy két pár végfokot építettél és a DSP az aktív keresztváltó. Viszont ezzel újabb két kérdés vetődik fel bennem.
- Hogy akarjátok ezt az erősítőt sorozatban gyártani? Rákényszerítitek a vevőre az aktív két vagy három utat és a a DSP-t? Ezzel szerintem tovább szűkül a vevőkör.
- Ha odavinném a végfokom almát körtével hasonlítanánk össze? Tehát a ti végfokot szólna aktív három útban, a másik pedig a Martin Logan-nal? Közben visszaolvastam. A jelek szerint így gondolod.

Nem akarok ellenségesnek tűnni, csak olyan dolgokat kérdezek amik nem teljesen világosak előttem. Ezeknek a kérdéseknek egy részét fel fogják tenni nektek a Hifi Show-n is.
(#) Karesz 50 válasza tothtechnika2 hozzászólására (») Jan 21, 2026 /
 
Idézet:
„Én továbbra is azt mondom, hogy a kis THD igenis számít. Ha a lánc többi eleme is jó minőségű, a különbség a 0,005% és a 0,0005% között nem „képzelődés”, hanem simán hallható.”

Magam is kezdem azt gondolni, hogy túl sokat foglalkozom veletek és ennek semmi értelme.
Ugyanakkor azt is szeretném, ha (kapcsolási rajz híján) valami mással győznétek meg minket arról, hogy amit írtok az valóban fedi a valóságot... mondjuk mérési eredményekkel.
Készséggel elhiszem, hogy Skori jobb PWM végfokot tud tervezni mint Bruno.
Ez itt a Purifi - szerintem teljesen hiteles - mérése.
Ha továbbra is fenntartod a fent idézett állításod, akkor Skori végfoka ennél is kisebb torzítású.
Megmutatnád nekünk ezt a mérést? Ne írd újra azt, hogy ellenséges vagyok : )
https://www.audiosciencereview.com/forum/index.php?threads/review-a....7984/
(#) Skori válasza Karesz 50 hozzászólására (») Jan 21, 2026 /
 
A D osztályra nem mondanám, hogy az "én végfokom", közös fejlesztés, mindketten tettünk hozzá (valamint nem csak egy típus készült, és működési elvben sem mind ugyanolyan). Emlékeim szerint amit most TG barátom használ, bár (ha jól emlékszem a sáv felső részén) kicsit többet torzít mint a purifi, de nagyságrendileg ott van, ugyanabban a tartományban. Másképp fogalmazva nincs nagyságrendi különbség. Viszont vaktesztben a hallgatók többsége jobbnak hallotta a hangját.

Egy 4 csatornás végfokot lehet úgy is használni, hogy két csatorna megy benne, és passzív hangváltós hangsugárzót hajt meg. A DSP-be töltött beállítások könnyen cserélhetők, a keresztváltó helyett akár sima lineáris átvitel is beállítható, sőt ha szükséges akkor akár ki is iktatható a DSP. Tehát nem muszáj almát-körtével összehasonlítani. Magyarán: nyilván meg lehet hajtani ugyanazt a hangsugárzót vele.

Az eladhatóság nem műszaki kérdés, de ha 4 csatornás verzió készül arra a fentiek ugyanúgy igazak... De nyilván készíthető sima sztereo verzió is (vagy akár monoblokkok is). Akkor sem fogunk kétsége esni, ha ebből nem lesz bomba üzlet - de ahogyan korábban is írtam: az esélyt azért meg kell adni... Ha pedig csak a ráfordítások térülnek meg, akkor is rengeteget tanultunk belőle. Ami már biztos, hogy nem fogja a kukában végezni, vannak olyan további tulajdonságai, amelyek még akkor is előnyére válnának, ha csak átlagos hangminőséget produkálna, de annál azért biztosan jobb.
(#) Skori válasza Karesz 50 hozzászólására (») Jan 21, 2026 /
 
A meggyőzésről még ennyit, hogy ahogyan TG barátom is említette, van lehetőség élőben meglátogatni megnézni, meghallgatni a cuccokat. Sőt szerintem akár megmérni is lehetne.
Szóval nem gondolom, hogy itt feltétlenül győzködni kellene bárkit is, aki megkérdőjelezi a leírtakat.

Ge Lee pl. említette, hogy elviszi a saját erősítőjét egy összehasonlításra. Ennek pl. örülök, mert az eddigiek alapján nála azt láttam, hogy régen mindenképpen elektroncsöves erősítőben gondolkozott, de el tudta fogadni a tényt, hogy egy félvezetős lehet akár jobb is, és biztos vagyok benne, hogy ha történetesen egy D osztályt hallana jobbak, akkor azt is elismerné - és nyilván azt is elmondaná ha mondjuk rosszabbnak hallaná. Ugyanígy az AB osztály esetén is.
(#) tothtechnika2 válasza Karesz 50 hozzászólására (») Jan 21, 2026 /
 
Idézet:
„Készséggel elhiszem, hogy Skori jobb PWM végfokot tud tervezni mint Bruno.
Ez itt a Purifi - szerintem teljesen hiteles - mérése.”
Sosem állítottam, hogy a mi class-d végfokunk kisebbet torzít mint a purifi. Viszont sokkal jobban szól. Azt viszont mondtam. Az A-B végfokról tettem fel teljesen hiteles AP műszerrel mért méréseket, aki kicsit is benne mozog ebbe a témába tudja, hogy nagyjából etalonnak számít ez a műszer és az általad linkelt mérések is azzal készülnek. Annyi, hogy engem nem egy torzítási adat érdekel, én mindig végigmérem a teljes frekvencia tartományban. De teszek fel újra Neked mérést. Ezen látszik az A-B végfokunk és a Class-D is egymás mellett.

A legalsó magenta az a 30V 8R kimenet az A-B-n
a fölötte lévő zöld az a 20V 8R A-B
a fölötte lévő Cyan a 10V 8R A-B
A zöld és a sárga 20V 8R fél híd class-d.

A fullbrdige sokkal jobb, azért a félhíddal hasonlítottam, mert az ab végfok is félhidas.

Ezeken az ábrákon a THD+N mérést látod (NEM THD!!!!) a frekvencia függvényében van végigmérve, ahol a skála legteteje is csak 0,01%!!

Szóval mégegyszer: soha nem állítottuk, hogy a mi class-d-nk kisebb torzítású. Amúgy ez a class-d ugyanezt vagy ennél jobb torzítást tud 1500W-on is!
(#) tothtechnika2 válasza Karesz 50 hozzászólására (») Jan 21, 2026 /
 
Idézet:
„- Hogy akarjátok ezt az erősítőt sorozatban gyártani? Rákényszerítitek a vevőre az aktív két vagy három utat és a a DSP-t? Ezzel szerintem tovább szűkül a vevőkör.
- Ha odavinném a végfokom almát körtével hasonlítanánk össze? Tehát a ti végfokot szólna aktív három útban, a másik pedig a Martin Logan-nal? Közben visszaolvastam. A jelek szerint így gondolod.”
Nyilván összehasonlításnál egy pár végfokot hallgatnánk és a DSP-be egy egyes preset kerülne, vagy akár a DSP teljesen ki is hagyható. Ebben az esetben simán rádugunk egy XLR kábelt a végfok bementére és szól mint egy "hagományos" végfok.
(#) tothtechnika2 válasza Karesz 50 hozzászólására (») Jan 21, 2026 /
 
Itt a fotók a hangfalról. Rátettem a hangfalra a prototipus a-b-t.

Hangfal link
A hozzászólás módosítva: Jan 21, 2026
(#) Karesz 50 válasza tothtechnika2 hozzászólására (») Jan 21, 2026 / 1
 
Jó, rendben. Nem feszegetem tovább ezeket a dolgokat mert soha nem lesz vége és szerintem már mindenki kezdi unni. Ge Lee közel lakik hozzátok, megvárom annak a tesztnek az eredményét... most rajta van a világ szeme : ) aztán majd meglátjuk bevállalok-e egy ekkora túrát.
De utoljára engedjetek meg még két idézetet:
Idézet:
„„Én továbbra is azt mondom, hogy a kis THD igenis számít. Ha a lánc többi eleme is jó minőségű, a különbség a 0,005% és a 0,0005% között nem „képzelődés”, hanem simán hallható.””

Idézet:
„Sosem állítottam, hogy a mi class-d végfokunk kisebbet torzít mint a purifi. Viszont sokkal jobban szól.”

Akkor most összefügg a THD a szubjektív hangminőséggel vagy nem? Jó... nem játszom a hülyét, nyilván úgy kell ezt érteni ha egy adott kapcsolás THD-ja csökken akkor javul a hangja. De arra mégis szeretnék utalni, hogy a THD-nek semmi köze a szubjektív hangminőséghez. Ebből pedig az (is) következhet, hogy egy 0,02% THD-val bíró végfok szólhat jobban, mint az 0.000001% torzítású. Jól gondolom, vagy lehet aggályokat támasztani ezzel az elmélettel szemben? Költői kérdés volt.

Rákattintottam a Purifi linkjére és nálam működik. Ha Te is rákattintasz, láthatod a THD-t a frekvencia függvényében (is).

És most már inkább a saját dolgaimmal foglalkozom inkább mert lehet, hogy van újabb ötletem ami reggel ugrott be.
Nektek pedig tényleg szívemből kívánok sok sikert, kitartást és nem utolsó sorban szerencsét a továbbiakhoz! A szerencse az, ha az ember jó időben van jó helyen... így értettem.
(#) mek-elek válasza Karesz 50 hozzászólására (») Jan 21, 2026 /
 
Idézet:
„Nem akarok ellenségesnek tűnni, csak olyan dolgokat kérdezek amik nem teljesen világosak előttem. Ezeknek a kérdéseknek egy részét fel fogják tenni nektek a Hifi Show-n is.”

Én sem, amikor azt mondom, hogy a 2024-es hifi show-on kérdezni sem lett volna kedvem, csak kijöttem meghallva az ott kiállított cuccokat. És nem is voltam egyedül ezzel. A múlt évivel meg KT volt így.
Bocsi, hogy ez kibújt belőlem...
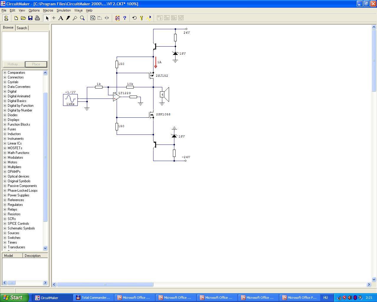
(#) Karesz 50 válasza Karesz 50 hozzászólására (») Jan 23, 2026 /
 
Ez a "minek123" azt hiszem mégsem tetszik mert szerintem nem lehet rendesen kompenzálni. Ennek ellenére lehet, hogy mégis ki fogom próbálni... még nem tudom. De ez a tápáram vezérelt tetszik. Ugye kétféle módszer létezik arra, hogy a nagyjelű erősítőt ne kelljen táptól-tápig kivezérelni; az egyik a földelt kimenetű, a másik ez a tápáram vezérelt izé.
Ha előhúzom a legegyszerűbb kapcsolást a kettő közül - ami nem földelt kimenetű - akkor az a VF2. De ez úgy nekem nem tetszik ahogy jelenleg ki van találva (a KT féle).
- a MOSFET-nek nagy a bemeneti kapacitása és nehézkes a nyugalmi áram beállítása.
- azt a nagyon kicsi THD-t nem lehet elérni ezzel a kapcsolással, mint "minek" félével.
Illetve el lehet: "A" osztályban. De ehhez már nagyobb tokozású FET kell, aminek még nagyobbak a kapacitásai. Jó lenne laterális fetet használni, de ennek meg kicsi a meredeksége.
Kb. 6 mA/A vezérlőáramra lenne szükség, ami rengeteg... nagyon megnő az opamp torzítása.
Meg ha már "A" osztály, akkor nagy pufferkondik kellenek és viszonylag nagy trafó. Érdemes lenne stabilizált tápról járatni. És akkor már sikerül is jól elbonyolítani az eredetileg egyszerű kapcsolást. Azon törpöltem, hogy lehetne a lehető legegyszerűen megcsinálni úgy, hogy stabil is legyen és kis torzítású is legyen. Rajzoltam egy vázlatot ami semmire sem jó, de egyszerű : ) Ez a kiindulási alap.

VF2.JPG
    
(#) tunerman válasza Karesz 50 hozzászólására (») Jan 23, 2026 /
 
Idézet:
„Rajzoltam egy vázlatot ami semmire sem jó, de egyszerű : )”


Egyetértek
(A zénerdiódákat kösd inkább a kimeneti pontra.)
TJ.
(#) Ge Lee válasza Karesz 50 hozzászólására (») Jan 23, 2026 /
 
A VF3 az ami tápáram vezérelt, a VF2 az nem az, abban a fetek előtt még van egy tranyós földelt bázisú fokozat. És szerintem azt sem KT találta ki, évtizedek óta létezik. Az Ecler PA erősítőiben meg van hozzá egy buffer fokozat ami képes jó nagy árammal is meghajtani a fetet.
A hozzászólás módosítva: Jan 23, 2026
(#) compozit válasza Ge Lee hozzászólására (») Jan 23, 2026 /
 
Szerintem a VF2 fájlnév onnan ered, hogy Karesz rajzolgatta a VF2-t, meg talán mást is, aztán ott maradt a VF2 fájlnév. Néha velem is előfordul, aztán pár nap múlva rácsodálkozok...

Olyan végfok, hogy ne kelljen bele VAS fokozat még a "TEXAS" néven futó régebbi elrendezés. Rossz ötletnek tartom, mert mindjárt van két nagyon nem lineáris tranyó a kimeneten. Az igaz, hogy a kimeneti FET-ek ( ha FET-es ) rendelkeznek mondjuk 20dB körüli erősítéssel, tehát ez ennyivel növeli a hurokerősítést. Viszont az őket meghajtó tranyók is nemlineárisak, tehát jó nagy torzítást visznek be, amit csak az opamp nyílthurkú erősítés fog csökkenteni, tehát az előbbi 20dB-lel kisebb értékkel, mint a FET-ekét.
Ebből a szempontból a VF2 jobb, mert a földelt bázisú szinteletolók jó linearitásuak. Igaz, hogy nincs komolyabb erősítésük, de torzítást is csak minimálisan visznek be.
Legjobb a földelt kimenet, ott ilyen probléma nincs. És nem lateriális tranyókkal, hanem kapcsolóssal, mivel az utóbbinak nagyobb a meredeksége. Viszont nem annyira összkomfortos a nyugalmi áram előállítása. Szóval lehet válogatni.

Persze mindhárom elrendezés közös tulajdonsága, hogy nagy hurokerősítést igényel, még 10 kHz-en is. Működnek ezek TL071-gyel, de a THD 10kHz-en már 0,2% körüli. Tehát vagy valami LT1223 szerű opamp, vagy diszkrét megoldás kell. Ez utóbbival máris elvész az egyszerűség.
Következő: »»   25 / 31
Bejelentkezés

Belépés

Hirdetés
XDT.hu
Az oldalon sütiket használunk a helyes működéshez. Bővebb információt az adatvédelmi szabályzatban olvashatsz. Megértettem