Fórum témák

» Több friss téma
Fórum » Végfokozat TDA2030-40-50-el
 
Témaindító: sasorr, idő: Jan 16, 2006
Témakörök:
Lapozás: OK   23 / 274
(#) fureszk válasza szabi83 hozzászólására (») Jún 25, 2006 /
 
pedig én azt írtam a listára amit összeírtam majd odaadtam nekik, hogy 1N4001 vagy 1N4007!
(#) szabi83 válasza fureszk hozzászólására (») Jún 25, 2006 /
 
akkor meg 1A-s diódát kérj.. simát, nem gyorssat.. csak van nekik

4+1seb.ewb
    
(#) Stefan válasza szabi83 hozzászólására (») Jún 25, 2006 /
 
nemjo a nyak.. en ugy cisnaltam neki nyakot hogy fogtam a kapcsrajzot paintben fuggoleges tukrozes aztan aszerint filctollal lerajzoltam... mukodik ...nemgerjedt.... a nagy nyaktervezesbe biztos elrontottal valamit
azt meg hogy 1n4001 et kertel es 1n4148 at adtak meg nemhiszem el a lomexesekrol legrosszab esetbe 1n4007 et adnak...
(#) szabi83 válasza Stefan hozzászólására (») Jún 25, 2006 /
 
a válaszod célt tévesztett..
(#) fureszk válasza Stefan hozzászólására (») Jún 25, 2006 /
 
akkor nincsis meg az a nyák nyomtataható verzióban?
(#) isamisa válasza fureszk hozzászólására (») Jún 25, 2006 /
 
nekem megvan, mérethelyesen,
És kicsit régebben be is raktam, keress a hozzászólásaim között itt a témában...
vagy aszem Keserü cukor is nagyon jó nyákot csinált neki...
(#) ndavid87 válasza ndavid87 hozzászólására (») Jún 25, 2006 /
 
A héten elkészült az erősítőm áramköre.
Ez volt az első panel, amit marattam.
Működik mindkét oldal:yes:
Már csak a tápot és a házikót kell hozzá elkészíteni, és
kész
(#) fureszk válasza isamisa hozzászólására (») Jún 25, 2006 /
 
Erről lenne szó?
jah még annyit, hogy most próbapanelen van!
(#) KeserűCukor válasza fureszk hozzászólására (») Jún 25, 2006 /
 
Hali!
Ez talán jól jöhet!
Nekem működik...
(#) fureszk válasza fureszk hozzászólására (») Jún 25, 2006 /
 
de ez sztem nemjó, mert ugye a tda lábai nem egymás mellett vannak! kérlek töltsd fel újra a jót! (de azért még keresgélem)
(#) szabi83 válasza KeserűCukor hozzászólására (») Jún 25, 2006 /
 
nem csatoltad
(#) ndavid87 válasza fureszk hozzászólására (») Jún 25, 2006 /
 
Ezt paintban rajzoltam, nem méretarányos!
(#) fureszk válasza KeserűCukor hozzászólására (») Jún 25, 2006 /
 
nem csatoltad!
(#) fureszk válasza (») Jún 25, 2006 /
 
nem, ezt arra a rajzra mobdta, amelyiknek a linkjét beírta sztem...
(#) isamisa válasza fureszk hozzászólására (») Jún 25, 2006 /
 
Itt van amit be akart linkelni, Ez müködik mindenképpp:

TDA2030.doc
    
(#) Stefan válasza fureszk hozzászólására (») Jún 25, 2006 /
 
itt valazsolok a privat kerdesedre
mar 600 fele nyakrajz van ebben a topicban..
mondtma hogy nekem nincs meg a nyakrajz mer ehhez az egyszeru kapcsolashoz nemtervezgettem nyakot hanem a kapcsolasi rajzot hasznaltam nyakrajznak es tokeletes, ha elakarod kerulni a gerjedest akkor minden a rajzban levo kulon foldponttol kulon vezeteket vezess a tap foldpontjara
full egyszeruen meglehet rajzolni a kapcsrajz szerint ha nem bizol magadban akkor eloszor probald meg papiron
A MASODIK RAJZOT kell megrajzolni a nyakra mer utana a masik oldalrol fogod beultetni az alkatreszeket (asszem ez egyertelmu)
segiteni segitunk szivesen de ne mindent mi csinaljunk helyetted
trafot is vettel egyet valami szar nyaktrafot 800ft er azt masnap el akartad adni... ne kapkodj nyugodtan gondolj vegig mindent..itt az egesz nyar gondolom nem sietsz sehova
(#) KeserűCukor válasza KeserűCukor hozzászólására (») Jún 26, 2006 /
 
A fenye!
A lényeg lemaradt Kössz Isa!
(#) KeserűCukor válasza KeserűCukor hozzászólására (») Jún 26, 2006 /
 
Ha már itt tartunk, adatlapban is találhattál volna nyákot...
Meg van töb tucat verzió, millióan megépítették...
Még google-ban is van sok
(#) fureszk válasza isamisa hozzászólására (») Jún 26, 2006 /
 
ez magyon jó. ez alapján fogom megépíteni, mostmár tényleg csak fúrót kéne szereznem, de arra várnom kell míg lesz pénzem mekkora nyáklap kell hozzá?
(#) fureszk válasza fureszk hozzászólására (») Jún 26, 2006 /
 
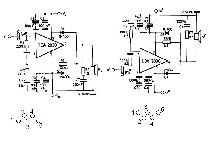
basszus. nemtudok eligazodni a fóliarajzon a kondiknál a legnagyobb a 1000µF-os, a kisebb a 470µF-os de a többi három közül melyik melyik? és az ellenállások értékei se tiszták. a diódákat meg az ic helyét már megtaláltam. bocs de ez lesz az első nyákom! és potit hogy kössek rá a hangerő-szabályzáshoz? jó lesz neki 35W-os szélessávú (vagy mi a fene) hangszóró?
(#) isamisa válasza fureszk hozzászólására (») Jún 26, 2006 /
 
Hi
nézd a képet. És amugy meg van számozva ha figyeled az alkatrészek. És külön ki is vannak gyüjtve , olvasd el a szöveget is. Kép:

a Poti bekötésérőlelég sok szó volt itt a topicon, amugy már csak ezért is érdemes lett volna végigolvasni ..
A potit a jel utjába kell bekötni... eggyik lába a bemenet másik a ki, a harmadik pedig a föld. Általában a középső lába a kimenet.

tda.GIF
    
(#) isamisa válasza isamisa hozzászólására (») Jún 26, 2006 /
 
de nézd millyen rendesek vagyunk itt vanegy másik nyák is:
(#) fureszk válasza isamisa hozzászólására (») Jún 26, 2006 /
 
ezt építettem meg lefelőszőr. pontosabban, ezt építem most újra, mert hétvégéig nemtudok nyákot csinálni, mert nincs pénzem.
(#) KeserűCukor válasza fureszk hozzászólására (») Jún 26, 2006 /
 
Hali!
Nekem frankon műxik, ha nincs rajta hang, de maxra tekerem, akkor sincs semmi hang, de amikor elmegy a jel, szóval kikjapcsolom a sz.gépet, akkor halkan bug...
Lehet hogy valahol földhurok van, mert még nincs doboza, csak az asztalon hjevernek a panelok meg a kábelek...
Vagy más baja lehet?
(#) fureszk válasza KeserűCukor hozzászólására (») Jún 26, 2006 /
 
ez alapján építetted meg?

TDA2030.doc
    
(#) KeserűCukor válasza fureszk hozzászólására (») Jún 26, 2006 /
 
Ahha, tökéletesen működik, én csináltam a doc-ot is
Ha kell csináltam nyákot a subnak is, azon annyi a módosítás, hogy egy kicsit nagyobb, mivel én nagyobb /3300uf 50V/ kimeneti kondit tettem bele...
Mondjuk a stereo is 2200uf 50V ra van méretezve, persze a kisebb az belemegy
Amugy nem tudom mi olyan drága ebben, hogy nincs rá pénzed...
A panel 70*??mm, én egy 27*7cm-es nyákdarabhoz méreteztem, mivel itt csak azt kapni, mindössze 230ft, abból kijön vagy 5... Szóval még bénázhatsz is az elején...
Fúró meg nem tudom minek... Én sima tescos akksis fúróval csinálom, ami hozzáteszem nem kicsit üt! Óvatosan lehet vele dolgozni, de általában nem a fúró miatt törik a szár, hanem mert merev a kezed, és észre sem veszed, hogy feszül/feszíted a fúrót, közben pihensz, na meg a rutin és megy ez, mint az ágybaszarás...
Ha aláteszel egy fadarabot, akkor nem fogja kitördelni a nyákot sem, feltéve ha üvegszálas, persze azt is egy nagyobb /3-4mm/ fúróval le lehet sorjázni...
Jó munkát és kicsit legyél már találékonyabb, ne kelljen mindent a szádba rágni!
NA hajrá!
(#) fureszk válasza KeserűCukor hozzászólására (») Jún 26, 2006 /
 
thx, a jövőhéten összedobom, télleg nincs pénzem össz-vissz 50Ft-om van
(#) KeserűCukor válasza KeserűCukor hozzászólására (») Jún 26, 2006 /
 
És a hangerőszabályzás:
Veszel egy potit, annak a bemenetére: szamből, ha feléd van a tekerő, a lábak lefele "lógnak", akkor a bal láb, teszed a bemenő jelet,ezt és a középső lábát összekötöd, és az erősítőd bemenetére a 3. láb, a jobb oldali, tehát a balra tekert állásban a legnagyobb lesz az ellenállás ===> kis hangerő, jobbra tekerv pedig csak átvezetés lesz és pusztán a poti mechanikai kialakításának és a forrasztások ellenállásaának lesz csökkentő hatása, tehát max hangerő...
A 2 lábat nem is fontos összekötni, elég a középsőre tenni a bemenő jelet, de így elegánsabb meg általában ezt így is szokás...
A potit mindenképp a jelre tedd! Fémházas potinál előfordulhat gerjedés...
(#) fureszk válasza KeserűCukor hozzászólására (») Jún 26, 2006 /
 
műanyag a poti, és már sikerült megtanulnom, hogy kell bekötni, de azért köszi! (a mostani verzión is van poti)
(#) Stefan válasza KeserűCukor hozzászólására (») Jún 26, 2006 /
 
a potit feszultsegosztokent kell bekotni tehat kozepso lab az erosito bementetre egyik szelsore kotod a jelet masik szelsot meg a foldre
Következő: »»   23 / 274
Bejelentkezés

Belépés

Hirdetés
XDT.hu
Az oldalon sütiket használunk a helyes működéshez. Bővebb információt az adatvédelmi szabályzatban olvashatsz. Megértettem