Fórum témák
» Több friss téma |
Fórum » Csöves erősítő készítése
Ne feledd betartani a fórum viselkedési szabályait, és a topik megmaradásának feltételeit. [link]
A téma átmenetileg fagyasztva lett, hozzászólni nem tudsz!
Strubi hamar lehűtötte a lelkesedésemet. Ennek ismeretében felejtsük el ez a kapcsolást és a csövet is? Ha igen, nincs a "tarsolyodban" valami olyan SE kapcsolás ami 7-8W-ot tud és szól olyan szépen mint amit a segítségetekkel építettem. 5W felett már mindenki PP-t épít?
Igazából nekem normál zenehallgatásra elég az a 2-3W amit az EL84SE tud, de kiváncsi lennék mit szól egy olyan cső, amiben még e fölött is van "szufla". Köszi!
Lehet ilyen SE-rajzokkal is találkozni, GU50 SE, PL509 SE.....
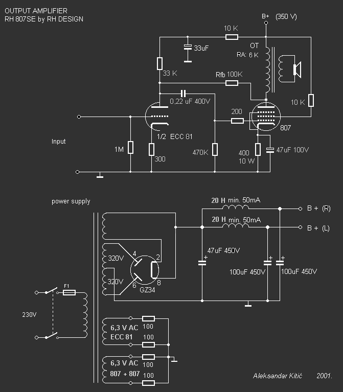
Dehogy felejtős, ne légy már ilyen merev. Meg kell adni a 807-nek ami jár, legalább 400 V tápot terhelten.
A nagy torzítást én nyílt hurokra értettem, egy kis visszacsatolással szó sincs 10 % fölötti torzításról. A 807 jóhangú cső, érdemes vele kezdeni. Nem kell mindig komolyan venni, amit az ember össze-vissza pampog, csak rugalmasan, kreatívan.
Ha jól értettem a PL509-es képpességeit (audiophile) hangját éppen Ti vontátok kétségbe nadatila-ze "belépője" kapcsán. GU50 kapcsolást többet is láttam (pl: az Ágoston féle könyvben is), hallani sajnos még nem hallottam, mit tudhat az SE-ben? Ugye ilyen csövem sincs, csak a netről tudok rendelni, ideheza mindössze vevőcsöveim vannak a régi rádiók javításához. Azért olvaslak Titeket, hogy tanuljak, és innen kerítsek megvalósítani is érdemes jó hangú (uram bocsá' "audiophile") erősítő kapcsolást.
(Az első is ilyennek bizonyult.)
EL34?
Szerk: Szerintem a PL509 nem rosszabb, mint a 807-es, sőt, sokkal előnyösebb tulajdonságai vannak. A GU-t a börzén kell venni, úgy bőven 1000 HUF alatt van darabja.
Ahhoz, hogy kreatív legyek, még hiányzik a tudás, a rugalmasság hiánya meg nálam jellembeli hiba.
A kapcsolás maradhat ,vagy van jobb? Ha marad, a tápfesz menjen 400V-450V-ig (akkor megint soros kondik erdeje) és a hangszóró kimeneti csatlakozójáról vissza néhány Kohm az ECC81 katódjára? Az ECC81 gondolom elmegy 550V-ig mint az ECC83, de sejtem a szimmetriája ugyanolyan vacak, ezért ebből sem érdemes egyet használni a két oldalhoz.
A G807 csak úgy került a képbe, hogy ez van helyben, szó sincs róla, hogy ehhez ragaszkodnék. Feltettem egy kérdést, és nem került elutasításra a cső, ellentétben az EL84 quad SE kapcsolással (pedig ilyen csőből jobban el vagyok eresztve). Tényleg csak puhatolózok, nem értek még annyira hozzá, de az EL34-et nem inkább hangszererősítőbe rakják és ott is PP-be?
A börze számomra nem tűnik járható útnak, marad a net. SE-ben hallottál EL34-et ill. GU50-et? Mit tudtak, melyik tetszett? (Bocs a sok kérdésért )
Jó lesz a kapcsolás. Olyan fojtókat tegyél bele, amelyeknek az ohmos ellenállása nem haladja meg a 100 ohmot, (ha csak egyet használsz a két oldalra az 50 ohmot) ha nem használsz fojtót, akkor helyette 1-1 47-100 ohm ellenállást (5W-os) használj. A tápot úgy csináld meg, hogy nyugalmi árammal terhelve 400-420 V legyen a B+ ponton, a segédrács ellenállását akkorára válaszd, hogy 250-270 V legyen rajta, és hidegítsd egy 50µF 450 V-os kondival. Ha szilíciumdiódával egyenirényítasz, akkor a 2*320 V elég lehet a trafón, ha az elég bika (végcsöveken 60 mA lehet a nyugalmi áram ekkor). Raa-nak elég 400 V-ról 4,8-5 K is, nem kell 6 K. A torzítás alacsony szinten tartásáról az anódról létesített nvcs. (100 K) gondoskodik. 8 W-os lesz így a kapcsolás.
Elég nagy az anódteljesítménye az EL34-nek, hogy lehessen SE-t is építeni belőle. A GU 50 majdnem, hogy fogalom SE-ben nálunk. De az Ágoston könyv is foglalkozik mindkét csővel.
Én is kerestem az adatait eredménytelenül.
16KV nem elírtad ? Csak azért kérdem, mert a jókora 5c3SZ 1,7KV-s, igaz nagyobb áramú.
Ha jó a kimenőből 4,8-5K akkor meghallgatni nem kihajtva talán elég lenne a mostani (EI106, prim: 2*1750 0,25-ös huzal, szek: 3*140 0,55-ös huzal). Így a próba olcsóbb lehetne, s ha mégsem tetszik a hangja, nem tekertetnék hozzá trafót. Táphoz gondolom jó az EL84SE-hez épített, (2db BU508A-al) nagyobb zenerekkel. A segédrács ellenállás a rajzon ha jól gondolom most 10K, ennek változtatásával lőjjem be a segédrács feszültségét 250-270V-ra, és ezzel kössek párhuzamosan 50 ľF-os kondit, v. a föld felé hidegítsem a rácsot? (Bocs, ha hülye a kérdés.)
Az elejére jó az ECC83-is, csak nagyobb lesz az erősítés, v. az már túlvezérli? (Az van itthon így mégjobban redukálható lenne a kísérlet költsége )
Sziasztok! Ezekből a csövekből: EAF42,ECH42,AZ41 lehet tunert építeni? FM, esetleg AM se lenne rossz. Ha lehet építeni, akkor a rajzot s megköszönném, ha felrakjátok!
AM-et lehet ezzel a készlettel, minden további nélkül. FM-et nemigen.
Azekhez a csövekhez kéne még 1 cső az FM-hez? Van egy, de arról lekopott a felirat.
Látom már többen is elmodták amit lehetett .
Ha ez mégsem tetszik keress olyan csövet ami kb. 40W disszipációjú pl. GU50 , KT88 , 300B , PL519 , 6C33C(ezzel15W is elérhető ) ezekkel SE-ben 8-10W összejöhet . EL34 és a sima 6L6 már kevesbbet tud , esetleg 6L6GC 30W-os verziója jöhetne még szóba . Ekkora teljesítmény már nagyon jó lehet 90 dB (92dB) feletti hangsugárzóval , 4 W még kevés , nagyobb dinamika csúcsoknál bizony nem elegendő .
A felsorolásból kimaradt a 6C33C.
Az elvileg tud 15W-t Bár én 10W fölött PP-t építenék üdv
[quote]Bár én 10W fölött PP-t építenék[quote]
Akkor építs is!
Nem akar építkezni pedig már 1000 darab csővel lehetne egy 1000 csöves erősítőt építeni!
Anya sztem nem tolerálná a 3. erősítőt a szobában
:yes:
Köszönöm, hogy próbálsz eligazgatni a csövesek világában. A második kapcsolás több szempontból is szimpatikus: a bemenő feszültségszint éppen megegyezik a Hiraga RIAA-m mostani kimenő szintjével, az EF 86 is jól szerepelt nálam is és úgy tudom eleve HF cső, továbbá az anódfesz sem magas.
A kimeneti feszültséget viszont nem értem, ha 14Vpp, akkor az csak 3W 8ohmon, (ennyit pedig a mostani is tud, erről a szintről szeretnék picit feljebb lépni). A 14Veff egyetlen csőnél pedig számomra értelmezhetetlen. Mennyit is tudhat valójában ez a cső ezzel a beállítással?
Nem írtam el nézd meg hogy a DY86 is 16kv-os a DY806 meg ennek valami kissebb módosítása lehet. Viszont csak 150uA a terhelhetősége.
Az a kimenőtrafó ehhez a kapcsoláshpz van teremtve, nem is kell másik.
Az 50 µF-os kondi a föld felé legyen (elvileg lehetne az ellenállással párhuzamosan is, ki kell próbálni, hogy a hangot miként befolyásolja, akkor kisebb fesztűrésű is elég lenne oda), a 10 K lehet hogy jó is (a próbánál majd meg kell mérni a segédrácsfeszt és ha sok, akkor lehet növelni az ellenállást. ECC 83-al is meg lehet hajtani, akkor használj neki 820 ohmos (lehet 1 K-s is) katódellenállást, 47 K anód munkaellenállást, aminek a felső végén 350 V körüli tápot állíts be a szűrőtagja ellenállásával (1,5-2 mA között legyen a nyugalmi árama). A teljes hurokerősírést (érzékenységet) és a torzítatlan hangot, majd a visszacsatoló ellenállással (anódról anódra (100 K most)) be lehet lőni. A hálózati trafóval úgy kalkulálj, hogy tudjon leadni könnyedén 300 mA-t (2*320 V, 2*150 mA, vagy ha greatz-al egyenirányítasz akkor 1*320 V 300 mA). nem árt, ha 350 V-ig 10 V-onként leágazás is van. 320 V-ig jók a 450 V-os pufferkondik, afölött (350 V-ig) 500 V-osak kellenek.
Az a 14 V cs-cs-ig a 4 ohmra vonatkozik, az mindegyik erősítő 6 W körüli (kicsit több).
Nekem van itthon 3 APX 100-azokat hangosítani szoktam vinni, meg van egy GU-50 SE ez szól itthon 2 db BEAG HOX 41-es hangfallal
Egyszerre írtuk .
6C33C az tudja a 15W-ot és nagyon jó hangú , csak nem könnyű meghajtani .
Tessék kikovetkeztettem neked de most következtess hogy mi micsoda és legközelebb magadtól
a rajzokon az egyenes az mindig az anód, a rácsok pedig a katódtól felfele G1 G2.... |
Bejelentkezés
Hirdetés |


Igazából nekem normál zenehallgatásra elég az a 2-3W amit az EL84SE tud, de kiváncsi lennék mit szól egy olyan cső, amiben még e fölött is van "szufla". Köszi!

)


:yes:
a rajzokon az egyenes az mindig az anód, a rácsok pedig a katódtól felfele G1 G2.... 
