Fórum témák
» Több friss téma |
Fórum » Kapcsolási rajzot keresek
Témaindító: Kallai Csaba, idő: Márc 11, 2006
Témakörök:
Üdv.Nem válaszoltál hogy megnézted e az IC ket? Hol akarod használi ? Ami subvezézlést tud az mind tudja a hangerőt változtatni ,de nem mindegyik tudja a frekit is változtatni.
Üdv A hol kapható topikot nézted? Nézd meg.
Tud valaki segíteni AUDIO ANALOGUE MAESTRO CDjátszó kapcsolási rajzával?
Az egyik kimentei erősítő elszállt valószínűleg, el van billenve a kimenete! kösz!
Hát a csövekkel mi van? Már nem vagy csöves?
Zoli!
Sikerült kinyomtatnod? (Csörögj, ha nem!)
Majd leisszuk...
(Teeeeej.......)
Sziasztok! Ami ebbe a ledes számlálóba van benne IC az szerintetek hanyas lehet mert nem írja. Ha valaki tudja az írjon
Sziasztok! Van egy Orion hangpanelem, a panelra
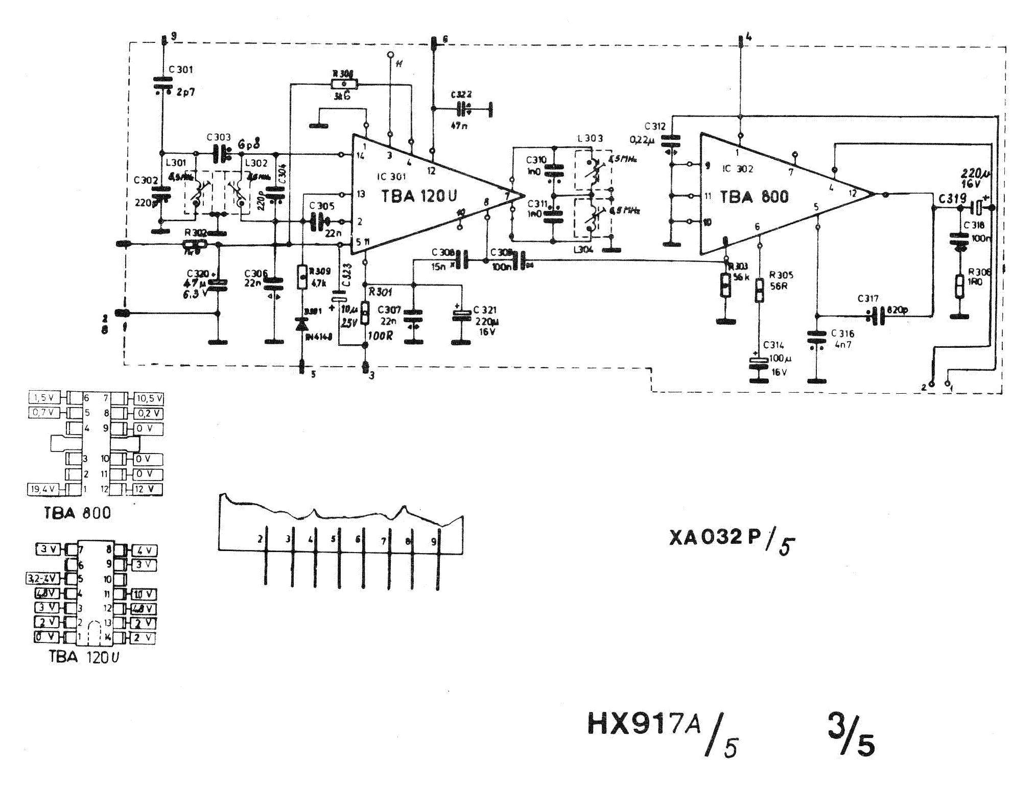
HL812F-3 BC510D - 8 van írva.Ennek van 8 lába, ami másik panelra megy, 2 ami a hangszóróra, meg 2, amit nem tudok, hogy hova. Ennek a panelnak a bekötését (tápfesz, hang be, meg a többi) leírnátok nekem? Ha segít, akkor van egy TBA800, és egy TBA120U a panelen. Ennek a kimenő jeléről menne az EM84-es varázsszem?
Ez nagyon olyan (de csak fejből, nem néztem utána!) mint az Orion TV hangpanelja. Tegyél fel képet!
Legyen neked is jó napod!Bővebben: Link
Igen, Orioné. Teszek képet.
Igen, ahogy gondoltam.
Az a két láb, amit nem tudod, hogy hová megy, a KF-ből a külső Video lejátszáskor fogadja a külső hangjelet. Ez egy komplett végerősítő panel, és ha igaz, a hang KF is egyben. Egy Orion TV kapcsrajzból lehet nyomonkövetni a többi láb kötését. (Cca 25 éves emlékek, amit írtam... tehet lehet benne hiba!)
A TV működött, tehát ennek is jónak kell lenni. Kapcsolást tudsz felrakni, a téma úgyis erről szól, vagy esetleg a TV típusát leírnád, amiben van ilyen?
Ja igen, a KF-ből vágtam le, ott van ilyen vezeték.
Mondj TV típusszámot!
Amiből bontottam? Nem tudom! A külsejét meg a képcsövet nem hoztam.
CT 656 - nem pont ez, de nagyon hasonló, - kicsit várnod kell, míg találok...
Oké. Keresel rajzot?
Tessék!
A 0 -végű (file név) az alaplap, ebbe van bedugva a hangpanel, az 1-es végű.
Amíg nincs jobb, ez nagyon hasonló...
üdv
nem rég találtam kidobva egy midland 100m nevezetü cb rádiót. nincs valakinek véletlenül egy kapcsolási rajza? és a használata legális e?előre is köszi
Szia! Nem tiltott az AM és FM, tehát legális. Rossz? Minek a rajz? Adj neki 13,6V DC-t, talán működik, de ehhez antenna is kell. Ha van, dugd rá, akkor még beszélgetni is tudsz.
Laci: Köszi!!! Ha nincs 17,5V, az baj? A PCL86-ba kéne a varázsszemnek.
Ja, és a hangerőszabályzásnak elég egy poti a GND fele?
szevasztok!!!
nekem kellene egy VIDEOTON TS3350 televizio kapcsolási rajza de nem csak a tápegységé!!!! mert azt én is megtaláltam köszi!!!
Azt nem mondtad, hogy nézzem is át a rajzot!
Igen, a hangerőnek egy poti a földre. Ezt a mondatodat nem értem. Idézet: „Ha nincs 17,5V, az baj? A PCL86-ba kéne a varázsszemnek” Mi az, hogy a PCL86-BA kéne a VARÁZSSZEMnek???Kinek baj? Neked, nekem, a PCL86-nak, vagy a varázsszemnek?
Azért írom, mert az egyenirányított fűtőfeszből (12,5V) akarom adni neki a tápot. Ha a 17,5V hiányzik, akkor attól még működnek a TBA-k? A varázsszem nem kap elég jelet a PCL86-tól, mert a PCL sem kap eleget, de ezt majd JZoli-val megoldjuk, ez (a hangpanel) nekem a varázsszem elé kell, hogy elég erős jelet kapjon a működéshez.
A TBA már elketyeg 9V körüli feszültséggel, természetesen a kimenőjel nem lehet akkora, mint 17V-ról.
Jó. Akkor adok neki annyit, amennyi van. Már csak 1 dolgot nem értek, a hang ott megy be, ami ment az RF részen a bádogdobozba (tuner)?
|
Bejelentkezés
Hirdetés |





(Teeeeej.......)


Amiből bontottam? Nem tudom! A külsejét meg a képcsövet nem hoztam. 
