Fórum témák
» Több friss téma |
Helló. Igazad van, az áram lemaradt, 500mA-er kellene és 2,7V.
Hát végülis az is megfelel. LM317-nek mennyi a legalacsonyabb feszültsége? 1V körül van valahogy, nem?
Igen, pontosabban, 1.2V...
Sziasztok!
Szeretnék építeni egy 5V-os 5-10A-es stabilizált tápegységet. Valaki tudna linkelni valami bevállt kapcsolási rajzot? Köszi és üdv.: Zoli
Sziasztok van egy 60 voltot leadó trafóm vagy tekercs mindegy eböl kellene nekem 45 volt 3-4 amper ehez kérnék segítséget.
Azt nem írod, hogy egyen, vagy váltó 45V kell.....
bocsi elfelejtettem a válaszba nyomni szöveget
Sziasztok! Van 22V AC-m és kellene nekem 12V DC aránylag stabil. Max 200 mA. Van valakinek valami javaslata?
7812 +greatz + 4700u puffer ennél egyszerűbben nem megy viszont ez tud 1-1.5 A-t
Köszi. De tudnál valami rajzot adni, mert nem vagyok valami nagy guru a témában.
Sziasztok!
Van egy tápom10v-os 200w-os toroid trafóval gréc híddal pufferkondival és egy régi autóerősítőt hajtok meg vele így pufferelés után 12 V ot kapok.Az vele a problémám hogy,búg. Hiába van rajta 4 db 33000 mikros kondi hogy lecsökkentse az 50Hz es búgófeszültséget akkor is búg. Kellene nekem egy L C szűrő kapcsolás adatokkal: a tekercs menetszáma, a kondi értéke.Csináltam már tekercset forgókondenzátorral de az se lett jó. Ha valaki tud kérem hogy, segítsen.Előre is köszönöm!
Szia, nem lehet, hogy földhurok miatt búg?
Szia de lehet hogy földhurok. Hogyan próbáljam megszüntetni?
Sziasztok!
Olyan kérdéssel / kéréssel fordulok hozzátok, hogy van 1 trafóm, ami egyenirányítás után 50V-ot ad le, (egy béltériből szereztem). Egy olyan könnyen, egyszerűen, viszonylag kevés alkatrészből megépíthető kapcsolás érdekelne, ami szabályozható, pl: 1,2...50V vagy hasonló. Főleg IC-s kapcsolás érdekelne. Válaszaitokat előre is köszönöm.
Hello!
Az "egyszerű IC-s" kapcsolások, maximális feszültsége, 40V. Spéci nagyfeszültségű IC-k léteznek, elég borsos áron. Ha 50V-od van, akkor abból 50V-ot amúgy sem tudsz kiszedni, maximum kapcsolóüzemű szabályzással. Az meg már nem az "egyszerű kategória". üdv! proli007
Szia!
Köszi! Akkor lehet kap 1 ellenállatot, vagy kimarad. Üdv! Idézet: „maximum kapcsolóüzemű szabályzással. Az meg már nem az "egyszerű kategória” LM2592 vagy LM2596 Egyszerű, kapcsolóüzemű, kiváló tápegységnek.
üdv!
Oké, akkor kérünk, 50V-ból 1,2V..50V-ig egy egyszerű kapcsolást. üdv! proli007
LM2592 Adatlapján ott a kapcsolás.
fihu pedig ezt írta Idézet: „kapcsolás érdekelne, ami szabályozható, pl: 1,2...50V vagy hasonló.” A hasonlóba bőven belefér, mivel az egész puffer fesz kiszabályozható
Ennek az IC-nek néztem az adatlapját, majd de nem volt túl sok időm akkor. Majd még át tanulmányozom!
Viszont kerestem HEstore-ban és HQ-n is de nem találtam. Esetleg valami ötlet? Köszönöm a segítséget Üdv!
63V max az IC bemenete, 1.2-57V -ig szabályozható.
Ebbe azért próbálj a trafóval beleférni.
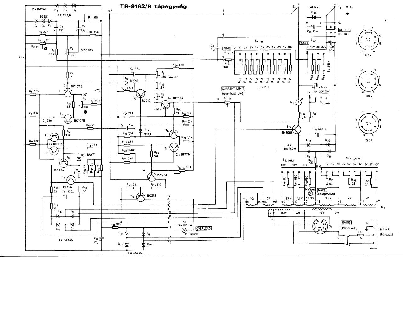
Van egy TR9162/A tápegységem, és villanypásztor szerelése közben hazavágtam mindkét oldalát. (Először azt hittem nem amiatt ment ki, ezért rákötöttem a másik felére is) Valami visszakúszó nagyfesz kinyírhatta. Az egyik oldalát sikerült is megcsinálnom, a rajzon a T10-es jelölésű tranzisztort kellett kicserélni. A másik oldalt viszont nem siekrült megcsinálni. Két napot ültem felette, és végül odáig jutottam, hogy kicseréltem benne minden tranzisztort, és még sem működik. Következő csinálja: Terhelés nélkül megvan pontosan a kimenő beállított fesz, de amint terhelem, leesik -0,5V-ra a fesz. Nem a bemenő fesszel van a baj, mert az stabil, az áramkörrel lehet valami. Ellenállásokat legtöbbet mértem is, de szemmel láthatóan sincsenek megsérülve. Valamint érthetetlen okból, néha "félig" működik, mert terheléssel az áramot fölcsavarva, olyan 200mA-ig jó, de utána leesik a fesz.
Nagyon örülnék, ha valaki tudna segíteni Rajzot mellékeltem, ugyan ez a B, de ugyan az teljesen mint az A verzió.
Hello!
Nem ismerem ezt a tápot, de a rajz alapján meg lehet oldani a javítását. (Ha jól látom, a táp végárama 0..20V-ig 2A és 20..40V-ig 1A.) Minden esetre, valami terhelő ellenállásokra lesz szükséged. pld 4,7ohm/25W, 22ohm/25W és 33ohm/40W-os ellenállás. - Alapvetően a táp (a teljesítmény egységen kívül) két áramkörből áll. A T1..T6 tranyóból álló feszültségszabályzóból és a T7..T12 tranyóból készült áramkorlátozó részből tevődik össze . - Ahhoz, hogy valamit tudni lehessen mi nem működik, a két részt, függetleníteni kell egymástól. Tehát ideiglenesen ki kell szedni, a D12 (BAY41-es) diódát. (ugyan is, ha az áramkorlátozás szerint túláram lépett fel, akkor ezen a diódán keresztül zárja le, a feszültségszabályzót az áramhatároló rész.) Viszont fokozottan ügyelni kell, hogy ebben a módban nehogy rövidre zárjuk a tápot! - Ebben a helyzetben, meg kell nézni, hogy különböző terhelések mellett a táp terhelhető-e és stabil-e a kimenő feszültség. pld. egy 4,7ohm-os terhelő ellenállással, meg kell nézni 9,4V-os kimenő feszültség mellett, hogy tartja-e a kimenő feszültséget. Ugyan így lehet a 22V kimenőnél 22ohm-al és 33V kimenetnél 33ohm-al ellenőrizni. Ha így megfelelően működik, akkor lehet tovább lépni. - Közben ellenőrizni kell, hogy az árammérő, a megfelelő áramértéket mutaja-e. Valamint, hogy az "Overload" túlterhelést jelző lámpa a beállított terhelőáram elérésekor jelez-e. üdv! proli007
Okés.J ól látod, ezt tudja a táp. Azt hiszem már próbáltam a diódát kiszedni, é s ú gy tesztelni, de úgy sem tudott áramot. Hamarosan szétszedem, és beszámolok a fejleményekről! Kös zi a segítséget! Üdv!
Dióda kivétele után is leesik a fesz terhelés hatására.
Hello!
Hát akkor szép sorban el kell kezdeni a keresést a 2N3055-től kezdve. - De mindenek előtt, nézd meg a tápfeszültségeket és hogy terhelhetők-e. Elsőként a C10 4700µF-os kondit terheld meg valamivel, hogy 1A áram folyjon. Másodsorban nézd meg a végtranyó meghajtó feszültségét a C5-ös kondiban. Ezt is terheld meg kb 100mA-el. Aztán nézd meg a +9V és -7V feszültséget. (ezt mát a tápegység plusz kimenetéhez képest kell mérni, de valószínűleg meg lesz.) - Ezután a tápot egy kb. 1A--el terhelve, mérd meg a következő feszültségeket (a tápegység plusz kimenetéhez képest) T13 (2N3055) emitter feszültségét, bázisfeszültségét. T6 és T5 báis és kollektor feszültségét. Zárd rövidre a T4 kollektor-emitterét és nézd meg, felugrik-e a táp kimeneti feszültsége, közel a C10-ben mért feszültségre... Szóval valahogy ebben a sorrendben. De ha a táp egyébként szabályozza szépen a feszültséget csak éppen nem terhelhető, akkor ez azt jelentené, hogy minden rendben van, csak éppen nincs áramerősítése a végfokozatnak. Tehát legjobban a T13, T5 és T6 tranyó, és annak áramkörében kellene a hibának lenni. Hiszen ezek áramerősítése biztosítja a kimenő áramot. Kivétel, ha a 2N3055 teljesítménykörében valamilyen "soros ellenállás" megnőtt és azon esik feszültség. Így a táp nem tud kimenőáramot adni. üdv! proli007 |
Bejelentkezés
Hirdetés |











