Fórum témák

» Több friss téma
Fórum » JLH erősítő
Lapozás: OK   54 / 221
(#) Konzol válasza lamalas hozzászólására (») Aug 21, 2009 /
 
Elég jól el lehet legózgatni az eredeti JLH végfok működésén.
Erről szól ez a cikk is.
(#) highand válasza CHZ hozzászólására (») Aug 21, 2009 /
 
Egy darab négyszögjelet gondolsz lefuttatni? - vagy mit értesz tranziens alatt?

- mert a 10KHz négyszögjel periódusos jelsorozat, nem tranziens jel. Ilyen 10KHz-s bemenő jel esetén szokták vizsgálni a kimenet terhelhetőségét a terheléssel párhuzamosan kötött kapacitással ez igaz.

És mi lenne az a Fourier szimuláció? - mert a periodusos jeleket lehet Fouries szerint analizálni, szokták mondani sorbafejtésnek is, de szimulációnak nem szokták mondani.
(#) highand válasza lamalas hozzászólására (») Aug 21, 2009 /
 
"Egy kapcsolást en nem tennek ugy kozze, hogy nem epitettem meg elozoleg, nem teszteltem rendesen, stb. stb."

Először is, nem a kapcsolás gyűjteményben tettem közzé, mint építési leírást, hanem egyelőre csak egy szakmai fórumon, feltételezve azt, hogy itt mindenkinek megvan a szükséges hozzáértése, akár az esetleges hibák kijavítására is.

Másodszor vannak annyira átlátható kapcsolások, amiket nem szükséges óvatosan megépíteni, mielőtt közzéteszi az ember. Ez ilyen kapcsolás, ez működni fog.

Két hét alatt vagy 4-5 kapcsolást "tettem közzé", de csak ebben a topicban számít szentségtörésnek.
(#) ferzoo válasza highand hozzászólására (») Aug 21, 2009 /
 
Én nem számítógépes programokban gondolkozom,hanem gyakorlati méréseket végzek áram/fesz.g. P:out.valamint a fülemnek hiszek jobban mint másnak,angolosan szólva mindenféle zenével tesztelem az erősítőket.Eddigiek Texas.Quad,Sony TA-F470,F530.A Bd441-442 hogy tud 100W-ot leadni szerinted?na +8Amp.B-E.áramot átvinni amikor a gyártó adatlapon csak 4A.max.van P=36Watt.Ez 75%hatásfokkal számolva is csak 28W~out lenne.Ez a rajz nem ér semmit.
(#) highand válasza lamalas hozzászólására (») Aug 21, 2009 /
 
"a T3 emitterkoreben a munkaellenallas egy fix aramgenerator"

Ilyen részlet nem található JLH erősítőiben. Egyetlen darab vezéreletlen azaz fix áramgenerátor sem található, sem a korábbi, sem az általad most csatolt kapcsolásban.

Mégegyszer leírom, az SRPP-nek az a lényege, hogy ha már egyszer a vezérelt tranzisztor meredekségfüggvénye görbe, akkor legyen a munkaellenállás is ugyanolyan görbe, mert ekkor az átvitel lényegesen lineárisabb lesz. Ez a lényeg, és nem az, hogy a felső pozíciójú tranzisztort ugyanakkor ki lehet használni impedancia illesztésre is. Az SRPP alapötletéhez képest ez lényegtelen apróság.

Talán azért nem értjük egymást, mert nem ismerem a mérnöki sajátos jelrendszeredet, amit a legjobban az általad tervezett erősítő kapcsolásokból tudnék megismerni.

Talán ha csatolnál néhány saját tervezésű kapcsolást, amit tanulmányozhatnék ( nem ebben a topicban gondolom), akkor jobban tudnánk kommunikálni.
(#) highand válasza ferzoo hozzászólására (») Aug 21, 2009 /
 
Erre a kérdésedre egyszer már válaszoltam, olvass vissza kérlek.
(#) Konzol válasza highand hozzászólására (») Aug 21, 2009 /
 
Azt hiszem, ebből a cikkből mindenki megtudhatja mi az SRPP és hogy is működik az.
(#) highand válasza Konzol hozzászólására (») Aug 21, 2009 /
 
Köszönöm.
(#) lamalas válasza highand hozzászólására (») Aug 21, 2009 /
 
Idézet:
„Talán ha csatolnál néhány saját tervezésű kapcsolást, amit tanulmányozhatnék ( nem ebben a topicban gondolom), akkor jobban tudnánk kommunikálni.”


A kommunikacio nem attol fog javulni (vagy romlani), hogy en kozzeteszek sajat tervezesu kapcsolasokat. Egyebkent akkor teszek kozze sajat kapcsolast ha azt erdemesnek tartom.

Idézet:
„Először is, nem a kapcsolás gyűjteményben tettem közzé, mint építési leírást, hanem egyelőre csak egy szakmai fórumon, feltételezve azt, hogy itt mindenkinek megvan a szükséges hozzáértése, akár az esetleges hibák kijavítására is.”


Velemenyem szerint teljesen mindegy, hogy egy szakmai forum hasabjain teszed kozze a kapcsolast vagy kapcsolasi gyujtemenyben reszletes leirassal, mert azt barki lathatja aki regisztralt felhasznalo. Feltetelezni pedig butasag azt, hogy mindenkinek megvan a szukseges hozzaertese. Itt elnezest kell kernem minden forumtagtol mert nem a tagok hozzaerteset kerdojelezem meg hanem arra probalok ravilagitani, hogy nem feltetlen mindenki erti az adott kapcsolast annak ellenere sem, hogy pl. villamosmernok v. elektronikai muszeresz, azaz szakmabeli. Sokan raadasul hobbibol elektronikaznak ... szoval csak ovatosan a feltetelezesekkel!

Idézet:
„Talán azért nem értjük egymást, mert nem ismerem a mérnöki sajátos jelrendszeredet...”


Nincs sajat(os) mernoki jelrendszerem ...
En egyebkent nagyon jol ertem amit Te irsz megsem ertek veled egyet sokmindenben talan azert mert mas nezopontbol szemleljuk a dolgokat. Ugy erzem mindkettonknek igaza van a sajat szemszogebol. Pl. itt az SRPP kerdes. Jol ismerem a kapcsolast tudom hogy mukodik, sok tapasztalatom volt vele megsem neveznem a JLH (es DoZ) erosito veget SRPP kapcsolasnak. Habar a mukodesuk gyakorlatilag megegyezik a kapcsolasok topologiaja megsem! Az SRPP kapcsolasban 2 aktiv elem van mig a JLH erositokben ugyanezt 3 aktiv elemmel erik el (a 3. a fazisfordito). Ha megegyezunk abban, hogy az SRPP kapcsolas tartalmazhat 3 aktiv elemet is akkor egyetertek veled a kerdesben.

Erdekelne viszont a velemenyed, hogy miert nem talalhato egyetlen fix aramgenerator sem az altalam belinkelt AB osztalyu JLH erositoben? Tovabba az is erdekelne, hogy Te pontosan melyik alkatreszeket tekinted az aramgenerator(ok) reszenek ugyanebben a kapcsolasban? Azert erdekel, mert ugy erzem ebben az esetben is ugyanazt probaljuk egymasnak bizonygatni csak mas nezopontbol.

Remelem nem talalod zavaronak, hogy "vitaba" keveredtunk, de en sokkal inkabb kedvelem az ilyen jellegu szakmai vitakat mint a mas forumokon szokasos "anyazast".
(#) CHZ válasza highand hozzászólására (») Aug 21, 2009 /
 
Csak a program szimulációs lehetőségeit idéztem... , de ha így nem volt érthető , akkor csatold a kapcsolást , majd lefuttatom és megmutatom mire gondoltam .
(#) highand válasza CHZ hozzászólására (») Aug 21, 2009 /
 
A program sem tartalmaz 10KHz -s négyszögjel sorozattal tranziens vizsgálatot, egyszerűen azért, mert az nem tranziens jel, hanem folyamatos jel.
(#) CHZ válasza highand hozzászólására (») Aug 21, 2009 /
 
Félreértesz , de nem is ez a lényeg .
Csatolod , vagy nem ?
Megmutatom , hamarabb a végére járunk .
Nincs kedvenm berajzolni az egész kapcsolásod .
(#) highand válasza CHZ hozzászólására (») Aug 21, 2009 /
 
Nézd, ha nem haragszol, nem csatolnék olyan számára kapcsolást, aki szerint az amúgy sem működőképes.

Ha mindenképpen találni akarsz a munkámban fogyatékosságot, hát fáradj vele magad.

Arról már nem is beszélve, hogy a szimuláció amúgy sem ér semmit, csakis akkor, ha az esetleges hátrányok bizonyításásra használják.
(#) CHZ válasza highand hozzászólására (») Aug 21, 2009 /
 
Ez nem volt korrekt !
Soha nem mondtam , hogy nem működőképes!
Szeretném ha megmutatnád hol írtam ilyet !
Jó lenne látni torzítási értékeket és azt is , hogyan viseli a kompleksz terhelést .
Ennyi lenne csak .
Akár Te is bemutathanád , nem tudom miért nem vagy hajlandó rá .
(#) otlm hozzászólása Aug 21, 2009 /
 
Hát ezt tényleg nem nagy munka berajzolni, de minek?
Mi nem érthető rajta?
Az egy másik dolog hogy ez nem jlh, de ami azt illeti talán jobb is hogy nem az.
(#) highand válasza CHZ hozzászólására (») Aug 21, 2009 /
 
Tessék komplex terhelés.
(#) highand válasza CHZ hozzászólására (») Aug 21, 2009 /
 
Tessék "fejlesztettem" rajta, nehogy bele tudj kötni.
(#) CHZ válasza highand hozzászólására (») Aug 21, 2009 /
 
Nem kötöttem volna bele , de Te is észrevetted a javítás lehetőségét .
Torzításáról is mutatnál valamit , a példában látható módon.
Adós vagy a nem működőképes mondatom beidézésével .

példa 1.gif
    
(#) highand válasza CHZ hozzászólására (») Aug 21, 2009 /
 
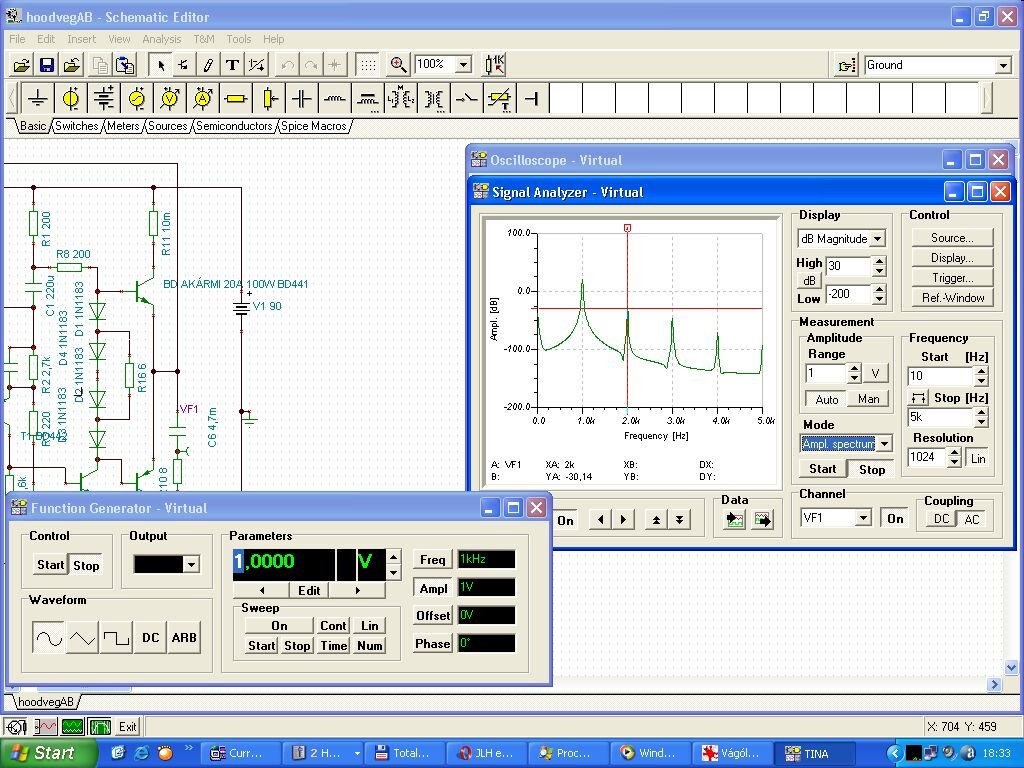
A torzítása teljesen biztos, hogy kevéssel rosszabb, mint a JLH-nak, kettő okból:

1. Kisebb a hurokerősítése, mert nincsen darlington benne, mint a JLH-ban.

2. Kimaradt belőle az SRPP elv.

De ettől még disco-ra bitang jól fog szólni, mivel az nem torzítási kérdés.

A torzítás csak a kifejezetten nagy hurokerősítésű kapcsolásokban számít, de ott viszont csak az extrém kis torzítású kapcsolások váltak be. 100dB alatt lehetőleg. Ez jó, ha 50 dB tud.

Ha a torzítás a fontos, akkor az általános erősítős topicba beteszek egy olyan kapcsolást, ami tök egyszerű, de 100 dB alatti. A TINA szerint.
(#) highand válasza CHZ hozzászólására (») Aug 21, 2009 /
 
Tessék, pont -50dB lett a 2. harmónikus
(#) CHZ válasza highand hozzászólására (») Aug 21, 2009 /
 
Kösz .
Én a TINA 8.0 használom
(#) ngyzoli hozzászólása Aug 22, 2009 /
 
Bocs,h belekotyogok,de szerintem mindenki hozzászólásában a hasznos leszűrhető dolgokat kellene értékelni.Elsősorban...és nem feltétlenül és mindig a hibá(ka)t keresni.Highand próbált valami "újat" alkotni,ez mindenképp méltánylandó,nem mindenki képes rá,s ebben egyetértek Doncso-val.Az a kapcsolás már valóban nem a JLH,de ez itt csak elvi kérdés,ezen nem érdemes "lovagolni". :no: Ha van valakinek hasznos ötlete a további javításra,tökéletesítésre,hát nyugodtan tegye meg...nem az építő jellegű kritikával van a baj.
Csak ne menjen el a topik teljesen más(rossz)irányba...
(#) CHZ válasza ngyzoli hozzászólására (») Aug 22, 2009 / 1
 
Engem sem a kapcsolás zavart , mert az működőképes . A hozzáfűzött minősítéssel nem értettem egyet . Ha a JLH erősítőt szeretnénk "javítgatni " , akkor tegyük azt és ne csináljunk belőle A/B osztályú ellenütemű végfokot , mert akkor már semmi köze sem lesz az eredeti verzióhoz.
(#) otlm válasza CHZ hozzászólására (») Aug 22, 2009 /
 
Egyetértek!

Tény hogy igen egyszerűre sikeredett a végfok ami vonzóvá teheti, ráadásul megfelelő a teljesítménye is.
Én azért a nyugalmi áram beállításnál nem elégednék meg a diódákkal, ez még megérdemelne egy tranzisztort ami hőfüggetlenné is tehetné a végerősítőt.
Pláne ha a tervező célja a hangosításra ajánlás, mert ott ez az egyik legkritikusabb dolog.
Szerintem hangosításra ez még kevés és oda rövidzárvédelem is dukál.
Én inkább otthoni zenehallgatásra gondolnék vele kapcsolatban de mindenképpen szimpatikus ha valaki rugalmas és hajlandó gondolkozni nem csupán másol.
(#) CHZ válasza otlm hozzászólására (») Aug 22, 2009 /
 
Sokat nem tudnék hozzátenni , lényeget leírtad pontosan.
Ha jól emlékezem , valamikor Te is próbálkoztál JLH modifikációval , ami nem rúgta fel az eredeti elveket .


(#) otlm válasza CHZ hozzászólására (») Aug 22, 2009 / 1
 
Én nem foglalkoztam vele komolyan, az eredetit megépítettem, de nekem nagyon nem jött be.
Az a véleményem róla hogy nem tudja amit egy rendes csöves, de azt sem amit egy rendes tranzisztoros.
Ezért biztos meg fognak kövezni, de ez van, én hamar megszabadultam tőle, ettől persze még sokaknak tetszik.
Van egy ismerősöm aki komolyan foglalkozott vele, ő differenciálissá tette a bemenetet egyencsatolta a végét és telepakolta áramgenyával, gyakorlatilag csak a vég elve maradt ugyanaz. Ha már szavaznom kéne, akkor az eredetire voksolnék ahogy a majsztró megálmodta.
A rengeteg maszatolással együtt abban azért van egy pici fíling . Na ezt a havernak sikerült teljesen kiirtani belőle, igaz hogy hifis értelemben sok tekintetben javult, amolyan jó hifi lett.
Én A-osztályban a hiragát lényegesen jobbnak tartom.
(#) Konzol válasza otlm hozzászólására (») Aug 22, 2009 /
 
Egyetértek. A hiraga valószínűleg sokkal jobb erősítő, mint a JLH, aminek fejében jóval drágább és sokkal könnyebb rosszul megépíteni.
(#) otlm válasza Konzol hozzászólására (») Aug 22, 2009 /
 
Jaja :yes: .
A rossz megépítés A-osztályban egyenlő a kudarccal.
Ez egyben előny is, mert kikényszeríti a gondos kivitelt és a rendes (túl!)méretezést.
(#) Konzol válasza otlm hozzászólására (») Aug 22, 2009 /
 
Persze, egy JLH-t mindenkinek meg kell építenie, aki ad magára valamit, hiragát nem feltétlenül, viszont abban korántsem vagyok biztos, hogy VALÓBAN megéri-e az A osztályú erősítő a beleölt anyagot és munkát...
(#) otlm válasza Konzol hozzászólására (») Aug 22, 2009 /
 
Ennyire általánosságban nehéz bármit is mondani.
Hogy kinek mi éri meg az teljesen egyén függő.
Senkinek nem szeretném elvenni a kedvét a jlh-tól sem, szerintem is kötelező ujjgyakorlat !
Az A-osztálynak számos hátránya van, de vannak vitathatatlan előnyei is ami akár kárpótolhat is ezekért a hátrányokért.
Következő: »»   54 / 221
Bejelentkezés

Belépés

Hirdetés
XDT.hu
Az oldalon sütiket használunk a helyes működéshez. Bővebb információt az adatvédelmi szabályzatban olvashatsz. Megértettem