Fórum témák
» Több friss téma |
Fórum » MIG/MAG/Co2 hegesztő készülékek házilag
Témaindító: electorkalandor, idő: Feb 19, 2009
Témakörök:
Szia mpisti!
Leteszteltem a gépet, igaz nem 100 W-os, hanem 60-ast használtam (csak az volt). A mérési eredmények a következők voltak: 1. fokozat: 16,2 V 2. fokozat: 17,2 V 3. fokozat: 18,6 V 4. fokozat: 20,0 V 5. fokozat: 21,6 V 6. fokozat: 23,7 V 7. fokozat: 27,7 V A mért adatok a gép műszaki adatainak megfelelőek, a hegesztési feszültséget 16-28 V között adja meg. A tesztelést most már követi majd az éles próba.
Üdv mpisti!
Újabb kérdésekkel zaklatnálak. 1. A korábbi válaszodban írtad, hogyha a drót hozzáégne az anyaghoz, akkor majd megmondod, hogy hova forrasszak egy 220 mikrofarados kondit. Megtennéd hogy lerajzolnád hova kell beforrasztani? Tulajdonképpen ez a módosítás mire van hatással? 2. Egy régebbi hozzászolásodban leírtad egy jó CO2 gép ismérveit, és ott írtad, hogy a soros kimeneti fojtóval párhuzamosan egy 3,3 ohmos ellenállást kell elhelyezni. Ez a módosítás milyen pozitivumokkal jár, mire van hatással?Megtennéd hogy lerajzolnád hova kell betenni ezt? 3. Van-e lehetőség az ESAB gépemből plussz teljesítményt kihozni? Ha van, milyen módon lehetne? Na most elöntöttelek kérdésekkel. Segítségedet köszönöm!
Szia!
Nem lesz probléma,ha a kérdéseidre holnap válaszolok? A pendrive-amelyiken a géped adatai vannak,a munkahelyemen maradt,a pontos válaszhoz viszont kellene. Addig türelmet kérek.
Dehogy probléma, én tartozok köszönettel, hogy segítettél, segítesz nekem.
Szia!
Kipróbáltad,és hozzáragadva marad miután a pisztolygombot elengeded? Mert ha igen,akkor a tolásszabályzó kártyán(amelyiken a poti van a gép elején) a C1-el jelölt kondit kell cserélni. Ennek az értéke 220mikrofarad, és az a funkciója hogy a mágneskapcsoló kikapcsolását 0,25s-al késleltesse. A 3,3ohmos ellenállás funkciója,hogy az ív begyújtásakor keletkező lengéseket csillapítsa. Erre az ESAB a nagyobb gépein komoly megoldásokat alkalmaz. Plusz teljesítmény kivételét ne nagyon erőltesd.
Szia mpisti!
Köszönöm a válaszaidat. A plussz teljesítmény kivételnek milyen akadályai vannak?
Szia!
Hidd el,az ESAB kiveszi a gépből amit kilehet. Plusz teljesítményt csak jelentős beruházás árán lehetne kivenni, de akkor olcsóbb megoldás ezt eladni,és venni helyette egy nagyobbat.
Szia!
OK, értem, akkor nem erőltetjük a tuning vonalat
Szia Mpisti!
Igen kiprobáltam a gépet, igaz csak pár percre, és akkor is gáz nélkül. Müködött minden és nem volt letapadás. Valószínüleg hétvégén probálom ki normális körülmények között, gázzal, normális vas alapanyaggal. Valószínüleg első munka egy hegesztőkocsi lesz, mert valami olyan megoldás kell, ami terepjáros és normálisan tudom elhelyezni rajta a gázpalackot.
Szia!
Használj kis palackot,akkor a gép gyári tartóján is elhelyezheted-ha nincs levágva. Gáz nélkül csak köpi a drótot,de nem égeti jól. Gázzal használható igazán.
szia mpisti!
Tudom, hogy gázzal az igazi, de csak egy gyors próba volt, és a nehezített körülmények ellenére is elég jól muzsikált. 20 kg-os palackom van, ami lent az alagsorban van egy molnár kocsin. Nem akarom rá rakni a hegesztőgépre, mert nem tartom megfelelőnek a saját tartóját (kisebb palackhoz jó). Hegesztőkocsi meg azért kéne, mert a hegesztőgép saját kerekei alkalmatlanok arra, hogy a garázsból felhozzam és a ház körül "sétáltassam". Valami olyan hegesztőkocsira gondoltam, amin nagyobb kerekek vannak, a terepjárás miatt, a palackot biztonságosan tudjam elhelyezni, rögzíteni rajta, továbbá legyen hely rajta az egyéb eszközöknek (pl. pajzs, tűzoltó készülék, fúrógép, flex, a kábeleket fel tudjam tekerni, stb.), de ennek ellenére valamennyire kompakt mérete legyen. Ha esetleg lenne ilyen kocsiról képed, rajzod, vagy valamilyen ötleted, akkor osztd meg velem.
Üdv!
Nekem is van egy általam épített CO hegesztőm. Még nem tökéletes, de már használtam. Lenne majd néhány kérdésem a szakértőkhöz. Íme az első: A képen látható vezérlő panelhoz van e valakinek, bekötési rajza? A másik képen a gépem "hida" Üdv! Atesz
Szia!
Ha a bekötése kell légyszi a hátoldalát! De pl. ami biztos a graetzre megy a 24V~. És így szépen lassan ki lehet kísérletezni. A másik nagyáramú vezetősáv a motor (ami a 2N3055-re megy). A két relé az egyik a hegesztő áram kapcs. a másik a gázszelep. A különböző funciókat (pl. potméter) egymás mellé szokták elhelyezni. Alul a vezetősávok amelyek a trimmerekre mennek (min-max fordulat) azok az előtolás potira mennek. De lehet, hogy mpisti tudja egy az egybe.
Igen köszi, eddig én is eljutottam.
Csak pont a potiknál akadtam el. Mekkora(értékű) poti kell és hogyan kell bekötni. És a nyomógombot se tudom hova kössem. De nem létkérdés, mert szereztem egy másik vezérlőpanelt, bekötési rajzzal. Az jól működik. Ez jó lesz tartalékba.
Hoppá!
Megvan a bekötési rajz,a kapcsolási rajzzal együtt. Használd egészséggel.
Szia!
Szerintem a bekötés nyert, de ez nem ennek a kapcsolási rajza (pl. Nincs rajta a BD és a fékező ellenállás) de még lenne...
Átfutottam a panelt és a rajzot szerintem NYERT!
Köszi! Jövök majd a többi kérdésemmel.
A gépemben van egy szép nagy nehéz trafó. (a képen)
Egy oszlop keresztmetszete 110x65mm. A szekunder 0-5-50-60-70-80 voltos. Meg se merem mondani miben volt eredetileg. Van belőle kettő! Megépítettem hozzá a másik képen látható vezérlést. De valami ért nem nagyon szabályzott. A vezérlés, ha jól mondom egy félig vezérelt egyenirányító. Azt gyanítom, hogy a szinkron jellel volt baj. Van jelentősége a szinkron vezetékek bekötésének "polarításának"? (tekercs eleje, vége?) Igazából azt szeretném, hogy pálcás hegesztéshez is tudnám használni és CO ként is. Bár olvastam a fórumban hogy ez nem nagyon megvalósítható. Ha mégis, akkor hogyan?
Fékezőellenállás helyett a bekötőhuzal ellenállása korlátozza a fékáramot. A fékezést a motorrelé nyitó érintkezője végzi.
A fázishasító áramköri megoldásától függ az,hogy szinkronjel polaritásfüggő vagy nem . A te kapcsolásodnál polaritásfüggő. Kétsugaras szkóppal meg tudod határozni, vagy kísérletileg. De ha kísérletileg akarod csinálni, akkor a másik két tirisztor gate elektródáját kösd ki a kísérlet idejére.
Megnéztem a panelt.
Amikor a relé elenged, a motort a D22-n és a D27-en keresztül rövidre zárja.
Panel pozició számai és a rajz pozició számai még köszönő viszonyban sincsenek. De ez meddő vita, a csatlakozó bekötése tökéletes és ezt is kérted! És mint megjósóltam mpistinek meg is van! Tehát mindenki happy!
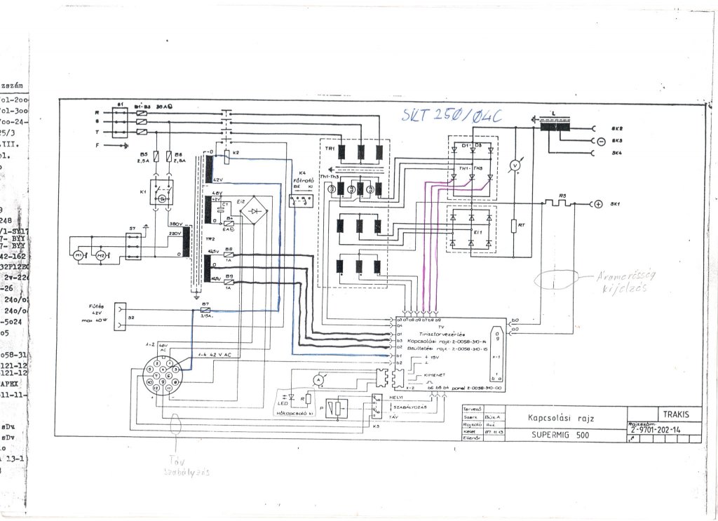
A GAtesz által belinkelt rajzról jut eszembe a THE 300 Trakis rajza véletlenül nincs meg neked mpisti?
Van kétsugaras szkópom.Bár még a kettőt egyszerre sosem használtam.
Most a gép szét van robbantva mert lefestettem a kaszniját, és mostanában építgetem össze. Ha a minden a helyén lesz és már búg és szikrázik, majd nekimegyek a szkóppal, és akkor majd visszatérek ezzel a témával. Ha mindent mindennel összekötöttem, csinálok róla egy kapcsolási rajzot. A CO/pálcás kombi gép megoldható e?
Mpisti a te érdemeidet senki nem kérdőjelezi meg ennek a topiknak te vagy a lelke. Szakmailag magasan kiemelkedsz a mezőnyből. De apróságok bárkinél előfordulhatnak.
|
Bejelentkezés
Hirdetés |















