Fórum témák
» Több friss téma |
Fórum » Propeller Clock
hi
pont ezt találtam az előbb, és ott van a 16F628, úgyhogy tényleg ismernie kéne, bocsi, még most ismerkedek ezzel a programmal. De sajna ez alapján se ismeri fel, bezzeg a 18F, azt egyből felismeri! (kezdem azt hinni, engem nem csípnek a 16F-ek )
Szia!
Mint már sokszor leírták, sajnos a programok a távirányító kódok miatt egyediek. A tőlem telhetőt megtettem a Prop_new_628_2.27 verzióban benne van a forrás, a leírás. Lehet úgy fordítani, hogy lábkompatibilis legyen a régebben megépített propellerrel. Esetleg nem lenne érdemesebb 648A-val. Ez a verzió többet tud és ugyan úgy lábkompatibilissé tehető.... Szia
Szia!
Valahol baj lehet nálad. Póbáltad már másik 16F-fel? Egy teljes törlés? Az Mplab-ban valóban nincs benne a 16F628, de a PicKit2 program 2.61-ben benne van. Az MPlab -bal lefordított hex-et a PicKit2 programmal töltöm be. A 16F628A benne van az MPlab -ban, lehet onnan is programozni. Szia
Biztosan kiválasztottad a menüből(PICKit2 programjában) a Standard típuscsaládot? Lásd a képen...
Szia
Tehát ott tartottam, hogy már tudom írni a 16F628-at (legalábbis remélem, hogy jól írta meg), nem volt egyszerű, először megírta, viszont konfigurációs hibát jelzett. Át kellett állítani a configuration-nál a 7. bitet 1-re (ezt nem teljesen értem miért?) A kérdésem az lenne, hogy tudom leellenőrizni egy multiméterrel, hogy a bázis programja fut? Valahol olvastam, hogy a kvarc lábainál kb 2 Voltot kellene mérni, én ott csak pár tizedet mérek, akkor ezek szerint valami nem ok, mert továbbra sem áll le a venti motor. Üdv
Ha megy akkor ki kell kapcsolnia a távirányítóval feltéve ha jó parancsot kap és az ir szenzor is jó! Amúgy ha kész a rotor akkor ha elindul villogni kell az óra képének rajt és ha kikapcsolod a távirányítóval és vissza akkor megy rendes kitöltésen! A rotort én labortápról szokom leellenőrizni,hogy jó e! Mégpedig úgy hogy adok rá 15Vot a zenernél és PIC nélkül egy 10k ellenállásal pozitívra húzva lepróbálom a ledek vezérlését külön külön! Az 5V-ot meg megmérem jó e a stabilizátor után és ha minden jó nyugodtan mehet bele a PIC
Szia
Ha áramot adok a bázisnak akkor nem kell magátol leállnia 1-2 másodperc után? A távirányítóval meg vissza tudom kapcsolni. Még sehogy nem állok a rotorral ![]() (URC-1 es távirányítóm van) üdv
Nem tudom melyik bázis van neked nekem a sima vicsys féle van ez nem áll le hanem villogtatja az órát! A 16-os gombal tudom ki be kapcsolni a hozzátartozó távirányítóval! Szerintem kell a primér szekunder trafó is a forgórésszel együtt az nélkül lehet nem is megy! Tegyél rá egy ledet egy ellenállásal ha nincs kész a rotor azzal is lehet tesztelni van e kitöltés!
Szia!
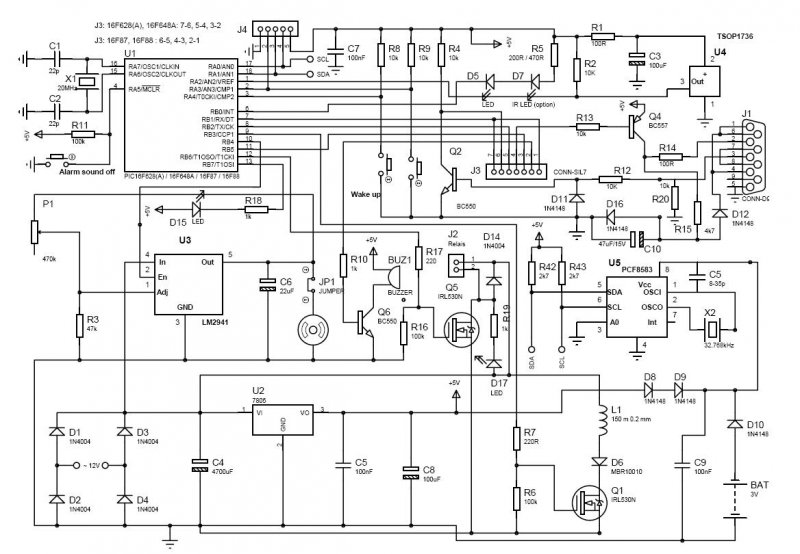
Ennyi probléma helyett nem lenne egyszerűbb az élesztés, ha a 628 beépített uart-jával a bekapcsoláskor a PC terminál programján a "Propeller Clock" kiírást olvashatnád? Parancsokat küldhetnél neki? A beállításokat visszaolvasná és egy kezelőprogramon láthatnád, ementhetnéd? A távirányító kódokat (függetlenül, hogy az órának szól-e) egy listában dekódolva megnézhetnéd? Nem csak a tápot állítaná elő, hanem egy ébresztő/kapcsoló óraként is működne? Kímélné a propeller motorját: bekapcsolhatnád PC ről, infrával, gombnyomásra, kikapcsolna egy beállítható idő elteltével? Amennyiben hajlandó vagy az eredeti bázison némi átalakítást csinálni, mindez működhetne Nálad is.... Nem kell (azonnal) mindent felépíteni. A program megy az RTC (U5), a relé vezérlés (Q5), a hang meghajtása (Q6) nélkül is. Elegendő a Q4 és a Q2 valamint a hozzá kapcsolódó R, C, D elemek beépítése. Sajnos a pic lábkiosztásán változtatni kellett: pont az Rx lábat használták el az infra led meghajtására, pedig annyi szabad láb volt még ... A rajzot és a programot már a tavasszal feltöltöttem... Szia
Szia! Tervezni akarok egy nyákrajzot a 3x16-os távirányítónak az lenne a kérdésem szükséges e az a sok 1N4148 dióda mert nekem egy másik kapcsolás van miben azok nincsenek bent Bővebben: Link Ebben is meg lehet oldani a plussz két gombot vagy mindenképp kell az a sok dióda?
Szia!
A diódák a több gomb egyidejű lenyomásánál kapnak szerepet. Volt néhány olyan zsebszámológép, ahol három gomb egyidejű lenyomását egy negyediknek dekodolódott... Nem kell beépíteni, de ilyen esetben nem várt parancs kiadása lehetséges. A 16 dióda lehetnek bármilyen smd kivitelű típus is... Szia
Szia
Az igazság az, hogy amiket leírtál az nekem egy picit magas. "PC terminál programján a "Propeller Clock" kiírást olvashatnád" ...mi az a PC terminal program? Azt tudom, hogy a PK2-nek van egy analizáló funkciója, de, hogy azt, hogy kell használni, arra még nem jöttem rá. Összedobtam próbapanelon egy áramkört amelyen ledekkel tudom ellenőrizni a kimeneteket, a PIC-re meg rátöltöttem egy villogtatót (a teljes PortB-t kellene villogtatnia) de még ott tartok, hogy nem éled. Itt több kérdés is fölmerül, mivel LVP módba programoztam (config 7bit=1)akkor ezáltal a RB4-et el lehet felejteni? Mclr 10k-val Vdd-n. PGM 10k-val Vss-en. 100nanos Vdd-Vss között. és mégis, se kép-se hang .
De jó ha belekötöm abba a rajzba a két gombot mit linkeltem? Mert akkor kész is a nyákterv!
Este felteszem a lay-t még átnézem a melóhelyen most indulok dolgozni! A diódákat is belerakom SMD-ben!
Szia
PC terminál program: (Google számtalant hoz ki...) Hiperterminál, vagy Term95, BrayTerminal stb. Olyan programok, amik a PC soros vonalán (CON1:, COM2:, ... stb) vett adatokat egy ablakban meg tudják jeleníteni, egy szöveget be lehet gépelni és el lehet küldeni a soros vonalon. A PC soros vonala RS232 szabvány szerinti (lehet, hogy erről már hallottál a pic égetővel kapcsolatban). Lényeg, hogy a feszültség szintek nem felelnek meg közvetlenül a pic bemeneteinek/kimeneteinek. A szintillesztést oldják meg a Q2 ill. a Q4 és a köré tett elemek.) PicKit2: A Tools / Uart tool menüpont megnyitása után egy ablakot kapsz. A Vdd kockában be kall kapcsolni a tápot, vagy kölső max 5V tápot kell adni a PicKit Vdd lábára. Ld. rajz bal alul. A connect gomb benyomásával lehet kapcsolódni a soros vonalon levő eszközhöz. A középső fehér területre írja ki a vett adatokat. Az ASCII módban karakteresen, a hex módban pedig kódokkal láthajuk az üzeneteket. Alul van négy Send gomb és melletük egy-egy szövegmező. Valamelyik mezőbe írva a Send gombjával a szöveget el lehet küldeni... A Pickit TTL szinteket használ, nem kell szintillesztés. Nem is szabad RS232 kivezetésekre csatlakoztatni. A pic lábait (Pic Txd - PicKit2 Rx és Pic RxD - PicKit2 Tx) közvetlenül össze lehet kötni. Tegyél egy próbát... 0. A PicKit 4 - Rx és 5 - Tx lábait kösd össze egy kis ellenállással (100 ohm). 1. Pickit csatlakoztatása, a PicKit program indítása. 2. A tápfesz beállítása a logo alatt.. 5V jó lesz.. 3. Tools / Uart tool 4. Vdd kockában a táp bekapcsolása 5. ASCII mód, a sebesség beállítása most nem fontos... 6. Connext 7. Az egyik Send gomb utáni mezőbe írj be valamit 8. Nyomd meg a Send gombját - Ha középen megjelent a szöveg - nyertél 9. Bontsd szét a 4 - Rx és 5 - Tx lábakat 10. Nyomd meg a Send gombot újra - Ha középen megjelent a szöveg - nem nyertél, hiszen a vételi lábat nem hajtja meg semmi. Az MPlab szimulátorával le lehet tesztelni a programot... Töltsd fel a programodat a config adatokkal együtt... Szia
Akkor feltöltöm a Hp41C álltal módosított távirányító általam elkészített nyáktervét mi még nem volt megépítve így mindenki csak saját felelősségére kísérletezzen vele! Nem ártana átnézni is valaki másnak! A vicsys féle rajz szerint készült csak a két plusz nyomógomb és egy led is került bele meg a diódák melyek akár el is hagyhatók! A nyomógombok ilyenek mert nekem ebből van sok meg könnyen kibányászható régi cuccokból! A nyáktervnél figyelembe kell venni,hogy a nyomógomb lábai párosával össze vannak kötve belül és ez is ki van használva a nyáktervben! A 78l05 lehet,hogy fordítva van! Ügyeljetek rá!
Szia Patexati!
Átnéztem a tervedet, szerintem lehet építeni az új távírányitót. Korábban én már megépítettem, (pontrácsos nyákra), bizony kellenek azok a diódák. Annyi bizonyos, ezek az új funkciók "jól jöhetnek" majd mindegyik újabb verzióhoz. Itt egy link a már álltalam is megépített verzióról. Ez lesz az: A 78L05-öt lehet forgatni, mert középen van a GND-je. Szia.
Szia! Igen már néztem jó lett
Csak gondoltam nyákterv is jó lenne mert én soha nem építek próbapanelre mert nekem sokkal egyszerűbb a nyákot levasalni (kb fél óra vasalás,maratás,fúrás,ónozás) egy bajom van a program fordításhoz semmit nem értek valahogy el kéne indulnom ezen az úton is én inkább harveres vagyok bármit elkészítek de a programozásban láma vagyok Egy hexet küldhetnél,hogy ki tudjam próbálni! Holnap délután megépítem és ki is lesz próbálva ha lesz bele hex! 16F84 van a távirányítómban de van 16F628 is!
Szia!
1. Töltsd le a Microchip oldaláról az MPlab verziót, telepítsd fel. Az alapbeállítások jók. 2. Csinálj egy mappát. 3. Töltsd le a fórumról a forrást. Bontsd ki a mappába. 4. Indítsd el az MPlab-ot. 5. Project / Project Wizard. Tovább. Válasz kontrollert (16F84, 16F628). Tovább. Jó az MPASM beállítás. Tovább. Browse. Keresd meg a mappádat. Add meg a project nevét. Megnyitás. Tovább. Jelöld ki a forrást és az Add gombbal tedd be a projectbe. Tovább. Befejezés. 6. A megnyíló ablakban a forrásra kattintva a program megnyílik. 7. Fent középen a Debug -ot át kell állítani Release-ra. 8. Project / Buil All 9. A Programmer / Select programmer segítségével kiválasztható a programozó (PicKit2) - Sajnos sem a 16F84 sem a 16F628 nem programozható a MPlab -ból, de a 16F682A már igen. 10. PicKit csatlakoztatása 11. Programmer / Connect 12. Kontroller / áramkör csatlakoztatása a PicKit2-höz. 13. Programmer / Program 14. Programmer / Verify 15. Programmer / Set Vdd off 16. Kontroller / áramkör csatlakoztatás bontása. 17. kész / fut / Olyan jól néznek ki a dialógusok, amit egy magyar Ablakok csinál egy nem magyar Windows alkalmazással! Félig magyarul - félig a másik nyelven van. Így jobban érthető? De a kedvencem: A fél világ az Edit / Copy - Edit / Paste menütpontokat kezeli, magyarított programok a Szerkesztés / Másolás - Szerkesztés / Beillesztés -t. Próbáltátok már billentyűzet kombinációkkal, ha egy angol és egy magyarított applikációt egyszerre kell kezelni.
Szia Patexati!
Látom, jó kezekbe kerültél. Itt mostmár nics menekvés, meg kell próbálni előbb-utóbb ezeket a kihívásokat is. Felrakom ennek ellenére a kért RC5x/48-hoz az álltalam forditott HEX állományokat. Nekem PIC16F628, vagy PIC16F628A procim van. Ezekkel működik a új távi. A fordítások tehát: Szia.
Köszönöm mindkettőtökenek
Ép nekiálltam olvasgatni az assembly programnyelvről dokumentációkat! Most ráérek meg is próbálom a fordítóprogit nem tűnik annyira nehéznek. Télen gondoltam,hogy mélyebben foglalkozom a meleg szobában a programozás rejtelmeivel mert már nem halogathatom a további fejlődésemhez
Szia!
Egyvalami kimaradt: Fordításnél rékérdez, hogy abszolut vagy relokálható kódot fordítson. Válszd az abszolut kód fordítását. A régebbi MPlab projectben jól megfért az MPSzim szimulátor és a PicKit2 programozó, egyszerre lehettek aktívak. A 8.36 -ban ha új projectet készítek, akkor csak az egyiket engedi meg aktivizálni, ha egy régebbi projectet nyitok meg, akkor továbbra is aktívként kezeli mindkettőt.
Szia!
Ilyen programra, kiírásra gondoltam... A készülék válaszai az alsó nagy mezőben jelennek meg. Az első két sort nem kell magyarázni... A harmadik sorban a dátum lekérdezés parancs válasza olvasható (2009-09-26 Szombat). A negyedikben az idő lekérdezés parancs válasza olvasható. Az utolsó sor a 0. sorszámú ébresztés lekérdezése (Minden nap 18:05-kor a propeller bekapcsolása és hangjelzés). Minden sort CR+LF zár le, hogy a terminálok új sorban írják ki. A parancs sorban a 0. ébresztés lekérdezése parancs látható (l00). A kezelő programmal pedig a Prop_Pwm képen látható módon jelennek meg a PWM beállításai. Szia
Sziasztok!
Ha a kész proppeller clockomon a led-ek villognak (utánna meg simán csak világít nem írja ki a szöveget) az ugye az a jelenség hogy kevés a menetszám?Szerintetek meikkel kezdjem az újratekercselést a primmerrel vagy a szekunderrel, nem akarom mind a kettőt ujratekerni. És házilag miből tudok kibontani 0.2mm 0.4mm es réz drótot , mert már elfogyott.. Üdv:tony994
Nem, nem és nem. A 100/150 menet, több mint elég.
Akkor mi baja lehet? Midjárt rakok fel vidit..
Bővebben: Link
Tehát a lényeg (mint ahogy a cikkben is írtam): A táp rákapcsolása után a távszabályzóval ki kell kapcsolni, majd visszakapcsolni. Ekkor jön meg a kijelzés.
Igen , de nem úgy villog hanem megy normálisan a szöveg (szöveg módban van) és utánna meg az egész elmosódik és csak pirosan világít (videóban látszik).
|
Bejelentkezés
Hirdetés |




) 

Csak gondoltam nyákterv is jó lenne mert én soha nem építek próbapanelre mert nekem sokkal egyszerűbb a nyákot levasalni (kb fél óra vasalás,maratás,fúrás,ónozás) egy bajom van a program fordításhoz semmit nem értek valahogy el kéne indulnom ezen az úton is én inkább harveres vagyok bármit elkészítek de a programozásban láma vagyok
Egy hexet küldhetnél,hogy ki tudjam próbálni!
Holnap délután megépítem és ki is lesz próbálva ha lesz bele hex! 16F84 van a távirányítómban de van 16F628 is!


És házilag miből tudok kibontani 0.2mm 0.4mm es réz drótot , mert már elfogyott..





