Fórum témák

» Több friss téma
Fórum » TDA7294 végerősítő
 
Témaindító: Dióda, idő: Ápr 17, 2006
Lapozás: OK   129 / 611
(#) misi89 hozzászólása Nov 27, 2009 /
 
Nah tegnap megcsináltam újra a nyákot. De most vasalásos technikával.
Beforrasztottam mindent és olyan gyönyörűen megszólalt
Élesztéskor nem volt sehol DC. A tápra kötött izzók csak akkor kezdtek el világítani mikor megkapta a bemeneti és kimeneti terhelést. (mint egy régimódi kivezérlésjelző).
És tökéletesen működik.


Köszönöm a segítséget.


amikor szétbontottam az előzőt észrevettem, hogy a 33nf-es kondik nem ugyan olyanok pedig a boltban egy ugyan azon helyről vettem ki.

nah mind1
a lényeg a lényeg. minden jó.
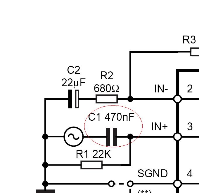
(#) dome1 hozzászólása Nov 27, 2009 /
 
Sziasztok,

Szerintettek a képen szereplő kondit, ha polarizált kondira cserélem, az nagy baj? Ha 470 n ról 1microF –ra cserélem?

Köszönöm

kondi.JPG
    
(#) Bassmester válasza dome1 hozzászólására (») Nov 27, 2009 /
 
Miért akarod lecserélni a csatolókondit? Elkót semmiképp ne rakj be helyette. 470n - 1µF közötti MKP kondi a legjobb bele.
(#) dome1 válasza Bassmester hozzászólására (») Nov 27, 2009 /
 
Most éppítem az erőlködőt, de nem talláltam ilyen kondit bent melóban, csak 1microF -ot. Valószínűleg rakok bele 5 db 100 nF -ot. Köszönöm.
(#) martin96 válasza dome1 hozzászólására (») Nov 27, 2009 /
 
Én nemraktam bele kondit.
(#) Bassmester válasza martin96 hozzászólására (») Nov 27, 2009 /
 
Azért jó ám ha van benne csatolókondi :yes:
(#) ptesza válasza dome1 hozzászólására (») Nov 27, 2009 /
 
Párhuzamosan , ugye?
(#) péter70 hozzászólása Nov 27, 2009 /
 
Sziasztok. Régebben megépítettem a Pedro féle hidalt erősítőt.Tökéletesen működött egy darabig és gondolt egyet és legközelebb nem is szólt.Most újból próbáltam a táp 15V-al a bemeneten nincs feszültség de vioszont a kimenten 14,3V szerintetek ez miért lehet?
Az IC-k meghaltak vagy valami más lehet az oka?
Segítséget előre is köszi.


Üdv.
(#) Bassmester válasza péter70 hozzászólására (») Nov 27, 2009 /
 
Ha +/-15V a táp, és 14,3 van a kimeneten, akkor az valószínűleg IC hiba. A tápod az jó? Megkapja a végfok a +/-15V-ot?
(#) péter70 válasza Bassmester hozzászólására (») Nov 27, 2009 /
 
Igen a tápom az jó! +/-/gnd 15V de ez csak teszt táp, egyébként 43V ról ment akkor nagyon szólt.Akkor IC cserélni kell.Még egy kérdés szerinted ezt a hidalt erősítőt lehet autóban használni? Ezzel a kapcsolással

Üdv.
(#) Bassmester válasza péter70 hozzászólására (») Nov 27, 2009 /
 
Kocsiba inkább kapcsolótápot csinálj. Ezzel amit mellékeltél, csak +/-6-7V-ot tudnál csinálni a 12-14V ból, azt is elég rossz hatásfokkal, tehát felejtős.
(#) péter70 válasza Bassmester hozzászólására (») Nov 28, 2009 /
 
Köszi a válaszodat.Esetleg tudnál egy kapcsolást küldeni nekem a kapcsoló tápról.

Üdv.
(#) Bassmester válasza péter70 hozzászólására (») Nov 28, 2009 /
 
(#) petya100 hozzászólása Nov 29, 2009 /
 
Sziasztok! Végre elkészült az első erősítőm nagyon jól szól.Még egy kis finomítás lesz rajta, a hangerő potit kell kicserélnem mert recseg pedig vadi új.Sajnos van azért benne egy kis vezeték gubanc, de majd megpróbálom elrendezni.

Üdv.Petya
(#) ImiDj válasza petya100 hozzászólására (») Nov 29, 2009 /
 
Szep munka elsonek egy ilyen komoly erositot oszerakni.Latom komoly hutese van kb.ilyen t 800-as erositomnek szoval meg ket erositot elbirna a hutod.Gratula
(#) petya100 válasza ImiDj hozzászólására (») Nov 29, 2009 /
 
Köszi! Hűtésről pedig annyit hogy kell hűteni rendesen mert elég jól melegszik.Építettem hozzá egy ventilátor szabályzót de állandóan ki be kapcsolgatott, és azt ki vettem belőle és most állandóan hűt a venti.
(#) Tomy27 hozzászólása Nov 30, 2009 /
 
Üdv.
Érdeklődni szeretnék hogy ez a TDA 7294-es végfok IC a +-40V feszültségről járatva kibírja a 4-Ohm terhelést?Mert én mindig úgy tudtam hogy ez a feszültség érték (4Ohm 100W) vonatkozik.De most néztem az adatlapját, és az szerint a 4Ohm terhelésre elég +-27V illetve +-40V az 8Ohm-ra vonatkozik.
(#) Kovidivi válasza Tomy27 hozzászólására (») Nov 30, 2009 /
 
Sokan hajtották már nagyobb feszültségről, nem lesz semmi baja, max. hamarabb kapcsol le a hővédelem.
(#) martin96 válasza Tomy27 hozzászólására (») Nov 30, 2009 /
 
Nyugalom.Nekem 2 hónapig ment +-42voltról 4 ohmon ,míg le nem égett a trafóm.
(#) Bassmester válasza Tomy27 hozzászólására (») Nov 30, 2009 /
 
+/-40V-ról, lazán produkál 25-28V-os kimeneti csúcsokat akár 4 Ohm-os műterhelésre is, ha jó izmos tápról megy. Rendesen kell hűteni és nem lesz gond a hővédelemmel sem.
(#) zoka válasza Tomy27 hozzászólására (») Nov 30, 2009 /
 
Üdv!

Én pont az ellenkezőjét mondom, mint Bassmester.

Próbáltam 42 és 35 V-ról is.
42V-ról a saját tapasztalataim:
Amiben egyetértek: kibírja a 4 Ohm terhelést is, nem száll el az IC.

Viszont: nem látom értelmét ekkora feszültségnek 4 Ohm -ra, mivel nagyobb (használható) teljesítményhez ez által nem jutsz, viszont a disszipáció brutálisan megnő és gondok lehetnek a hűtéssel.
Nálam egy "végtelen nagy" bordára szerelve sem volt hűthető. Végtelen borda alatt érts egy téli mínuszok által hűtött bordát. Tehát hiába volt például 5 fokos a borda, a hővédelem már közbeszólt. Ugyanis a tokon belül melegedett úgy, hogy a hő nem volt képes kijönni.
Hangban kemény kopogás jelentkezett a basszusok helyett. És sokkal kisebb teljesítményt adott le, mint 35V-ról, ahol a 100W-ot simán leadta, míg 42V-ról jó, ha 10-20-at.. :yes: akármilyen furcsán hangzik.

És most mindenki beleköthet, lehet, hogy másnak semmi gondja, és lehet, hogy csak a több milliónyi legyártott IC közül sikerült 2 selejtet kifognom, de tény, hogy nálam gondok voltak. Ezért is írtam, hogy saját vélemény. Nem kötekedni akarok, csak leírtam a tapasztalataimat.
Te döntsd el...

Ui.: a táp sem volt gyenge: 400W/40000µF/2x25A híd
(#) ImiDj válasza Tomy27 hozzászólására (») Nov 30, 2009 /
 
Ha 4ohm-on hajtod ilyen feszultsegrol akkor javaslom ne szigeteld el a bordatol(csak szilikon zsirt tegyel ala) mert igy hamarabb tud diszipalni vagyis lehulni.De a bordat mindenkepen szigeteld el mindentol! En is kuzkodtem ezel a problemaval mert van az egyik haveromnak egy erosito amiben +-41V van benne es ott hamar beutot a hovedelem ezert szideteletlenul tettem a bordara de a bordat elszigeteltem mindentol.Es meg anyit hogy 4 hangfal van rakotve 2x4ohm +2x8ohm igy megy de huteni kell mert melegedik mint az allat.
(#) ImiDj válasza zoka hozzászólására (») Nov 30, 2009 /
 
Igen ez a kopogas nekem is jelentkezet egy hangszoronal ami alitolag 4 ohm de kiderult hogy meg 3 sincs csak 2,8ohm.Nekem ekkor kopogot de nem minden IC-vel.Ez szerintem ic-tol is fugg.Volt hogy csak +-33V-al mar kopogot az ic 4 ohm-on de 8 ohm-on nem volt semmi baj.Szerintem vannak szeriak amik gyengebbek vagy hamarabb belep a hovedelem.Ez az en velemenyem
(#) zoka válasza ImiDj hozzászólására (») Nov 30, 2009 /
 
Üdv!

Bocs, hogy belekotyogok, de teljesen igazad van! :yes:
Hatalmas különbség van, ha az IC-t szigeteljük pl.: csillám lemezzel, vagy ha csak simán hővezető zsír van alatta. Ha jól emlékszem 4x akkora kimenő teljesítményt értem el szigetelés nélkül. (Természetesen 35V-nál ez mindegy, csak 40 fölött van jelentőssége).
Ha ehhez még figyelembe veszem, hogy 42 helyett 40 V, akkor működhet a dolog. Megér egy próbát, de a szigetelésekre figyelni kell
(#) ImiDj válasza zoka hozzászólására (») Nov 30, 2009 /
 
Nyugodtan ird le a velemenyed meg a tapasztalatodat :yes: mert igy tobbet tudunk erol az ic-rol Meg anyi hogy az a +-40V terhelten meg kevesebb lesz
(#) Tomy27 hozzászólása Nov 30, 2009 /
 
Köszönöm mindenkinek a hozzászólást.Az igazság az hogy visszakerült hozzám egy Daewoo Hi-Fi amit anno én csináltam végfokozat hibával.A gyári végfok ha jól emlékszem STK 4162II-es volt én meg STK4171V-est tettem bele ami ment is szépen még nálam volt.
Viszont most valószínűleg megadta magát mert a két táp kondi két szélén (+-) illetve kondi és az egyik hangfal kimenet közt is.zárlat van.
Viszont ahogy emlékszem +-42V nyugalmi feszt kap az STK és ezért jutott eszembe a TDA7294 mert van itthon egy kallódóban gondoltam kipróbálom úgysem hallottam még a hangját.De mivel nekem mindenképpen 4Ω-ra kell lehet bele teszek két VF2-es modult mert az is van méghozzá pont +-40V-os verzió.
Bár én valahogy hihetetlennek tartom hogy a 7294 +-40V-ról le tolja a 100-at 8Ω-ra de még ha igen akkor is olyan 70%-ig szólhat tisztán gondolom.Szerintetek melyiket válasszam, mert nem sok kedvem van STK-t rendelni meg inkább valami újat akarok.
(#) Tomy27 hozzászólása Nov 30, 2009 /
 
Bár nem ide tartozik de azért megírom.Azt nem értem hogy ha a TDA 7294 is +-38V 100W 8Ω-ra akkor az hogy lehet hogy volt már a kezem alatt néhány régebbi Denon erősítő PL amit most használok PMA-700V az +-58V nyugalmi feszültséggel megy és mégis 100W rms illetve 150W max zenei teljesítményt tüntettek fel az adat lapján 4Ω-ra.De nagyjából ugyanezt tapasztaltam minden régebbi Denon erősítőnél kisebb különbségekkel mert ha a 7294 100W ad le +-40V-on ráadásul 8Ω-ra akkor ez most hogy van?
(#) ImiDj válasza Tomy27 hozzászólására (») Nov 30, 2009 /
 
Igen az STK-nak szep hangja van de hamar bedoglenek.A tda az eleg strapabiro +-40V kb 70W jon le tisztan es 100W 10%torzitassal.Az Stk-tol tobbet tud a tda 7294.Amugy ez az stk 2x40W 8Ohm/0,08Thd +-32V es az ajanlott tapfesz +-32.5V.A velemenyem ha gyorsan akarsz jot akkor Tda7294 viszont ha valami specko cucot akkor Vf2.
(#) Kovidivi válasza Tomy27 hozzászólására (») Nov 30, 2009 /
 
Adatlap alapján:
+-40V 8ohm 1kHz, d=0.5% = 87W
+-30V 4ohm 1kHz, d=0.5% = 84W (itt még lehet emelni a feszültséget, akkor több lesz a kimenő teljesítmény.) És itt minden 1kHz-en van mérve, és nem 40Hz-en...
(#) Tomy27 válasza ImiDj hozzászólására (») Nov 30, 2009 /
 
Hát lehet összedobok egy 7294-es végfokot puszta kíváncsiságból is de szerintem a VF2 jobb lenne legalábbis paraméterek tekintetében biztos.Viszont kíváncsi volnék a véleményedre másik feltett kérdésem-el kapcsolatban.
Következő: »»   129 / 611
Bejelentkezés

Belépés

Hirdetés
XDT.hu
Az oldalon sütiket használunk a helyes működéshez. Bővebb információt az adatvédelmi szabályzatban olvashatsz. Megértettem